ISO 491:1983
(Main)Cinematography — 35 mm motion-picture film and magnetic film — Cutting and perforating dimensions
Cinematography — 35 mm motion-picture film and magnetic film — Cutting and perforating dimensions
Cinématographie — Film cinématographique et magnétique de 35 mm — Dimensions de coupe et de perforation
General Information
- Status
- Withdrawn
- Publication Date
- 30-Nov-1983
- Withdrawal Date
- 30-Nov-1983
- Technical Committee
- ISO/TC 36 - Cinematography
- Drafting Committee
- ISO/TC 36 - Cinematography
- Current Stage
- 9599 - Withdrawal of International Standard
- Start Date
- 01-Oct-1988
- Completion Date
- 12-Feb-2026
Relations
- Effective Date
- 15-Apr-2008
ISO 491:1983 - Cinematography -- 35 mm motion-picture film and magnetic film -- Cutting and perforating dimensions
ISO 491:1983 - Cinematography — 35 mm motion-picture film and magnetic film — Cutting and perforating dimensions Released:12/1/1983
Frequently Asked Questions
ISO 491:1983 is a standard published by the International Organization for Standardization (ISO). Its full title is "Cinematography — 35 mm motion-picture film and magnetic film — Cutting and perforating dimensions". This standard covers: Cinematography — 35 mm motion-picture film and magnetic film — Cutting and perforating dimensions
Cinematography — 35 mm motion-picture film and magnetic film — Cutting and perforating dimensions
ISO 491:1983 is classified under the following ICS (International Classification for Standards) categories: 37.060.20 - Motion picture films. Cartridges. The ICS classification helps identify the subject area and facilitates finding related standards.
ISO 491:1983 has the following relationships with other standards: It is inter standard links to ISO 491:1988. Understanding these relationships helps ensure you are using the most current and applicable version of the standard.
ISO 491:1983 is available in PDF format for immediate download after purchase. The document can be added to your cart and obtained through the secure checkout process. Digital delivery ensures instant access to the complete standard document.
Standards Content (Sample)
International Standard @ 491
INTERNATIONAL ORGANIZATION FOR STANDARDIZATION.MEXL1YHAWLIHAR OPrAHH3AUHR Il0 CTAHLLAPTH3AUHH.ORGANlSATlON INTERNATIONALE DE NORMALISATION
Cinematography - 35 mm motion-picture film and
magnetic film - Cutting and perforating dimensions
Cinématographie - Film cinématographique et magnétique de 35 rnrn - Dimensions de coupe et de perforation
Third edition - 1983-12-15
UDC 7ï1.531.351 : 7ï.021.17 Ref. No. IS0 491-1983 (E)
Descriptors : cinematography, motion picture film, motion picture film 35 mm, magnetic tapes, specifications, cutting, perforating, dimensions.
Price based on 4 pages
Foreword
IS0 (the International Organization for Standardization) is a worldwide federation of
national standards bodies (IS0 member bodies). The work of developing International
Standards is carried out through IS0 technical committees. Every member body
interested in a subject for which a technical committee has been authorized has the
right to be represented on that committee. International organizations, governmental
and non-governmental, in liaison with ISO, also take part in the work.
Draft International Standards adopted by the technical committees are circulated to
the member bodies for approval before their acceptance as International Standards by
the IS0 Council.
International Standard IS0 491 was developed by Technical Committee ISO/TC 36,
Cinematograph y.
This third edition was submitted directly to the IS0 Council, in accordance with
clause 6.11.2 of part 1 of the Directives for the technical work of ISO. It cancels and
replaces the second edition (i.e. IS0 491-1978), which had been approved by the
member bodies of the following countries :
Australia Ireland Sweden
Belgium Italy Switzerland
Canada Mexico Turkey
Czechoslovakia Poland United Kingdom
France Romania USA
Germany, F. R. South Africa, Rep. of USSR
India Spain
No member body had expressed disapproval of the document.
0 International Organization for Standardization, 1983 O
Printed in Switzerland
INTERNATIONAL STANDARD IS0 491-1983 (E)
Cinematography - 35 mm motion-picture film and
magnetic film - Cutting and perforating dimensions
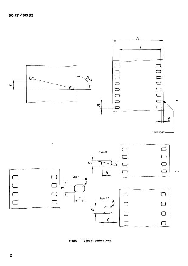
Scope and field of application 3 Dimensions
3.1 Measurement made at the time of manufacture shall be
This International Standard specifies the cutting and per-
taken at a temperature of 23 k 2 OC as stated in IS0 554. A
forating dimensions for 35 mm unexposed motion-picture film
manufacturer may indicate other nominal temperatures under
and 35 mm magnetic film, and the types of perforations used.
which dimensions apply.
3.2 The dimensions shall be as shown in the figure and given
in tables 1 and 2. They apply to unexposed motion-picture and
2 References
magnetic films which conform to IS0 543. These specifications
apply at the time of cutting and perforating.
L
IS0 543, Cinematography - Motion-picture safety film -
Definition, testing and marking.
3.3 With regard to 35 mm magnetic films, the dimensions
which apply are those specified in tables 1 and 2 under the
IS0 554, Standard atmospheres for conditioning and/or testing designation "Type P" with a perforation pitch B and the length
- Specifications. of any 100 consecutive intervals L.
IS0 491-1983 (E)
A
I
O
O
O
O
O
O
O
O
O
O
O
cl
D
Either edge -
O
O
O
O
O
O
v
O O
Y
O
O
O
O O
O O
O O
O
O
-
O
O
Figure - Types of perforations
IS0 491-1983 (E)
Table 1 - Dimensions in millimetres
Dimension
Type P
A 34.975 f 0,025
B 4,75 f 0.01 4.75 f 0.01
4.74 f 0,Ol 4.74 f 0.01
B1
2,800 + 0.005
G
2.800
- 0,015
D 1,98 I 0.01 1,850 $00:
E 2.01 f 0.05 2.01 f O,&
F 28.17 f 0.05 28,17 f 0.05
G
0,025 max. 0,025 max.
H 2.08 nominal
L
-
R
I
L 475.0
f 0.4 475.0 f 0.4
474.0
f 0.4 474.0 f 0,4
L1
Table 2 - Dimensions in inches
Dimension Type AC
Type p Type N
A 1.377 f 0.001 1.377 rt 0.001
0.187 O f 0.000 4
B 0.187 O f 0.0004 0.187 O I 0.000 4
0.186 6 f 0.000 4
0.186 6 f 0.000 4
B1
C 0.1100 f 0.0004 0.078 O f 0.000 4
0.1100 I 0.0004
D 0.078 O f 0.000 4 0.073 O I 0.000 4 0.073 O I 0.000 4
E 0.079 f 0.002 0.079 I 0.002 0.086 f 0.002
F 1.109 f 0.002 1.109 f 0.002 1.127 f 0.002
G 0.001 rnax. 0.001 max. 0.001 max.
-
H 0.082 nominal
R 0.020 2 ;:E; 0.013 f 0.001
L 18.700 f 0.016 18.700 f 0.016 18.700 f 0.016
Ll 18.660 f 0.016 18.660 f 0.016
NOTES
1 While present usage is that type N perforations may be employed for camera and intermediate films and type
...
Norme internationale @ 491
INTERNATIONAL ORGANIZATION FOR STANDARDIZATlON*ME~YHAPOBHAR OPTAHHJAUHR no CTAHBAF'TH3AUbîUWRGANlSATlON INTERNATIONALE DE NORMALISATION
Cinématographie - Film cinématographique et
35 mm - Dimensions de coupe et de
magnétique de
perforation
Cinematography - 35 mm motion-picture film and magnetic film - Cutting and perforating dimensions
Troisième édition - 1983-12-15
CDU 771.531.351 : 77.021.17
Réf. no : IS0 491-1983 (FI
- U
-
8 Descripteurs : cinématographie, film cinématographique, film Cinématographique 35 mm, bande magnétique, spécification, coupage,
F
perforation, dimension.
O
E?
Prix basé sur 4 pages
Avant-propos
L’ISO (organisation internationale de normalisation) est une fédération mondiale
d’organismes nationaux de normalisation (comités membres de I’ISO). L’élaboration
des Normes internationales est confiée aux comités techniques de I’ISO. Chaque
comité membre intéressé par une étude a le droit de faire partie du comité technique
correspondant. Les organisations internationales, gouvernementales et non gouverne-
mentales, en liaison avec I’ISO, participent également aux travaux.
Les projets de Normes internationales adoptés par les comités techniques sont soumis
aux comités membres pour approbation, avant leur acceptation comme Normes inter-
nationales par le Conseil de I’ISO.
La Norme internationale IS0 491 a été élaborée par le comité technique ISO/TC 36,
Cinéma tograp hie.
Cette troisième édition fut soumise directement au Conseil de I‘ISO, conformément au
paragraphe 6.1 1.2 de la partie 1 des Directives pour les travaux techniques de I’ISO.
Elle annule et remplace la deuxième édition (IS0 491-1978), qui avait été approuvée par
les comités membres des pays suivants :
Afrique du Sud, Rép. d’ Inde Suède
Allemagne, R. F. Irlande Suisse
Australie Italie Tchécoslovaquie
Belgique
Mexique Turquie
Canada Pologne URSS
Espagne Roumanie USA
France Royaume-Uni
Aucun comité membre ne l’avait désapprouvée.
@ Organisation internationale de normalisation, 1983 O
Imprimé en Suisse
NORM E I NTE R NAT1 O NA LE IS0 491-1983 (FI
Cinématographie - Film cinématographique et
magnétique de 35 mm - Dimensions de coupe et de
perforation
1 Objet et domaine d'application 3 Dimensions
3.1 Le mesurage effectué au moment de la fabrication doit se
La présente Norme internationale spécifie les dimensions de
faire à 23 + 2 OC conformément à I'ISO 554. Le fabricant peut
coupe et de perforation du film cinématographique et magnéti-
indiquer d'autres températures nominales pour le mesurage des
que non exposé de 35 mm, ainsi que les types de perforations
dimensions.
utilisées.
3.2 Les dimensions doivent être telles qu'indiquées dans la
figure et données dans les tableaux 1 et 2. Elles s'appliquent
aux films cinématographiques et magnétiques non exposés
conformes à I'ISO 543. Ces spécifications sont applicables au
2 Références
moment de la coupe et de la perforation.
IS0 543, Cinématographie - Film cinématographique de sécu-
3.3 En ce qui concerne les films magnétiques de 35 mm, les
rité - Définition, essais et marquage.
dimensions applicables sont celles spécifiées dans les
tableaux 1 et 2 sous la désignation ((Type PD, avec un pas de
IS0 554, Atmosphères normales de conditionnement et/ou perforation B et une longueur L pour tout groupe de
100 intervalles consécutifs.
d'essai - Spécifications.
IS0 491-1983 (FI
A
c
d d
O
O
O
O
O
O
O
O
O
O
i
t
N’importe quel bord-
O O
O
O
O O
-
O O
Y
O O
El O
O O
O O
Type AC
e,
O O
O O
Q
O
O
O c O
Figure - Types de perforations
IS0 491-1983 (FI
Tableau 1 - Dimensions en millimètres
Dimension Type AC
A
34,975 f 0,025 34,975 f 0,025 34,975 f 0,025
B
4,75 f 0.01 4.75 f 0,Ol 4.75 f 0.01
-
4.74 f 0.01 4.74 f 0,Ol
E1
C 1.98 f 0.01
2.800 ! :;E 2,800 I 2:;
1,850 0.015
D 1.98 f 0.01 1.850
0.005
E 2,Ol f 0.05 2,18 I 0.05
2.01 f 0,05
F 28,17 f 0.05 28,17 f 0.05 28,63 f 0.05
G 0,025 max. 0,025 max. 0,025 max.
-
-
H 2.08 nominal
L 0.~~0 0,025
-
R
0,330 f 0,025
0,075
L
475.0 f 0,4 475,O f 0.4 475.0 f 0.4
-
474.0 f 0.4 474,O f 0.4
L1
Tableau 2 - Dimensions en inches
Dimension TvDe AC
Type P Type N
A 1,377 fo.001 1,377 f 0,001 1,377 I 0.001
B 0,187 O f 0,0004 0,187 O f 0,0004 0,187 O f 0.000 4
-
0,186 6 f 0,ooO 4 0,186 6 f 0.000 4
E1
C 0,1100 f 0,0004 0.1100 f 0,0004 0,078 O it 0.000 4
D 0,078 O f 0,000 4 0,073 O f 0,000 4 0,073 O f 0,000 4
E 0,079 f 0.002 0,079 f 0,002 0,086 f 0.002
1,109 f 0,002
F 1,109 f 0,002 1,127 f 0.002
0.001 max.
G 0,001 max. 0,001 max.
-
H 0,082 nominal
R 0,020 : $E
0,013 f 0.001
L 18,700 f 0,016 18,700 f 0,016
18,700 f 0,016
-
18,660 f 0,016 18,660 k 0,016
L1
NOTES
1 La pratique actuelle veut que les perforations du type N soient employées pour les films de prise de vues et
pour les films intermédiaires et les perforations du type P pour les copies d’exploi
...








Questions, Comments and Discussion
Ask us and Technical Secretary will try to provide an answer. You can facilitate discussion about the standard in here.
Loading comments...