ISO 7388-2:1984
(Main)Tool shanks with 7/24 taper for automatic tool changers — Part 2: Retention knobs for shanks Nos. 40, 45 and 50 — Dimensions and mechanical characteristics
Tool shanks with 7/24 taper for automatic tool changers — Part 2: Retention knobs for shanks Nos. 40, 45 and 50 — Dimensions and mechanical characteristics
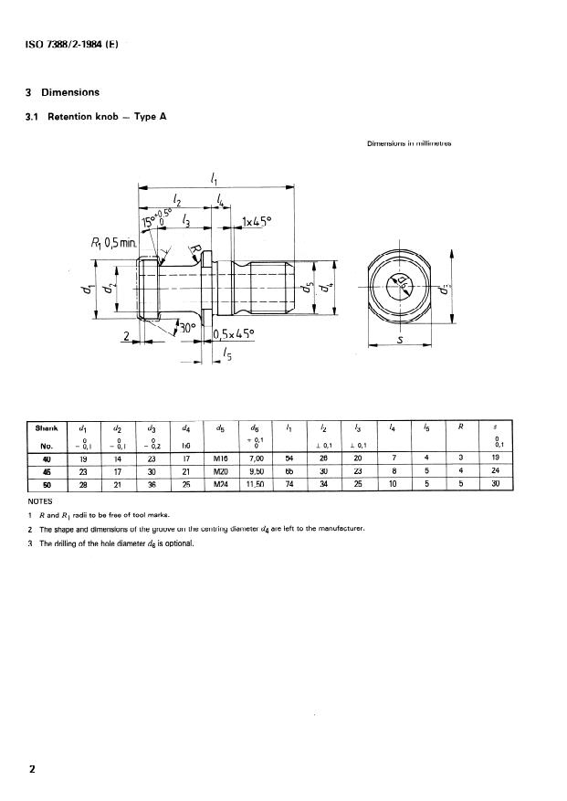
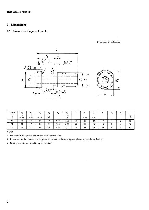
Applies for feeding tools from the magazine to the spindle and vice-versa. The retention knobs are intended for the mounting of the tools in the spindles. ISO 7388-2 lays down retention knobs in type A and in type B.
Queues d'outils à conicité 7/24 pour changement automatique d'outils — Partie 2: Embouts de tirage pour cônes nos. 40, 45 et 50 — Dimensions et caractéristiques mécaniques
General Information
- Status
- Withdrawn
- Publication Date
- 30-Jun-1984
- Withdrawal Date
- 30-Jun-1984
- Technical Committee
- ISO/TC 29/SC 9 - Tools with defined cutting edges, holding tools, cutting items, adaptive items and interfaces
- Drafting Committee
- ISO/TC 29/SC 9 - Tools with defined cutting edges, holding tools, cutting items, adaptive items and interfaces
- Parallel Committee
- ISO/TC 39 - Machine tools
- Current Stage
- 9599 - Withdrawal of International Standard
- Start Date
- 30-Jul-2007
- Completion Date
- 14-Feb-2026
Relations
- Effective Date
- 15-Apr-2008
Buy Documents
ISO 7388-2:1984 - Tool shanks with 7/24 taper for automatic tool changers
ISO 7388-2:1984 - Queues d'outils a conicité 7/24 pour changement automatique d'outils
ISO 7388-2:1984 - Queues d'outils a conicité 7/24 pour changement automatique d'outils
Get Certified
Connect with accredited certification bodies for this standard
National Aerospace and Defense Contractors Accreditation Program (NADCAP)
Global cooperative program for special process quality in aerospace.
CARES (UK Certification Authority for Reinforcing Steels)
UK certification for reinforcing steels and construction.
DVS-ZERT GmbH
German welding certification society.
Sponsored listings
Frequently Asked Questions
ISO 7388-2:1984 is a standard published by the International Organization for Standardization (ISO). Its full title is "Tool shanks with 7/24 taper for automatic tool changers — Part 2: Retention knobs for shanks Nos. 40, 45 and 50 — Dimensions and mechanical characteristics". This standard covers: Applies for feeding tools from the magazine to the spindle and vice-versa. The retention knobs are intended for the mounting of the tools in the spindles. ISO 7388-2 lays down retention knobs in type A and in type B.
Applies for feeding tools from the magazine to the spindle and vice-versa. The retention knobs are intended for the mounting of the tools in the spindles. ISO 7388-2 lays down retention knobs in type A and in type B.
ISO 7388-2:1984 is classified under the following ICS (International Classification for Standards) categories: 25.060.20 - Dividing and tool-workpiece holding devices. The ICS classification helps identify the subject area and facilitates finding related standards.
ISO 7388-2:1984 has the following relationships with other standards: It is inter standard links to ISO 7388-2:2007. Understanding these relationships helps ensure you are using the most current and applicable version of the standard.
ISO 7388-2:1984 is available in PDF format for immediate download after purchase. The document can be added to your cart and obtained through the secure checkout process. Digital delivery ensures instant access to the complete standard document.
Standards Content (Sample)
International Standard 738812
INTERNATIONAL ORGANIZATION FOR STANDARDIZATIONWlEIK~YHAPO~HAR OPrAHM3AL&lfl n0 CTAH,QAPTbl3AUWWORGANlSATlON INTERNATIONALE DE NORMALISATION
Tool shanks with 7/24 taper for automatic tool changers -
Part 2 : Retention knobs for shanks Nos. 40, 45 and 50 -
Dimensions and mechanical characteristics
Queues d’outils A conicit& 7/24 pour changernent automatigue d’outifs - Partie 2 : Embouts de tirage pour c&es nos 40, 45 et
50 - Dimensions et caractkristigues rnkanigues
First edition - 1984-08-01
U DC 621.9.229.2 Ref. No. IS0 7388/2-1984 (E)
Descriptors : tools, power-operated tools, shanks, taper shanks, 7/24 taper shanks, machine tapers, dimensions, characteristics.
Price based on 4 pages
Foreword
IS0 (the International Organization for Standardization) is a worldwide federation of
national standards bodies (IS0 member bodies). The work of developing International
Standards is carried out through IS0 technical committees. Every member body
interested in a subject for which a technical committee has been authorized has the
right to be represented on that committee. International organizations, governmental
and non-governmental, in liaison with ISO, also take part in the work. *
Draft International Standards adopted by the technical committees are circulated to
the member bodies for approval before their acceptance as International Standards by
the IS0 Council.
International Standard IS0 7388/2 was developed by Technical Committee
ISO/TC 39, Machine too/s, and was circulated to the member bodies in Februan/ 1982.
It has been approved by the member bodies of the following countries :
Belgium
India South Africa, Rep. of
China Italy Spain
Czechoslovakia Korea, Dem. P. Rep. of Sweden
Egypt, Arab Rep. of Korea, Rep. of Switzerland
France Netherlands United Kingdom
Germany, F. R. Poland
Hungary Romania
of the followi countries expressed disapproval of the
The member bodies
w
document on technical grounds :
Japan
USA
USSR
0 International Organization for Standardization, 1984
Printed in Switzerland
IS0 7388/2-1984 (E)
INTERNATIONAL STANDARD
Tool shanks with 7/24 taper for automatic tool changers -
Part 2 : Retention knobs for shanks Nos. 40,45 and 50 -
Dimensions and mechanical characteristics
0 Introduction
Users of this part of IS0 7388 are advised that proprietary rights apply to tool shanks with a 7/24 taper for automatic tool changers.
Patent holders have agreed to negotiate licenses on terms and conditions defined in statements that are available upon request from
the IS0 Central Secretariat.
1 Scope and field of application
This part of IS0 7388 lays down the dimensi
...
Norme internationale 738812
INTERNATIONAL ORGANlZATlON FOR STANDARDIZATIONWlEX~YHAPO~HAR OP~AHkI3Al.&lR fl0 CTAH~APTM3A~MM*ORGANISA?ION INTERNATIONALE DE NORMALISATION
Queues d’outils à tonicité 7/24 pour changement
automatique d’outils -
Partie 2 : Embouts de tirage pour cônes nos 40, 45 et 50 -
Dimensions et caractéristiques mécaniques
Tool shanks wîth 7/24 taper for automatïc tool changers - Part 2 : Retention knobs for shanks Nos. 40, 45 and 50 -
Dimensions and mechanical characteristics
Première édition - 1984-08-01
f:
CDU 621.9-229.2
Y Réf. no : ISO 7388/2-1984 (F)
Descripteurs : outil, outil mécanique, queue d’outil, queue conique, queue cône 7/24,
cône d’emmanchement d’outil,
dimension,
caractéristique.
Prix basé sur 4 pages
4!
Avant-propos
L’ISO (Organisation internationale de normalisation) est une fédération mondiale
d’organismes nationaux de normalisation (comités membres de I’ISO). L’élaboration
des Normes internationales est confiée aux comités techniques de I’ISO. Chaque
comité membre intéresse par une étude a le droit de faire partie du comité technique
correspondant. Les organisations internationales, gouvernementales et non gouverne-
mentales, en liaison avec I’ISO, participent également aux travaux.
Les projets de Normes internationales adoptés par les comités techniques sont soumis
aux comites membres pour approbation, avant leur acceptation comme Normes inter-
nationales par le Conseil de I’ISO.
La Norme internationale ISO 7388/2 a été élaborée par le comité technique ISO/TC 39,
Machines-outJs, et a été soumise aux comites membres en février 1982.
Les comités membres des pays suivants l’ont approuvée :
Afrique du Sud, Rép. d’
Espagne Roumanie
Allemagne, R. F.
France Royaume-Uni
Belgique Hongrie Suede
Chine Inde
Suisse
Corée, Rép. dem. p. de Italie Tchécoslovaquie
Corée, Rép. de Pays-Bas
Égypte, Rép. arabe d’ Pologne
Les comités membres des pays suivants l’ont désapprouvée pour des raisons
techniques :
Japon
URSS
USA
0 Organisation internationale de normalisation, 1984
Imprimé en Suisse
NORME INTERNATIONALE ISO 7388/2-1984 (F)
Queues d’outils à tonicité 7/24 pour changement
automatique d’outils -
Partie 2 : Embouts de tirage pour cônes nos 40, 45 et 50 -
Dimensions et caractéristiques mécaniques
0 Introduction
Les utilisateurs de la présente partie de I’ISO 7388 sont informés que des droits de propriété s’appliquent aux queues d’outils à coni-
\
cité 7/24 pour changement automatique d’outils. Les détenteurs de brevets ont accepté de négocier des licences en des termes et
conditions indiqués dans des déclarations qui peuvent être demandées auSecrétariat central de I’ISO.
1 Objet et domaine d’application
La présente partie de I’ISO 7388 fixe les dimensio
...
Norme internationale 738812
INTERNATIONAL ORGANlZATlON FOR STANDARDIZATIONWlEX~YHAPO~HAR OP~AHkI3Al.&lR fl0 CTAH~APTM3A~MM*ORGANISA?ION INTERNATIONALE DE NORMALISATION
Queues d’outils à tonicité 7/24 pour changement
automatique d’outils -
Partie 2 : Embouts de tirage pour cônes nos 40, 45 et 50 -
Dimensions et caractéristiques mécaniques
Tool shanks wîth 7/24 taper for automatïc tool changers - Part 2 : Retention knobs for shanks Nos. 40, 45 and 50 -
Dimensions and mechanical characteristics
Première édition - 1984-08-01
f:
CDU 621.9-229.2
Y Réf. no : ISO 7388/2-1984 (F)
Descripteurs : outil, outil mécanique, queue d’outil, queue conique, queue cône 7/24,
cône d’emmanchement d’outil,
dimension,
caractéristique.
Prix basé sur 4 pages
4!
Avant-propos
L’ISO (Organisation internationale de normalisation) est une fédération mondiale
d’organismes nationaux de normalisation (comités membres de I’ISO). L’élaboration
des Normes internationales est confiée aux comités techniques de I’ISO. Chaque
comité membre intéresse par une étude a le droit de faire partie du comité technique
correspondant. Les organisations internationales, gouvernementales et non gouverne-
mentales, en liaison avec I’ISO, participent également aux travaux.
Les projets de Normes internationales adoptés par les comités techniques sont soumis
aux comites membres pour approbation, avant leur acceptation comme Normes inter-
nationales par le Conseil de I’ISO.
La Norme internationale ISO 7388/2 a été élaborée par le comité technique ISO/TC 39,
Machines-outJs, et a été soumise aux comites membres en février 1982.
Les comités membres des pays suivants l’ont approuvée :
Afrique du Sud, Rép. d’
Espagne Roumanie
Allemagne, R. F.
France Royaume-Uni
Belgique Hongrie Suede
Chine Inde
Suisse
Corée, Rép. dem. p. de Italie Tchécoslovaquie
Corée, Rép. de Pays-Bas
Égypte, Rép. arabe d’ Pologne
Les comités membres des pays suivants l’ont désapprouvée pour des raisons
techniques :
Japon
URSS
USA
0 Organisation internationale de normalisation, 1984
Imprimé en Suisse
NORME INTERNATIONALE ISO 7388/2-1984 (F)
Queues d’outils à tonicité 7/24 pour changement
automatique d’outils -
Partie 2 : Embouts de tirage pour cônes nos 40, 45 et 50 -
Dimensions et caractéristiques mécaniques
0 Introduction
Les utilisateurs de la présente partie de I’ISO 7388 sont informés que des droits de propriété s’appliquent aux queues d’outils à coni-
\
cité 7/24 pour changement automatique d’outils. Les détenteurs de brevets ont accepté de négocier des licences en des termes et
conditions indiqués dans des déclarations qui peuvent être demandées auSecrétariat central de I’ISO.
1 Objet et domaine d’application
La présente partie de I’ISO 7388 fixe les dimensio
...












Questions, Comments and Discussion
Ask us and Technical Secretary will try to provide an answer. You can facilitate discussion about the standard in here.
Loading comments...