ISO 8092-1:1989
(Main)Road vehicles — Flat, quick-connect terminations — Part 1: Tabs for single pole connections
Road vehicles — Flat, quick-connect terminations — Part 1: Tabs for single pole connections
Véhicules routiers — Connexions rapides à languette plate — Partie 1: Languettes pour raccordements unipolaires
General Information
- Status
- Withdrawn
- Publication Date
- 14-Jun-1989
- Withdrawal Date
- 14-Jun-1989
- Technical Committee
- ISO/TC 22 - Road vehicles
- Drafting Committee
- ISO/TC 22 - Road vehicles
- Current Stage
- 9599 - Withdrawal of International Standard
- Start Date
- 08-Feb-1996
- Completion Date
- 12-Feb-2026
Relations
- Consolidated By
ISO 22775:2004 - Footwear — Test methods for accessories: Metallic accessories — Corrosion resistance - Effective Date
- 06-Jun-2022
- Effective Date
- 15-Apr-2008
ISO 8092-1:1989 - Road vehicles -- Flat, quick-connect terminations
ISO 8092-1:1989 - Road vehicles — Flat, quick-connect terminations — Part 1: Tabs for single pole connections Released:6/15/1989
Get Certified
Connect with accredited certification bodies for this standard

TÜV Rheinland
TÜV Rheinland is a leading international provider of technical services.

TÜV SÜD
TÜV SÜD is a trusted partner of choice for safety, security and sustainability solutions.
AIAG (Automotive Industry Action Group)
American automotive industry standards and training.
Sponsored listings
Frequently Asked Questions
ISO 8092-1:1989 is a standard published by the International Organization for Standardization (ISO). Its full title is "Road vehicles — Flat, quick-connect terminations — Part 1: Tabs for single pole connections". This standard covers: Road vehicles — Flat, quick-connect terminations — Part 1: Tabs for single pole connections
Road vehicles — Flat, quick-connect terminations — Part 1: Tabs for single pole connections
ISO 8092-1:1989 is classified under the following ICS (International Classification for Standards) categories: 43.040.10 - Electrical and electronic equipment. The ICS classification helps identify the subject area and facilitates finding related standards.
ISO 8092-1:1989 has the following relationships with other standards: It is inter standard links to ISO 22775:2004, ISO 8092-1:1996. Understanding these relationships helps ensure you are using the most current and applicable version of the standard.
ISO 8092-1:1989 is available in PDF format for immediate download after purchase. The document can be added to your cart and obtained through the secure checkout process. Digital delivery ensures instant access to the complete standard document.
Standards Content (Sample)
IS0
INTER NATIONAL
8092- I
STANDARD
First edition
1989-07-01
Road vehicles - Flat, quick-connect
terminations -
Part 1 :
Tabs for single pole connections
Véhicules routiers - Connexions rapides à languette plate -
Partie 7: Languettes pour raccordements unipolaires
Reference number
IS0 8092-1 : 1989 (E)
Foreword
IS0 (the International Organization for Standardization) is a worldwide federation of
national standards bodies (IS0 member bodies). The work of preparing International
Standards is normally carried out through IS0 technical committees. Each member
body interested in a subject for which a technical committee has been established has
the right to be represented on that committee. International organizations, govern-
mental and non-governmental, in liaison with ISO, also take part in the work. IS0
collaborates closely with the International Electrotechnical Commission (IEC) on all
matters of electrotechnical standardization.
Draft International Standards adopted by the technical committees are circulated to
the member bodies for approval before their acceptance as International Standards by
the IS0 Council. They are approved in accordance with IS0 procedures requiring at
least 75 % approval by the member bodies voting.
International Standard IS0 8092-1 was prepared by Technical Committee ISO/TC 22,
Road vehicles.
IS0 8092 consists of the following parts, under the general title Road vehicles - Flat,
:
quick-connect terminations
-
Part 7: Tabs for single pole connections
-
2: Tests and performance requirements for single pole connections
Part
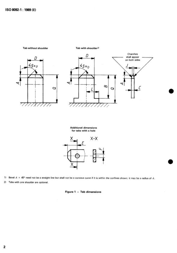
Annex A of this part of IS0 8092 is for information only.
0 IS0 1989
All rights reserved. No part of this publication may be reproduced or utilized in any form or by any
means, electronic or mechanical, including photocopying and microfilm, without permission in
writing from the publisher.
International Organization for Standardization
Case postale 56 O CH-121 1 Genève 20 e Switzerland
Printed in Switzerland
IS0 8092-1 : 1989 (E)
INTERNATIONAL STANDARD
Road vehicles - Flat, quick-connect terminations -
Part 1:
Tabs for single pole connections
3.2 tab: That part of a quick-connect termination which is
1 Scope
pushed into a female connector, forming an electrical con-
nection.
This part of IS0 8092 lays down the dimensions, configuration,
material and plating of tabs for electrical single pole connec-
tions in road vehicles, which can be fitted into female connec-
3.3 female connector: That part of a quick-connect ter-
tors such as those given as examples in annex A. mination which receives the tab, forming an electrical con-
nection.
This part of IS0 8092 applies to single pole flat, quick-connect
terminations used to connect electrical equipment to the elec-
3.4 detent: Hole in the male tab, which engages a raised
trical harness, and/or to connect conductors of the electrical
...
NORME IS0
I NTE R NATIONALE 8092-1
Première édition
1989-07-01
Véhicules routiers - Connexions rapides
à languette plate -
Partie 1 :
Languettes pour raccordements unipolaires
Road vehicles - Flat, quick-connect terminations -
Part 1: Tabs for single pole connections
Numéro de référence
IS0 8092-1 : 1989 (FI
IS0 8092-1 : 1989 (FI
Avant-propos
L'ISO (Organisation internationale de normalisation) est une fédération mondiale
d'organismes nationaux de normalisation (comités membres de I'ISO). L'élaboration
des Normes internationales est en général confiée aux comités techniques de I'ISO.
Chaque comité membre intéressé par une étude a le droit de faire partie du comité
technique créé à cet effet. Les organisations internationales, gouvernementales et non
gouvernementales, en liaison avec I'ISO participent également aux travaux. L'ISO col-
labore étroitement avec la Commission électrotechnique internationale (CEI) en ce qui
concerne la normalisation électrotechnique.
Les projets de Normes internationales adoptés par les comités techniques sont soumis
aux comités membres pour approbation, avant leur acceptation comme Normes inter-
nationales par le Conseil de I'ISO. Les Normes internationales sont approuvées confor-
mément aux procédures de 1'1S0 qui requièrent l'approbation de 75 % au moins des
comités membres votants.
La Norme internationale IS0 8092-1 a été élaborée par le comité technique ISO/TC 22,
Véhicules routiers.
L'ISO 8092 comprend les parties suivantes, présentées sous le titre général Véhicules
routiers - Connexions rapides à languette plate :
-
Partie 1 : Languettes pour raccordements unipolaires
-
Partie 2: Essais et exigences de performance des connexions pour raccorde-
ments unipolaires
L'annexe A de la présente partie de I'ISO 8092 est donnée uniquement à titre
d'information.
0 IS0 1989
Droits de reproduction réservés. Aucune partie de cette publication ne peut être reproduite ni
utilisée sous quelque forme que ce soit et par aucun procédé, électronique ou mécanique,
y compris la photocopie et les microfilms, sans l'accord écrit de l'éditeur.
Organisation internationale de normalisation
Case postale 56 O CH-121 1 Genève 20 O Suisse
Imprimé en Suisse
IS0 8092-1 : 1989 (FI
NOR ME I NTE 61 NAT1 ON ALE
~~
Véhicules routiers - Connexions rapides
à languette plate -
Partie 1:
Languettes pour raccordements unipolaires
languette: Partie de la connexion rapide qui, insérée
1 Domaine d'application 3.2
dans le clip, forme une liaison électrique.
La présente partie de I'ISO 8092 prescrit les caractéristiques
dimensionnelles et géométriques, ainsi que le matériau de base
3.3 clip: Partie femelle de la connexion rapide qui recoit la
et le traitement de surface, des languettes pour raccordements
languette pour former une liaison électrique.
électriques unipolaires de véhicules routiers, logeables dans des
clips tels que ceux donnés en exemples dans l'annexe A.
3.4 dispositif de verrouillage: Trou pratiqué sur la lan-
guette pour recevoir une saillie du clip, assurant ainsi le ver-
La présente partie de I'ISO 8092 est applicable aux connexions
rouillage des parties accouplées.
rapides à languette plate pour raccordements unipolaires, utili-
sées pour raccorder l'équipement électrique au faisceau électri-
NOTE - Pour les languettes sans trou, il est nécessaire de prévoir des
que de bord etlou connecter des conducteurs du réseau élec-
moye
...








Questions, Comments and Discussion
Ask us and Technical Secretary will try to provide an answer. You can facilitate discussion about the standard in here.
Loading comments...