ISO 7315:1988
(Main)Aerospace - "P" clamps (loop clamps) for fluid systems - Envelope dimensions
Aerospace - "P" clamps (loop clamps) for fluid systems - Envelope dimensions
Specifies maximum and minimum dimensions for these clamps installed by means of a bolt with a nominal diameter of 5 mm. The specified dimensions define a dimensional envelope. Shall not be considered as an interchangeability standard. The tolerances for each type of clamp are to be defined in the parts standards drawings.
Aéronautique et espace — Colliers en P pour systèmes de fluides — Dimensions d'encombrement
La présente Norme internationale fixe les cotes maximales et minimales des colliers en P fixés à l'aide d'une vis de diamètre nominal 5 mm. Les dimensions fixées définissent une enveloppe dimensionnelle. La présente Norme internationale ne doit pas être considérée comme une norme d'interchangeabilité. Les tolérances pour chaque type de collier sont à définir dans les dessins de pièces standard. Ces colliers sont destinés à fixer, supporter ou guider des tuyauteries souples ou rigides montées sur matériels aérospatiaux. NOTE - Les colliers en P peuvent également être utilisés pour d'autres équipements, par exemple câbles ou faisceaux électriques.
General Information
- Status
- Published
- Publication Date
- 27-Jan-1988
- Technical Committee
- ISO/TC 20/SC 10 - Aerospace fluid systems and components
- Drafting Committee
- ISO/TC 20/SC 10/WG 3 - Tubing and tube retaining devices
- Current Stage
- 9020 - International Standard under periodical review
- Start Date
- 15-Oct-2025
- Completion Date
- 15-Oct-2025
Relations
- Revises
ISO 7315:1985 - Aerospace - "P" clamps (loop clamps) for fluid tubing installations - Dimensions - Effective Date
- 15-Apr-2008
Overview
ISO 7315:1988 specifies the envelope dimensions for aerospace “P” clamps (loop clamps) used in fluid systems. It defines the maximum and minimum dimensional limits for clamps installed using a bolt with a nominal diameter of 5 mm. The standard establishes a dimensional envelope (overall shape and key locations) but is explicitly not an interchangeability standard; detailed tolerances are to be given in the individual parts‑standard drawings.
Key topics and requirements
- Scope: Applies to “P” (loop) clamps intended for installation, support and guiding of rigid tubing or hose assemblies in aerospace equipment. Can also be used for cable looms.
- Bolt specification: Dimensions apply when clamps are installed with a bolt of nominal diameter 5 mm.
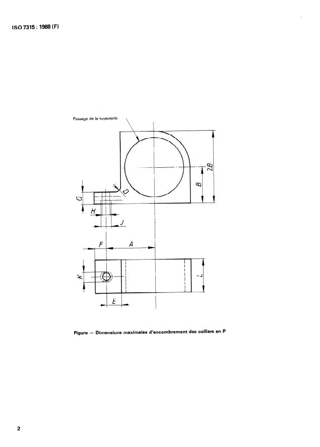
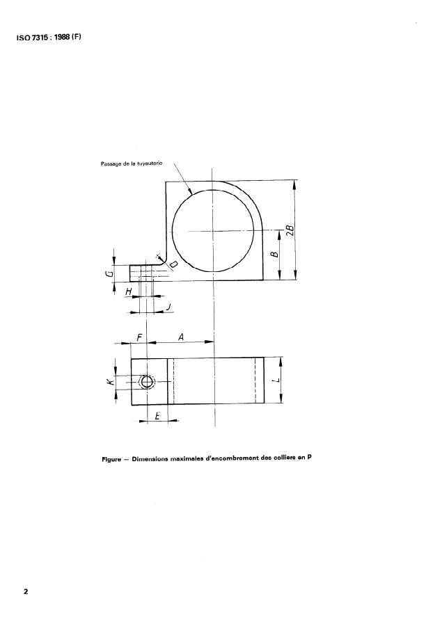
- Dimensional envelope: Table 2 defines the maximum/minimum envelope dimensions and the proper tube location relative to the mounting plane and fastening point. Dimensions apply with the tube assembled in the tightened clamp.
- Classification by temperature: Clamps are grouped into six types according to intended temperature range:
- Type 1: -55 to +70 °C
- Type 2: -55 to +135 °C
- Type 3: -55 to +200 °C
- Type 4: -55 to +320 °C
- Type 5: -55 to +400 °C
- Type 6: -55 to +650 °C
- Construction types: “P” clamps may be single‑component or multi‑component (metal support with plastomer/elastomer cushion or sheathing).
- Non‑preferred tube sizes: The standard table includes nominal diameters DN 4 up to DN 100; certain DN sizes are identified as non‑preferred (DN 14, 18, 22, 28, 36, 45, 56, 70, 90).
- Tolerances and parts drawings: Specific manufacturing tolerances and detailed geometry are defined in the parts standards/drawings for each clamp type and are not contained in ISO 7315.
Applications and users
ISO 7315 is practical for:
- Aerospace design engineers specifying tubing support and routing for hydraulic, fuel, pneumatic and environmental control systems.
- Component manufacturers and suppliers producing “P” clamps to aerospace dimensional envelopes.
- Maintenance, repair and overhaul (MRO) teams and installation technicians verifying clamp fit and tube location.
- Procurement and quality assurance professionals ensuring supplied clamps meet required envelope dimensions.
Keywords: ISO 7315, P clamps, loop clamps, aerospace, envelope dimensions, fluid systems, tubing clamps, clamp dimensions, temperature classification, DN sizes.
Related standards
- ISO 6771 - referenced for pressure and temperature classifications applicable to aerospace fluid systems.
- Individual parts‑standard drawings for each clamp type (define tolerances and manufacturing details).
ISO 7315:1988 - Aerospace -- "P" clamps (loop clamps) for fluid systems -- Envelope dimensions
ISO 7315:1988 - Aéronautique et espace -- Colliers en P pour systemes de fluides -- Dimensions d'encombrement
ISO 7315:1988 - Aéronautique et espace -- Colliers en P pour systemes de fluides -- Dimensions d'encombrement
Frequently Asked Questions
ISO 7315:1988 is a standard published by the International Organization for Standardization (ISO). Its full title is "Aerospace - "P" clamps (loop clamps) for fluid systems - Envelope dimensions". This standard covers: Specifies maximum and minimum dimensions for these clamps installed by means of a bolt with a nominal diameter of 5 mm. The specified dimensions define a dimensional envelope. Shall not be considered as an interchangeability standard. The tolerances for each type of clamp are to be defined in the parts standards drawings.
Specifies maximum and minimum dimensions for these clamps installed by means of a bolt with a nominal diameter of 5 mm. The specified dimensions define a dimensional envelope. Shall not be considered as an interchangeability standard. The tolerances for each type of clamp are to be defined in the parts standards drawings.
ISO 7315:1988 is classified under the following ICS (International Classification for Standards) categories: 49.080 - Aerospace fluid systems and components. The ICS classification helps identify the subject area and facilitates finding related standards.
ISO 7315:1988 has the following relationships with other standards: It is inter standard links to ISO 7315:1985. Understanding these relationships helps ensure you are using the most current and applicable version of the standard.
You can purchase ISO 7315:1988 directly from iTeh Standards. The document is available in PDF format and is delivered instantly after payment. Add the standard to your cart and complete the secure checkout process. iTeh Standards is an authorized distributor of ISO standards.
Standards Content (Sample)
ISO
INTERNATIONAL STANDARD
Second edition
1988-02-01
INTERNATIONAL ORGANIZATION FOR STANDARDIZATION
ORGANISATION INTERNATIONALE DE NORMALISATION
MEXAYHAPOAHAR OPTAHM3A~Wl fl0 CTAH~APTM3A~MM
“P” clamps (loop clamps) for fluid
Aerospace -
Envelope dimensions
Systems -
Coliers en P pour systemes de fluides - Dimensions
Akronautique et espace -
d’encombrement
Reference num ber
ISO 7315: 1988 (E)
Foreword
ISO (the International Organization for Standardization) is a worldwide federation of
national Standards bodies (ISO member bodies). The work of preparing International
Standards is normally carried out through ISO technical committees. Esch member
body interested in a subject for which a technical committee has been established has
the right to be represented on that committee. International organizations, govern-
mental and non-governmental, in liaison with ISO, also take part in the work.
Draft International Standards adopted by the technical committees are circulated to
the member bodies for approval before their acceptance as International Standards by
the ISO Council. They are approved in accordance with ISO procedures requiring at
least 75 % approval by the member bodies voting.
International Standard ISO 7315 was prepared by Technical Committee ISO/TC 20,
Aircraft and space vehicles.
This second edition cancels and replaces the first edition (ISO 7315 : 19851, of which
table 2 has been revised (addition of DN 36 and DN 45 to DN 100).
Users should note that all International Standards undergo revision from time to time
and that any reference made herein to any other International Standard implies its
latest edition, unless otherwise stated.
0 International Organization for Standardization, 1988
Printed in Switzerland
INTERNATIONAL STANDARD
ISO 7315 : 1988 (E)
“P” clamps (ioop clamps) for fluid
Aerospace -
Systems - Envelope dimensions
1 Scope Table 1
Temperatures in degrees Celsius 8
This International Standard specifies maximum and minimum
Temperature range 1)
dimensions for “Pl’ clamps (loop clamps) installed by means of
Clamp type
a bolt with a nominal diameter of 5 mm.
min. max.
1 -55 +70
I I I I
The specified dimensions define a dimensional envelope. This
2 -55 +135
I I I I
International Standard shall not be considered as an inter-
changeability Standard. The tolerantes for each type of clamp 3 -55 +200
I I I I
are to be defined in the Parts Standards drawings.
-55 +320
I I I I
5 -55 +400
I I I
6 -55 +650
2 Field of application
1) See ISO 6771.
These clamps are intended for the installation, support and
guiding of rigid tubing or hose assemblies used in aerospace
5 Description
equipment.
The “P” clamp (loop clamp) is a “single-block” or a “multi-
NOTE - “P” clamps (loop clamps) may also be used for other equip-
component”-type clamp. The “multi-component”-type clamp
ment, e.g. electrical cables or looms.
is provided as a metallic support with a plastomer or elastomer
cushion or sheathing.
3 Refer
...
ISO
NORME INTERNATIONALE
Deuxième édition
1988-02-01
INTERNATIONAL ORGANIZATION FOR STANDARDIZATION
ORGANISATION INTERNATIONALE DE NORMALISATION
MEXJJYHAPOJJHAR OPI-AHl43A~Mfl Il0 CTAHjJAPTM3A~MM
Aéronautique et espace - Colliers en P pour
Dimensions d’encombrement
systèmes de fluides -
“Ptf clamps (loop clamps) for fluid systems - Envelope dimensions
Aerospace -
Numéro de référence
ISO 7315: 1988 (F)
Avant-propos
L’ISO (Organisation internationale de normalisation) est une fédération mondiale
d’organismes nationaux de normalisation (comités membres de I’ISO). L’élaboration
des Normes internationales est normalement confiée aux comités techniques de I’ISO.
Chaque comite membre intéressé par une étude a le droit de faire partie du comité
technique créé à cet effet. Les organisations internationales, gouvernementales et non
gouvernementales, en liaison avec I’ISO participent également aux travaux.
Les projets de Normes internationales adoptés par les comités techniques sont soumis
aux comités membres pour approbation, avant leur acceptation comme Normes inter-
nationales par le Conseil de I’ISO. Les Normes internationales sont approuvées confor-
mément aux procédures de I’ISO qui requiérent l’approbation de 75 % au moins des
comités membres votants.
La Norme internationale ISO 7315 a été élaborée par le comité technique ISO/TC 20,
Aéronautique et espace.
Cette deuxième édition annule et remplace la premiére édition US0 7315 : 19851, dont
le tableau 2 a fait l’objet d’une révision technique (introduction du DN 36 et des DN 45
à DN 100).
L’attention des utilisateurs est attirée sur le fait que toutes les Normes internationales
sont de temps en temps soumises à révision et que toute référence faite à une autre
Norme internationale dans le présent document implique qu’il s’agit, sauf indication
contraire, de la derniere édition.
0 Organisation internationale de normalisation, 1988
Imprimé en Suisse
Iso 7315 : 1988 (F)
NORME INTERNATIONALE
Aéronautique et espace - Colliers en P pour
systèmes de fluides - Dimensions d’encomb’rement
1 Objet Tableau 1
Températures en degrés Celsius
La présente Norme internationale fixe les cotes maximales et
Gamme de temperatures 1)
minimales des colliers en P fixés à l’aide d’une vis de diamètre Type
du collier
max.
nominal 5 mm. min.
Les dimensions fixées définissent une enveloppe dimension-
nelle. La présente Norme internationale ne doit pas être consi-
dérée comme une norme d’interchangeabilité. Les tolérances
pour chaque type de collier sont à définir dans les dessins de
+320
4 -55
I I I I
pièces standard.
5 -55 +400
r I I I
6 -55 +650
. 1
1) Voir ISO 6771.
2 Domaine d’application
Ces colliers sont destinés à fixer, supporter ou guider des
tuyauteries souples ou rigides montees sur matériels aéro-
5 Description
spatiaux.
Les colliers en P peuvent être du type (( monopièce)) ou du type
NOTE - Les colliers en P peuvent également être utilisés pour d’autres
(( multipièce )). Les colliers du type (( multipièce 1) sont constitués
équipements, par exemple câb
...
ISO
NORME INTERNATIONALE
Deuxième édition
1988-02-01
INTERNATIONAL ORGANIZATION FOR STANDARDIZATION
ORGANISATION INTERNATIONALE DE NORMALISATION
MEXJJYHAPOJJHAR OPI-AHl43A~Mfl Il0 CTAHjJAPTM3A~MM
Aéronautique et espace - Colliers en P pour
Dimensions d’encombrement
systèmes de fluides -
“Ptf clamps (loop clamps) for fluid systems - Envelope dimensions
Aerospace -
Numéro de référence
ISO 7315: 1988 (F)
Avant-propos
L’ISO (Organisation internationale de normalisation) est une fédération mondiale
d’organismes nationaux de normalisation (comités membres de I’ISO). L’élaboration
des Normes internationales est normalement confiée aux comités techniques de I’ISO.
Chaque comite membre intéressé par une étude a le droit de faire partie du comité
technique créé à cet effet. Les organisations internationales, gouvernementales et non
gouvernementales, en liaison avec I’ISO participent également aux travaux.
Les projets de Normes internationales adoptés par les comités techniques sont soumis
aux comités membres pour approbation, avant leur acceptation comme Normes inter-
nationales par le Conseil de I’ISO. Les Normes internationales sont approuvées confor-
mément aux procédures de I’ISO qui requiérent l’approbation de 75 % au moins des
comités membres votants.
La Norme internationale ISO 7315 a été élaborée par le comité technique ISO/TC 20,
Aéronautique et espace.
Cette deuxième édition annule et remplace la premiére édition US0 7315 : 19851, dont
le tableau 2 a fait l’objet d’une révision technique (introduction du DN 36 et des DN 45
à DN 100).
L’attention des utilisateurs est attirée sur le fait que toutes les Normes internationales
sont de temps en temps soumises à révision et que toute référence faite à une autre
Norme internationale dans le présent document implique qu’il s’agit, sauf indication
contraire, de la derniere édition.
0 Organisation internationale de normalisation, 1988
Imprimé en Suisse
Iso 7315 : 1988 (F)
NORME INTERNATIONALE
Aéronautique et espace - Colliers en P pour
systèmes de fluides - Dimensions d’encomb’rement
1 Objet Tableau 1
Températures en degrés Celsius
La présente Norme internationale fixe les cotes maximales et
Gamme de temperatures 1)
minimales des colliers en P fixés à l’aide d’une vis de diamètre Type
du collier
max.
nominal 5 mm. min.
Les dimensions fixées définissent une enveloppe dimension-
nelle. La présente Norme internationale ne doit pas être consi-
dérée comme une norme d’interchangeabilité. Les tolérances
pour chaque type de collier sont à définir dans les dessins de
+320
4 -55
I I I I
pièces standard.
5 -55 +400
r I I I
6 -55 +650
. 1
1) Voir ISO 6771.
2 Domaine d’application
Ces colliers sont destinés à fixer, supporter ou guider des
tuyauteries souples ou rigides montees sur matériels aéro-
5 Description
spatiaux.
Les colliers en P peuvent être du type (( monopièce)) ou du type
NOTE - Les colliers en P peuvent également être utilisés pour d’autres
(( multipièce )). Les colliers du type (( multipièce 1) sont constitués
équipements, par exemple câb
...


















Questions, Comments and Discussion
Ask us and Technical Secretary will try to provide an answer. You can facilitate discussion about the standard in here.
Loading comments...