ISO 3442:1975
(Main)Self-centring chucks for machine tools with two-piece jaws (tongue and groove type) — Sizes for interchangeability and acceptance test specifications
Self-centring chucks for machine tools with two-piece jaws (tongue and groove type) — Sizes for interchangeability and acceptance test specifications
Mandrins pour machines-outils, à serrage concentrique et à mors rapportés (assemblage cruciforme par tenon et languette) — Dimensions d'interchangeabilité et conditions de réception
General Information
- Status
- Withdrawn
- Publication Date
- 31-Oct-1975
- Withdrawal Date
- 31-Oct-1975
- Technical Committee
- ISO/TC 39 - Machine tools
- Drafting Committee
- ISO/TC 39 - Machine tools
- Current Stage
- 9599 - Withdrawal of International Standard
- Start Date
- 21-Oct-1991
- Completion Date
- 12-Feb-2026
Relations
- Effective Date
- 15-Apr-2008
ISO 3442:1975 - Self-centring chucks for machine tools with two-piece jaws (tongue and groove type) -- Sizes for interchangeability and acceptance test specifications
ISO 3442:1975 - Self-centring chucks for machine tools with two-piece jaws (tongue and groove type) — Sizes for interchangeability and acceptance test specifications Released:11/1/1975
Get Certified
Connect with accredited certification bodies for this standard
National Aerospace and Defense Contractors Accreditation Program (NADCAP)
Global cooperative program for special process quality in aerospace.
CARES (UK Certification Authority for Reinforcing Steels)
UK certification for reinforcing steels and construction.
DVS-ZERT GmbH
German welding certification society.
Sponsored listings
Frequently Asked Questions
ISO 3442:1975 is a standard published by the International Organization for Standardization (ISO). Its full title is "Self-centring chucks for machine tools with two-piece jaws (tongue and groove type) — Sizes for interchangeability and acceptance test specifications". This standard covers: Self-centring chucks for machine tools with two-piece jaws (tongue and groove type) — Sizes for interchangeability and acceptance test specifications
Self-centring chucks for machine tools with two-piece jaws (tongue and groove type) — Sizes for interchangeability and acceptance test specifications
ISO 3442:1975 is classified under the following ICS (International Classification for Standards) categories: 25.060.20 - Dividing and tool-workpiece holding devices. The ICS classification helps identify the subject area and facilitates finding related standards.
ISO 3442:1975 has the following relationships with other standards: It is inter standard links to ISO 3442:1991. Understanding these relationships helps ensure you are using the most current and applicable version of the standard.
ISO 3442:1975 is available in PDF format for immediate download after purchase. The document can be added to your cart and obtained through the secure checkout process. Digital delivery ensures instant access to the complete standard document.
Standards Content (Sample)
f-3 3442
INTERNATIONAL STANDARD
'*E&
~
INTERNATIONAL ORGANIZATION FOR STANDARDIZATION .MEXDYHAPOnHAR OPïAHW3AUMR no CTAHLlAPTC13AüMW.ORGANlSATlON INTERNATIONALE DE NORMALISATION
Self-centring chucks for machine tools with two-piece jaws
(tongue and groove type) - Sizes for interchangeability and
acceptance test specifications
Mandrins pour machines-outils, à serrage concentrique et à mors rapportés (assemblage cruciforme par tenon
et languette) - Dimensions d'interchangeabilité et conditions de réception
First edition - 1975-1 1-01
m
w
c
UDC 621.9-229.323.2 Ref. No. IS0 3442-1975 (E)
LD
PI
Descriptors : machine tools, chucks, interchangeability, acceptance inspection, acceptability, dimensions.
hl
!?
Price based on 6 pages
FOREWORD
IS0 (the International Organization for Standardization) is a worldwide federation
of national standards institutes (IS0 Member Bodies). The work of developing
International Standards is carried out through IS0 Technical Committees. Every
Member Body interested in a subject for which a Technical Committee has been set
up has the right to be represented on that Committee. International organizations,
governmental and non-governmental, in liaison with ISO, also take part in the work.
Draft International Standards adopted by the Technical Committees are circulated
to the Member Bodies for approval before their acceptance as International
Standards by the IS0 Council.
International Standard IS0 3442 was drawn up by Technical Committee
ISO/TC 39, Machine tools, and circulated to the Member Bodies in May 1974.
It has been approved by the Member Bodies of the following countries :
Spain
Austra I ia Hungary
India Sweden
Austria
Italy Switzerland
Belgium
Brazil Japan Thailand
Canada Korea, Rep. of Turkey
Czechos1ovak.d Poland U.S.A.
U.S.S. R.
Egypt, Arab Rep. of Romania
France South Africa, Rep. of Yugoslavia
The Member Bodies of the following countries expressed disapproval of the
document on technical grounds :
Germany
United Kingdom
O International Organization for Standardization, 1975
Printed in Switzerland
INTERNATIONAL STANDARD
IS0 3442-1975 (E)
Self-centring chucks for machine tools with two-piece jaws
(tongue and groove type) - Sizes for interchangeability and
acceptance test specifications
O INTRODUCTION
Acceptance test specifications
This International Standardsis the first of a series relating to According to the type of chuck considered, i.e. wrench- or
self-centring chucks with two-piece jaws; however, only drawbar-operated, the main purpose of these tests is to
types in common use are considered. allow either a top jaw mounting compatible with the
machining accuracy of the chuck or a precise setting for top
Because of its wide usage, the type called “tongue and jaws on the chuck after carrying out preliminary centring,
groove” has been made the subject of this International straightening or locking operations on a jig out of the
Standard. machine.
This International Standard deals only with the inspection
of rotational accuracy of the chuck and the positioning of
the assembling elements of top jaws. It does not apply to
other dynamic qualities, such as measurement of lack of
1 SCOPE AND FIELD OF APPLICATION
balance during rotation, balancing or measurement of
gripping powers.
This International Standard specifies the sizes for
interchangeability, and describes, with reference to
ISO/R 230, Machine tool test code, the geometrical tests on
2 PRECISION CLASSES
self-centring chucks with two-piece jaws and the
corresponding permissible deviations which apply.
Two precision classes are specified, namely :
- Class I, corresponding to precision chucks;
Sizes for interchangeability
- Class II, corresponding to normal accuracy chucks.
Though the internal mounting parts and the fixing screws
are not respectively interchangeable, depending whether
For purposes of information, and particularly concerning
they are manufactured in conformity with the metric sizes
Class I drawbar-operated chucks, it should be noted that
or the inch sizes, there is direct interchangeability for the these can be provided, if necessary, with specially adjusted
same type between the base or master jaws in metric sizes
base or master jaws which are not interchangeable with
and top jaws in inches, or vice versa.
other base or master jaws.
IS0 3442-1975
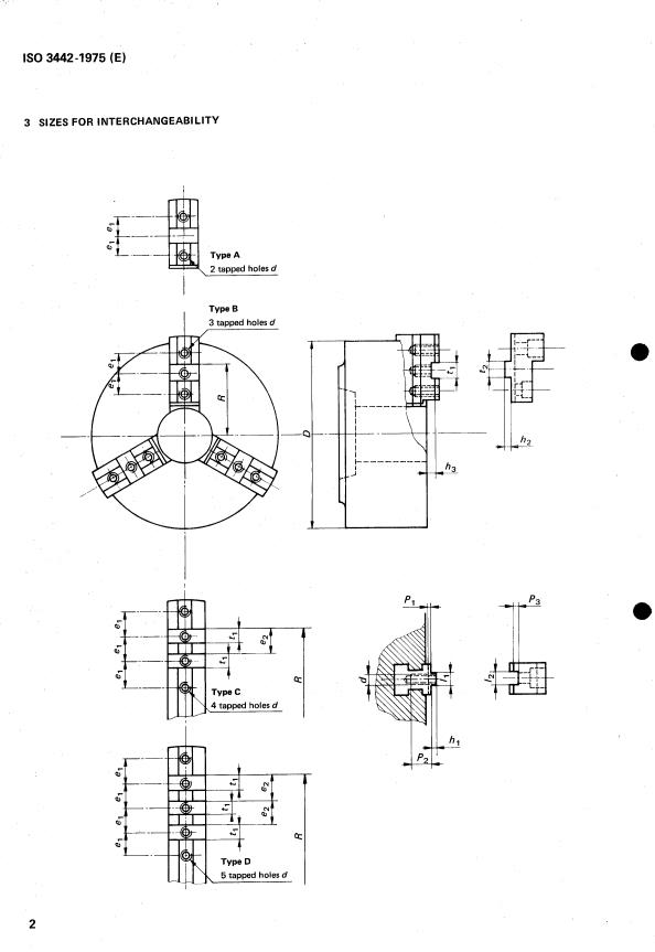
3 SIZES FOR INTERCHANGEABILITY
holes d
3 tapped holes d
II
-
,
I
P
-*
I
IS0 3442-1975 (E)
3.1 Wrench-operated chucks
Dimensions in millimetres
D+5% 1 O0 , 125
250 I 315 1 400-
500 630 800 1 O00
A
C D D D
M8 MI0 MI0 MI2 I MI2 I MI6
M 20 M20 M20 M20
el * 0,15 12 16
19 22.2 27 31,75 38.1 38.1
38,l 38.1 38,l
- - - - - -
-
38.1 38.1
e2 38.1 38,l
25 3 3 3 3 3 3 3
hl 3 3 3
h3 min.
2 5 5 5 5 8 8
3 4 ‘7 8 8 8
II h9
7.94 7.94 7.94 7.94 12.7 12.7 12.7 12.7
12,7 12,7 12.7
4 4 4 4 4 7 7
3.5 7 7 7
p1
12 14.5 18 18 20 20
28 33 33 33 33
p2
ti H8 12,675 12,675 12,675 19,025
9,5 19,025 19,025 19,025 19,025 19,025 19,025
23 6 6 6 6
7.94 7,94 14.7 1 14,7 1 1:,7
12.7 12.7 12.7 12,7
3.5 4 4 4 4
12,675 I 12,675 12.675 19,025 19,025 19,025 19,025 19,025 19,025 19,025
9.5
I
Dimensions in inches
D+5% 6 8 10 12 15 18 21 24
28 32 36
- - - - - - - - - -
-
-A A A B B C D D D D D
Type
d
0.375 0.375 0.500 0.500 0.625 0.750 0.750 0.750 0.750 0.750 0.750
UNC-36 - 16 - 16 - 13 -- 13 -- 11 - 10 - 10 -- 10
- 10 - 10 - 10
el i 0.006 0.750 0.875 1 .O62 1.250 1.500 1.500 1.500 1.500 1.500
1.500 1.500
- - - - -
1.500 1.500 1.500 1.500 1.500 1.500
e2
max.
0.14 0.14 0.14 0.14 0.14 0.14 0.14 0.14 0.14 0.14 0.14
hl min. 0.1 2 0.12 0.12
0.1 2 0.12 0.1 2 0.1 2 0.12 0.12 0.1 2 0.12
0.20 0.20 0.20 0.20 0.32 0.32 0.32 0.32
0.32 0.32 0.32
h3
max. 0.31 2 0.312 0.500 0.500 0.500 0.500 0.500 0.500 0.500 0.500 O. 500
‘1 min. 0.31 O 0.31 O 0.498 0.498 0.498 0.498 0.498 0.498 0.498 0.498 0.498
0.18 0.18 0.18 0.18 0.30 0.30 0.30 0.30 0.30 0.30 0.30
Pl 2;:
0.16 0.1 6 0.16 0.16 0.28 0.28 0.28 0.28 0.28 0.28 0.28
0.65 0.65 0.80 0.80 1.10 1.30 1.30 1.30 1.30 1.30 1.30
p2
max.
0.500 0.500 0.750 0.750 0.750 0.750 0.750 0.750 0.750 0.750 0.750
‘1 min.
0.499 0.499 0.749 0.749 0.749 0.749 0.749 0.749 0.7
...
,ex*,
NORME INTERNATIONALE @ 3442
'*=e
INTERNATIONAL ORGANIZATION FOR STANDARDIZATION .MEjK.lYHAPOLlHAR OPrAHM3AlIMR no CTAHBAPTM3AUMM.DRGANISATION INTERNATIONALE DE NORMALISATION
Mandrins pour machines-outils, à serrage concentrique et à
e
mors rapportés (assemblage cruciforme par tenon et languette)
- Dimensions d'interchangeabilité et conditions de réception
Self-centring chucks for machine tools with two-piece jaws (tongue and groove type) - Sizes for interchangeability
and acceptance test specifications
Premiere édition - 1975-1 1-01
CDU 621.9-229.323.2 Réf. no : IS0 3442-1975 (FI
Descripteurs : machine-outil, mandrin de serrage, interchangeabilité, contrôle de réception, acceptabilité, dimension.
Prix bas6 sur 6 pages
inisation Internationale de Normalisation) est une fédération mondiale
d'organismes nationaux de normalisation (Comités Membres ISO). L'élaboration de
Normes Internationales est confiée aux Comités Techniques ISO. Chaque Comité
Membre intéressé par une étude a le droit de faire partie du Comité Technique
correspondant. Les organisations internationales, gouvernementales et non
gouvernementales, en liaison avec I'ISO, participent également aux travaux.
I
Les Projets de Normes Internationales adoptés par les Comités Techniques sont
soumis aux Comités Membres pour approbation, avant leur acceptation comme
Normes Internationales par le Conseil de 1'60.
I La Norme Internationale IS03442 a été établie par le Comité Technique
lSO/TC 39, Machines-outils, et soumise aux Comités Membres en mai 1974.
I
Elle a été approuvée par les Comités Membres des pays suivants :
Suède
Afrique du Sud, Rép. d' Espagne
Australie France Suisse
Autriche Hongrie Tchécoslovaquie
Belgique Inde Thaïlande
Brésil Italie Turquie
Canada Japon U.S.A.
Corée, Rép. de Pologne U. R .S.S.
Egypte, Rép. arabe d' Roumanie Yougoslavie
Les Comités Membres des pays suivants ont désapprouvé le document pour des
raisons techniques :
Allemagne
, Roya Ume-U n i
O Oraanisation Internationale de Normalisation, 1975 0
"
imprimé en Suisse
NORME INTERNATIONALE IS0 3442-1975 (F)
Mandrins pour machines-outils, à serrage concentrique et à
mors rapportés (assemblage cruciforme par tenon et languette)
- Dimensions d'interchangeabilité et conditions de reception
O INTRODUCTION Conditions de réception
La présente Norme Internationale est la première d'une le genre de mandrin considéré, à commande
Suivant
série relative aux mandrins à serrage concentrique et à mors manuelle ou à commande axiale assistée, l'objet principal de
rapportés, en ne Considérant toutefois que les types ou ces vérifications est de permettre soit un montage des mors
systèmes d'assemblage les plus utilisés. rapportés compatible avec la précision d'exécution du
mandrin, soit un positionnement rigoureux des mors
Dans cet ordre d'idée, et en raison de sa grande diffusion, le
rapportés sur le mandrin après exécution préalable des
type d'assemblage dit ((cruciforme)) ou encore ((par tenon
empreintes de centrage et de dégauchissage sur un montage
et languette)) a été retenu pour faire l'objet de la présente d'usinage hors machine.
Norme Internationale.
La présente Norme Internationale ne traite que du contrôle
de la précision de rotation du mandrin, ainsi que du
positionnement des éléments d'assemblage des mors
rapportés, à l'exclusion de toute autre considération d'ordre
dynamique touchant par exemple, au mesurage des
1 OBJET ET DOMAINE D'APPLICATION
balourds en rotation, à l'équilibrage ou encore au mesurage
des efforts de serrage.
La présente Norme Internationale spécifie les dimensions
d'interchangeabilité et indique, par référence à I'ISO/R 230,
Code d'essais des machines-outils, les vérifications
z CLASSES DE PRÉCISION
géométriques et les écarts tolérés correspondants des
mandrins à serrage concentrique et à mors rapportés.
Deux classes de précision sont spécifiées, à savoir :
- Classe I, correspondant à des mandrins de haute
Dimensions d'interchangeabilité
précision;
Bien que les éléments internes de construction, ainsi que les
- Classe II, correspondant à des mandrins de précision
vis d'assemblage, ne soient pas interchangeables entre eux,
normale.
suivant qu'ils sont exécutés conformément aux dimensions
À titre indicatif, et en ce qui concerne particulièrement les
métriques ou aux dimensions en inches, il y a stricte
interchangeabilité, pour un même type d'assemblage entre mandrins à commande axiale assistée de la classe I, ceux-ci
semelles en dimensions métriques et mors rapportés peuvent être pourvus, si nécessaire, de semelles ajustées et
exécutés en inches ou réciproquement. non interchangeables.
IS0 3442-1975 (F)
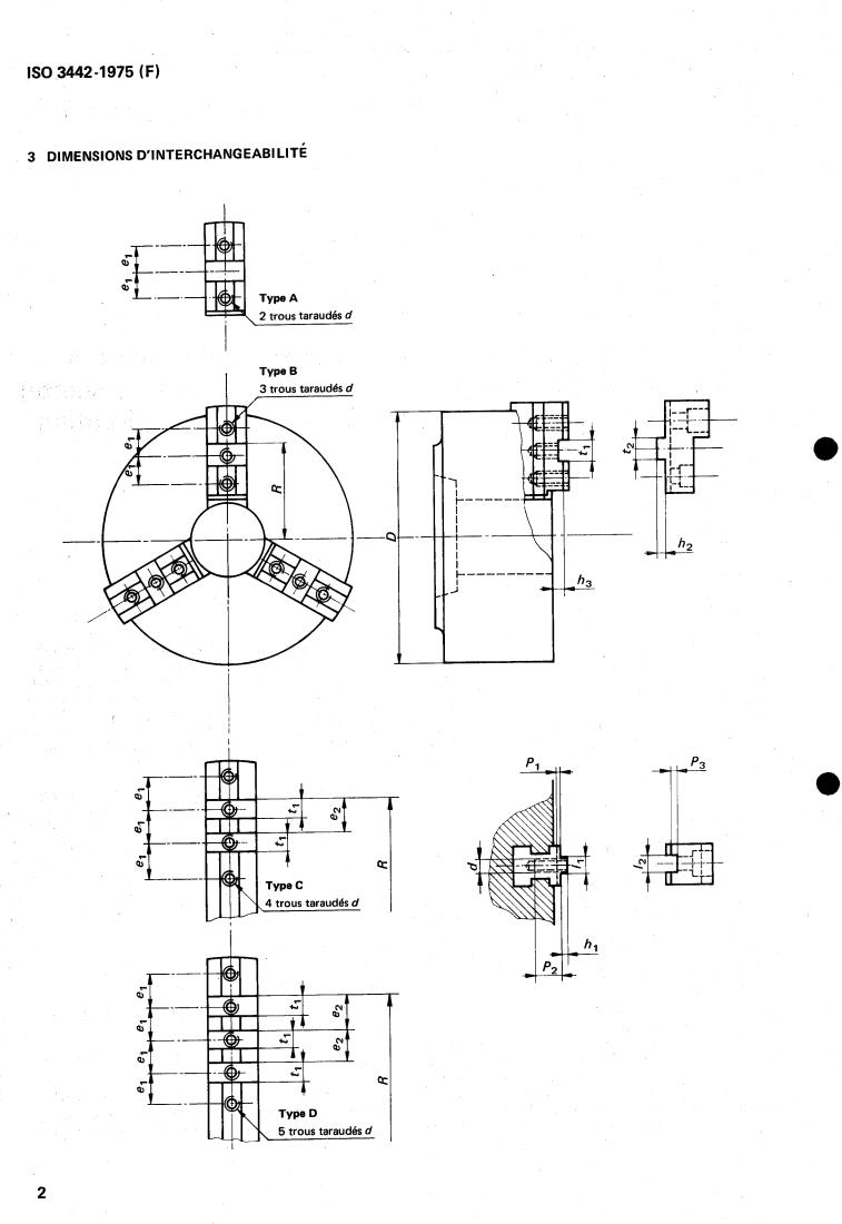
3 DIMENSIONS DINTERCHANGEABI LITÉ
Type B
3 trous taraudés d
I
IS0 3442 -1 975 (F)
3.1 Mandrins à commande manuelle
Dimensions en millimètres
D+5% 1 100 I 125 160
200 250 500
A
A A C
M10 M10 M12
t- M12 M 16 M 20 =FI= M20 M20 M20
19 22.2 27
31.75 38.1 38.1 38.1
-
- - - I
38.1
38.1
3 3 3 3 3 3 3
2.5 3
3 2 4.7 5 5 5 5 8 8
7,94
7,94 7.94 7,94 12.7 12.7 12,7 12.7 12.7 12.7 12.7
3,5 4 4 4 4 7 7
14,5 18 18 20 20 28 33 33 33 33
9.5 12,675 12,675 12.675 19,025 19,025 19,025 19,025 19,025 19,025
1 9,025
3 3 3 3 6 6
7.94 7.94 12.7 12,7 12.7 12,7 12,7 12,7 12,7
4 4 4 4 4 4
3.5
12,675 12,675 19,025 19,025 41414 19,025 19,025 19,025
f2 h8 19,025 19,025
Dimensions en inches
- - - - - - - - -
D+5% 4 5
6 8 10 12 15 18 21 24 28 32 36
- - - - -
A
A A B B C D D D D D
-
- - - - - - -
d
0.375 0.375 0,500 0,500
0,625 0,750 0,750 0,750 0,750 0,750 0,750
UNC-3B
- 16 - 16 - 13 - 13 - 11 - 10 - 10 - 10 - 10 - 10 - 10
el + 0,006
0.750 0.875 1,062 1,250 1,500 1,500 1,500 1,500 1,500 1,500 1,500
-
- - - -
1,500 1,500 1,500 1,500 1,500 1,500
e2
max. 0,14
0.14 0,14 0.14 0,14 0,14 0,14 0,14 0,14 0.14 0.14
hl min.
0,12 0.1 2 0.12 0,12 0.1 2 0.1 2 0,12 0,12 0,12 0,12 0,12
0,20 0,20 0,20
h3 0,20 0,32 0.32 0.32 0.32 0.32 0,32 032
max.
0.312 0.31 2 0,500 0,500 0,500 0,500 0,500 0,500 0,500 0,500 0,500
'1 min.
0,31 O 0,310 0,498 0,498 0,498 0,498 0,498 0,498 0,498 0,498 0,498
max. 0.18
0,18 0.18 0,18 0,30 0.30 0,30 0.30 0.30 0,30 0.30
'1 min. 0.1 6 0,16 0.28 0,28
0.1 6 0.16 0.28 0.28 0,28 0.28 0.28
0.65 0.65 0.80 0.80 1.10 1.30 1,30 1,30 1.30 1,30
p2 1.30
max. 0,500 0,500 0,750 0.750 0,750 0,750 0.750
...








Questions, Comments and Discussion
Ask us and Technical Secretary will try to provide an answer. You can facilitate discussion about the standard in here.
Loading comments...