ISO 11855-6:2018/Amd 1:2023
(Amendment)Building environment design — Design, dimensioning, installation and control of embedded radiant heating and cooling systems — Part 6: Control — Amendment 1
Building environment design — Design, dimensioning, installation and control of embedded radiant heating and cooling systems — Part 6: Control — Amendment 1
Conception de l'environnement des bâtiments — Conception, construction et fonctionnement des systèmes de chauffage et de refroidissement par rayonnement — Partie 6: Contrôle — Amendement 1
General Information
- Status
- Published
- Publication Date
- 06-Sep-2023
- Technical Committee
- ISO/TC 205 - Building environment design
- Drafting Committee
- ISO/TC 205 - Building environment design
- Current Stage
- 6060 - International Standard published
- Start Date
- 07-Sep-2023
- Due Date
- 22-Sep-2023
- Completion Date
- 07-Sep-2023
Relations
- Effective Date
- 06-Jun-2022
Overview
ISO 11855-6:2018/Amd 1:2023 is an amendment to the internationally recognized standard for building environment design. It specifically addresses the control aspects of embedded radiant heating and cooling systems. These systems use surfaces with embedded pipes, such as floors or walls, to provide efficient thermal regulation in buildings through radiant heat exchange. This amendment updates the control strategies to account for the thermodynamic properties that impact system responsiveness and energy efficiency.
The updated standard provides guidance on the design, dimensioning, installation, and particularly the control of these embedded systems. It emphasizes the importance of understanding surface heat capacities and their influence on control methods to optimize comfort and system performance.
Key Topics
Heat Capacity and Thermal Response
The amendment highlights the role of heat capacity of surfaces with embedded pipes (e.g., floor screeds) on system behavior. Different system types (III, V, I, II, IV) are categorized by thermal capacity and response time, assisting designers in selecting appropriate control strategies based on these properties.Control Strategy Adjustments
Control approaches must consider parameters such as the heat carrier temperature, time response of the embedded system, and the thermal mass of the building itself. The amendment notes that building time constants typically exceed those of embedded radiant systems, affecting control timing and settings.System Components and Controls
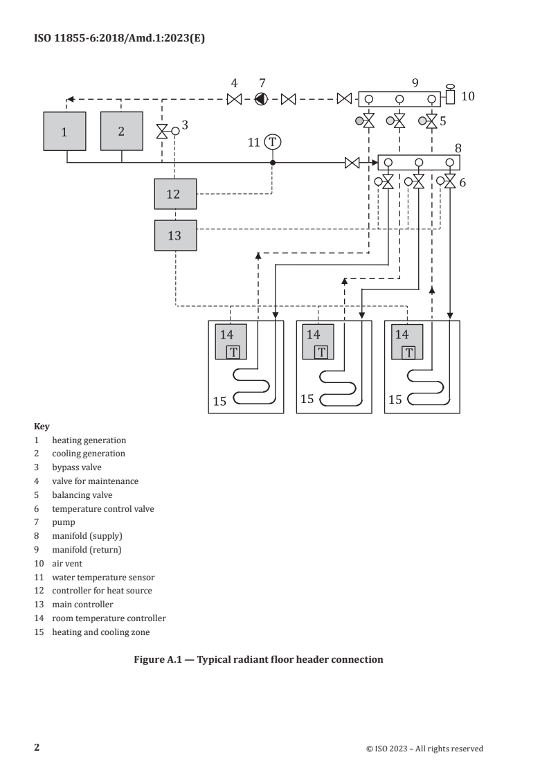
Figure A.1 illustrates a typical radiant floor header arrangement, including:- Heating and cooling generation units
- Bypass and maintenance valves
- Balancing and temperature control valves
- Circulation pumps
- Manifolds for supply and return
- Water temperature sensors
- Controllers for heat sources, main system control, and individual room temperature control
Integration and Maintenance
The standard also provides recommendations for the proper installation and maintenance of control system components to ensure reliability and precise temperature regulation.
Applications
Residential and Commercial Buildings
ISO 11855-6:2018/Amd 1:2023 is essential for engineers, architects, and HVAC professionals designing embedded radiant systems in homes, offices, schools, and other commercial buildings.Energy-Efficient Building Design
By following the updated control guidelines, buildings can achieve improved energy efficiency, stable indoor climates, and enhanced occupant comfort-key drivers in sustainable design and green building certifications.Retrofitting and Modernization
The amendment supports upgrading existing embedded radiant heating and cooling systems by improving control logic to respond more effectively to building load variations and user needs.
Related Standards
ISO 11855 Series
The amendment forms part of the broader ISO 11855 series, which covers the entire lifecycle of embedded radiant heating and cooling systems, including design, dimensioning, installation, and control.ISO 50001: Energy Management Systems
Implementing ISO 11855-6 controls aligns with ISO 50001 principles by optimizing energy use in building environments.EN 1264 Heating Systems in Buildings
Complementary European standards on embedded water-based heating and cooling systems offer further guidance on design and installation practices.
By adhering to ISO 11855-6:2018/Amd 1:2023, professionals can ensure that embedded radiant systems operate with maximum efficiency and responsiveness. This leads to enhanced thermal comfort, optimized energy consumption, and reliable system control, directly supporting sustainable and intelligent building design initiatives.
Get Certified
Connect with accredited certification bodies for this standard

ICC Evaluation Service
Building products evaluation and certification.

QAI Laboratories
Building and construction product testing and certification.

Aboma Certification B.V.
Specialized in construction, metal, and transport sectors.
Sponsored listings
Frequently Asked Questions
ISO 11855-6:2018/Amd 1:2023 is a standard published by the International Organization for Standardization (ISO). Its full title is "Building environment design — Design, dimensioning, installation and control of embedded radiant heating and cooling systems — Part 6: Control — Amendment 1". This standard covers: Building environment design — Design, dimensioning, installation and control of embedded radiant heating and cooling systems — Part 6: Control — Amendment 1
Building environment design — Design, dimensioning, installation and control of embedded radiant heating and cooling systems — Part 6: Control — Amendment 1
ISO 11855-6:2018/Amd 1:2023 is classified under the following ICS (International Classification for Standards) categories: 91.040.01 - Buildings in general. The ICS classification helps identify the subject area and facilitates finding related standards.
ISO 11855-6:2018/Amd 1:2023 has the following relationships with other standards: It is inter standard links to ISO 11855-6:2018. Understanding these relationships helps ensure you are using the most current and applicable version of the standard.
ISO 11855-6:2018/Amd 1:2023 is available in PDF format for immediate download after purchase. The document can be added to your cart and obtained through the secure checkout process. Digital delivery ensures instant access to the complete standard document.
Standards Content (Sample)
INTERNATIONAL ISO
STANDARD 11855-6
Second edition
2018-09
AMENDMENT 1
2023-09
Building environment design —
Design, dimensioning, installation and
control of embedded radiant heating
and cooling systems —
Part 6:
Control
AMENDMENT 1
Conception de l'environnement des bâtiments — Conception,
construction et fonctionnement des systèmes de chauffage et de
refroidissement par rayonnement —
Partie 6: Contrôle
AMENDEMENT 1
Reference number
ISO 11855-6:2018/Amd.1:2023(E)
ISO 11855-6:2018/Amd.1:2023(E)
© ISO 2023
All rights reserved. Unless otherwise specified, or required in the context of its implementation, no part of this publication may
be reproduced or utilized otherwise in any form or by any means, electronic or mechanical, including photocopying, or posting on
the internet or an intranet, without prior written permission. Permission can be requested from either ISO at the address below
or ISO’s member body in the country of the requester.
ISO copyright office
CP 401 • Ch. de Blandonnet 8
CH-1214 Vernier, Geneva
Phone: +41 22 749 01 11
Email: copyright@iso.org
Website: www.iso.org
Published in Switzerland
ii
ISO 11855-6:2018/Amd.1:2023(E)
Building environment design — Design, dimensioning,
installation and control of embedded radiant heating and
cooling systems —
Part 6:
Control
AMENDMENT
...




Questions, Comments and Discussion
Ask us and Technical Secretary will try to provide an answer. You can facilitate discussion about the standard in here.
Loading comments...