ASTM D8090-24
(Test Method)Standard Test Method for Particle Size Distribution of Paints and Pigments Using Dynamic Imaging Methods
Standard Test Method for Particle Size Distribution of Paints and Pigments Using Dynamic Imaging Methods
SIGNIFICANCE AND USE
5.1 By following this test method, the particle size, particle size distribution and particle shape of particulates in liquid paint and pigment dispersions can be measured.
5.2 Particle size, particle size distribution and particle shape have a great effect on the color, opacity and gloss of paints. Reproducing these characteristics is critical to the quality and performance of the paint produced.
5.3 The dynamic imaging instrument is useful during manufacturing to detect oversize particles as well as the required size distribution of particles in order to provide quality and consistency from batch to batch.
SCOPE
1.1 This test method covers the determination of particle size distribution of liquid paints and pigmented liquid coatings by Dynamic Image Analysis. This method includes the reporting of particles ≥1 µm in size and up to 300 µm in size.
Note 1: Shape is used to classify particles, droplets and bubbles and is not a reporting requirement.
Note 2: The term paint(s) as used in this document includes liquid paint and liquid pigmented coatings.
1.1.1 Some paints may be too viscous to flow through the imaging instrument without dilution which may be used to help the paint flow as long as significant contamination is not introduced into the paint.
1.2 The values stated in SI units are to be regarded as standard. No other units of measurement are included in this standard.
1.3 This standard does not purport to address all of the safety concerns, if any, associated with its use. It is the responsibility of the user of this standard to establish appropriate safety, health, and environmental practices and determine the applicability of regulatory limitations prior to use.
1.4 This international standard was developed in accordance with internationally recognized principles on standardization established in the Decision on Principles for the Development of International Standards, Guides and Recommendations issued by the World Trade Organization Technical Barriers to Trade (TBT) Committee.
General Information
- Status
- Published
- Publication Date
- 31-Jan-2024
- Technical Committee
- D01 - Paint and Related Coatings, Materials, and Applications
- Drafting Committee
- D01.24 - Physical Properties of Liquid Paints & Paint Materials
Relations
- Effective Date
- 01-Feb-2024
Overview
ASTM D8090-24: Standard Test Method for Particle Size Distribution of Paints and Pigments Using Dynamic Imaging Methods provides a comprehensive and standardized approach for determining the particle size distribution in liquid paints and pigmented coatings using dynamic image analysis. This method is critical for ensuring consistent quality and performance in paint products, as particle size and distribution directly influence key properties such as color, opacity, and gloss.
ASTM D8090-24 covers paints and coatings with particles ranging from 1 µm up to 300 µm and is applicable to both undiluted and diluted samples, depending on the paint's viscosity. The standard outlines the significance of accurate particle characterization, ensuring manufacturers can detect oversized particles and maintain quality across production batches.
Key Topics
Dynamic Imaging Particle Analysis
The method utilizes a dynamic imaging instrument equipped with a camera sensor and illumination source, capturing images of flowing paint samples. Advanced software analyzes the images to determine the size and distribution of particulate matter.Particle Size Distribution Reporting
Results are typically presented as volumetric percentiles (Dv10, Dv50, Dv90), indicating the particle diameters below which 10%, 50%, and 90% of the sample’s total volume reside. Maximum particle size is also reported.Sample Handling and Preparation
Guidance is provided for collecting representative samples, including agitation techniques to minimize contamination and air bubble formation, which could bias results. Dilution protocols help manage sample viscosity and concentration for reliable data.Calibration and Verification
The standard requires regular calibration with reticles traceable to NIST or similar organizations and annual verification with mono-disperse beads or wide-size-distribution standards. Strict adherence ensures ongoing accuracy of particle size measurements.Consideration of Contaminants and Interferences
Special attention is given to potential contamination from environmental sources, water droplets, or improper sample handling. The software is designed to detect and exclude air bubbles and free water from analysis.
Applications
ASTM D8090-24 is essential in industries where consistent paint quality and performance are paramount. Key applications include:
Paint and Pigment Manufacturing
Ensuring quality control during batch production by monitoring particle size distribution, leading to predictable color, gloss, and opacity outcomes.Product Development and Formulation
Assisting research and development teams in optimizing pigment dispersion and achieving desired aesthetic and functional characteristics.Quality Assurance and Regulatory Compliance
Providing verifiable, repeatable test methods required for compliance with internal company standards and external regulatory requirements.Troubleshooting and Process Optimization
Quickly identifying production issues related to agglomeration or contamination and refining milling or dispersion processes as necessary.
Related Standards
For comprehensive particle size analysis and paint characterization, the following standards are commonly referenced alongside ASTM D8090-24:
- ASTM D3925 – Practice for Sampling Liquid Paints and Related Pigmented Coatings
- ASTM D16 – Terminology for Paint, Related Coatings, Materials, and Applications
- NIST SRM 1982 – Thermal Spray Powder – Particle Size Distribution
- ISO 12103-1 – Medium Test Dust (for contamination and reference material)
By adhering to ASTM D8090-24 and its related standards, laboratories and manufacturers in the paint and pigment sector ensure robust, reproducible results, supporting improved product performance, customer satisfaction, and regulatory adherence.
Keywords: particle size distribution, dynamic imaging, paints, pigments, ASTM D8090-24, quality control, liquid coatings, pigment dispersion, paint testing.
Buy Documents
ASTM D8090-24 - Standard Test Method for Particle Size Distribution of Paints and Pigments Using Dynamic Imaging Methods
REDLINE ASTM D8090-24 - Standard Test Method for Particle Size Distribution of Paints and Pigments Using Dynamic Imaging Methods
Frequently Asked Questions
ASTM D8090-24 is a standard published by ASTM International. Its full title is "Standard Test Method for Particle Size Distribution of Paints and Pigments Using Dynamic Imaging Methods". This standard covers: SIGNIFICANCE AND USE 5.1 By following this test method, the particle size, particle size distribution and particle shape of particulates in liquid paint and pigment dispersions can be measured. 5.2 Particle size, particle size distribution and particle shape have a great effect on the color, opacity and gloss of paints. Reproducing these characteristics is critical to the quality and performance of the paint produced. 5.3 The dynamic imaging instrument is useful during manufacturing to detect oversize particles as well as the required size distribution of particles in order to provide quality and consistency from batch to batch. SCOPE 1.1 This test method covers the determination of particle size distribution of liquid paints and pigmented liquid coatings by Dynamic Image Analysis. This method includes the reporting of particles ≥1 µm in size and up to 300 µm in size. Note 1: Shape is used to classify particles, droplets and bubbles and is not a reporting requirement. Note 2: The term paint(s) as used in this document includes liquid paint and liquid pigmented coatings. 1.1.1 Some paints may be too viscous to flow through the imaging instrument without dilution which may be used to help the paint flow as long as significant contamination is not introduced into the paint. 1.2 The values stated in SI units are to be regarded as standard. No other units of measurement are included in this standard. 1.3 This standard does not purport to address all of the safety concerns, if any, associated with its use. It is the responsibility of the user of this standard to establish appropriate safety, health, and environmental practices and determine the applicability of regulatory limitations prior to use. 1.4 This international standard was developed in accordance with internationally recognized principles on standardization established in the Decision on Principles for the Development of International Standards, Guides and Recommendations issued by the World Trade Organization Technical Barriers to Trade (TBT) Committee.
SIGNIFICANCE AND USE 5.1 By following this test method, the particle size, particle size distribution and particle shape of particulates in liquid paint and pigment dispersions can be measured. 5.2 Particle size, particle size distribution and particle shape have a great effect on the color, opacity and gloss of paints. Reproducing these characteristics is critical to the quality and performance of the paint produced. 5.3 The dynamic imaging instrument is useful during manufacturing to detect oversize particles as well as the required size distribution of particles in order to provide quality and consistency from batch to batch. SCOPE 1.1 This test method covers the determination of particle size distribution of liquid paints and pigmented liquid coatings by Dynamic Image Analysis. This method includes the reporting of particles ≥1 µm in size and up to 300 µm in size. Note 1: Shape is used to classify particles, droplets and bubbles and is not a reporting requirement. Note 2: The term paint(s) as used in this document includes liquid paint and liquid pigmented coatings. 1.1.1 Some paints may be too viscous to flow through the imaging instrument without dilution which may be used to help the paint flow as long as significant contamination is not introduced into the paint. 1.2 The values stated in SI units are to be regarded as standard. No other units of measurement are included in this standard. 1.3 This standard does not purport to address all of the safety concerns, if any, associated with its use. It is the responsibility of the user of this standard to establish appropriate safety, health, and environmental practices and determine the applicability of regulatory limitations prior to use. 1.4 This international standard was developed in accordance with internationally recognized principles on standardization established in the Decision on Principles for the Development of International Standards, Guides and Recommendations issued by the World Trade Organization Technical Barriers to Trade (TBT) Committee.
ASTM D8090-24 is classified under the following ICS (International Classification for Standards) categories: 87.040 - Paints and varnishes. The ICS classification helps identify the subject area and facilitates finding related standards.
ASTM D8090-24 has the following relationships with other standards: It is inter standard links to ASTM D8090-17. Understanding these relationships helps ensure you are using the most current and applicable version of the standard.
ASTM D8090-24 is available in PDF format for immediate download after purchase. The document can be added to your cart and obtained through the secure checkout process. Digital delivery ensures instant access to the complete standard document.
Standards Content (Sample)
This international standard was developed in accordance with internationally recognized principles on standardization established in the Decision on Principles for the
Development of International Standards, Guides and Recommendations issued by the World Trade Organization Technical Barriers to Trade (TBT) Committee.
Designation: D8090 − 24
Standard Test Method for
Particle Size Distribution of Paints and Pigments Using
Dynamic Imaging Methods
This standard is issued under the fixed designation D8090; the number immediately following the designation indicates the year of
original adoption or, in the case of revision, the year of last revision. A number in parentheses indicates the year of last reapproval. A
superscript epsilon (´) indicates an editorial change since the last revision or reapproval.
1. Scope D3925 Practice for Sampling Liquid Paints and Related
Pigmented Coatings
1.1 This test method covers the determination of particle
2.2 Other Documents:
size distribution of liquid paints and pigmented liquid coatings
ISO12103-1 Medium Test Dust
by Dynamic Image Analysis. This method includes the report-
ing of particles ≥1 μm in size and up to 300 μm in size.
3. Terminology
NOTE 1—Shape is used to classify particles, droplets and bubbles and is
3.1 For the definition of terms used in this standard refer to
not a reporting requirement.
Terminology D16.
NOTE 2—The term paint(s) as used in this document includes liquid
paint and liquid pigmented coatings.
3.2 Definitions:
1.1.1 Some paints may be too viscous to flow through the
3.2.1 bubble, n—a non paint, gaseous formation within the
imaging instrument without dilution which may be used to help
paint, generally spherical in shape and visible as a thick walled
the paint flow as long as significant contamination is not
ring with a transparent center.
introduced into the paint.
3.2.2 droplet, n—a non paint, liquid formation within the
1.2 The values stated in SI units are to be regarded as
paint, generally spherical in shape and visible as a thin walled
standard. No other units of measurement are included in this
ring with a transparent center.
standard.
3.2.3 projected equivalent particle diameter, n—the diam-
1.3 This standard does not purport to address all of the eter calculated from the projected area of a particle if that area
safety concerns, if any, associated with its use. It is the
formed a circle, and in equation form is:
responsibility of the user of this standard to establish appro-
Projected Equivalent Particle Diameter ~D! 5 SQRT Area/ π ⁄ 4
~ ~ !!
priate safety, health, and environmental practices and deter-
5 =~Area/0.785!
mine the applicability of regulatory limitations prior to use.
3.2.4 count fraction, n—the fraction of the total count of
1.4 This international standard was developed in accor-
particles measured which are below a given percent value, and
dance with internationally recognized principles on standard-
are denoted as follows:
ization established in the Decision on Principles for the
Development of International Standards, Guides and Recom-
3.2.4.1 Dn10—the projected equivalent diameter below
mendations issued by the World Trade Organization Technical
which 10 % of the total count of all particles analyzed is
Barriers to Trade (TBT) Committee.
represented.
3.2.4.2 Dn50—the projected equivalent diameter below
2. Referenced Documents
which 50 % of the total count of all particles analyzed is
2.1 ASTM Standards:
represented.
D16 Terminology for Paint, Related Coatings, Materials, and
3.2.4.3 Dn90—the projected equivalent diameter below
Applications
which 90 % of the total count of all particles analyzed is
represented.
This test method is under the jurisdiction of ASTM Committee D01 on Paint
4. Summary of Test Method
and Related Coatings, Materials, and Applications and is the direct responsibility of
Subcommittee D01.24 on Physical Properties of Liquid Paints & Paint Materials.
4.1 Test specimens are fed through the dynamic imaging
Current edition approved Feb. 1, 2024. Published February 2024. Originally
instrument which is comprised of a camera sensor and illumi-
approved in 2017. Last previous edition approved in 2017 as F3261 – 17. DOI:
10.1520/D8090-24.
nation source opposing each other to form a measurement zone
For referenced ASTM standards, visit the ASTM website, www.astm.org, or
where the fluid image is captured and then analyzed for particle
contact ASTM Customer Service at service@astm.org. For Annual Book of ASTM
size and distribution. The particle size and size distribution
Standards volume information, refer to the standard’s Document Summary page on
the ASTM website. values are based on the projected equivalent particle diameter.
Copyright © ASTM International, 100 Barr Harbor Drive, PO Box C700, West Conshohocken, PA 19428-2959. United States
D8090 − 24
Shape parameters can be used to identify air bubbles that may
be present and eliminate them from the reported data. Other
appropriate parameters may be used as well. Likewise for
undiluted paints (for example, clear paints), shape parameters
can be used to eliminate air bubbles and water droplets that
may be present from the reported data. Shape parameter
formulations may differ from instrument to instrument.
5. Significance and Use
5.1 By following this test method, the particle size, particle
size distribution and particle shape of particulates in liquid
paint and pigment dispersions can be measured.
5.2 Particle size, particle size distribution and particle shape
have a great effect on the color, opacity and gloss of paints.
Reproducing these characteristics is critical to the quality and
performance of the paint produced.
FIG. 1 Example Arrangement of a Flow Cell
5.3 The dynamic imaging instrument is useful during manu-
facturing to detect oversize particles as well as the required size
7.5 Agitator—to mix contents of reservoir. Should be ca-
distribution of particles in order to provide quality and consis-
pable of mixing paints with viscosities up to 1 kg/m s.
tency from batch to batch.
7.6 Inlet/Outlet Lines w/full flow shut off valves.
6. Interferences
7.7 Drain Line.
6.1 Contaminated environmental conditions and poor han-
7.8 Metering Pump—a software controlled pump to sup-
dling techniques can easily contaminate the sample. Care must
ply dilution fluid to the sample leaving the reservoir and prior
be taken to ensure test results are not biased by introduced
to entering the analyzer. The software signals the metering
particles.
pump to increase or decrease the diluent flow depending on the
6.2 High concentrations of air bubbles, resulting from
particle area per image.
violent agitation, should be avoided. The software is designed
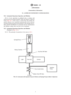
Alternate Configurations
to detect and eliminate them from the data, however high
concentrations can mask other particles.
7.9 Syringe Pump—where smaller sample volumes can be
effectively analyzed due to transparency of the paint a syringe
6.3 Steps should be taken to prevent the introduction of
can be used to sample the paint and a syringe pump can be used
water into the paint. In undiluted paints, water droplets can be
to propel it through the instrument.
detected and counted as particles giving false positive readings.
The software is designed to identify free water droplets and
7.10 Luer-Lok Syringe—a sterile syringe that can be easily
eliminate them from the data.
and quickly connected into the feed line to the instrument.
6.4 Samples may be diluted with an appropriate diluent per
7.11 These alternate configurations can be reviewed in
the instrument manufacturer’s instructions. This situation may
Appendix X1.
arise due to high viscosity levels or high concentrations of
particles, droplets and bubbles present in the view which may 8. Reagents and Materials
cause reporting errors. The software shall provide an alarm or
8.1 Reticle, traceable to NIST or other widely recognized
error message if particle populations are too high for the
standards body. A reticle with 100 μm grids and 10 μm
instrument to accurately measure particle size, particle size
subdivisions has been found to work well for use in calibrating
distribution or particle shape.
instruments, however various size reticles may be used as
appropriate for the particular manufacturer’s instrument.
7. Apparatus
8.2 Solvent, preferably fast drying, reagent grade, and suit-
7.1 Dynamic Imaging Analyzer, a particle counter, shape
able for the particular paints being tested. For oil based paints
and size measuring instrument consisting of a flow through
mineral spirit has been found to work well for dilution and
cell, an image capture device, means of illumination and
cleaning. For water based paints water (8.3) has been found to
software and readout capabilities. Fig. 1 shows a typical
work well for dilution and cleaning. Other common reagent
gravity feed system.
grade solvents may be used.
7.2 Paint Shaker—any device manufactured to agitate and
8.3 Water, ultra-pure, reagent grade.
mix paints in their containers.
8.4 Mono-Disperse Bead Standard, vendor certified to be
7.3 Instrument Stand.
>95 % spherical and a coefficient of variance <10 %. Sizes can
7.4 Reservoir—to contain and mix paint in diluted or be selected to represent the expected range of particle distri-
undiluted state. Holds up to two litres (2 L) of volume. butions
D8090 − 24
9. Sample Collection and Handling try again. If verification fails consult the instrument manufac-
turer’s instruction manual. Recalibration may be required.
9.1 Refer to Practice D3925 for proper sampling of paint
and pigmented coatings for analysis.
12. Procedure
9.2 Sample containers should be clearly marked identifying
12.1 Diluted Sample
their contents at a minimum.
12.1.1 Ensure the instrument is set up as indicated in the
9.3 Sample volume should be per instrument manufactur- manufacturer’s instructions.
er’s instructions. If particle concentration is too high (see 6.4) 12.1.2 For paints in original containers or other similar
the specimen may be diluted using an appropriate diluent (see shipping containers, agitate them in those containers using a
8.2 or 8.3). paint shaker (see 7.2). If containers do not lend themselves to
agitation by paint shaker, such as specimen bottles, manual
10. Preparing the Instrument
agitation is acceptable by tumbling back and forth for 30
seconds at approximately 2 Hz. If opening the container to
10.1 Clean the instrument with a compatible solvent by
mechanically mix, use caution not to introduce contamination
flushing the solvent through the instrument under normal
or air bubbles to the paint. Follow paint manufacturer’s
operating conditions. As solvent passes through the instrument
measure it for particle conten
...
This document is not an ASTM standard and is intended only to provide the user of an ASTM standard an indication of what changes have been made to the previous version. Because
it may not be technically possible to adequately depict all changes accurately, ASTM recommends that users consult prior editions as appropriate. In all cases only the current version
of the standard as published by ASTM is to be considered the official document.
Designation: D8090 − 17 D8090 − 24
Standard Test Method for
Particle Size Distribution and Shape Analysis of Paints and
Pigments Using Dynamic Imaging Methods
This standard is issued under the fixed designation D8090; the number immediately following the designation indicates the year of
original adoption or, in the case of revision, the year of last revision. A number in parentheses indicates the year of last reapproval. A
superscript epsilon (´) indicates an editorial change since the last revision or reapproval.
1. Scope
1.1 This test method covers the determination of particle size distribution and particle shape of liquid paints and pigmented liquid
coatings by Dynamic Image Analysis. This method includes the reporting of particles ≥1 μm in size and up to 300 μm in size.
NOTE 1—Shape is used to classify particles, droplets and bubbles and is not a reporting requirement.
NOTE 2—The term paint(s) as used in this document includes liquid paint and liquid pigmented coatings.
1.1.1 Some paints may be too viscous to flow through the imaging instrument without dilution which may be used to help the paint
flow as long as significant contamination is not introduced into the paint.
1.2 The values stated in SI units are to be regarded as standard. No other units of measurement are included in this standard.
1.3 This standard does not purport to address all of the safety concerns, if any, associated with its use. It is the responsibility
of the user of this standard to establish appropriate safety and healthsafety, health, and environmental practices and determine
the applicability of regulatory limitations prior to use.
1.4 This international standard was developed in accordance with internationally recognized principles on standardization
established in the Decision on Principles for the Development of International Standards, Guides and Recommendations issued
by the World Trade Organization Technical Barriers to Trade (TBT) Committee.
2. Referenced Documents
2.1 ASTM Standards:
D16 Terminology for Paint, Related Coatings, Materials, and Applications
D3925 Practice for Sampling Liquid Paints and Related Pigmented Coatings
2.2 Other Documents:
NIST SRM 1982 Thermal Spray Powder – Particle Size Distribution
ISO12103-1 Medium Test Dust
3. Terminology
3.1 For the definition of terms used in this standard refer to Terminology D16.
This test method is under the jurisdiction of ASTM Committee D01 on Paint and Related Coatings, Materials, and Applications and is the direct responsibility of
Subcommittee D01.24 on Physical Properties of Liquid Paints and& Paint Materials.
Current edition approved June 1, 2017Feb. 1, 2024. Published July 2017February 2024. DOI: 10.1520/D8090-17.Originally approved in 2017. Last previous edition
approved in 2017 as F3261 – 17. DOI: 10.1520/D8090-24.
For referenced ASTM standards, visit the ASTM website, www.astm.org, or contact ASTM Customer Service at service@astm.org. For Annual Book of ASTM Standards
volume information, refer to the standard’s Document Summary page on the ASTM website.
Copyright © ASTM International, 100 Barr Harbor Drive, PO Box C700, West Conshohocken, PA 19428-2959. United States
D8090 − 24
3.2 Definitions:
3.2.1 bubble, n—a non paint, gaseous formation within the paint, generally spherical in shape and visible as a thick walled ring
with a transparent center.
3.2.2 droplet, n—a non paint, liquid formation within the paint, generally spherical in shape and visible as a thin walled ring with
a transparent center.
3.2.3 projected equivalent particle diameter, n—the diameter calculated from the projected area o fa of a particle if that area
formed a circle, and in equation form isis:
Projected Equivalent Particle Diameter ~D! 5 SQRT~Area/ ~π ⁄ 4!!5=~Area/0.785!
3.2.4 projected equivalent particle volume (V ), n—the particle volume based on the projected equivalent particle diameter, and
D
in equation form is
Projected Equivalent Particle Volume V 5 πD ⁄6 (1)
~ !
D
3.2.4 volumecount fraction, n—the fraction of the total volumecount of particles measured which are below a given
percent,percent value, and are denoted as follows:
3.2.4.1 Dv10—Dn10—the projected equivalent diameter below which 10 % of the total volumecount of all particles analyzed
is represented.
3.2.4.2 Dv50—Dn50—the projected equivalent diameter below which 50 % of the total volumecount of all particles analyzed
is represented.
3.2.4.3 Dv90—Dn90—the projected equivalent diameter below which 90 % of the total volumecount of all particles analyzed
is represented.
4. Summary of Test Method
4.1 Test specimenspecimens are fed through the dynamic imaging instrument which is comprised of a camera sensor and
illumination source opposing each other to form a measurement zone where the fluid image is captured and then analyzed for
particle size and distribution. The particle size and size distribution values are based on the projected equivalent particle diameter.
Shape parameters can be used to identify air bubbles that may be present and eliminate them from the reported data. Other
appropriate parameters may be used as well. Likewise for undiluted paints (for example, clear paints), shape parameters can be
used to eliminate air bubbles and water droplets that may be present from the reported data. Shape parameter formulations may
differ from instrument to instrument.
5. Significance and Use
5.1 By following this test method, the particle size, particle size distribution and particle shape of particulates in liquid paint and
pigment dispersions can be measured.
5.2 Particle size, particle size distribution and particle shape have a great effect on the color, opacity and gloss of paints.
Reproducing these characteristics is critical to the quality and performance of the paint produced.
5.3 The dynamic imaging instrument is useful during manufacturing to detect oversize particles as well as the required size
distribution of particles in order to provide quality and consistency from batch to batch.
6. Interferences
6.1 Contaminated environmental conditions and poor handling techniques can easily contaminate the sample. Care must be taken
to ensure test results are not biased by introduced particles.
6.2 High concentrations of air bubbles, resulting from violent agitation, should be avoided. The software is designed to detect and
eliminate them from the data, however high concentrations can mask other particles.
D8090 − 24
6.3 Steps should be taken to prevent the introduction of water into the paint. In undiluted paints, water droplets can be detected
and counted as particles giving false positive readings. The software is designed to identify free water droplets and eliminate them
from the data.
6.4 Samples may be diluted with an appropriate diluent per the instrument’sinstrument manufacturer’s instructions. This situation
may arise due to high viscosity levels or high concentrations of particles, droplets and bubbles present in the view which may cause
reporting errors. The software shall provide an alarm or error message if particle populations are too high for the instrument to
accurately measure particle size, particle size distribution or particle shape.
7. Apparatus
7.1 Dynamic Imaging Particle Analyzer, a particle counter, shape and size measuring instrument consisting of a flow through cell,
an image capture device, means of illumination and software and readout capabilities. Fig. 1 shows a typical gravity feed system.
7.2 Paint Shaker—any device manufactured to agitate and mix paints in their containers.
7.3 Instrument Stand.
7.4 Reservoir—to contain and mix paint in diluted or undiluted state. Holds up to two litres (2 L) of volume.
7.5 Agitator—to mix contents of reservoir. Should be capable of mixing paints with viscosities up to 1 kg/m s.
7.6 Inlet/Outlet Lines w/full flow shut off valves.
7.7 Drain Line.
Alternate Configurations
7.8 InjectionMetering Pump—a dilution fluid supply can be plumbed in at the location of the upstream shut off valve and used
as a counter flow to dilute and mix the paint in the reservoir. Controlling the flow of diluent dictates the degree of dilution of the
specimen that flows through the instrument.software controlled pump to supply dilution fluid to the sample leaving the reservoir
and prior to entering the analyzer. The software signals the metering pump to increase or decrease the diluent flow depending on
the particle area per image.
FIG. 1 Example Arrangement of a Flow Cell
D8090 − 24
Alternate Configurations
7.9 Syringe Pump—where smaller sample volumes can be effectively analyzed due to transparency of the paint a syringe can be
used to sample the paint and a syringe pump can be used to propel it through the instrument.
7.10 Luer-Lok Syringe—a sterile syringe that can be easily and quickly connected into the feed line to the instrument.
7.11 These alternate configurations can be reviewed in Annex A1Appendix X1.
8. Reagents and Materials
8.1 Reticle, traceable to NIST or other widely recognized standards body. A 19 mm diameter reticle with 100 μm grids and 10 μm
subdivisions has been found to work well for use in calibrating instruments, however various size reticles may be used as
appropriate for the particular manufacturer’s instrument.
8.2 Solvent, preferably a fast drying reagent, filtered to 0.45 micron and compatible withfast drying, reagent grade, and suitable
for the particular paints being tested. For oil based paints mineral spirit has been found to work well for dilution and cleaning. For
water based paints water (8.3) has been found to work well for dilution and cleaning. Other common reagent grade solvents may
be used.
8.3 Water, ultra-pure, reagent grade.
8.4 Mono-Disperse Bead Standard, vendor certified to be >95%>95 % spherical and a coefficient of variance <10%. Ten micron
(10 μm) have been found to work well, however other sizes may also be used.<10 %. Sizes can be selected to represent the
expected range of particle distributions
8.4 NIST SRM 1982, or similar particle size distribution standard traceable to NIST or similar widely known body.
9. Sample Collection and Handling
9.1 Refer to Practice D3925 for proper sampling of paint and pigmented coatings for analysis.
9.2 Sample containers should be clearly marked identifying their contents at a minimum.
9.3 Sample volume should be per instrument manufacturer’s instructions. If particle concentration is too high (see 6.4) the
specimen may be diluted using an appropriate diluent filtered to(see 8.2 0.45or 8.3μm to remove contaminants.).
10. Preparing the Instrument
10.1 Clean the instrument with a compatible solvent, filtered to 0.45 μm, solvent by flushing the solvent through the instrument
under normal operating conditions. As solvent passes through the instrument measure it for particle content. Continue to flush with
fresh solvent until the particle count per mL of the solvent, as measured by the instrument, is well below normal particulate levels
for the paint to be tested.
11. Calibration and Verification
11.1 Calibration
11.1.1 Instruments must be calibrated by use of a reticle traceable to NIST or other similar standard body (see 8.1). If a difference
to the nominal size of particle size standard is recognized the instrument should be recalibrated. Calibration shall be performed
per the instrument’s manufacturer’s instructions at least every 12 months.
11.2 Verification
D8090 − 24
11.2.1 Instrument calibration for size shall be verified at least every 12 months using mono-disperse beads to check (see 8.38.4).
The standard may be diluted with water, or other appropriate diluent (see 8.2), filtered to 0.45 μm, to to create a test specimen of
the correct volume for the instrument. Flow the specimen through the instrument analyzing particle size for the recommended
number of frames for analysis per the manufacturer’s instructions. Result of mean particle size analysis must be within 3%3 % of
the particle size standard’s manufacturer’s certified mean
...








Questions, Comments and Discussion
Ask us and Technical Secretary will try to provide an answer. You can facilitate discussion about the standard in here.
Loading comments...