ISO 71:1977
(Main)Cinematography — 16 mm negative photographic sound record on 16 mm, 35/16 mm and 35/32 mm motion-picture film — Positions and dimensions
Cinematography — 16 mm negative photographic sound record on 16 mm, 35/16 mm and 35/32 mm motion-picture film — Positions and dimensions
Cinématographie — Enregistrement sonore photographique négatif 16 mm sur film cinématographique de 16 mm, 35/16 mm et 35/32 mm — Emplacement et dimensions
General Information
- Status
- Withdrawn
- Publication Date
- 31-Jul-1977
- Withdrawal Date
- 31-Jul-1977
- Technical Committee
- ISO/TC 36 - Cinematography
- Drafting Committee
- ISO/TC 36/WG 3 - Audio technology
- Current Stage
- 9599 - Withdrawal of International Standard
- Start Date
- 01-Oct-2014
- Completion Date
- 14-Feb-2026
Relations
- Effective Date
- 18-May-2013
Buy Documents
ISO 71:1977 - Cinematography -- 16 mm negative photographic sound record on 16 mm, 35/16 mm and 35/32 mm motion-picture film -- Positions and dimensions
ISO 71:1977 - Cinématographie -- Enregistrement sonore photographique négatif 16 mm sur film cinématographique de 16 mm, 35/16 mm et 35/32 mm -- Emplacement et dimensions
ISO 71:1977 - Cinématographie -- Enregistrement sonore photographique négatif 16 mm sur film cinématographique de 16 mm, 35/16 mm et 35/32 mm -- Emplacement et dimensions
Frequently Asked Questions
ISO 71:1977 is a standard published by the International Organization for Standardization (ISO). Its full title is "Cinematography — 16 mm negative photographic sound record on 16 mm, 35/16 mm and 35/32 mm motion-picture film — Positions and dimensions". This standard covers: Cinematography — 16 mm negative photographic sound record on 16 mm, 35/16 mm and 35/32 mm motion-picture film — Positions and dimensions
Cinematography — 16 mm negative photographic sound record on 16 mm, 35/16 mm and 35/32 mm motion-picture film — Positions and dimensions
ISO 71:1977 is classified under the following ICS (International Classification for Standards) categories: 37.060.20 - Motion picture films. Cartridges. The ICS classification helps identify the subject area and facilitates finding related standards.
ISO 71:1977 has the following relationships with other standards: It is inter standard links to ISO 71:2014. Understanding these relationships helps ensure you are using the most current and applicable version of the standard.
ISO 71:1977 is available in PDF format for immediate download after purchase. The document can be added to your cart and obtained through the secure checkout process. Digital delivery ensures instant access to the complete standard document.
Standards Content (Sample)
INTERNATIONAL STANDARD
INTERNATIONAL ORGANIZATION FOR STANDARDIZATION l MEWIYHAPOLZHAJl OPI-AHM3AUMfi no CTAHAAPTM3ALIMM.ORGANlSATION INTERNATIONALE DE NORMALISATION
Cinematography - 16 mm negative photographic Sound
record on 16 mm, 35/16 mm and 35/32 mm motion-picture
- Positions and dimensions
film
Cinema tographie - Enregistremen t sonore pho tographique n6gatif 16 mm sur film cinkmatographique de 16 mm,
35/16 mm et 35/32 mm - Emplacemen t et dimensions
First edition - 1977-08-01
UDC 771.531.352.2 : 77.068.1 Ref. No. ISO 71-1977 (E)
cinematography , motion-picture film, sound recording, photographic recording, Position (location), dimensions.
Descriptors :
Price based on 3 pages
FOREWORD
ISO (the International Organization for Standardization) is a worldwide federation
of national Standards institutes (ISO member bodies). The work of developing
International Standards is carried out through ISO technical committees. Every
member body interested in a subject for which a technical committee has been set
up has the right to be represented on that committee. International organizations,
governmental and non-governmental, in liaison with ISO, also take part in the work.
Draft International Standards adopted by the technical committees are circulated
to the member bodies for approval before their acceptance as International
Standards by the ISO Council.
International Standard ISO 71 was developed by Technical Committee
ISO/TC 36, Cinematography, and was circulated to the member bodies in October
1975.
lt has been approved by the member bodies of the following countries :
Austral ia India Spain
Austria Italy Sweden
Belgium Japan Switzerland
Canada Mexico Turkey
Czechoslovakia Netherlands United Kingdom
Denmark Poland U.S.A.
France Romania U.S.S.R.
Germany South Africa, Rep. of
No member body expressed disapproval of the document.
GI International Organkation for Standardkation, 1977 l
Printed in Switzerland
INTERNATIONAL STANDARD ISO 71-1977 (E)
Cinematography - 16 mm negative photographic Sound
record on 16 mm, 35/16 mm and 35/32 mm motion-picture
film - Positions and dimensions
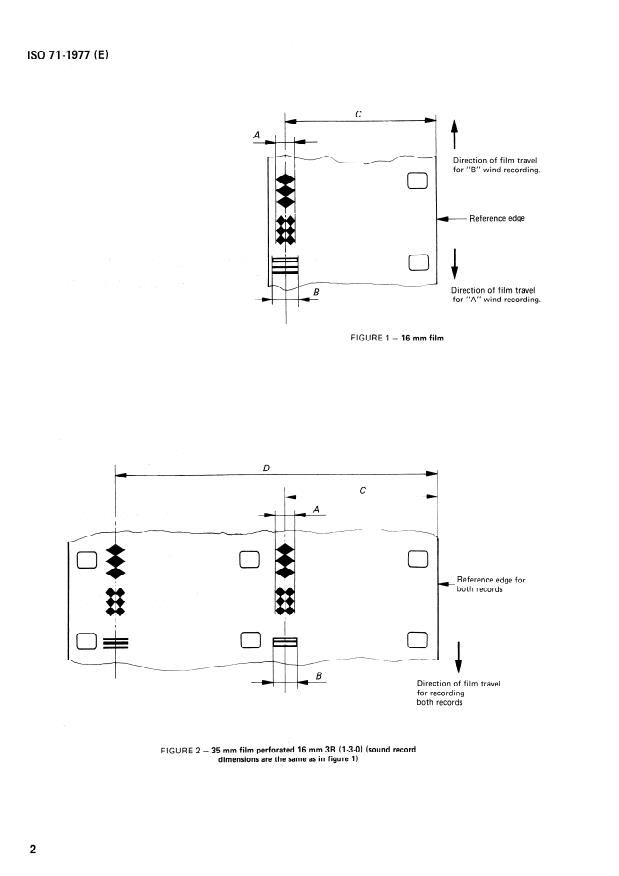
1 SCOPE AND FIELD OF APPLICATION ISO 4243, Cinematography - Picture image area and
phctographic Sound record on 16 mm motion-picture
This International Standard specifies the positions and
rel
...
INTERNATIONAL STANDARD
INTERNATIONAL ORGANIZATION FOR STANDARDIZATION l MEWlYHAPOlIIHAfl OPI-AHM3AUMR l-‘lo CTAHAAPTM3ALIMki~ORGANISATION INTERNATIONALE DE NORMALISATION
16 mm negative photographie sound
Cinematography -
record on 16 mm, 35/16 mm and 35/32 mm motion-picture
film - Positions and dimensions
Cinématographie - Enregistrement sonore photographique négatif 16 mm sur film cinématographique de 16 mm,
35/16 mm et 35/32 mm - Emplacemen t et dimensions
First edition - 1977-08-01
Ref. No. ISO 71-1977 (E)
UDC 771.531.352.2 : 77.068.1
Descriptors : cinematography, motion-picture film, sound recording, photographie recording, position (location), dimensions.
Price based on 3 pages
FOREWORD
ISO (the International Organization for Standardization) is a worldwide federation
of national standards institutes (ISO member bodies). The work of developing
International Standards is carried out through ISO technical committees. Every
member body interested in a subject for which a technical committee has been set
up has the right to be represented on that committee. International organizations,
governmental and non-governmental, in liaison with ISO, also take part in the work.
Draft International Standards adopted by the technical committees are circulated
to the member bodies for approval before their acceptance as International
Standards by the ISO Council.
ISO 71 was developed by Technical Committee
International Standard
lSO/TC 36, Cinematography, and was circulated to the member bodies in October
1975.
It has been approved by the member bodies of the following countries :
India
Austral ia Spain
Austria I taly Sweden
Belgium Japan Switzerland
Canada Mexico Turkey
Czechoslovakia Netherlands United Kingdom
Denmark Poland U.S.A.
France Romania U.S.S. R.
Germany South Africa, Rep. of
No member body expressed disapproval of the document.
0 International Organization for Standardization, 1977 l
Printed in Switzerland
INTERNATIONAL STANDARD ISO714977(E)
16 mm negative photographie sound
Cinematography -
record on 16 mm, 35/16 mm and 35/32 mm motion-picture
film - Positions and dimensions
ISO 4243, Cinematography - Picture image area and
1 SCOPE AND FIELD OF APPLICATION
phctographic sound record on 1
...
NORME INTERNATIONALE @ 71
‘*le
INTERNATIONAL ORGANIZATION FOR STANDARDIZATION .MEXJYHAPOSHAX OPrAHM3AUMR no CTAHIlAPTM3AUMM .ORGANISATION INTERNATIONALE DE NORMALISATION
Cinematograph ie - E nregistrement sonore photograph ique
I
negatif 16 mm sur film cinematographique de 16 mm,
35/16 mm et 35/32 mm - Emplacement et dimensions
Cinematography - 16 mm negative photographic sound record on 16 mm, 35/16 rnm and 35/32 mm motion-picture
film - Positions and dimensions
Premiere edition - 1977-08-01
-I
CDU 771.531.352.2 : 77.068.1 Ref. no : IS0 71-1977 (F)
r-
r-
Descripteurs : cinematographie, film cinematographique, enregistrement du son, enregistrement photographique, position, dimension.
c
r-
Prix base sur 3 pages
AVANT-PROPOS
L‘ISO (Organisation internationale de normalisation) est une federation mondiale
d‘organismes nationaux de normalisation (comites membres de I’ISO). L’elaboration
des Normes internationales est confiee aux comites techniques de I’ISO. Chaque
comite membre interesse par une etude a le droit de faire partie du comite technique
correspondant. Les organisations internationales, gouvernementales et non
r gouvernementales, en liaison avec I’ISO, participent egalement aux travaux.
Les projets de Normes internationales adoptes par les comites techniques sont
soumis aux comites membres pour approbation, avant leur acceptation comme
Normes internationales par le Conseil de I‘ISO.
La Norme internationale IS0 71 a et6 Blaboree par le comite technique
’
ISO/TC 36, Cinhatographie, et a et6 soumise aux comites membres en octobre
1975.
Les comites membres des pays suivants I’ont approuvee :
.. -
Afrique du Sud, Rep. d‘ France Royaume-Uni
Allemagne I nde Suede
Australie ltalie Suisse
Autriche Japon Tchecosl ovaq u ie
Belgique Mexique Turquie
Canada Pays-Bas U.R.S.S.
Danemark Pologne USA.
Espagne Roumanie
Aucun comite membre ne I’a desapprouvke.
0 Organisation intarnationale de normalisation, 1977 0
Imprim6 en Suisse
IS0 71 -1977 (F)
NORME INTERNATIONALE
Cinematographie - Enregistrement sonore photographique
negatif 16 rnm sur film cinematographique de 16 mm,
35/16 mm et 35/32 mm - Emplacement et dimensions
IS0 4243, Cinematographie - Champ d‘image enregistrge
1 OBJET ET
...












Questions, Comments and Discussion
Ask us and Technical Secretary will try to provide an answer. You can facilitate discussion about the standard in here.
Loading comments...