ISO 3193:1991
(Main)Aerospace — Bolts, normal hexagonal head, normal shank, short or medium length MJ threads, metallic material, coated or uncoated, strength classes less than or equal to 1 100 MPa — Dimensions
Aerospace — Bolts, normal hexagonal head, normal shank, short or medium length MJ threads, metallic material, coated or uncoated, strength classes less than or equal to 1 100 MPa — Dimensions
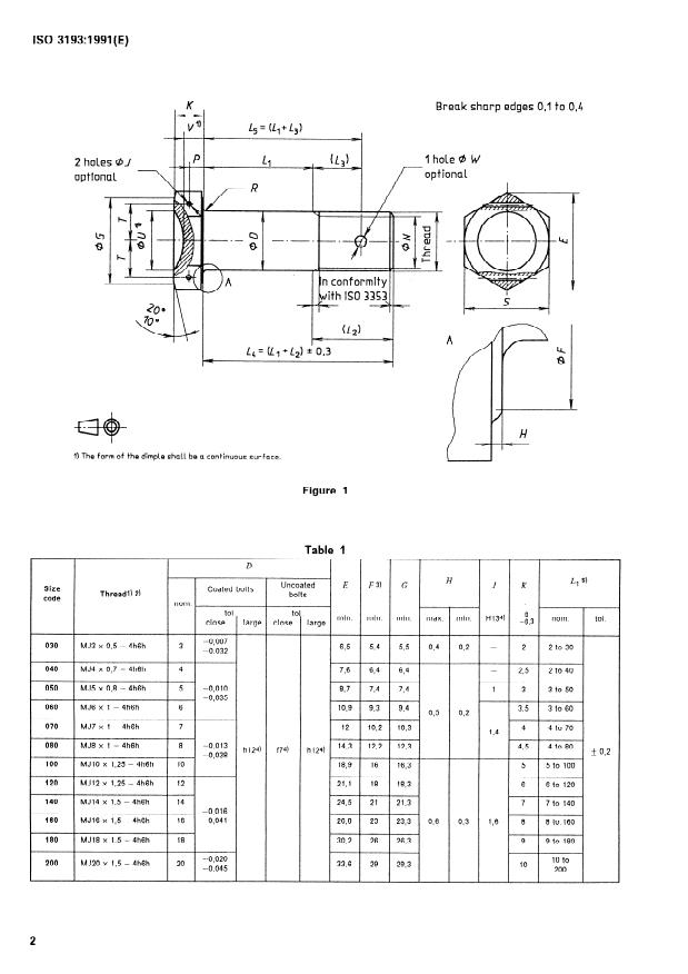
Specifies the dimensions of these bolts. Is intended for the drawing-up of aerospace product standards. Dimensions and tolerances are given in figure 1 and table 1. They are applicable after any surface coating, but before the application of any lubricant. Details of form not stated are left to the manufacturer's discretion.
Aéronautique et espace — Vis à tête hexagonale normale, avec tige normale et filetage MJ court ou de longueur moyenne, en matériau métallique, revêtues ou non revêtues, des classes de résistance inférieures ou égales à 1 100 MPa — Dimensions
General Information
- Status
- Withdrawn
- Publication Date
- 13-Jan-1991
- Withdrawal Date
- 13-Jan-1991
- Technical Committee
- ISO/TC 20/SC 4 - Aerospace fastener systems
- Drafting Committee
- ISO/TC 20/SC 4/WG 2 - Non Threaded Fasteners
- Current Stage
- 9599 - Withdrawal of International Standard
- Start Date
- 18-Aug-2008
- Completion Date
- 12-Feb-2026
Relations
- Consolidated By
ISO 14585:2001 - Hexalobular socket pan head tapping screws - Effective Date
- 06-Jun-2022
- Effective Date
- 15-Apr-2008
ISO 3193:1991 - Aerospace -- Bolts, normal hexagonal head, normal shank, short or medium length MJ threads, metallic material, coated or uncoated, strength classes less than or equal to 1 100 MPa -- Dimensions
ISO 3193:1991 - Aéronautique et espace -- Vis a tete hexagonale normale, avec tige normale et filetage MJ court ou de longueur moyenne, en matériau métallique, revetues ou non revetues, des classes de résistance inférieures ou égales a 1 100 MPa -- Dimensions
ISO 3193:1991 - Aéronautique et espace -- Vis a tete hexagonale normale, avec tige normale et filetage MJ court ou de longueur moyenne, en matériau métallique, revetues ou non revetues, des classes de résistance inférieures ou égales a 1 100 MPa -- Dimensions
Get Certified
Connect with accredited certification bodies for this standard

DEKRA North America
DEKRA certification services in North America.
Eagle Registrations Inc.
American certification body for aerospace and defense.

Element Materials Technology
Materials testing and product certification.
Sponsored listings
Frequently Asked Questions
ISO 3193:1991 is a standard published by the International Organization for Standardization (ISO). Its full title is "Aerospace — Bolts, normal hexagonal head, normal shank, short or medium length MJ threads, metallic material, coated or uncoated, strength classes less than or equal to 1 100 MPa — Dimensions". This standard covers: Specifies the dimensions of these bolts. Is intended for the drawing-up of aerospace product standards. Dimensions and tolerances are given in figure 1 and table 1. They are applicable after any surface coating, but before the application of any lubricant. Details of form not stated are left to the manufacturer's discretion.
Specifies the dimensions of these bolts. Is intended for the drawing-up of aerospace product standards. Dimensions and tolerances are given in figure 1 and table 1. They are applicable after any surface coating, but before the application of any lubricant. Details of form not stated are left to the manufacturer's discretion.
ISO 3193:1991 is classified under the following ICS (International Classification for Standards) categories: 49.030.20 - Bolts, screws, studs. The ICS classification helps identify the subject area and facilitates finding related standards.
ISO 3193:1991 has the following relationships with other standards: It is inter standard links to ISO 14585:2001, ISO 3193:2008. Understanding these relationships helps ensure you are using the most current and applicable version of the standard.
ISO 3193:1991 is available in PDF format for immediate download after purchase. The document can be added to your cart and obtained through the secure checkout process. Digital delivery ensures instant access to the complete standard document.
Standards Content (Sample)
ISO
INTERNATIONAL
STANDARD
First edition
1991-01-15
Aerospace - Bob, normal hexagonal head,
normal shank, short or medium length MJ
threads, metallic material, coated or uncoated,
strength classes Iess than or equal to
- Dimensions
1100 MPa
Vis a tete hexagonale normale, avec tige
Aeronautique et espace -
normale et filefage MJ tourt ou de longueur moyenne, en mathiau
mtStallique, revetues ou non revetues, des classes de rhistance
inderieures ou egales a I 100 MPa - Dimensions
Reference number
Foreword
ISO (the International Organization for Standardization) is a worldwide
federation of national Standards bodies (ISO member bodies). The work
of preparing International Standards is normally carried out through ISO
technical committees. Esch member body interested in a subject for
which a technical committee has been established has the right to be
represented on that committee. International organizations, govern-
mental and non-governmental, in liaison with ISO, also take part in the
work. ISO collaborates closely with the International Electrotechnical
Commission (IEC) on all matters of electrotechnical standardization.
Draft International Standards adopted by the technical committees are
circulated to the member bodies for voting. Publication as an Inter-
national Standard requires approval by at least 75 % of the member
bodies casting a vote.
International Standard ISO 3193 was prepared by Technical Committee
ISO/TC 20, Aircraft and space vehicles.
0 ISO 1991
All rights reserved. No part of this publication may be reproduced or utilized in any form
or by any means, electronie or mechanical, including photocopying and microfilm, without
permission in writing from the publisher.
International Organization for Standardization
Case Postale 56 l CH-1211 Geneve 20 l Switzerland
Printed in Switzerland
ii
INTERNATIONAL STANDARD ISO 3193:1991 (E)
Aerospace - Bolts, normal hexagonal head, normal shank,
short or medium length MJ threads, metallic material, coated
or uncoated, strength classes less than or equal to
1100 MPa - Dimensions
plying the most recent editions of the Standards in-
1 Scope
dicated below. Members of IEC and ISO maintain
registers of currently valid International Standards.
This International Standard specifies the dimensions
of normal hexagonal head bolts with close or large
ISO 286-23988, ISO System of limits and fits -
tolerante normal shank, and short or medium length
Part 2: Tables of Standard tolerante grades and Limit
MJ threads, in metallic material, coated or un-
deviations for holes and shafts.
coated, with strength classes less than or equal to
1100 MPa.
ISO 3353:1976, Aerospace construction - Rolled
threads - Runout and lead threads.
lt is intended for the drawing up of aerospace prod-
uct Standards.
ISO 5855-2:1988, Aerospace - MJ threads - Part 2:
Limit dimensions for bolts and nuts.
2 Normative references
3 Configuration and dimensions
The following Standards contain provisions which,
See Figure 1 and table 1. Dimensions and tolerantes
through reference in this text, constitute pro
...
NORME
INTERNATIONALE
Première édition
1991-01-15
Aéronautique et espace - Vis à tête hexagonale
normale, avec tige normale et filetage MJ court
ou de longueur moyenne, en matériau
métallique, revêtues ou non revêtues, des
classes de résistance inférieures ou égales à
1100 MPa - Dimensions
Aerospace - Bo/ts, normal hexagonal head, normal shank, short or
medium length MJ threads, metallic material, coated or uncoated,
strength classes less than or equal to 1 100 MPa - Dimensions
Numéro de référence
Avant-propos
L’ISO (Organisation internationale de normalisation) est une fédération
mondiale d’organismes nationaux de normalisation (comités membres
de I’ISO). L’élaboration des Normes internationales est en général
confiée aux comités techniques de I’ISO. Chaque comité membre inté-
ressé par une étude a le droit de faire partie du comité technique créé
à cet effet. Les organisations internationales, gouvernementales et non
gouvernementales, en liaison avec I’ISO participent également aux tra-
vaux. L’ISO collabore étroitement avec la Commission électrotechnique
internationale (CEI) en ce qui concerne la normalisation électrotech-
nique.
Les projets de Normes internationales adoptés par les comités techni-
ques sont soumis aux comités membres pour vote. Leur publication
comme Normes internationales requiert l’approbation de 75 % au moins
des comités membres votants.
La Norme internationale ISO 3193 a été élaborée par le comité techni-
que ISO/TC 20, Aéronautique et espace.
0 ISO 1991
Droits de reproduction réservés. Aucune partie de cette publication ne peut être repro-
duite ni utilisée sous quelque forme que ce soit et par aucun procédé, électronique ou
mécanique, y compris la photocopie et les microfilms, sans l’accord écrit de l’éditeur.
. Organisation internationale de normalisation
Case Postale 56 l CH-121 1 Genève 20 l Suisse
Imprimé en Suisse
ii
- ~.
NORME INTERNATIONALE
Aéronautique et espace - Vis à tête hexagonale normale,
avec tige normale et filetage MJ court ou de longueur
moyenne, en matériau métallique, revêtues ou non revêtues,
des classes de résistance inférieures ou égales à
- Dimensions
1100 MPa
CEI et de I’ISO possédent le registre des Normes
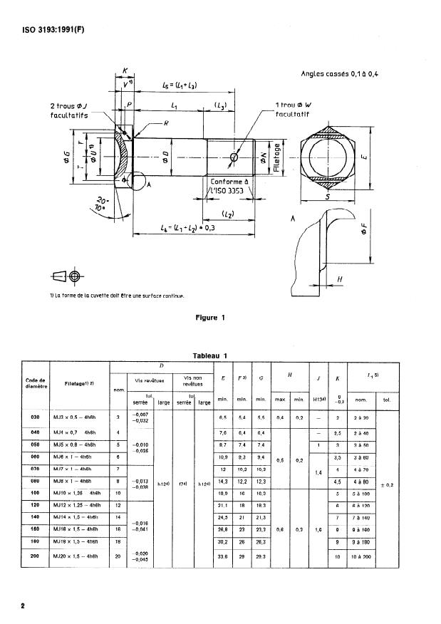
1 Domaine d’application
internationales en vigueur à un moment donné.
La présente Norme internationale prescrit les di-
ISO 286,2:1988, Système lS0 de tolérances et
mensions des vis à tête hexagonale normale, avec
d’ajustements - Partie 2: Tables des degrés de to-
tige normale, à tolérance serrée ou large, et filetage
lérance normalisés et des écarts limites des alésages
MJ court ou de longueur moyenne, en matériau
et des arbres.
métallique, revêtues ou non revêtues, des classes
de résistance inférieures ou égales à 1 100 MPa.
ISO 3353:1976, Constructions aérospatiales - File-
tages roulés - Filets incomplets côté tige (ou tête)
La présente Norme internationale est applicable à
et côté extrémité.
l’élaboration de normes de produit destinées aux
constructions aérospatiales.
ISO 5855-2:1988, Aéronautique et espace - Filetage
MJ - Partie 2: Dimensions limites pour vis et
2 Références normatives
écrous.
Les normes suivantes contiennent des dispositions
qui, par suite de la référence qui en est faite,
3 Configuration et dimensions
constituent des dispositions valables pour
...
NORME
INTERNATIONALE
Première édition
1991-01-15
Aéronautique et espace - Vis à tête hexagonale
normale, avec tige normale et filetage MJ court
ou de longueur moyenne, en matériau
métallique, revêtues ou non revêtues, des
classes de résistance inférieures ou égales à
1100 MPa - Dimensions
Aerospace - Bo/ts, normal hexagonal head, normal shank, short or
medium length MJ threads, metallic material, coated or uncoated,
strength classes less than or equal to 1 100 MPa - Dimensions
Numéro de référence
Avant-propos
L’ISO (Organisation internationale de normalisation) est une fédération
mondiale d’organismes nationaux de normalisation (comités membres
de I’ISO). L’élaboration des Normes internationales est en général
confiée aux comités techniques de I’ISO. Chaque comité membre inté-
ressé par une étude a le droit de faire partie du comité technique créé
à cet effet. Les organisations internationales, gouvernementales et non
gouvernementales, en liaison avec I’ISO participent également aux tra-
vaux. L’ISO collabore étroitement avec la Commission électrotechnique
internationale (CEI) en ce qui concerne la normalisation électrotech-
nique.
Les projets de Normes internationales adoptés par les comités techni-
ques sont soumis aux comités membres pour vote. Leur publication
comme Normes internationales requiert l’approbation de 75 % au moins
des comités membres votants.
La Norme internationale ISO 3193 a été élaborée par le comité techni-
que ISO/TC 20, Aéronautique et espace.
0 ISO 1991
Droits de reproduction réservés. Aucune partie de cette publication ne peut être repro-
duite ni utilisée sous quelque forme que ce soit et par aucun procédé, électronique ou
mécanique, y compris la photocopie et les microfilms, sans l’accord écrit de l’éditeur.
. Organisation internationale de normalisation
Case Postale 56 l CH-121 1 Genève 20 l Suisse
Imprimé en Suisse
ii
- ~.
NORME INTERNATIONALE
Aéronautique et espace - Vis à tête hexagonale normale,
avec tige normale et filetage MJ court ou de longueur
moyenne, en matériau métallique, revêtues ou non revêtues,
des classes de résistance inférieures ou égales à
- Dimensions
1100 MPa
CEI et de I’ISO possédent le registre des Normes
1 Domaine d’application
internationales en vigueur à un moment donné.
La présente Norme internationale prescrit les di-
ISO 286,2:1988, Système lS0 de tolérances et
mensions des vis à tête hexagonale normale, avec
d’ajustements - Partie 2: Tables des degrés de to-
tige normale, à tolérance serrée ou large, et filetage
lérance normalisés et des écarts limites des alésages
MJ court ou de longueur moyenne, en matériau
et des arbres.
métallique, revêtues ou non revêtues, des classes
de résistance inférieures ou égales à 1 100 MPa.
ISO 3353:1976, Constructions aérospatiales - File-
tages roulés - Filets incomplets côté tige (ou tête)
La présente Norme internationale est applicable à
et côté extrémité.
l’élaboration de normes de produit destinées aux
constructions aérospatiales.
ISO 5855-2:1988, Aéronautique et espace - Filetage
MJ - Partie 2: Dimensions limites pour vis et
2 Références normatives
écrous.
Les normes suivantes contiennent des dispositions
qui, par suite de la référence qui en est faite,
3 Configuration et dimensions
constituent des dispositions valables pour
...












Questions, Comments and Discussion
Ask us and Technical Secretary will try to provide an answer. You can facilitate discussion about the standard in here.
Loading comments...