ISO 657-1:1989
(Main)Hot-rolled steel sections — Part 1: Equal-leg angles — Dimensions
Hot-rolled steel sections — Part 1: Equal-leg angles — Dimensions
This first edition as an International Standard constitues a technical revision of ISO Recommendation R 657-1:1968. ISO 657 consists of 21 parts integrating any shapes of sections. ISO 657-1 specifies dimensions of hot-rolled equal-leg angles.
Profilés en acier laminés à chaud — Partie 1: Cornières à ailes égales — Dimensions
General Information
- Status
- Withdrawn
- Publication Date
- 12-Jul-1989
- Technical Committee
- ISO/TC 17/SC 3 - Steels for structural purposes
- Drafting Committee
- ISO/TC 17/SC 3 - Steels for structural purposes
- Current Stage
- 9599 - Withdrawal of International Standard
- Start Date
- 27-Apr-2026
- Completion Date
- 02-May-2026
Relations
- Effective Date
- 01-Jun-2024
Overview
ISO 657-1:1989 is an internationally recognized standard published by the International Organization for Standardization (ISO) that specifies the dimensions of hot-rolled equal-leg steel angles. This standard represents a technical revision and update of the earlier ISO Recommendation R 657-1:1968. As Part 1 of the comprehensive ISO 657 series, the document focuses exclusively on the dimensional attributes of equal-leg angles, which are crucial components in structural steelwork and construction. The standard provides essential specifications for manufacturers, engineers, and designers to ensure consistency, safety, and interoperability of hot-rolled steel sections worldwide.
Key Topics
Scope and Application
ISO 657-1 covers the dimensions of hot-rolled equal-leg angles, detailing preferred sizes in both metric units. It includes nominal leg lengths, thicknesses, root radii (for information), and relevant sectional properties such as area, mass, and moments of inertia.Dimensional Details
The standard presents a comprehensive table of dimensions for various sizes of equal-leg angles. Preferred dimensions are highlighted for ease of selection. Toe radii are not standardized but may be adapted according to national requirements.Sectional Properties
ISO 657-1 includes calculated sectional properties such as area, mass per meter, and moments of inertia about principal axes. These values are based on a toe radius equal to half the root radius to provide consistency in design calculations.Tolerances
Dimensional tolerances applicable to these steel angles are not specified directly in ISO 657-1 but are covered under ISO 657-5, which addresses tolerances for equal and unequal-leg angles including both metric and inch series.Normative References and Updates
ISO 657-1 is part of a broader series of 21 parts covering a range of hot-rolled steel section shapes. It references ISO 657-5 for tolerances and encourages users to apply the most current editions of related standards to ensure accuracy and compliance.
Applications
ISO 657-1:1989 is vital for multiple sectors where structural steel components are employed:
Construction and Civil Engineering
Provides precise dimensional control for equal-leg angles used in frameworks, bracing, and reinforcing elements.Metal Fabrication
Enables fabricators to produce consistent hot-rolled equal-leg angle sections that fit seamlessly in assembled structures.Structural Design and Engineering
Assists structural engineers in selecting standardized steel angle sections based on verified dimensional data and sectional properties for load-bearing calculations.Manufacturing and Quality Assurance
Serves as a benchmark for mills rolling hot-rolled steel angles, ensuring products meet internationally accepted specifications and tolerances.Transportation and Shipbuilding
Facilitates use of standard steel angles in supporting frameworks where dimensional reliability is critical.
Related Standards
ISO 657-1 works in conjunction with the following standards to provide a comprehensive framework for hot-rolled steel sections:
ISO 657 (General Series) - Covers various hot-rolled steel section shapes including unequal-leg angles, parallel flange sections, T-sections, sloping flange sections, bulb flats, and other profiles.
ISO 657-5:1976 - Defines the dimensional tolerances applicable to equal-leg and unequal-leg steel angles, guiding acceptable deviations in production.
National Standards - Many countries adopt ISO 657-1 dimensions as part of their national standards, sometimes tailoring sizes and thicknesses to local manufacturing capabilities and industry requirements.
Keywords
Hot-rolled steel sections, equal-leg angles, ISO 657-1, steel angle dimensions, structural steel standards, steel section tolerances, sectional properties, steel fabrication, ISO steel standards, international steel dimensions, steel structural profiles, ISO steel angles.
ISO 657-1:1989 is a foundational standard ensuring uniformity and quality in the key structural steel component of equal-leg angles, supporting global construction and engineering demands with precise dimensional specifications and sectional data.
Buy Documents
ISO 657-1:1989 - Hot-rolled steel sections — Part 1: Equal-leg angles — Dimensions Released:7/13/1989
ISO 657-1:1989 - Profilés en acier laminés a chaud — Partie 1: Cornieres a ailes égales — Dimensions Released:7/13/1989
ISO 657-1:1989 - Profilés en acier laminés a chaud — Partie 1: Cornieres a ailes égales — Dimensions Released:7/13/1989
Get Certified
Connect with accredited certification bodies for this standard

Element Materials Technology
Materials testing and product certification.
Inštitut za kovinske materiale in tehnologije
Institute of Metals and Technology. Materials testing, metallurgical analysis, NDT.
Sponsored listings
Frequently Asked Questions
ISO 657-1:1989 is a standard published by the International Organization for Standardization (ISO). Its full title is "Hot-rolled steel sections — Part 1: Equal-leg angles — Dimensions". This standard covers: This first edition as an International Standard constitues a technical revision of ISO Recommendation R 657-1:1968. ISO 657 consists of 21 parts integrating any shapes of sections. ISO 657-1 specifies dimensions of hot-rolled equal-leg angles.
This first edition as an International Standard constitues a technical revision of ISO Recommendation R 657-1:1968. ISO 657 consists of 21 parts integrating any shapes of sections. ISO 657-1 specifies dimensions of hot-rolled equal-leg angles.
ISO 657-1:1989 is classified under the following ICS (International Classification for Standards) categories: 77.140.70 - Steel profiles. The ICS classification helps identify the subject area and facilitates finding related standards.
ISO 657-1:1989 has the following relationships with other standards: It is inter standard links to ISO 657-1:2026. Understanding these relationships helps ensure you are using the most current and applicable version of the standard.
ISO 657-1:1989 is available in PDF format for immediate download after purchase. The document can be added to your cart and obtained through the secure checkout process. Digital delivery ensures instant access to the complete standard document.
Standards Content (Sample)
IS0
INTERNATIONAL
657-l
STANDARD
First edition
1989-08-01
Hot-rolled steel sections -
Part 1 :
Equal-leg angles - Dimensions
en acier laminks ii chaud -
Profiltk
Partie 7 . l Corni&res B ailes Dimensions
Reference number
IS0 657-l : 1989 (E)
ISO657=1:1989(E)
Foreword
IS0 (the International Organization for Standardization) is a worldwide federation of
national standards bodies (IS0 member bodies). The work of preparing International
Standards is normally carried out through IS0 technical committees. Each member
body interested in a subject for which a technical committee has been established has
the right to be represented on that committee. International organizations, govern-
mental and non-governmental, in liaison with ISO, also take part in the work. IS0
collaborates closely with the International Electrotechnical Commission (IEC) on all
matters of electrotechnical standardization.
Draft International Standards adopted by the, technical committees are circulated to
the member bodies for approval before their acceptance as International Standards by
the IS0 Council. They are approved in accordance with IS0 procedures requiring at
least 75 % approval by the member bodies voting.
International Standard IS0 657-l was prepared by Technical Committee ISO/TC 17,
S tee/.
It cancels and replaces IS0 Recommen dation R 657-l : 1968, of which it constitutes a
technical revision.
IS0 657 consists of the following parts, under the general title Hot-rolled steel
sections :
- Part 7: Equal-leg angles - Dimensions
-
Fart 2: Unequal-leg angles - Dimensions
Tolerances for metric and
- Part 5: Equal-leg angles and unequal-leg angles -
inch series
-
Part 6: Parallel flange sections (metric series) - Dimensions
Part 70: Parallel flange sections - Tolerances
- Part 7 7 : Sloping flange channel set tions (metric series) - Dimensions and
sectional properties
-
Part 73: Tolerances on sloping flange beam, column and channel sections
- Part 75: Sloping flange beam set tions (metric series) - Dimensions and sec-
tional properties
flange column sections (metric series) - Dimensions and sec-
- Part 76: Sloping
tional properties
Dimensions, set tional
- Part 78: L set tions for shipbuilding (metric series) -
properties and tolerances
- Part 79: Bulb flats (metric series) - Dimensions, sectional properties and
tolerances
-
Part 20: Parallel flange channel sections - Dimensions
-
Part 2 7 : T-sections with equal depth and flange width - Dimensions
0 IS0 1989
All rights reserved. No part of this publication may be reproduced or utilized in any form or by any
means, electronic or mechanical, including photocopying and microfilm, without permission in
writing from the publisher.
International Organization for Standardization
Case postale 56 l CH-1211 Geneve 20 l Switzerland
Printed in Switzerland
INTERNATIONAL STANDARD IS0 657-l : 1988 (E)
Hot-rolled steel sections -
Part 1:
Equal-leg angles - Dimensions
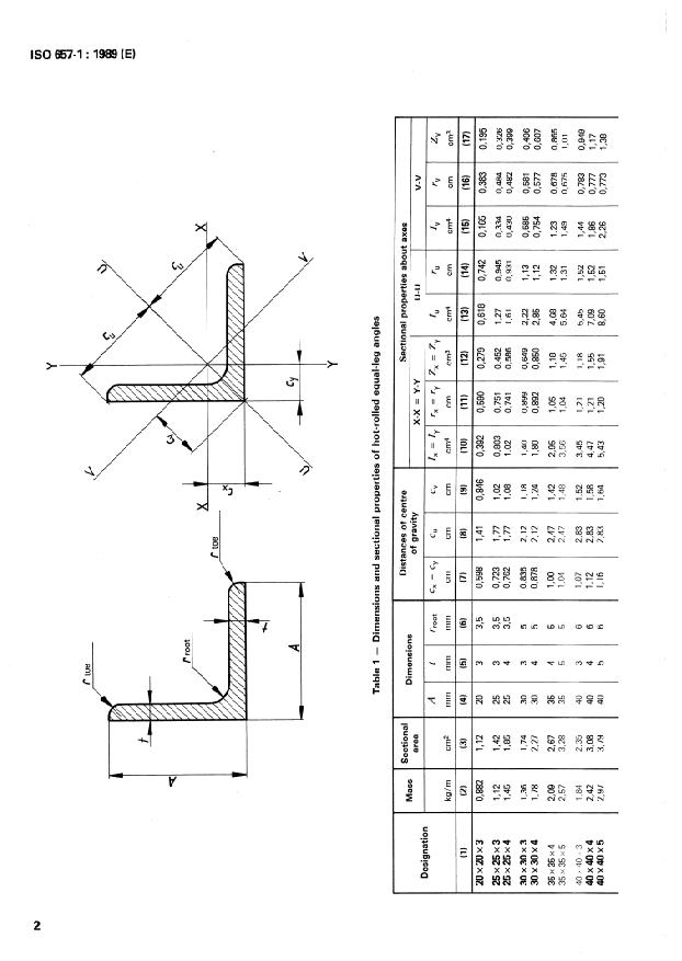
3 Dimensions
1 Scope
3.1 The dimensions of equal-leg angles are given in table 1.
This part of IS0 657 specifies dimensions of hot-rolled equal-
Preferred dimensions are given in bold type.
leg angles.
3.2 The root radii given in table 1 are for information only.
3.3 The toe radius has not been specified and may, if con-
2 Normative reference
sidered necessary, be determined independently for national
standards.
The following standard contains provisions which, through
reference in this text, constitute provisions of this part of
IS0 657. At the time of publication, the edition indicated was 4 Sectional properties
valid. All standards are subject to revision, and parties to
agreements based on this part of IS0 657 are encouraged to The mass, sectional area and sectional properties of equal-leg
investigate the possibility of applying the most recent edition of angles are given for information in table 1. They have been
the standard indicated below. Members of IEC and IS0 main- calculated assuming a toe radius equal to half the root radius.
tain registers of currently valid International Standards.
5 Dimensional tolerances
I SO 657-5 : 1976, Ho t-rolled steel sections - Part 5 : Equal-leg
Tolerances on the dimensions specified in table 1 are covered in
angles and unequal-leg angles - Tolerances for metric and
IS0 657-5.
inch series.
ftoe
Table 1 - Dimensions and sectional properties of hot-rolled equal-leg angles
Sectional properties about axes
Distances of centre
Sectional
Mass
of gravity
area
x-x = Y-Y u-u v-v
T T r
--
Designation
A t c, = cy I, = ry
rx = ry 2, = zv
rroot cll CV
I, Tl.4 I,
Cl Gf
cm cm
cm* mm mm mm cm Cd cm cm3 cm4
kg/m cm cm4 cm cm3
.
(6) (7) (8) (9)
(2) (3) (4) (5) (IO) (II) (12) (13) (14)
(15) (16) (17)
I,12 20 3 0,598 I,41 0,846 0,392
20x20~3 0,882 3,5 0,590 0,279 0,618 0,742 0,165
0,383 0,195
0,723
I,42 25 3 I,77 I,02 0,803 0,751
I,12 3,5 0,452 I,27 0,945 0,334
0,484 0,326
25 4 0,762 I,77 I,08 I,02
I,45 I,85 3,5 0,741 0,586 I,61 0,931 0,430
0,482 0,399
0,835
I,36 I,74 30 3 5 2,12 I,18 I,40 0,899 0,649
I,13 0,585 0,581 0,496
30 4 5 0,878 2,12 I,24 I,80
I,78 2,27 0,892 0,850 2,85 I,12 0,754 0,577
0,607
I,00
2,67 35 4 5 2
...
ISO
NORME
657-l
INTERNATIONALE
Première édition
1989-08-01
Profilés en acier laminés à chaud -
Partie 1 :
Cornières à ailes égales - Dimensions
Ho t-roled steel sections -
Part 7: Egual-leg angles - Dimensions
Numéro de référence
ISO 657-l : 1989 (F)
--
ISO 657-l : 1989 (FI
Avant-propos
L’lSO (Organisation internationale de normalisation) est une fédération mondiale
d’organismes nationaux de normalisation (comités membres de I’ISO). L’élaboration
des Normes internationales est en général confiée aux comités techniques de I’ISO.
Chaque comité membre intéressé par une étude a le droit de faire partie du comité
technique créé à cet effet. Les organisations internationales, gouvernementales et non
gouvernementales, en liaison avec I’ISO participent également aux travaux. L’ISO col-
labore étroitement avec la Commission électrotechnique internationale (CEI) en ce qui
concerne la normalisation électrotechnique.
Les projets de Normes internationales adoptés par les comités techniques sont soumis
aux comités membres pour approbation, avant leur acceptation comme Normes inter-
nationales par le Conseil de I’ISO. Les Normes internationales sont approuvées confor-
mément aux procédures de I’ISO qui requièrent l’approbation de 75 % au moins des
comités membres votants.
La Norme internationale ISO 657-l a été élaborée par le comité technique ISO/TC 17,
Acier.
Elle annule et remplace la Recommandation ISO/R 657-l : 1968, dont elle constitue une
révision technique.
L’ISO 657 comprend les parties suivantes, présentées sous le titre général Profilés en
acier laminés à chaud:
-
Partie 7: Cornières à ailes égales - Dimensions
-
Partie 2: Cornières à ailes inégales - Dimensions
- Partie 5: Cornières à ailes égales et à ailes inégales - Tolérances pour les
séries métrique et inch
-
Partie 6: Profilés à ailes à faces parallèles (série métrique) - Dimensions
-
Partie 70: Profilés à ailes parallèles - Tolérances
-
Partie 7 7 : Profilés en U à ailes inclinées (série métrique) - Dimensions et
caractéristiques rapportées aux axes
-
Partie 73: Tolérances sur les poutrelles, les colonnes et les profilés en U à faces
inclinées
-
Partie 75: Poutrelles à ailes inclinées (série métrique) - Dimensions et caracté-
ristiques rapportées aux axes
-
Partie 76: Colonnes à ailes inclinées (série métrique) - Dimensions et caracté-
ristiques rapportées aux axes
-
Partie 78: Prohlés en L pour la construction navale (série métrique) - Dimen-
sions, caractéristiques rapportées aux axes et tolérances
-
Dimensions, carat téris tiques rap-
Partie 79: Plats à boudin (série métrique) -
portées aux axes et tolérances
- Partie 20: Profilés en U à ailes paraMes - Dimensions
-
Partie 27 : Profilés en T à ailes de même profondeur et de même largeur de
face - Dimensions
0 ISO 1989
Droits de reproduction réservés. Aucune partie de cette publication ne peut être reproduite ni
utilisée sous quelque forme que ce soit et par aucun procédé, électronique ou mécanique,
y compris la photocopie et les microfilms, sans l’accord écrit de l’éditeur.
Organisation internationale de normalisation
Case postale 56 l CH-121 1 Genève 20 o Suisse
Imprimé en Suisse
ISO 657-1 : 1988 (F)
NORME INTERNATIONALE
Profilés en acier laminés à chaud -
Partie 1 :
Cornières à ailes égales - Dimensions
1 Domaine d’application 3 Dimensions
3.1 Les dimensions des cornières à ailes égales sont données
La présente partie de I’ISO 657 prescrit les dimensions des cor-
dans le tableau 1. Les dimensions préférées sont données en
nières à ailes égales laminées à chaud.
caractères gras.
3.2 Les rayons du congé qui sont donnés dans le tableau 1
ne le sont qu’à titre d’information.
2 Référence normative
3.3 Le rayon de l’arrondi n’a pas été spécifié et peut être
déterminé, le cas échéant, indépendamment lors de I’établisse-
La norme suivante contient des dispositions qui, par suite de la
ment des normes nationales.
référence qui en est faite, constituent des dispositions valables
pour la présente partie de I’ISO 657. Au moment de la publica-
tion, l’édition indiquée était en vigueur. Toute norme est sujette 4 Caractéristiques rapportées aux axes
à révision et les parties prenantes des accords fondés sur cette
La masse, la section et les caractéristiques rapportées aux axes
partie de I’ISO 657 sont invitées à rechercher la possibilité
des cornières à ailes égales sont données dans le tableau 1 à
d’appliquer l’édition la plus récente de la norme indiquée
titre d’information. Elles ont été calculées en supposant le
ci-après. Les membres de la CEI et de I’ISO possèdent le regis-
rayon de l’arrondi égal à la moitié du rayon du congé.
tre des Normes internationales en vigueur à un moment donné.
5 Tolérances
ISO 657-5 : 1976, Profilés en acier laminés à chaud - Partie 5 :
Corn&es à ailes égales et à ailes inégales - Tolérances pour
Les tolérances sur les dimensions indiquées dans le tableau 1
les séries métrique et inch. font l’objet de I’ISO 657-5.
farrondi
A
Tableau 1 - Dimensions et caractéristiques rapportées aux axes des cornières à ailes égales laminées à chaud
Caractéristiques rapportées aux axes
Distances du centre
Masse Section Dimensions
de gravité
v-v
Désignation
zx = zy rx = ry z, = z,
A c, = cy
t Cv L TU I, TV zv
rcongé CU
mm cm cm cm cm4 cm cm3 cm4 cm cm4 cm cm3
...
ISO
NORME
657-l
INTERNATIONALE
Première édition
1989-08-01
Profilés en acier laminés à chaud -
Partie 1 :
Cornières à ailes égales - Dimensions
Ho t-roled steel sections -
Part 7: Egual-leg angles - Dimensions
Numéro de référence
ISO 657-l : 1989 (F)
--
ISO 657-l : 1989 (FI
Avant-propos
L’lSO (Organisation internationale de normalisation) est une fédération mondiale
d’organismes nationaux de normalisation (comités membres de I’ISO). L’élaboration
des Normes internationales est en général confiée aux comités techniques de I’ISO.
Chaque comité membre intéressé par une étude a le droit de faire partie du comité
technique créé à cet effet. Les organisations internationales, gouvernementales et non
gouvernementales, en liaison avec I’ISO participent également aux travaux. L’ISO col-
labore étroitement avec la Commission électrotechnique internationale (CEI) en ce qui
concerne la normalisation électrotechnique.
Les projets de Normes internationales adoptés par les comités techniques sont soumis
aux comités membres pour approbation, avant leur acceptation comme Normes inter-
nationales par le Conseil de I’ISO. Les Normes internationales sont approuvées confor-
mément aux procédures de I’ISO qui requièrent l’approbation de 75 % au moins des
comités membres votants.
La Norme internationale ISO 657-l a été élaborée par le comité technique ISO/TC 17,
Acier.
Elle annule et remplace la Recommandation ISO/R 657-l : 1968, dont elle constitue une
révision technique.
L’ISO 657 comprend les parties suivantes, présentées sous le titre général Profilés en
acier laminés à chaud:
-
Partie 7: Cornières à ailes égales - Dimensions
-
Partie 2: Cornières à ailes inégales - Dimensions
- Partie 5: Cornières à ailes égales et à ailes inégales - Tolérances pour les
séries métrique et inch
-
Partie 6: Profilés à ailes à faces parallèles (série métrique) - Dimensions
-
Partie 70: Profilés à ailes parallèles - Tolérances
-
Partie 7 7 : Profilés en U à ailes inclinées (série métrique) - Dimensions et
caractéristiques rapportées aux axes
-
Partie 73: Tolérances sur les poutrelles, les colonnes et les profilés en U à faces
inclinées
-
Partie 75: Poutrelles à ailes inclinées (série métrique) - Dimensions et caracté-
ristiques rapportées aux axes
-
Partie 76: Colonnes à ailes inclinées (série métrique) - Dimensions et caracté-
ristiques rapportées aux axes
-
Partie 78: Prohlés en L pour la construction navale (série métrique) - Dimen-
sions, caractéristiques rapportées aux axes et tolérances
-
Dimensions, carat téris tiques rap-
Partie 79: Plats à boudin (série métrique) -
portées aux axes et tolérances
- Partie 20: Profilés en U à ailes paraMes - Dimensions
-
Partie 27 : Profilés en T à ailes de même profondeur et de même largeur de
face - Dimensions
0 ISO 1989
Droits de reproduction réservés. Aucune partie de cette publication ne peut être reproduite ni
utilisée sous quelque forme que ce soit et par aucun procédé, électronique ou mécanique,
y compris la photocopie et les microfilms, sans l’accord écrit de l’éditeur.
Organisation internationale de normalisation
Case postale 56 l CH-121 1 Genève 20 o Suisse
Imprimé en Suisse
ISO 657-1 : 1988 (F)
NORME INTERNATIONALE
Profilés en acier laminés à chaud -
Partie 1 :
Cornières à ailes égales - Dimensions
1 Domaine d’application 3 Dimensions
3.1 Les dimensions des cornières à ailes égales sont données
La présente partie de I’ISO 657 prescrit les dimensions des cor-
dans le tableau 1. Les dimensions préférées sont données en
nières à ailes égales laminées à chaud.
caractères gras.
3.2 Les rayons du congé qui sont donnés dans le tableau 1
ne le sont qu’à titre d’information.
2 Référence normative
3.3 Le rayon de l’arrondi n’a pas été spécifié et peut être
déterminé, le cas échéant, indépendamment lors de I’établisse-
La norme suivante contient des dispositions qui, par suite de la
ment des normes nationales.
référence qui en est faite, constituent des dispositions valables
pour la présente partie de I’ISO 657. Au moment de la publica-
tion, l’édition indiquée était en vigueur. Toute norme est sujette 4 Caractéristiques rapportées aux axes
à révision et les parties prenantes des accords fondés sur cette
La masse, la section et les caractéristiques rapportées aux axes
partie de I’ISO 657 sont invitées à rechercher la possibilité
des cornières à ailes égales sont données dans le tableau 1 à
d’appliquer l’édition la plus récente de la norme indiquée
titre d’information. Elles ont été calculées en supposant le
ci-après. Les membres de la CEI et de I’ISO possèdent le regis-
rayon de l’arrondi égal à la moitié du rayon du congé.
tre des Normes internationales en vigueur à un moment donné.
5 Tolérances
ISO 657-5 : 1976, Profilés en acier laminés à chaud - Partie 5 :
Corn&es à ailes égales et à ailes inégales - Tolérances pour
Les tolérances sur les dimensions indiquées dans le tableau 1
les séries métrique et inch. font l’objet de I’ISO 657-5.
farrondi
A
Tableau 1 - Dimensions et caractéristiques rapportées aux axes des cornières à ailes égales laminées à chaud
Caractéristiques rapportées aux axes
Distances du centre
Masse Section Dimensions
de gravité
v-v
Désignation
zx = zy rx = ry z, = z,
A c, = cy
t Cv L TU I, TV zv
rcongé CU
mm cm cm cm cm4 cm cm3 cm4 cm cm4 cm cm3
...












Questions, Comments and Discussion
Ask us and Technical Secretary will try to provide an answer. You can facilitate discussion about the standard in here.
Loading comments...