ISO 7129:1989
(Main)Earth-moving machinery — Tractors with dozer, graders, tractor scrapers — Cutting edges — Principal shapes and basic dimensions
Earth-moving machinery — Tractors with dozer, graders, tractor scrapers — Cutting edges — Principal shapes and basic dimensions
Engins de terrassement — Tracteurs à lame, niveleuses, décapeuses — Bords coupants — Principales formes et dimensions de base
General Information
- Status
- Withdrawn
- Publication Date
- 01-Feb-1989
- Withdrawal Date
- 01-Feb-1989
- Current Stage
- 9599 - Withdrawal of International Standard
- Start Date
- 11-Dec-1997
- Completion Date
- 12-Feb-2026
Relations
- Effective Date
- 06-Jun-2022
- Effective Date
- 15-Apr-2008
- Effective Date
- 15-Apr-2008
ISO 7129:1989 - Earth-moving machinery -- Tractors with dozer, graders, tractor scrapers -- Cutting edges -- Principal shapes and basic dimensions
ISO 7129:1989 - Earth-moving machinery — Tractors with dozer, graders, tractor scrapers — Cutting edges — Principal shapes and basic dimensions Released:2/2/1989
Frequently Asked Questions
ISO 7129:1989 is a standard published by the International Organization for Standardization (ISO). Its full title is "Earth-moving machinery — Tractors with dozer, graders, tractor scrapers — Cutting edges — Principal shapes and basic dimensions". This standard covers: Earth-moving machinery — Tractors with dozer, graders, tractor scrapers — Cutting edges — Principal shapes and basic dimensions
Earth-moving machinery — Tractors with dozer, graders, tractor scrapers — Cutting edges — Principal shapes and basic dimensions
ISO 7129:1989 is classified under the following ICS (International Classification for Standards) categories: 53.100 - Earth-moving machinery. The ICS classification helps identify the subject area and facilitates finding related standards.
ISO 7129:1989 has the following relationships with other standards: It is inter standard links to ISO 8178-4:1996, ISO 7129:1997, ISO 7129:1982. Understanding these relationships helps ensure you are using the most current and applicable version of the standard.
ISO 7129:1989 is available in PDF format for immediate download after purchase. The document can be added to your cart and obtained through the secure checkout process. Digital delivery ensures instant access to the complete standard document.
Standards Content (Sample)
INTER NATIONAL IS0
STANDARD 7129
Second edition
1989-02-01
Earth-moving machinery - Tractors with dozer,
graders, tractor scrapers - Cutting edges -
Principal shapes and basic dimensions
Engins de terrassement - Tracteurs à lame, niveleuses, décapeuses - Bords
coupants - Principales formes et dimensions de base
Reference number
IS0 7129: 1989 (E)
1 IS0 7129 : 1989 (E)
Foreword
IS0 (the International Organization for Standardization) is a worldwide federation of
national standards bodies (IS0 member bodies). The work of preparing International
Standards is normally carried out through IS0 technical committees. Each member
body interested in a subject for which a technical committee has been established has
the right to be represented on that committee. International organizations, govern-
mental and non-governmental, in liaison with ISO, also take part in the work. IS0
collaborates closely with the International Electrotechnical Commission (IEC) on all
matters of electrotechnical standardization.
Draft International Standards adopted by the technical committees are circulated to
the member bodies for approval before their acceptance as International Standards by
the IS0 Council. They are approved in accordance with IS0 procedures requiring at
least 75 % approval by the member bodies voting.
International Standard IS0 7129 was prepared by Technical Committee ISO/TC 127,
Earth-mo ving machinery.
This second edition cancels and replaces the first edition (IS0 7129: 1982), of which it
constitutes a minor revision.
O International Organization for Standardization, 1989 0
Printed in Switzerland
IS0 7129 : 1989 (E)
INTERNATIONAL STANDARD
Earth-moving machinery - Tractors with dozer,
- Cutting edges - Principal
graders, tractor scrapers
shapes and basic dimensions
1 Scope
This International Standard specifies the
-
principal shapes and dimensions of the cross-section,
-
hole location for the mounting bolts,
- shapes and dimensions of holes for the mounting bolts,
for cutting edges used on tractors with dozer, graders and tractor scrapers, as defined in IS0 6165, taking interchangeability into con-
sideration.
NOTE - Some inch figures in this International Standard are not equivalent to the corresponding millimetre figures because widely used values have
been adopted.
2 Normative reference
The following standard contains provisions which, through reference in this text, constitute provisions of this International Standard.
At the time of publication, the edition indicated was valid. All standards are subject to revision, and parties to agreements based on
this International Standard are encouraged to investigate the possibility of applying the most recent edition of the standard listed
below. Members of IEC and IS0 maintain registers of currently valid International Standards.
IS0 6165: 1987, Earth-moving machinery - Basic types - Vocabulary.
3 Cutting edges - Cross-sections - Principal shapes and basic dimensions
The principal shapes and basic dimensions of the cutting edge cross-section shall be as in tables 1 and 2.
is0 7129 : 1989 (E)
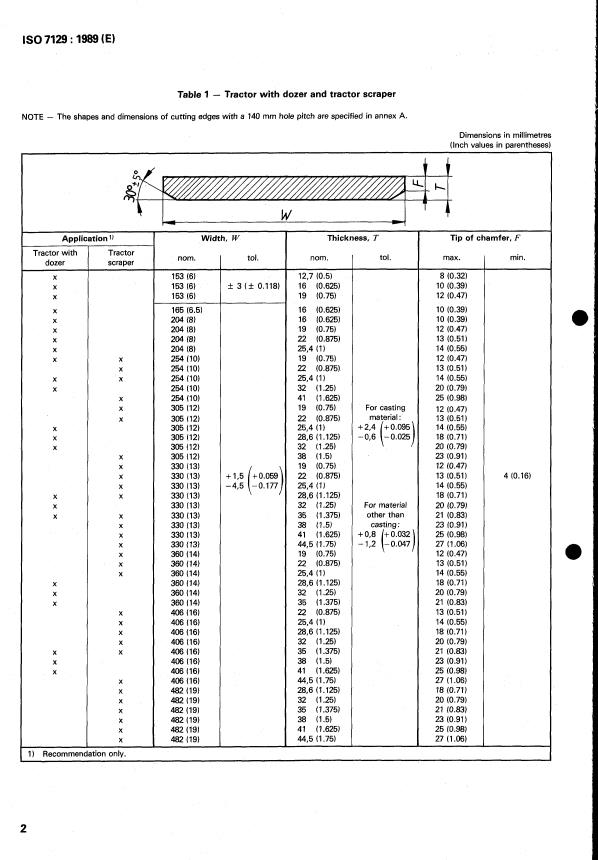
Table 1 - Tractor with dozer and tractor scraper
NOTE - The shapes and dimensions of cutting edges with a 140 mm hole pitch are specified in annex A.
Dimensions in millimetres
(Inch values in parentheses)
W
Tip of chamfer. F
Applii tion 1) Width, W Thickness, T
Tractor with Tractor
nom. nom. tol. max. min.
tol.
dozer scraper
153 (6) 12,7 (0.5) 8 (0.32)
X
f 3 (f 0.118 10 (0.39)
X 153 (6) 16 (0.625)
X 153 (6) 19 (0.75) 12 (0.47)
10 (0.39)
X 165 (6.5) 16 (0.625)
X 204 (8) 16 10.625) 10 (0.39)
X 19 (0.75) 12 (0.47)
204 (8)
13 (0.51)
X 204 (8) 22 (0.875)
X 204 (8) 25,4 (1) 14 (0.55)
X 254 (IO) 19 (0.75) 12 (0.47)
X
X 254 (IO) 22 (0.875) 13 (0.51)
X X 254 (10) 25.4 (1) 14 (0.55)
X 254 (IO) 32 (1.25) 20 (0.79)
X 254 (IO) 41 (1.625) 25 (0.98)
For casting
X 305 (12) 19 (0.75)
12 (0.47)
material :
X 305 ( 12) 22 (0.875) 13 (0.51)
+2,4 +0.095 14 (0.55)
X 305 (12) 25,4 (1)
-0,6 O -0.025 18 (0.71)
X 305 (12) 28,6 (1.125)
X 305 (12) 32 (1.25) 20 (0.791
X 305 (12) 38 (1.5) 23 (0.91)
19 (0.75) 12 (0.47)
X 330 (13)
X 330 (13) 22 (0.875) 13 (0.51) 4 (0.16)
X 330 (13) 14 (0.55)
25,4 (11
X X 330 (13) 28,6 (1.125) 18 (0.71)
X 330 (131 32 (1.25) For material 20 (0.79)
other than
X X 330 (13) 35 (1.375) 21 (0.83)
X 330 (13) 38 11.5) casting: 23 (0.91)
X 41 (1.625) 25 (0.98)
330 (13)
27 il .06)
X 330 (13) 44,5 (1.75)
X 360 (14) 19 (0.75) 12 (0.47)
X 360 (14) 22 (0.875) 13 (0.51)
X 14 (0.55)
360 (14) 25.4 (1)
X 360 (14) 28,6 (1.125) 18 (0.71)
X 360 (14) 32 (1.25) 20 (0.79)
35 (1.375) 21 (0.83)
X 360 (14)
X 406 (16) 22 (0.875) 13 (0.51)
X 406 (16) 14 (0.55)
25,4 (1)
X 406 (16) 28.6 (1.125) 18 (0.71)
X 406 (16) 32 (1.25) 20 (0.79)
35 (1.375) 21 (0.83)
X X 406 (16)
X 406 (16) 38 (1.5) 23 (0.91)
X 406 (16) 41 (1.625) 25 (0.98)
44.5 (1.75) 27 (1.06)
X 406 (16)
X 482 (19) 28,6 (1.125) 18 (0.71)
32 (1.25) 20 (0.79)
X 482 (19)
35 (1.375) 21 (0.83)
X 482 (19)
X 482 (19) 38 (1.5) 23 (0.91)
41 (1.625) 25 (0.98)
X 482 (191
X 482 (19) 44,5 (1.75) 27 (1 .O61
:ion only.
1) Recornmen'
IS0 7129 : 1989 (E)
Table 2 - Grader
NOTE - The shapes and dimensions of cutting edges with 140 mm and 280 mm hole pitches are specified in annex A.
Dimensions in millimetres
(Inch values in Darentheses)
W
...
I
IS0
NORME
INTERNATIONALE
Deuxième édition
1989-02-01
Engins de terrassement - Tracteurs à lame,
niveleuses, décapeuses - Bords coupants -
Principales formes et dimensions de base
Earth-moving machinery - Tractors with dozer, graders, tractor scrapers - Cutting
edges - Principal shapes and basic dimensions
Numéro de référence
IS0 7129: 1989 (FI
IS0 7129 : 1989 (FI
Avant-propos
L’ISO (Organisation internationale de normalisation) est une fédération mondiale
d’organismes nationaux de normalisation (comités membres de I‘ISO). L’élaboration
des Normes internationales est en général confiée aux comités techniques de I’ISO.
Chaque comité membre intéressé par une étude a le droit de faire partie du comité
e
technique créé à cet effet. Les organisations internationales, gouvernementales et non
gouvernementales, en liaison avec I‘ISO participent également aux travaux. L‘ISO col-
labore étroitement avec la Commission électrotechnique internationale (CEII en ce qui
concerne la normalisation électrotechnique.
Les projets de Normes internationales adoptés par les comités techniques sont soumis
aux comités membres pour approbation, avant leur acceptation comme Normes inter-
nationales par le Conseil de I’ISO. Les Normes internationales sont approuvées confor-
mément aux procédures de I‘ISO qui requièrent l’approbation de 75 % au moins des
comités membres votants.
La Norme internationale IS0 7129 a été élaborée par le comité technique ISO/TC 127,
Engins de terrassement.
Cette deuxième édition annule et remplace la première édition (IS0 7129: 1982). dont
elle constitue une révision mineure.
L‘annexe A fait partie intégrante de la présente Norme internationale.
O Organisation internationale de normalisation, 1989 O
Imprimé en Suisse
NORME INTERNATIONALE IS0 7129 : 1989 (FI
Engins de terrassement - Tracteurs à lame,
niveleuses, décapeuses - Bords coupants -
Principales formes et dimensions de base
1 Domaine d‘application
La présente Norme internationale spécifie
- les principales formes et les dimensions de la section transversale,
- l’emplacement des trous pour les boulons de montage,
- les formes et les dimensions des trous pour les boulons de montage,
pour les bords coupants utilisés sur les tracteurs à lame, niveleuses et décapeuses tels qu’ils sont définis dans I‘ISO 6165, en tenant
compte de l’interchangeabilité.
NOTE - Certaines valeurs en inches spécifiées dans la présente Norme internationale ne sont pas équivalentes aux valeurs correspondantes en milli-
mètres, du fait qu’on a adopté les valeurs qui sont largement utilisées.
2 Référence normative
La norme suivante contient des dispositions qui, par suite de la référence qui en est faite, constituent des dispositions valables pour la
présente Norme internationale. Au moment de la publication, l‘édition indiquée était en vigueur. Toute norme est sujette à révision et
les parties prenantes des accords fondés sur cette Norme internationale sont invitées à rechercher la possibilité d’appliquer l’édition la
plus récente de la norme indiquée ci-après. Les membres de la CE1 et de IWO possèdent le registre des Normes internationales en
vigueur à un moment donné.
IS0 6165 : 1987, Engins de terrassement - Principaux types - Vocabulaire.
3 Bords coupants - Sections transversales - Principales formes et dimensions de base
Les principales formes et les dimensions de base de la section transversale du bord coupant doivent être conformes aux indications
des tableaux 1 et 2.
1 I
IS0 7129 : 1989 (FI
Tableau 1 - Tracteur à lame et décapeuse
NOTE - Les formes et les dimensions des bords coupants avec un espacement des trous de 140 mm sont spécifiées dans l'annexe A.
Dimensions en millimèti
(Valeurs en inches entre parenthèsc
I
Application 1) Largeur, W Épaisseur, T Extrémité du chanfrein, F
Tracteur à lame Décapeuse nom. tol. nom. tol. max. min.
X 153 (6) 12,7 (0,5) 8 (0.32)
X 153 (6) I 3 (+ 0,118) 16 (0,625) 10 (0,39)
X 153 (6) 19 (0,75) 12 (0,47)
X 165 (6,5)
16 (0,625) 10 (0,39)
X 204 (8) 16 (0,625) 10 (0,39)
X 204 (8) 19 (0,75) 12 (0.47)
X 204 (8) 22 (0,875) 13 (0,511
X 204 (8) 25,4 (1) 14 (0,55)
X X 254 (IO)
19 (0,751 12 (0,47)
X 254 (IO) 22 (0,875) 13 (0,51)
X X 254 (10) 25.4 (1) 14 (0,55)
X 254 (IO) 32 (1,25) 20 (0,79)
X 254 (IO) 41 (1,625) 25 (0,981
X 305 (12) 19 (0,751 Pour pièces 12 (0,47)
X 305 (12) 22 (0,875) en fonte: 13 (0,51)
X 305 (12) 25,4 (1) +2,4 +0,095 14 (0,55)
I X 305 (12) 28,6 (1,125) -0,6 -0,025 18 (0.71)
X 305 (12) 32 (1,25) ' 20 (0.79)
X 305 (12)
38 (1,5) 23 (0,911
X 12 (0,47)
330 (13)
X 330 Il 3) 13 (0,51)
4 (0,161
X 330 (13) 14 (0,551
X X
330 (13) 28,6 (1,125) 18 (0,711
X 330 (13) 32 (1,25) Pour pièces en 20 (0,79)
X X 330 (131 35 (1,375) matériaux autres 21 (0,83)
X 330 (13) 38 (1,5) que la fonte: 23 (0,91)
X 330 (13) 41 (1,625) +0,8 +0,032 25 (0,98)
X 330 (13) 44,5 (1,75) -1,2 -0,047 27 (1,06)
X 360 (14) 19 (0,75) ( 12 (0,47)
X 360 (14) 22 (0,875) 13 (0,51)
X 360 (14) 25,4 (1) 14 (0.55)
X 360 (14) 28,6 (1,125) 18 (0,71)
X 360 (14) 32 (1,251 20 (0,79)
X
360 (14) 35 (1,375) 21 (0,83)
X 406 (16) 22 (0,875) 13 (0,51)
X 406 (16) 25,4 î 1 ) 14 (0,551
X 406 (16) 28,6 (1,125) 18 (0.71)
X 406 (16) 32 (1,251 20 (0.79)
X X 406 (16) 35 (1,375)
21 (0,831
X
406 (16) 38 (1,5) 23 /0,91)
X 406 (16)
41 (1,625) 25 (0,98)
X 406 (16)
44,5 (1,75) 27 (1,06)
X 482 (19)
28.6 (1,125) 18 (0,71)
X 482 (19) 32 (1,251 20 (0,791
X 482 (19)
35 (1,375) 21 (0,831
X
482 (19)
38 (1,5) 23 (0,91)
X 482 (19) 41 (1,625) 25 (0,98)
X 482 (19)
44,5 (1,751 27 (1,06)
I 1) Seulement à titre de recommandation.
IS0 7129 : 1989 (FI
Tableau 2 - Niveleuse
NOTE - Les formes et les dimensions des bords coupants avec un espacement des trous de 140 mm et 280 mm sont spécifiées dans l’annexe A.
Dimensions en millimètres
(Valeurs en inches entre Darenthèse
Rayon de courbure, R Chanfrein
Épaisseur, T
Largeur, W
F
nom. tol. nom. tol. nom. tol. E
min.
152 (6) 13 (0.5)
16 (0,625)
152 (6) +3 (+0,118) 19
I0.6 ( f 0,025) 280 (1 1 ) I 10 (I0.394) 30 (1.18) 2,5 (0,l)
152 (6)
- 1,5 -0,059
16 (0,625)
204 (8)
204 (8) 19 (0,75)
IS0 7129 : 1- (FI
...








Questions, Comments and Discussion
Ask us and Technical Secretary will try to provide an answer. You can facilitate discussion about the standard in here.
Loading comments...