ISO 3774:1988
(Main)Cinematography - 35 mm motion-picture film perforated 8 mm Type S (1-3-5-7-0) and (1-0) - Cutting and perforating dimensions
Cinematography - 35 mm motion-picture film perforated 8 mm Type S (1-3-5-7-0) and (1-0) - Cutting and perforating dimensions
Cinématographie — Film cinématographique 35 mm perforé 8 mm, type S (1-3-5-7-0) et (1-0) — Dimensions de coupe et de perforation
General Information
- Status
- Published
- Publication Date
- 26-Oct-1988
- Technical Committee
- ISO/TC 36 - Cinematography
- Drafting Committee
- ISO/TC 36 - Cinematography
- Current Stage
- 9060 - Close of review
- Completion Date
- 02-Sep-2028
Relations
- Effective Date
- 06-Jun-2022
- Effective Date
- 15-Apr-2008
Overview
ISO 3774:1988 is an international standard published by ISO that specifies critical dimensions for cutting and perforating 35 mm motion-picture film, particularly with 8 mm Type S perforations. This standard focuses on defining precise cutting and perforation sizes for film formats featuring either five perforation rows at positions 1-3-5-7-0 or two rows at positions 1-0. It addresses the geometry required for producing high-quality 35 mm cinematographic film stock, ensuring compatibility and stability during film handling and projection. The standard plays a key role in cinematography by maintaining uniformity in film perforation and facilitating reliable film transport through cameras and projectors.
Key Topics
Perforation Types and Rows
ISO 3774:1988 covers two key perforation configurations for 35 mm film - the 8 mm Type S pattern with five rows at 1-3-5-7-0 and a special two-row pattern at 1-0. It defines the exact position and size tolerances essential for uniform perforation.Cutting and Perforation Dimensions
The standard details the measurement specifications, including width and perforation pitch. Key dimensions such as the film width after trimming and the distance between perforations (pitch) are precisely defined with tight tolerances, supporting quality control.Dimensional Stability and Tolerances
Emphasis is placed on tolerance levels to ensure consistent film performance. The standard includes guidance on dimensional stability considering environmental factors such as temperature and humidity, which can affect film size during storage and use.Compatibility with Safety Film Standards
ISO 3774 references ISO 543, the standard for safety film, ensuring that cutting and perforation dimensions are compatible with safety film properties and quality requirements.Additional Recommendations
The annex offers insights into factors affecting film stability, such as uniformity of perforations, the influence of humidity, and the importance of choosing the correct perforation pitch. It also defines "low-shrinkage film" to maintain dimensional stability post-processing.
Applications
Film Manufacturing and Processing
Manufacturers of 35 mm film stock use ISO 3774 to achieve precise cutting and perforating dimension standards necessary for consistent film quality and compatibility with cameras and projectors.Camera and Projector Design
Cinematography equipment designers adhere to these standard perforation dimensions to ensure smooth film transport, accurate frame registration, and reliable perforation engagement.Film Quality Control
Quality assurance teams implement these dimensional specifications to measure and monitor film perforation accuracy, addressing potential variations that could affect image stability.Archival and Preservation
Archives and laboratories use the defined tolerances when inspecting and restoring older film reels to guarantee mechanical compatibility with modern playback devices.Film Duplication and Printing
The defined pitches and tolerances are critical in film duplication processes to maintain frame alignment and avoid image distortion in copies.
Related Standards
ISO 543: Safety Film - Definition, Testing, and Marking
ISO 3774 is directly linked with ISO 543, ensuring that perforation and cutting dimensions are compatible with safety film characteristics.ISO/TC 36 Cinematography Technical Committee
The committee responsible for developing ISO 3774 also manages related cinematography standards, supporting comprehensive film manufacturing and handling protocols.Other Perforation Standards (e.g., 16 mm, 8 mm films)
While ISO 3774 addresses 35 mm film, other ISO standards exist for different film gauges and perforation types, maintaining consistency across formats.
Keywords: ISO 3774, 35 mm motion-picture film, film perforation dimensions, film cutting standards, cinematography film standard, Type S perforation, film manufacturing, film quality control, safety film ISO 543, film stability, film archival standard
ISO 3774:1988 - Cinematography — 35 mm motion-picture film perforated 8 mm Type S (1-3-5-7-0) and (1-0) — Cutting and perforating dimensions Released:10/27/1988
ISO 3774:1988 - Cinématographie — Film cinématographique 35 mm perforé 8 mm, type S (1-3-5-7-0) et (1-0) — Dimensions de coupe et de perforation Released:10/27/1988
ISO 3774:1988 - Cinématographie — Film cinématographique 35 mm perforé 8 mm, type S (1-3-5-7-0) et (1-0) — Dimensions de coupe et de perforation Released:10/27/1988
Frequently Asked Questions
ISO 3774:1988 is a standard published by the International Organization for Standardization (ISO). Its full title is "Cinematography - 35 mm motion-picture film perforated 8 mm Type S (1-3-5-7-0) and (1-0) - Cutting and perforating dimensions". This standard covers: Cinematography - 35 mm motion-picture film perforated 8 mm Type S (1-3-5-7-0) and (1-0) - Cutting and perforating dimensions
Cinematography - 35 mm motion-picture film perforated 8 mm Type S (1-3-5-7-0) and (1-0) - Cutting and perforating dimensions
ISO 3774:1988 is classified under the following ICS (International Classification for Standards) categories: 37.060.20 - Motion picture films. Cartridges. The ICS classification helps identify the subject area and facilitates finding related standards.
ISO 3774:1988 has the following relationships with other standards: It is inter standard links to ISO 14160:1998, ISO 3774:1982. Understanding these relationships helps ensure you are using the most current and applicable version of the standard.
ISO 3774:1988 is available in PDF format for immediate download after purchase. The document can be added to your cart and obtained through the secure checkout process. Digital delivery ensures instant access to the complete standard document.
Standards Content (Sample)
ISO
INTERNATIONAL STANDARD 3774
Third edition
1988-11-01
INTERNATIONAL ORGANIZATION FOR STANDARDIZATION
ORGANISATION INTERNATIONALE DE NORMALISATION
MEXAYHAPOJJHAFI OPTAHM3A~MR I-IO CTAHflAPTM3A~MM
Cinematography - 35 mm motion-picture film perforated
8 mm Type S (1-3-5-7-O) and (1-O) - Cutting and
perforating dimensions
CMmatographie - Film cint!matographique 35 mm perfox! 8 mm, type S (1-3-5-7-O)
et (7-O) - Dimensions de coupe et de Perforation
Reference number
ISO 3774 : 1988 (E)
ISO 3774 : 1988 (El
Foreword
ISO (the International Organization for Standardization) is a worldwide federation of
national Standards bodies (ISO member bodies). The work of preparing International
Standards is normally carried out through ISO technical committees. Esch member
body interested in a subject for which a technical committee has been established has
the right to be represented on that committee. International organizations, govern-
mental and non-governmental, in liaison with ISO, also take part in the work. ISO
collaborates closely with the International Electrotechnical Commission (IEC) on all
matters of electrotechnical standardization.
Draft International Standards adopted by the technical committees are circulated to
the member bodies for approval before their acceptance as International Standards by
the ISO Council. They are approved in accordance with ISO procedures requiring at
least 75 % approval by the member bodies voting.
International Standard ISO 3774 was prepared by Technical Committee ISO/TC 36,
Cinema tograph y.
This third edition cancels and replaces the second edition (ISO 3774 : 19821, of which it
constitutes a minor revision, the annex having been replaced.
Users should note that all International Standards undergo revision from time to time
and that any reference made herein to any other International Standard implies its
latest edition, unless otherwise stated.
0 International Organkation for Standardkation, 1988
Printed in Switzerland
ISO 3774 : 1988 (E)
INTERNATIONAL STANDARD
35 mm motion-picture film perforated
Cinematography -
8 mm Type S (1-3-5-7-O) and (1-O) - Cutting and
perforating dimensions
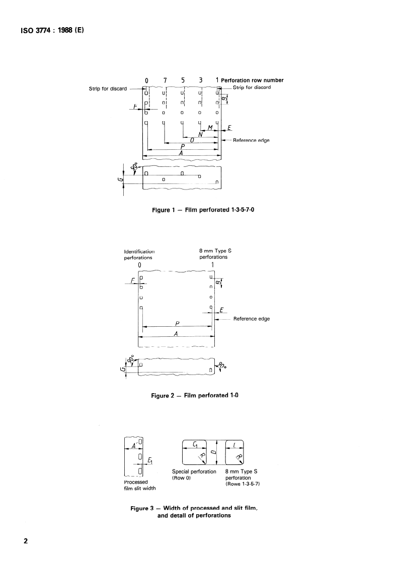
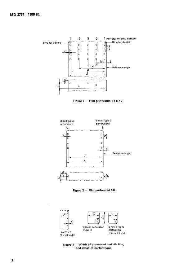
1 Scope and field of application 3 Dimensions
The dimensions and tolerantes shall be as shown in the figures
This International Standard specifies the cutting and per-
forating dimensions for 35 mm motion-picture raw stock either and given in the table. They apply to safety raw stock, as
described in ISO 543. Except for dimensions A’ and El, they
with five rows of perforations in positions 1-3-5-7-O or with two
rows of perforations in positions l-0, as well as the width of the are measured immediately after cutting and perforating. If
required by usage, the manufacturer should indicate the
8 mm Strip after processing and slitting the print stock.
atmospheric conditions applied to dimensional control at the
time of cutting and perforating.
2 Reference
ISO 543, Cinematography - Motion-picture safety film -
Definition, tes ting and marking.
60 3774 : 1988 (El
3 1 Perforation row number
0 7 5
Strip for discard
Strip for d isca rd
Reference edge
Figure 1 - Film perforated 1-3-5-7-O
8 mm Type S
Identification
perforations
perforations
0 1
-
l-l
F--1
0 0
C
C__E
4 Reference edge
p
A
'c C
Figure 2 - Film perforated 1-O
Special Perforation 8 mm Type S
(Row 0)
Perforation
Processed
(Rows l-3-5-7)
film slit width
Figure 3 - Width of processed and slit film,
and detail of perforations
ISO 3774 : 1988 (El
Table - Dimensions
Dimension mm in
-t 0.001 0
A 34,975 AL 0,025 1.377 0
A’ 7,975 f 0,050 0.314 0 f 0.002 0
B 4,234 + 0,010 0.166 7 + 0.000 4
B’ 4,227 Ik 0,010 0.166 4
...
ISO
NORME INTERNATIONALE
Troisième édition
1988-1 l-01
~gq?qgfg=
INTERNATIONAL ORGANIZATION FOR STANDARDIZATION
, I . =
=
Z =
=
=
; =
= ORGANISATION INTERNATIONALE DE NORMALISATION
5 =
=
=
=
=
= =
-
=r MEXAYHAPOJjHAR OPTAHl43A~MR Il0 CTAHAAPTM3AuMM
s G
Z
LB!9
.
Cinématographie -
Film cinématographique 35 mm
perforé 8 mm, type S (1-3-5-7-O) et (I-O) - Dimensions
de coupe et de perforation
Cinematograph y - 35 mm motion-picture film perforated 8 mm Type S (7-3-57-0)
and (I-0) - Cutting and petforating dimensions
Numéro de référence
ISO 3774 : 1988 (F)
ISO 3774 : 1988 (FI
Avant-propos
L’ISO (Organisation internationale de normalisation) est une fbdération mondiale
d’organismes nationaux de normalisation (comit& membres de I’ISO). L’élaboration
des Normes internationales est en général confiée aux comit& techniques de I’ISO.
Chaque comité membre intéresse par une étude a le droit de faire partie du comité
technique créé à cet effet. Les organisations internationales, gouvernementales et non
gouvernementales, en liaison avec I’ISO participent également aux travaux. LJISO col-
labore btroitement avec la Commission électrotechnique internationale (CEI) en ce qui
concerne la normalisation électrotechnique.
Les projets de Normes internationales adoptés par les comités techniques sont soumis
aux comités membres pour approbation, avant leur acceptation comme Normes inter-
nationales par le Conseil de I’ISO. Les Normes internationales sont approuvées confor-
mement aux procédures de I’ISO qui requièrent l’approbation de 75 % au moins des
comités membres votants.
La Norme internationale ISO 3774 a été élaborée par le comité technique ISO/TC 36,
Cinématographie.
Cette troisième édition annule et remplace la deuxiéme édition (ISO 3774 : 1982), dont
elle constitue une révision mineure, l’annexe ayant 4th changée.
L’attention des utilisateurs est attirée sur le fait que toutes les Normes internationales
sont de temps en temps soumises à révision et que toute référence faite à une autre
Norme internationale dans le présent document implique qu’il s’agit, sauf indication
contraire, de la derniere édition.
@ Organisation internationale de normalisation, 1988
Imprimé en Suisse
NORME INTERNATIONALE ISO 3774 : 1988 (FI
Cinématographie - Film cinématographique 35 mm
perforé 8 mm, type S (1-3-5-7-O) et (1-O) - Dimensions
de coupe et de perforation
1 Objet et domaine d’application
3 Dimensions
. La présente Norme internationale spécifie les dimensions de Les dimensions et tolérances doivent être telles qu’indiquées
coupe et de perforation pour film vierge 35 mm portant soit
sur les figures et données dans le tableau. Elles s’appliquent au
cinq rangées de perforations en positions 1-3-5-7-O, soit deux film vierge de sécurité conforme à I’ISO 543. À l’exception des
rangées de perforations en positions 1-O; elle spécifie égale-
cotes A’ et I?,, elles sont mesurées immédiatement aprés coupe
ment la largeur de la bande 8 mm obtenue par recoupe du film
et perforation. Si l’utilisation l’exige, le fabricant devrait indi-
aprés tirage et traitement.
quer les caractéristiques de I’atmosphére utilisée pour le con-
trôle dimensionne1 au moment de la coupe et de la perforation.
2 Référence
ISO 543, Cinématographie - Film cinématographique de sécu-
rité - Définition, essais et marquage.
1s0 3774 : 1988 (FI
5 3
1 Numbos des rangées de perforation
Bande à rejeter
rejeter
Bande à
lb o o o
de référence <
Figure 1 - Film perforé 1-3-5-7-O
Perforations
Perforations
8 mm type S
d’identification
Bord de référence
Film perfore 1-O
Figure 2 -
Perforation
Perforation
spéciale 8 mm type S
Largeur du film
(Rangée 0) (Rangées l-3-5-7)
traité et recoupé
Largeur du film traité et recoupé
Figure 3 -
et d&ail des perforations
ISO 3774 : 1988 (FI
Tableau - Dimensions
Dimension mm in
f 0,001 0
A 34,975 f 0,025 1,377 0
7,975 f 0,050 0,314 0 f 0,002 0
A’
f 0,0004
B 4,234 f 0,
...
ISO
NORME INTERNATIONALE
Troisième édition
1988-1 l-01
INTERNATIONAL ORGANIZATION FOR STANDARDIZATION
ORGANISATION INTERNATIONALE DE NORMALISATION
MEXAYHAPOJjHAR OPTAHl43A~MR Il0 CTAHAAPTM3AuMM
Cinématographie -
Film cinématographique 35 mm
perforé 8 mm, type S (1-3-5-7-O) et (I-O) - Dimensions
de coupe et de perforation
Cinematograph y - 35 mm motion-picture film perforated 8 mm
( 7-3-s 7-O)
Type s
and (I-0) - Cutting and petforating dimensions
Numéro de référence
ISO 3774 : 1988 (F)
ISO 3774 : 1988 (FI
Avant-propos
L’ISO (Organisation internationale de normalisation) est une fbdération mondiale
d’organismes nationaux de normalisation (comit& membres de I’ISO). L’élaboration
des Normes internationales est en général confiée aux comit& techniques de I’ISO.
Chaque comité membre intéresse par une étude a le droit de faire partie du comité
technique créé à cet effet. Les organisations internationales, gouvernementales et non
gouvernementales, en liaison avec I’ISO participent également aux travaux. LJISO col-
labore btroitement avec la Commission électrotechnique internationale (CEI) en ce qui
concerne la normalisation électrotechnique.
Les projets de Normes internationales adoptés par les comités techniques sont soumis
aux comités membres pour approbation, avant leur acceptation comme Normes inter-
nationales par le Conseil de I’ISO. Les Normes internationales sont approuvées confor-
mement aux procédures de I’ISO qui requièrent l’approbation de 75 % au moins des
comités membres votants.
La Norme internationale ISO 3774 a été élaborée par le comité technique ISO/TC 36,
Cinématographie.
Cette troisième édition annule et remplace la deuxiéme édition (ISO 3774 : 1982), dont
elle constitue une révision mineure, l’annexe ayant 4th changée.
L’attention des utilisateurs est attirée sur le fait que toutes les Normes internationales
sont de temps en temps soumises à révision et que toute référence faite à une autre
Norme internationale dans le présent document implique qu’il s’agit, sauf indication
contraire, de la derniere édition.
@ Organisation internationale de normalisation, 1988 l
Imprimé en Suisse
NORME INTERNATIONALE ISO 3774 : 1988 (FI
Cinématographie - Film cinématographique 35 mm
perforé 8 mm, type S (1-3-5-7-O) et (1-O) - Dimensions
de coupe et de perforation
1 Objet et domaine d’application
3 Dimensions
La présente Norme internationale spécifie les dimensions de Les dimensions et tolérances doivent être telles qu’indiquées
coupe et de perforation pour film vierge 35 mm portant soit
sur les figures et données dans le tableau. Elles s’appliquent au
cinq rangées de perforations en positions 1-3-5-7-O, soit deux film vierge de sécurité conforme à I’ISO 543. À l’exception des
rangées de perforations en positions 1-O; elle spécifie égale-
cotes A’ et I?,, elles sont mesurées immédiatement aprés coupe
ment la largeur de la bande 8 mm obtenue par recoupe du film
et perforation. Si l’utilisation l’exige, le fabricant devrait indi-
aprés tirage et traitement.
quer les caractéristiques de I’atmosphére utilisée pour le con-
trôle dimensionne1 au moment de la coupe et de la perforation.
2 Référence
ISO 543, Cinématographie - Film cinématographique de sécu-
rité - Définition, essais et marquage.
1s0 3774 : 1988 (FI
5 3
1 Numbos des rangées de perforation
Bande à rejeter
k ILLBord de référence
Figure 1 - Film perforé 1-3-5-7-O
Perforations
Perforations
8 mm type S
d’identification
0 p $i- Bord de référence
I
I
A
r- -
Film perfore 1-O
Figure 2 -
Perforation
Perforation
spéciale 8 mm type S
Largeur du film
(Rangée 0) (Rangées l-3-5-7)
traité et recoupé
Largeur du film traité et recoupé
Figure 3 -
et d&ail des perforations
ISO 3774 : 1988 (FI
Tableau - Dimensions
mm in
Dimension
1,377 0 f 0,001 0
A 34,975 f 0,025
7,975 f 0,050 0,314 0 f 0,002 0
A’
f 0,0004
B 4,234 f 0,010 OJ667
4,227 f 0,010 0,166 4 f 0,ooo 4
...


















Questions, Comments and Discussion
Ask us and Technical Secretary will try to provide an answer. You can facilitate discussion about the standard in here.
Loading comments...