ISO 3732:1997
(Main)Road vehicules — Electrical connections between towing and towed vehicles with 12 V systems — 7 pole connector type 12 S (supplementary)
Road vehicules — Electrical connections between towing and towed vehicles with 12 V systems — 7 pole connector type 12 S (supplementary)
Véhicules routiers — Connexions électriques entre véhicule tracteur et véhicule tracté équipés d'un circuit électrique de 12 V — Connecteur à 7 contacts de type 12 S (supplémentaire)
General Information
- Status
- Withdrawn
- Publication Date
- 29-Oct-1997
- Withdrawal Date
- 29-Oct-1997
- Technical Committee
- ISO/TC 22 - Road vehicles
- Drafting Committee
- ISO/TC 22 - Road vehicles
- Current Stage
- 9599 - Withdrawal of International Standard
- Start Date
- 13-Nov-2003
- Completion Date
- 14-Feb-2026
Relations
- Effective Date
- 15-Apr-2008
- Effective Date
- 15-Apr-2008
Buy Documents
ISO 3732:1997 - Road vehicules -- Electrical connections between towing and towed vehicles with 12 V systems -- 7 pole connector type 12 S (supplementary)
ISO 3732:1997 - Véhicules routiers -- Connexions électriques entre véhicule tracteur et véhicule tracté équipés d'un circuit électrique de 12 V -- Connecteur a 7 contacts de type 12 S (supplémentaire)
Get Certified
Connect with accredited certification bodies for this standard

TÜV Rheinland
TÜV Rheinland is a leading international provider of technical services.

TÜV SÜD
TÜV SÜD is a trusted partner of choice for safety, security and sustainability solutions.
AIAG (Automotive Industry Action Group)
American automotive industry standards and training.
Sponsored listings
Frequently Asked Questions
ISO 3732:1997 is a standard published by the International Organization for Standardization (ISO). Its full title is "Road vehicules — Electrical connections between towing and towed vehicles with 12 V systems — 7 pole connector type 12 S (supplementary)". This standard covers: Road vehicules — Electrical connections between towing and towed vehicles with 12 V systems — 7 pole connector type 12 S (supplementary)
Road vehicules — Electrical connections between towing and towed vehicles with 12 V systems — 7 pole connector type 12 S (supplementary)
ISO 3732:1997 is classified under the following ICS (International Classification for Standards) categories: 43.040.10 - Electrical and electronic equipment. The ICS classification helps identify the subject area and facilitates finding related standards.
ISO 3732:1997 has the following relationships with other standards: It is inter standard links to ISO 3732:1982, ISO 3732:2003. Understanding these relationships helps ensure you are using the most current and applicable version of the standard.
ISO 3732:1997 is available in PDF format for immediate download after purchase. The document can be added to your cart and obtained through the secure checkout process. Digital delivery ensures instant access to the complete standard document.
Standards Content (Sample)
INTERNATIONAL ISO
STANDARD 3732
Third edition
1997-11-01
Road vehicles — Electrical connections
between towing and towed vehicles with
12 V systems — 7 pole connector type 12 S
(supplementary)
Véhicules routiers — Connexions électriques entre véhicule tracteur
et véhicule tracté équipés d'un circuit électrique de 12 V — Connecteur
à 7 contacts de type 12 S (supplémentaire)
A
Reference number
Foreword
ISO (the International Organization for Standardization) is a worldwide federation of national standards bodies (ISO
member bodies). The work of preparing International Standards is normallyl carried out through ISO technical
committees. Each member body interested in a subject for which a technical committee has been established has
the right to be represented on that committee. International organizations, governmental and non-governmental, in
liaison with ISO, also take part in the work. ISO collaborates closely with the International Electrotechnical
Commission (IEC) on all matters of electrotechnical standardization.
Draft International Standards adopted by the technical committees are circulated to the member bodies for voting.
Publication as an International Standard requires approval by at least 75 % of the member bodies casting a vote.
International Standard ISO 3732 was prepared by Technical Committee ISO/TC 22, , Subcommittee
Road vehicles
SC 3, Electrical and electronic equipment.
This third edition cancels and replaces the second edition (ISO 3732:1982), which has been technically revised and
augmented by the inclusion of specific tests.
Annex A of this International Standard is for information only.
© ISO 1997
All rights reserved. Unless otherwise specified, no part of this publication may be reproduced
or utilized in any form or by any means, electronic or mechanical, including photocopying and
microfilm, without permission in writing from the publisher.
International Organization for Standardization
Case postale 56 • CH-1211 Genève 20 • Switzerland
Internet central@iso.ch
X.400 c=ch; a=400net; p=iso; o=isocs; s=central
Printed in Switzerland
ii
©
INTERNATIONAL STANDARD ISO ISO 3732:1997(E)
Road vehicles — Electrical connections between towing and towed
vehicles with 12 V systems — 7 pole connector type 12 S
(supplementary)
1 Scope
This International Standard specifies dimensional characteristics and specific requirements of the 7 pole connector
type 12 S and its contact allocation for the electrical connection between passenger cars or light commercial
vehicles and their towed vehicles, equipped or 12 V systems to ensure their interchangeability.
This connector is intended to be used in addition to a 12 N connector according to ISO 1724 if more than 7 poles
are required.
NOTE — As an alternative to the use of these two connectors, the 13-pole connector according to ISO 11446 should be
considered.
2 Normative references
The following standards contain provisions which, through reference in this text, constitute provisions of this
International Standard. At the time of publication, the editions indicated were valid. All Standards are subject to
revision, and parties to agreements based on this International Standard are encouraged to investigate the
possibility of applying the most recent editions of the standards indicated below. Members of IEC and ISO maintain
registers of currently valid International Standards.
ISO 1103:1996, Road vehicles — Coupling balls for caravans and light trailers — Dimensions.
ISO 1724:1997, Road vehicles — Electrical connections between towing and towed vehicles with 12 V systems —
7 pole connector type 12 N (normal).
ISO 4091:1992 and Amendment 1:1997, Road vehicles — Connectors for electrical connections between towing
vehicles and trailers — Test methods and performance requirements.
1)
ISO 4141-1:— , Road vehicles — Multi-core connecting cables — Part 1: Test methods and requirements of basic
performance sheathed cables.
1)
ISO 4141-2:— , Road vehicles — Multi-core connecting cables — Part 2: Test methods and requirements of high
performance sheathed cables.
1)
ISO 4141-3:— , Road vehicles — Multi-core connecting cables — Part 3: Construction, dimensions and marking of
unscreened sheathed low-tension cables.
3 Dimensions
Unspecified details are to be selected as appropriate.
Pins in sockets and plugs shall be slotted to allow compression over a minimum length of 8,5 mm when plug and
socket are engaged.
____________
1) To be published. (Revision of ISO 4141:1988)
© ISO
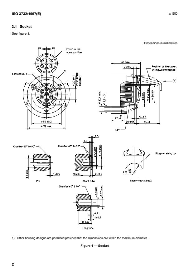
3.1 Socket
See figure 1.
Dimensions in millimetres
1) Other housing designs are permitted provided that the dimensions are within the maximum diameter.
Figure 1 — Socket
© ISO
The socket shall have five tubes (Nos. 1, 3, 4, 6 of equal length, tube No. 7 three millimetres longer) and two spring
pins (Nos. 2 and 5).
The contact numbers shall be permanently marked on the inside of the socket cover and on the terminal face. The
character size shall be not less than 2 mm. Reduced space available may require application of a smaller size on
the terminal face.
3.2 Plug
See figure 2.
Dimensions in millimetres
Figure 2 — Plug
The plug shall have five spring pins (Nos. 1, 3, 4, 6 of equal length, pin No. 7 three millimetres longer) and two tubes
(Nos. 2 and 5).
The contact numbers shall be permanently marked on the terminal face. The character size shall be not less than
2 mm. Reduced space available may require application of a smaller size on the terminal face.
...
NORME ISO
INTERNATIONALE 3732
Troisième édition
1997-11-01
Véhicules routiers — Connexions
électriques entre véhicule tracteur et
véhicule tracté équipés d'un circuit
électrique de 12 V — Connecteur à
7 contacts de type 12 S (supplémentaire)
Road vehicles — Electrical connections between towing and towed
vehicles with 12 V systems — 7 pole connector type 12 S (supplementary)
A
Numéro de référence
Avant-propos
L'ISO (Organisation internationale de normalisation) est une fédération mondiale d'organismes nationaux de
normalisation (comités membres de l'ISO). L'élaboration des Normes internationales est en général confiée aux
comités techniques de l'ISO. Chaque comité membre intéressé par une étude a le droit de faire partie du comité
technique créé à cet effet. Les organisations internationales, gouvernementales et non gouvernementales, en
liaison avec l'ISO participent également aux travaux. L'ISO collabore étroitement avec la Commission
électrotechnique internationale (CEI) en ce qui concerne la normalisation électrotechnique.
Les projets de Normes internationales adoptés par les comités techniques sont soumis aux comités membres pour
vote. Leur publication comme Normes internationales requiert l'approbation de 75 % au moins des comités
membres votants.
La Norme internationale ISO 3732 a été élaborée par le comité technique ISO/TC 22, Véhicules routiers, sous-
comité SC 3, Équipement électrique et électronique.
Cette troisième édition de l’ISO 3732 annule et remplace la deuxième édition (ISO 3732:1982), dont elle constitue
une révision technique par l’inclusion d’essais particuliers.
L’annexe A de la présente Norme internationale est donnée uniquement à titre d’information.
© ISO 1997
Droits de reproduction réservés. Sauf prescription différente, aucune partie de cette publi-
cation ne peut être reproduite ni utilisée sous quelque forme que ce soit et par aucun pro-
cédé, électronique ou mécanique, y compris la photocopie et les microfilms, sans l'accord
écrit de l'éditeur.
Organisation internationale de normalisation
Case postale 56 • CH-1211 Genève 20 • Suisse
Internet central@iso.ch
X.400 c=ch; a=400net; p=iso; o=isocs; s=central
Imprimé en Suisse
ii
NORME INTERNATIONALE © ISO ISO 3732:1997(F)
Véhicules routiers — Connexions électriques entre véhicule
tracteur et véhicule tracté équipés d'un circuit électrique de 12 V —
Connecteur à 7 contacts de type 12 S (supplémentaire)
1 Domaine d'application
La présente Norme internationale prescrit les caractéristiques dimensionnelles et les exigences particulières, ainsi
que l'affectation des contacts du connecteur à 7 contacts de type 12 S pour la liaison électrique entre les voitures
particulières ou les véhicules utilitaires légers équipés d'un système électrique 12 V et les véhicules qu'ils
remorquent, afin d'assurer l'interchangeabilité.
Ce connecteur est destiné à être utilisé en complément du connecteur de type 12 N conforme à l'ISO 1724 lorsque
le nombre de contacts requis est supérieur à sept.
NOTE — Comme alternative à l'utilisation de ces deux connecteurs, il convient d'envisager l'utilisation du connecteur à
13 contacts conforme à l'ISO 11446.
2 Références normatives
Les normes suivantes contiennent des dispositions qui, par suite de la référence qui en est faite, constituent des
dispositions valables pour la présente Norme internationale. Au moment de la publication, les éditions indiquées
étaient en vigueur. Toute norme est sujette à révision et les parties prenantes des accords fondés sur la présente
Norme internationale sont invitées à rechercher la possibilité d'appliquer les éditions les plus récentes des normes
indiquées ci-après. Les membres de l'ISO possèdent le registre des Normes internationales en vigueur à un
moment donné.
ISO 1103:1996, Véhicules routiers — Boules d'attelage pour caravanes et remorques légères — Caractéristiques
dimensionnelles.
ISO 1724:1997, Véhicules routiers — Connexions électriques entre véhicule tracteur et véhicule tracté équipés d'un
circuit électrique de 12 V — Connecteur à 7 contacts de type 12 N (normal).
ISO 4009:1989, Véhicules tracteurs — Montage des dispositifs d'accouplements électriques sur la traverse arrière.
ISO 4091:1992, Véhicules routiers — Connecteurs pour connexions électriques entre véhicules tracteurs et
remorques — Méthodes d'essai et caractéristiques de fonctionnement, et son Amendement 1:1997.
1)
ISO 4141-1:— , Véhicules routiers — Câbles de raccordement multiconducteurs — Partie 1: Méthodes d'essai et
exigences pour les câbles gainés à performances de base.
1)
ISO 4141-2:— , Véhicules routiers — Câbles de raccordement multiconducteurs — Partie 2: Méthodes d'essai et
exigences pour les câbles gainés à hautes performances.
1)
ISO 4141-3:— , Véhicules routiers — Câbles de raccordement multiconducteurs — Partie 3: Construction,
dimensions et marquage des câbles gainés basse tension non blindés.
____________
1) À publier. (Révision de l'ISO 4141:1988)
© ISO
3 Dimensions
Les détails non prescrits doivent être choisis de façon appropriée.
Les broches dans les socles et les fiches doivent être fendues sur une longueur minimale de 8,5 mm, pour
permettre la compression lors du raccordement du socle et de la fiche.
3.1 Socle
Voir la figure 1.
os o
Le socle doit comporter cinq douilles (n 1, 3, 4, 6 d’égale longueur, et n 7, 3 mm plus longue) et deux broches
os
fendues (n 2 et 5).
Les numéros de désignation des contacts doivent être marqués de manière permanente à l'intérieur du couvercle
du socle et sur la face de raccordement des bornes. La taille des caractères ne doit pas être inférieure à 2 mm. Si
l'espace disponible est réduit, il peut être nécessaire d'utiliser une taille plus petite sur la face de raccordement des
bornes.
3.2 Fiche
Voir la figure 2.
os o
La fiche doit comporter cinq broches fendues(n 1, 3, 4, 6 d’égale longueur, et n 7, 3 mm plus longue) et deux
os
douilles (n 2 et 5).
Les numéros de désignation des contacts doivent être marqués de manière permanente sur la face de
raccordement des bornes. La taille des caractères ne doit pas être inférieure à 2 mm. Si l'espace disponible est
réduit, il peut être nécessaire d'utiliser une taille plus petite sur la face de raccordement des bornes.
4 Application du connecteur
4.1 Positions du socle et de la fiche sur les véhicules
Un socle doit être monté à l'arrière du véhicule tracteur, dans une position satisfaisant aux exigences de
c
...








Questions, Comments and Discussion
Ask us and Technical Secretary will try to provide an answer. You can facilitate discussion about the standard in here.
Loading comments...