ISO 8430-3:1988
(Main)Resistance spot welding — Electrode holders — Part 3: Parallel shank fixing for end thrust
Resistance spot welding — Electrode holders — Part 3: Parallel shank fixing for end thrust
Specifies the dimensions and tolerances of resistance spot welding electrode holders (type C) without offset and with a facility for cable clamping, and where a clamp is used to fix the holder directly to the welding cylinder in multiple spot welding equipment. Covers also designation, materials and marking.
Soudage par points par résistance — Porte-électrodes — Partie 3: Emmanchement cylindrique pour poussée en bout
La présente partie de l'ISO 8430 prescrit les dimensions et tolérances des porte-électrodes non excentrés pour soudage par points par résistance prévus pour la fixation de câble et qui présentent une portée cylindrique (type C) permettant, à l'aide d'un collet, de fixer directement le porte-électrode sur le vérin, dans les équipements pour soudage multipoint.
General Information
- Status
- Withdrawn
- Publication Date
- 30-Nov-1988
- Withdrawal Date
- 30-Nov-1988
- Technical Committee
- ISO/TC 44/SC 6 - Resistance welding and allied mechanical joining
- Drafting Committee
- ISO/TC 44/SC 6 - Resistance welding and allied mechanical joining
- Current Stage
- 9599 - Withdrawal of International Standard
- Start Date
- 14-Jan-2016
- Completion Date
- 12-Feb-2026
Relations
- Effective Date
- 04-Nov-2015
ISO 8430-3:1988 - Resistance spot welding -- Electrode holders
ISO 8430-3:1988 - Soudage par points par résistance -- Porte-électrodes
ISO 8430-3:1988 - Soudage par points par résistance -- Porte-électrodes
Get Certified
Connect with accredited certification bodies for this standard
National Aerospace and Defense Contractors Accreditation Program (NADCAP)
Global cooperative program for special process quality in aerospace.
CARES (UK Certification Authority for Reinforcing Steels)
UK certification for reinforcing steels and construction.
DVS-ZERT GmbH
German welding certification society.
Sponsored listings
Frequently Asked Questions
ISO 8430-3:1988 is a standard published by the International Organization for Standardization (ISO). Its full title is "Resistance spot welding — Electrode holders — Part 3: Parallel shank fixing for end thrust". This standard covers: Specifies the dimensions and tolerances of resistance spot welding electrode holders (type C) without offset and with a facility for cable clamping, and where a clamp is used to fix the holder directly to the welding cylinder in multiple spot welding equipment. Covers also designation, materials and marking.
Specifies the dimensions and tolerances of resistance spot welding electrode holders (type C) without offset and with a facility for cable clamping, and where a clamp is used to fix the holder directly to the welding cylinder in multiple spot welding equipment. Covers also designation, materials and marking.
ISO 8430-3:1988 is classified under the following ICS (International Classification for Standards) categories: 25.160.30 - Welding equipment. The ICS classification helps identify the subject area and facilitates finding related standards.
ISO 8430-3:1988 has the following relationships with other standards: It is inter standard links to ISO 8430-3:2016. Understanding these relationships helps ensure you are using the most current and applicable version of the standard.
ISO 8430-3:1988 is available in PDF format for immediate download after purchase. The document can be added to your cart and obtained through the secure checkout process. Digital delivery ensures instant access to the complete standard document.
Standards Content (Sample)
ISO
INTERNATIONAL STANDARD
8430-3
First edition
1988-12-01
INTERNATIONAL ORGANIZATION FOR STANDARDIZATION
ORGANISATION INTERNATIONALE DE NORMALISATION
ME>KflYHAPOaHAfl OPrAHM3A~MR fl0 CTAH~APTM3A~MM
Resistance spot welding - Electrode holders -
Part 3 :
Parallel shank fixing for end thrust
Soudage par Points par resr’stance - Porte-t!lectrodes -
Partie 3: Emmanchement cylindrigue pour pouss&e en bout
Reference number
ISO 8430-3 : 1988 (E)
--
ISO 8430-3 : 1988 (EI
Foreword
ISO (the International Organization for Standardization) is a worldwide federation of
national Standards bodies (ISO member bodies). The work of preparing International
Standards is normally carried out through ISO technical committees. Esch member
body interested in a subject for which a technical committee has been established has
the right to be represented on that committee. International organizations, govern-
mental and non-governmental, in liaison with ISO, also take part in the work. ISO
collaborates closely with the International Electrotechnical Commission (IEC) on all
matters of electrotechnical standardization.
Draft International Standards adopted by the technical committees are circulated to
the member bodies for approval before their acceptance as International Standards by
the ISO Council. They are approved in accordance with ISO procedures requiring at
least 75 % approval by the member bodies voting.
International Standard ISO 8430-3 was prepared by Technical Committee ISO/TC 44,
Welding and allied processes.
ISO 8430 consists of the following Parts, under the general title Resistance spot
welding - Electrode holders :
- Part 1: Taper fixing I : 10
- Part 2: Morse taper fixing
-
Part 3: Parallel shank fixing for end thrust
0 International Organkation for Standardkation, 1988
Printed in Switzerland
INTERNATIONAL STANDARD ISO 8430-3 : 1988 (EI
Resistance spot welding - Electrode holders -
Part 3 :
Parallel shank fixing for end thrust
4 Designation
1 Scope
The designations of electrode holders which comply with this
This part of ISO 8430 specifies the dimensions and tolerantes
part of ISO 8430 shall comprise the following information in the
of resistance spot welding electrode holders (type C) without
Order given :
offset and with a facility for cable clamping, and where a clamp
is used to fix the holder directly to the welding cylinder in multi-
a) the description block (i.e. “Spot welding electrode
ple spot welding equipment.
holder”);
b) a reference to this patt of ISO 8430;
2 Normative references
c) the type of electrode holder (type C);
The following Standards contain provisions which, through
reference in this text, constitute provisions of this part of
d) the diameter, d,, in millimetres;
ISO 8430. At the time of publication, the editions indicated
were valid. All Standards are subject to revision, and Parties to
e) the material of which the electrode holder is made, in
agreements based on this part of ISO 8436 are encouraged to in-
accordance with ISO 5182.
vestigate the possibility of applying the most recent editions of
the Standards listed below. Members of IEC and ISO maintain
Example:
registers of currently valid International Standards.
ISO 1642 : 1987, Plastics - In dustr
...
ISO
NORME INTERNATIONALE 8430-3
Première édition
1988-12-01
INTERNATIONAL ORGANIZATION FOR STANDARDIZATION
ORGANISATION INTERNATIONALE DE NORMALISATION
MEXJJYHAPOflHAFl OPrAHM3A~MR Il0 CTAH~APTM3A~MM
Soudage par points par résistance - Porte-électrodes -
Partie 3 :
Emmanchement cylindrique pour poussée en bout
Resistance spot welding - Electrode holders -
Part 3: Parallel shank fixing for end thrust
/ Numéro de référence
,
IsO8430-3:1988 (FI
Avant-propos
L’ISO (Organisation internationale de normalisation) est une fédération mondiale
d’organismes nationaux de normalisation (comités membres de I’ISO). L’élaboration
des Normes internationales est en général confiée aux comités techniques de I’ISO.
Chaque comité membre intéressé par une étude a le droit de faire partie du comité
technique créé à cet effet. Les organisations internationales, gouvernementales et non
gouvernementales, en liaison avec I’ISO participent également aux travaux. L’ISO col-
labore étroitement avec la Commission électrotechnique internationale (CEI) en ce qui
concerne la normalisation électrotechnique.
Les projets de Normes internationales adoptés par les comités techniques sont soumis
aux comités membres pour approbation, avant leur acceptation comme Normes inter-
nationales par le Conseil de I’ISO. Les Normes internationales sont approuvées confor-
mément aux procédures de I’ISO qui requièrent l’approbation de 75 % au moins des
comités membres votants.
La Norme internationale ISO 8430-3 a été élaborée par le comité technique ISO/TC 44,
Soudage et techniques connexes.
L’ISO 8430 comprend les parties suivantes, présentées sous le titre général Soudage
par points par résistance - Porte-électrodes :
- Partie 1: Cône de fixation 7 : 70
- Partie 2: Cône Morse de fixation
- Partie 3: Emmanchement cylindrique pour poussée en bout
0 Organisation internationale de normalisation, 1988
Imprimé en Suisse
NORME INTERNATIONALE ISO 8430-3 : 1988 (FI
Soudage par points par résistance - Porte-électrodes -
Partie 3 :
Emmanchement cylindrique pour poussée en bout
1 Domaine d’application 3 Dimensions
La présente partie de I’ISO 8430 prescrit les dimensions et tolé-
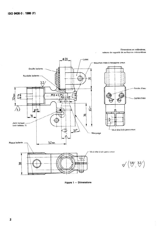
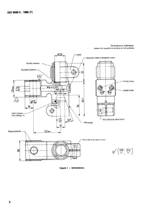
Les dimensions doivent être celles données à la figure 1 et dans
rances des porte-électrodes non excentrés pour soudage par
le tableau 1.
points par résistance prévus pour la fixation de câble et qui pré-
sentent une portée cylindrique (type C) permettant, à l’aide
d’un collet, de fixer directement le porte-électrode sur le vérin,
4 Désignation
dans les équipements pour soudage multipoint.
Les porte-électrodes faisant l’objet de la présente partie de
I’ISO 8430 doivent être désignés en énoncant successivement :
I
2 Références normatives
a) le bloc descripteur (c’est-à-dire porte-électrode pour
Les normes suivantes contiennent des dispositions qui, par
soudage par points);
suite de la référence qui en est faite, constituent des disposi-
tions valables pour la présente partie de I’ISO 8430. Au moment b) la référence de la présente partie de I’ISO 8430;
de la publication de cette partie de I’ISO 8430, les éditions indi-
c) le type C;
quées étaient en vigueur. Toute norme est sujette à révision et
les parties prenantes des accords fondés sur cette partie de
d) le diamètre de référence, en millimètres;
I’ISO 8430 sont invitées à rechercher la possibilité d’appliquer
les éditions les plus récentes des normes i
...
ISO
NORME INTERNATIONALE 8430-3
Première édition
1988-12-01
INTERNATIONAL ORGANIZATION FOR STANDARDIZATION
ORGANISATION INTERNATIONALE DE NORMALISATION
MEXJJYHAPOflHAFl OPrAHM3A~MR Il0 CTAH~APTM3A~MM
Soudage par points par résistance - Porte-électrodes -
Partie 3 :
Emmanchement cylindrique pour poussée en bout
Resistance spot welding - Electrode holders -
Part 3: Parallel shank fixing for end thrust
/ Numéro de référence
,
IsO8430-3:1988 (FI
Avant-propos
L’ISO (Organisation internationale de normalisation) est une fédération mondiale
d’organismes nationaux de normalisation (comités membres de I’ISO). L’élaboration
des Normes internationales est en général confiée aux comités techniques de I’ISO.
Chaque comité membre intéressé par une étude a le droit de faire partie du comité
technique créé à cet effet. Les organisations internationales, gouvernementales et non
gouvernementales, en liaison avec I’ISO participent également aux travaux. L’ISO col-
labore étroitement avec la Commission électrotechnique internationale (CEI) en ce qui
concerne la normalisation électrotechnique.
Les projets de Normes internationales adoptés par les comités techniques sont soumis
aux comités membres pour approbation, avant leur acceptation comme Normes inter-
nationales par le Conseil de I’ISO. Les Normes internationales sont approuvées confor-
mément aux procédures de I’ISO qui requièrent l’approbation de 75 % au moins des
comités membres votants.
La Norme internationale ISO 8430-3 a été élaborée par le comité technique ISO/TC 44,
Soudage et techniques connexes.
L’ISO 8430 comprend les parties suivantes, présentées sous le titre général Soudage
par points par résistance - Porte-électrodes :
- Partie 1: Cône de fixation 7 : 70
- Partie 2: Cône Morse de fixation
- Partie 3: Emmanchement cylindrique pour poussée en bout
0 Organisation internationale de normalisation, 1988
Imprimé en Suisse
NORME INTERNATIONALE ISO 8430-3 : 1988 (FI
Soudage par points par résistance - Porte-électrodes -
Partie 3 :
Emmanchement cylindrique pour poussée en bout
1 Domaine d’application 3 Dimensions
La présente partie de I’ISO 8430 prescrit les dimensions et tolé-
Les dimensions doivent être celles données à la figure 1 et dans
rances des porte-électrodes non excentrés pour soudage par
le tableau 1.
points par résistance prévus pour la fixation de câble et qui pré-
sentent une portée cylindrique (type C) permettant, à l’aide
d’un collet, de fixer directement le porte-électrode sur le vérin,
4 Désignation
dans les équipements pour soudage multipoint.
Les porte-électrodes faisant l’objet de la présente partie de
I’ISO 8430 doivent être désignés en énoncant successivement :
I
2 Références normatives
a) le bloc descripteur (c’est-à-dire porte-électrode pour
Les normes suivantes contiennent des dispositions qui, par
soudage par points);
suite de la référence qui en est faite, constituent des disposi-
tions valables pour la présente partie de I’ISO 8430. Au moment b) la référence de la présente partie de I’ISO 8430;
de la publication de cette partie de I’ISO 8430, les éditions indi-
c) le type C;
quées étaient en vigueur. Toute norme est sujette à révision et
les parties prenantes des accords fondés sur cette partie de
d) le diamètre de référence, en millimètres;
I’ISO 8430 sont invitées à rechercher la possibilité d’appliquer
les éditions les plus récentes des normes i
...












Questions, Comments and Discussion
Ask us and Technical Secretary will try to provide an answer. You can facilitate discussion about the standard in here.
Loading comments...