ISO 3731:1980
(Main)Road vehicles — Electrical connections between towing vehicles and trailers with 24 V electrical equipment — Type 24 S (supplementary)
Road vehicles — Electrical connections between towing vehicles and trailers with 24 V electrical equipment — Type 24 S (supplementary)
Véhicules routiers — Liaisons électriques entre véhicules tracteurs et véhicules remorqués avec équipement électrique 24 V — Type 24 S (supplémentaire)
General Information
- Status
- Withdrawn
- Publication Date
- 30-Jun-1980
- Withdrawal Date
- 30-Jun-1980
- Technical Committee
- ISO/TC 22 - Road vehicles
- Drafting Committee
- ISO/TC 22 - Road vehicles
- Current Stage
- 9599 - Withdrawal of International Standard
- Start Date
- 30-Oct-1997
- Completion Date
- 12-Feb-2026
Relations
- Effective Date
- 15-Apr-2008
ISO 3731:1980 - Road vehicles -- Electrical connections between towing vehicles and trailers with 24 V electrical equipment -- Type 24 S (supplementary)
ISO 3731:1980 - Véhicules routiers -- Liaisons électriques entre véhicules tracteurs et véhicules remorqués avec équipement électrique 24 V -- Type 24 S (supplémentaire)
Get Certified
Connect with accredited certification bodies for this standard

TÜV Rheinland
TÜV Rheinland is a leading international provider of technical services.

TÜV SÜD
TÜV SÜD is a trusted partner of choice for safety, security and sustainability solutions.
AIAG (Automotive Industry Action Group)
American automotive industry standards and training.
Sponsored listings
Frequently Asked Questions
ISO 3731:1980 is a standard published by the International Organization for Standardization (ISO). Its full title is "Road vehicles — Electrical connections between towing vehicles and trailers with 24 V electrical equipment — Type 24 S (supplementary)". This standard covers: Road vehicles — Electrical connections between towing vehicles and trailers with 24 V electrical equipment — Type 24 S (supplementary)
Road vehicles — Electrical connections between towing vehicles and trailers with 24 V electrical equipment — Type 24 S (supplementary)
ISO 3731:1980 is classified under the following ICS (International Classification for Standards) categories: 43.040.10 - Electrical and electronic equipment. The ICS classification helps identify the subject area and facilitates finding related standards.
ISO 3731:1980 has the following relationships with other standards: It is inter standard links to ISO 3731:1997. Understanding these relationships helps ensure you are using the most current and applicable version of the standard.
ISO 3731:1980 is available in PDF format for immediate download after purchase. The document can be added to your cart and obtained through the secure checkout process. Digital delivery ensures instant access to the complete standard document.
Standards Content (Sample)
International Standard @ 3731
r
c
INTERNATIONAL ORGANIZATION FOR STANDARDIZATION*MEXLlYHAPO&lHAR OPrAHMJAWlR no CTAHL\APTM3AUMM.ORGANlSATlON INTERNATIONALE DE NORMALISATION
Road vehicles - Electrical connections between towing
with 24 V electrical equipment -
vehicles and trailers
Type 24 S (supplementary)
Véhicules routiers - L iaisons électriques entre véhicules tracteurs et véhicules remorqués avec équipement électrique 24 V -
Type 24 S (supplémentairel
Second edition - 1980-07-15
e
- UDC 629.11.066 Ref. No. ISO3731-1980 (E)
8 Descriptors : road vehicles, tractors, towed road vehicles, trailers, electric connection, electric connectors, specifications, interchangeability,
v-
dimensions, dimensional tolerances, marking.
E
c3
s Price based on 4 pages
Foreword
IS0 (the International Organization for Standardization) is a worldwide federation of
national standards institutes (IS0 member bodies). The work of developing Inter-
national Standards is carried out through IS0 technical committees. Every member
body interested in a subject for which a technical committee has been set up has the
right to be represented on that committee. International organizations, governmental
and non-governmental, in liaison with ISO, also take part in the work.
Draft International Standards adopted by the technical committees are circulated to
the member bodies for approval before their acceptance as International Standards by
IS0 Council.
the
International Standard IS0 3731 was developed by Technical Committee ISO/TC 22,
Road vehicles, and was circulated to the member bodies in February 1979.
It has been approved by the member bodies of the following countries :
R. New Zealand
Austria Germany, F.
Belgium Italy Poland
Romania
Brazil Japan
Chile Korea, Dem. P. Rep. of South Africa, Rep. of
Czechoslovakia Korea, Rep. of Spain
Sweden
Egypt, Arab Rep. of Mexico
France Netherlands Turkey
The member bodies of the following countries expressed disapproval of the document
on technical grounds :
United Kingdom
USSR
This second edition cancels and replaces the first edition (i.e. IS0 3731-1976).
O International Organization for Standardization, 1980 0
Printed in Switzerland
IS0 3731-1980 (E)
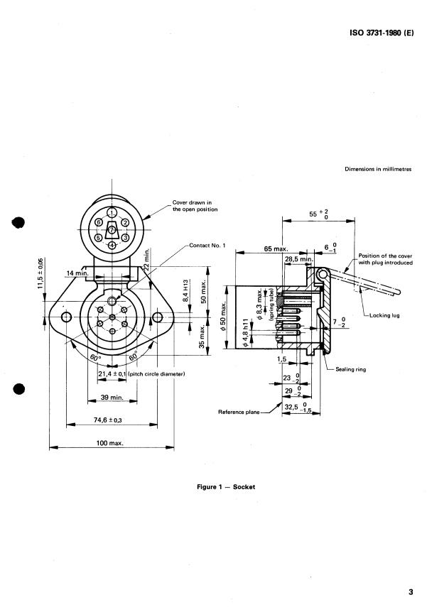
4.5 Allocation of cable colours
4.4 Plug
The cable colours of the seven-core connecting cable are
The plug shall be mounted on the trailer in the case of a road
train and on the towing vehicle in the case of an articulated illocated to the different circuits as follows :
road train. 1
...
Norme internationale @ 3731
~~
INTERNATIONAL ORGANIZATION FOR STANDARDIZATlONOMEX4lYHAPOllHAR OPTAHMJALWR il0 CTAHllAF’TH3AUHH.ORGANlSATlON INTE ANATIONALE DE NORMALISATION
Véhicules routiers - Liaisons électriques entre véhicules
tracteurs et véhicules remorqués avec équipement
électrique 24 V - Type 24 S (supplémentaire)
* Road vehicles - Electrical connections between towing vehicles and trailers with 24 V electrical equipment - Type 24 S
(supplementary j
Deuxième édition - 1980-07-15
- CDU629.11.066 Réf. no : IS0 3731-1980 (FI
Descripteurs : véhicule routier, véhicule routier tracteur, véhicule routier tracté, remorque, connexion électrique, connecteur électrique,
spécification, interchangeabilité, dimension, tolérance de dimension, marquage.
a
b3 Prix basé sur 4 pages
Avant-propos
L’ISO (Organisation internationale de normalisation) est une fédération mondiale
d‘organismes nationaux de normalisation (comités membres de I’ISO). L‘élaboration
des Normes internationales est confiée aux comités techniques de I’ISO. Chaque
comité membre intéressé par une étude a le droit de faire partie du comité technique
et non gouverne-
correspondant. Les organisations internationales, gouvernementales
mentales, en liaison avec I’ISO, participent également aux travaux.
Les projets de Nornies internationales adoptés par les comités techniques sont soumis
aux comités membres pour approbation, avant leur acceptation comme Normes inter-
nationales par le Conseil de I’ISO.
La Norme internationale IS0 3731 a été élaborée par le comité technique ISO/TC 22,
Véhicules routiers, et a été soumise aux comités membres en février 1979.
Les comités membres des pays suivants l’ont approuvée :
Afrique du Sud, Rép. d’ Corée, Rép. de Nouvelle-Zélande
Allemagne, R.F. Égypte, Rép. arabe d’ Pays-Bas
Autriche Espagne Pologne
Be I g i q u e France Roumanie
Brésil Italie Suède
Chili Japon Tchécoslovaquie
Corée, Rép. dém. p. de Mexique Turquie
Les comités membres des pays suivants l‘ont désapprouvée pour des raisons techni-
ques :
Royaume-Uni
URSS
Cette deuxième édition annule et remplace la première édition (IS0 3731-1976).
@ Organisation internationale de normalisation, 1980 O
Imprimé en Suisse
NORME INTERNATIONALE IS0 3731-1980 (FI
Véhicules routiers - Liaisons électriques entre véhicules
tracteurs et véhicules remorqués avec équipement
électrique 24 V - Type 24 S (supplémentaire)
NOTE - Les modifications par rapport à la première édition sont indiquées par un trait vertical dans la marge.
I 6 Alimentation en puissance supplémentaire.
1 Objet
La présente Norme internationale fixe des spécifications sus- I 7 Feu-brouillard arrière.
ceptibles de permettre, au moyen de la prise type 24 S compor-
tant un socle et une fiche, l'interchangeabilité des liaisons élec-
4.2 Disposition des contacts
triques supplémentaires entre véhicules tracteurs et véhicules
e remorqués (voir figure 3).
La disposition des contacts est représentée sur les figures 1
(socle) et 2 (fiche).
Ces socles et ces fiches ne sont pas interchangeables avec les
socles et fiches type 24 N (normal). (Voir IS0 1185.)
Les numéros mentionnés correspondent à ceux qui sont indi-
qués en 4.1.
2 Domaine d'application
4.3 Socle
Ces spécifications s'appliquent à des véhicules munis d'équipe-
ments électriques fonctionnant sous une tension nominale de
Le socle doit être fixé à l'arrière du véhicule tracteur dans le cas
24 V.
d'un train routier. II doit être fixé sur la semi-remorque dans le
cas d'un train routier articulé.2)
3 Références
Le socle comporte :
IS0 1185, Véhicules routiers - Liaisons électriques entre véhi-
-
6 broches de contact (nos 2 à 7);
cules tracteurs et véhicules remorqués avec équipement électri-
que 24 V - Type 24 N (normal).
-
1 douille élastique (no 1) correspondant à la broche no 1
de la fiche.
IS0 4009, Véhicules routiers - Véhicules tracteurs - Mon-
tage des dispositifs d'accouplements électriques sur la tra verse
Le contact no 1 doit être isolé, comme dans les autres contacts.
e arrière.
Après montage, le contact no 1 peut être relié à la masse du
véhicule.
4 Caractéristiques générales
Le diamètre intérieur de la douille no 1 doit être choisi de telle
façon que la broche correspondante de la fiche puisse y être
introduite avec un effort modéré, mais en assurant un bon con-
4.1 Nombre de contacts nécessaires
tact électrique.
Les fonctions des sept contacts sont indiquées
...








Questions, Comments and Discussion
Ask us and Technical Secretary will try to provide an answer. You can facilitate discussion about the standard in here.
Loading comments...