ISO 3540:1976
(Main)Paper or plastic printing ribbons — Characteristics of cores
Paper or plastic printing ribbons — Characteristics of cores
Provides the most important characteristics of cores which are used to carry paper or plastic open spools printing ribbons of a nominal width of 8 mm intended for office machines and printing machines in information processing.
Rubans imprimants en papier ou en plastique — Caractéristiques des noyaux
General Information
- Status
- Published
- Publication Date
- 31-May-1976
- Technical Committee
- ISO/IEC JTC 1 - Information technology
- Drafting Committee
- ISO/IEC JTC 1 - Information technology
- Current Stage
- 9020 - International Standard under periodical review
- Start Date
- 15-Apr-2026
- Completion Date
- 15-Apr-2026
Overview
ISO 3540:1976, published by the International Organization for Standardization (ISO), defines the principal characteristics of cores used to carry paper or plastic open-spool printing ribbons of nominal width 8 mm. Prepared by ISO/TC 95 (Office machines) and first published in 1976, the standard targets printing ribbons for office machines and printing machines used in information processing. It aims to ensure dimensional consistency and mechanical compatibility so ribbons from different suppliers fit common office and data-processing printers.
Key benefits: standard interchangeability, predictable mechanical fit, simplified procurement and maintenance.
Key Topics
- Applicable ribbon width: nominal 8 mm for paper or plastic open-spool printing ribbons.
- Core form factor: specifies inner and outer diameters, height when flat, and tolerances for reproducible fit.
- Optional features: allowance for one or two holes in the spool web and an optional keyway to match drive or mounting features on equipment.
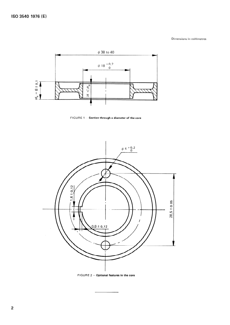
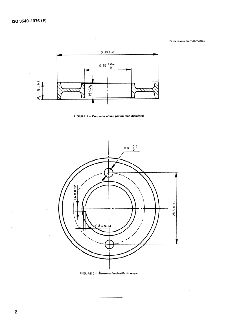
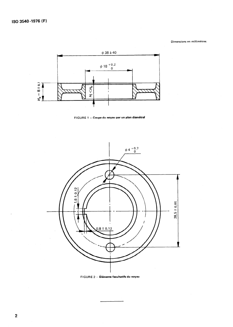
Key dimensional requirements (as given in ISO 3540:1976):
- Inner orifice diameter: 18 mm (with specified tolerance in the standard).
- External diameter: between 38 mm and 40 mm.
- Height of core when flat: 8 mm (with specified tolerance).
- Holes in web: if provided, one or two holes of 4 mm diameter, with centres placed diametrically opposite on a circle of diameter 28.5 mm (with tolerance).
- Keyway (if used): width approximately 1.6 mm and depth approximately 0.8 mm, with the external height matching the flat core height.
(Refer to ISO 3540:1976 figures for exact dimensional tolerances and sectional views.)
Applications
ISO 3540:1976 is relevant to:
- Manufacturers of printing ribbons and cores seeking to supply compatible replacement ribbons for office and data-processing equipment.
- Equipment designers and OEMs who need to specify core interfaces (holes, keyways) for ribbon spools.
- Procurement and maintenance teams that require cross-vendor interchangeability to reduce inventory complexity.
Practical value includes reliable mechanical engagement, reduced risk of misfit or spool slippage, and standardized mounting features for a wide range of office printers.
Related Standards
- Standards on office machine interfaces and ribbon material specifications (consult ISO/TC 95 outputs for related documents).
- Supplier datasheets and equipment manufacturer guides that reference ISO 3540:1976 for core compatibility.
For implementation, review the full ISO 3540:1976 document for precise tolerance figures, figure references for sectional geometry, and official normative text prepared by ISO/TC 95.
Buy Documents
ISO 3540:1976 - Paper or plastic printing ribbons -- Characteristics of cores
ISO 3540:1976 - Paper or plastic printing ribbons — Characteristics of cores/1/1976
ISO 3540:1976 - Rubans imprimants en papier ou en plastique -- Caractéristiques des noyaux
ISO 3540:1976 - Rubans imprimants en papier ou en plastique -- Caractéristiques des noyaux
ISO 3540:1976 - Rubans imprimants en papier ou en plastique — Caractéristiques des noyaux/1/1976
ISO 3540:1976 - Rubans imprimants en papier ou en plastique — Caractéristiques des noyaux/1/1976
Get Certified
Connect with accredited certification bodies for this standard

BSI Group
BSI (British Standards Institution) is the business standards company that helps organizations make excellence a habit.

NYCE
Mexican standards and certification body.
Sponsored listings
Frequently Asked Questions
ISO 3540:1976 is a standard published by the International Organization for Standardization (ISO). Its full title is "Paper or plastic printing ribbons — Characteristics of cores". This standard covers: Provides the most important characteristics of cores which are used to carry paper or plastic open spools printing ribbons of a nominal width of 8 mm intended for office machines and printing machines in information processing.
Provides the most important characteristics of cores which are used to carry paper or plastic open spools printing ribbons of a nominal width of 8 mm intended for office machines and printing machines in information processing.
ISO 3540:1976 is classified under the following ICS (International Classification for Standards) categories: 35.260 - Office machines. The ICS classification helps identify the subject area and facilitates finding related standards.
ISO 3540:1976 is available in PDF format for immediate download after purchase. The document can be added to your cart and obtained through the secure checkout process. Digital delivery ensures instant access to the complete standard document.
Standards Content (Sample)
INTERNATIONAL STANDARD
INTERNATIONAL ORGANIZATION FOR STANDARDIZATION l MEXJJYHAPOAHAII OPrAHM3A4WI I-IO CTAHAAPTM3ALJWi.ORGANISATION INTERNATIONALE DE NORMALISATION
Paper or plastic printing ribbons - Characteristics of cores
Rubans impriman ts en papier ou en plas tique - Carac terls tiques des no yaux
First edition - 1976-06-01
UDC 651.2 : 681.61.064 Ref. No. ISO 3540-1976 (E)
Descriptors : printing ribbons, Paper products, plastic products, data processing Printers, Office machines, cores, dimensions, dimensional
tolerantes.
Price based on 2 pages
FOREWORD
ISO (the International Organization for Standardization) is a worldwide federation
of national Standards institutes (ISO Member Bodies). The work of developing
International Standards is carried out through ISO Technical Committees. Every
Member Body interested in a subject for which a Technical Committee has been set
up has the right to be represented on that Committee. International organizations,
governmental and non-governmental, in liaison with ISO, also take part in the work.
Draft International Standards adopted by the Technical Committees are circulated
to the Member Bodies for approval before their acceptance as International
Standards by the ISO Council.
International Standard ISO 3540 was drawn up by Technical Committee
lSO/TC 95, Office machines, and circulated to the Member Bodies in October 1974.
lt has been approved by the Member Bodies of the following countries :
Austral ia
Italy United Kingdom
Canada
Romania U.S.A.
Czechoslovakia Spain U.S.S. R.
Finland
Sweden Y ugoslavia
France Turkey
The M
...
INTERNATIONAL STANDARD
INTERNATIONAL ORGANIZATION FOR STANDARDIZATION l MEXJJYHAPOAHAII OPrAHM3A4WI I-IO CTAHAAPTM3ALJWi.ORGANISATION INTERNATIONALE DE NORMALISATION
Paper or plastic printing ribbons - Characteristics of cores
Rubans impriman ts en papier ou en plas tique - Carac terls tiques des no yaux
First edition - 1976-06-01
UDC 651.2 : 681.61.064 Ref. No. ISO 3540-1976 (E)
Descriptors : printing ribbons, Paper products, plastic products, data processing Printers, Office machines, cores, dimensions, dimensional
tolerantes.
Price based on 2 pages
FOREWORD
ISO (the International Organization for Standardization) is a worldwide federation
of national Standards institutes (ISO Member Bodies). The work of developing
International Standards is carried out through ISO Technical Committees. Every
Member Body interested in a subject for which a Technical Committee has been set
up has the right to be represented on that Committee. International organizations,
governmental and non-governmental, in liaison with ISO, also take part in the work.
Draft International Standards adopted by the Technical Committees are circulated
to the Member Bodies for approval before their acceptance as International
Standards by the ISO Council.
International Standard ISO 3540 was drawn up by Technical Committee
lSO/TC 95, Office machines, and circulated to the Member Bodies in October 1974.
lt has been approved by the Member Bodies of the following countries :
Austral ia
Italy United Kingdom
Canada
Romania U.S.A.
Czechoslovakia Spain U.S.S. R.
Finland
Sweden Y ugoslavia
France Turkey
The M
...
NORME INTERNATIONALE
INTERNATIONAL ORGANIZATION FOR STANDARDIZATION l MEXaYHAPOflHAII OPI-AHM3ALJMR l-I0 CTAH~APTM3ALViM~ORGANISATION INTERNATIONALE DE NORMALISATION
Rubans imprimants en papier ou en plastique -
Caractéristiques des noyaux
Paper or plastic prin ting ribbons - Characteristics of cores
Première édition - 1976-06-01
CDU 651.2 : 681.61.064 Réf. no : ISO 3540-1976 (F)
Descripteurs : ruban imprimant, produit en papier, produit en matière plastique, imprimante informatique, machine de bureau, noyau,
dimension, tolérance de dimension.
Prix basé sur 2 pages
AVANT-PROPOS
L’ISO (Organisation internationale de Normalisation) est une fédération mondiale
d’organismes nationaux de normalisation (Comités Membres KO). L’élaboration des
Normes Internationales est confiée aux Comités Techniques ISO. Chaque Comité
Membre intéressé par une étude a le droit de faire partie du Comité Technique
correspondant. Les organisations internationales, gouvernementales et non
gouvernementales, en liaison avec I’ISO, participent également aux travaux.
Les Projets de Normes Internationales adoptés par les Comités Techniques sont
soumis aux Comités Membres pour approbation, avant leur acceptation comme
Normes Internationales par le Conseil de I’ISO.
La Norme Internationale ISO 3540 a été établie par le Comité Technique
ISO/TC 95, Machines de bureau, et soumise aux Comités Membres en octobre 1974.
Elle a été approuvée par les Comités Membres des pays suivants :
Australie Italie Tchécoslovaquie
Canada Roumanie U.R.S.S.
Royaume-Uni
Espagne U.S.A.
Finlande Suède . Yougoslavie
France Turquie
Le Comité Membre du pays suivant a désapprouvé le document pour des raisons
techniques :
Allemagne
0 Organisation Internatio
...
NORME INTERNATIONALE
INTERNATIONAL ORGANIZATION FOR STANDARDIZATION l MEXaYHAPOflHAII OPI-AHM3ALJMR l-I0 CTAH~APTM3ALViM~ORGANISATION INTERNATIONALE DE NORMALISATION
Rubans imprimants en papier ou en plastique -
Caractéristiques des noyaux
Paper or plastic prin ting ribbons - Characteristics of cores
Première édition - 1976-06-01
CDU 651.2 : 681.61.064 Réf. no : ISO 3540-1976 (F)
Descripteurs : ruban imprimant, produit en papier, produit en matière plastique, imprimante informatique, machine de bureau, noyau,
dimension, tolérance de dimension.
Prix basé sur 2 pages
AVANT-PROPOS
L’ISO (Organisation internationale de Normalisation) est une fédération mondiale
d’organismes nationaux de normalisation (Comités Membres KO). L’élaboration des
Normes Internationales est confiée aux Comités Techniques ISO. Chaque Comité
Membre intéressé par une étude a le droit de faire partie du Comité Technique
correspondant. Les organisations internationales, gouvernementales et non
gouvernementales, en liaison avec I’ISO, participent également aux travaux.
Les Projets de Normes Internationales adoptés par les Comités Techniques sont
soumis aux Comités Membres pour approbation, avant leur acceptation comme
Normes Internationales par le Conseil de I’ISO.
La Norme Internationale ISO 3540 a été établie par le Comité Technique
ISO/TC 95, Machines de bureau, et soumise aux Comités Membres en octobre 1974.
Elle a été approuvée par les Comités Membres des pays suivants :
Australie Italie Tchécoslovaquie
Canada Roumanie U.R.S.S.
Royaume-Uni
Espagne U.S.A.
Finlande Suède . Yougoslavie
France Turquie
Le Comité Membre du pays suivant a désapprouvé le document pour des raisons
techniques :
Allemagne
0 Organisation Internatio
...
NORME INTERNATIONALE
INTERNATIONAL ORGANIZATION FOR STANDARDIZATION l MEXaYHAPOflHAII OPI-AHM3ALJMR l-I0 CTAH~APTM3ALViM~ORGANISATION INTERNATIONALE DE NORMALISATION
Rubans imprimants en papier ou en plastique -
Caractéristiques des noyaux
Paper or plastic prin ting ribbons - Characteristics of cores
Première édition - 1976-06-01
CDU 651.2 : 681.61.064 Réf. no : ISO 3540-1976 (F)
Descripteurs : ruban imprimant, produit en papier, produit en matière plastique, imprimante informatique, machine de bureau, noyau,
dimension, tolérance de dimension.
Prix basé sur 2 pages
AVANT-PROPOS
L’ISO (Organisation internationale de Normalisation) est une fédération mondiale
d’organismes nationaux de normalisation (Comités Membres KO). L’élaboration des
Normes Internationales est confiée aux Comités Techniques ISO. Chaque Comité
Membre intéressé par une étude a le droit de faire partie du Comité Technique
correspondant. Les organisations internationales, gouvernementales et non
gouvernementales, en liaison avec I’ISO, participent également aux travaux.
Les Projets de Normes Internationales adoptés par les Comités Techniques sont
soumis aux Comités Membres pour approbation, avant leur acceptation comme
Normes Internationales par le Conseil de I’ISO.
La Norme Internationale ISO 3540 a été établie par le Comité Technique
ISO/TC 95, Machines de bureau, et soumise aux Comités Membres en octobre 1974.
Elle a été approuvée par les Comités Membres des pays suivants :
Australie Italie Tchécoslovaquie
Canada Roumanie U.R.S.S.
Royaume-Uni
Espagne U.S.A.
Finlande Suède . Yougoslavie
France Turquie
Le Comité Membre du pays suivant a désapprouvé le document pour des raisons
techniques :
Allemagne
0 Organisation Internatio
...
NORME INTERNATIONALE
INTERNATIONAL ORGANIZATION FOR STANDARDIZATION l MEXaYHAPOflHAII OPI-AHM3ALJMR l-I0 CTAH~APTM3ALViM~ORGANISATION INTERNATIONALE DE NORMALISATION
Rubans imprimants en papier ou en plastique -
Caractéristiques des noyaux
Paper or plastic prin ting ribbons - Characteristics of cores
Première édition - 1976-06-01
CDU 651.2 : 681.61.064 Réf. no : ISO 3540-1976 (F)
Descripteurs : ruban imprimant, produit en papier, produit en matière plastique, imprimante informatique, machine de bureau, noyau,
dimension, tolérance de dimension.
Prix basé sur 2 pages
AVANT-PROPOS
L’ISO (Organisation internationale de Normalisation) est une fédération mondiale
d’organismes nationaux de normalisation (Comités Membres KO). L’élaboration des
Normes Internationales est confiée aux Comités Techniques ISO. Chaque Comité
Membre intéressé par une étude a le droit de faire partie du Comité Technique
correspondant. Les organisations internationales, gouvernementales et non
gouvernementales, en liaison avec I’ISO, participent également aux travaux.
Les Projets de Normes Internationales adoptés par les Comités Techniques sont
soumis aux Comités Membres pour approbation, avant leur acceptation comme
Normes Internationales par le Conseil de I’ISO.
La Norme Internationale ISO 3540 a été établie par le Comité Technique
ISO/TC 95, Machines de bureau, et soumise aux Comités Membres en octobre 1974.
Elle a été approuvée par les Comités Membres des pays suivants :
Australie Italie Tchécoslovaquie
Canada Roumanie U.R.S.S.
Royaume-Uni
Espagne U.S.A.
Finlande Suède . Yougoslavie
France Turquie
Le Comité Membre du pays suivant a désapprouvé le document pour des raisons
techniques :
Allemagne
0 Organisation Internatio
...
























Questions, Comments and Discussion
Ask us and Technical Secretary will try to provide an answer. You can facilitate discussion about the standard in here.
Loading comments...