ISO 5675:1992
(Main)Agricultural tractors and machinery — General purpose quick-action hydraulic couplers
Agricultural tractors and machinery — General purpose quick-action hydraulic couplers
Specifies the essential interface dimensions and the operating requirements for hydraulic front-mounted and rear-mounted couplers. Does not apply to couplers used for braking circuits.
Tracteurs et matériels agricoles — Coupleurs hydrauliques à usage général
La présente Norme internationale fixe les dimensions principales des parties en contact et les exigences de fonctionnement des coupleurs hydrauliques utilisés pour transmettre la puissance hydraulique des tracteurs agricoles aux machines agricoles. Elle est applicable aux coupleurs utilisés sur les canalisations hydrauliques, qui sont connectés et déconnectés fréquemment pour permettre le transfert des machines d'un tracteur à un autre, à l'exception de ceux utilisés pour les circuits de freinage qui sont couverts par l'ISO 5676[1].
Kmetijski traktorji in stroji - Hitro razstavljiva hidravlična spojka za splošni namen
General Information
- Status
- Withdrawn
- Publication Date
- 11-Mar-1992
- Withdrawal Date
- 11-Mar-1992
- Technical Committee
- ISO/TC 23/SC 4 - Tractors
- Drafting Committee
- ISO/TC 23/SC 4 - Tractors
- Current Stage
- 9599 - Withdrawal of International Standard
- Start Date
- 11-Aug-2008
- Completion Date
- 12-Feb-2026
Relations
- Effective Date
- 15-Apr-2008
- Effective Date
- 15-Apr-2008
ISO 5675:1992 - Agricultural tractors and machinery -- General purpose quick-action hydraulic couplers
ISO 5675:1992 - Tracteurs et matériels agricoles -- Coupleurs hydrauliques a usage général
ISO 5675:1992 - Tracteurs et matériels agricoles -- Coupleurs hydrauliques a usage général
Get Certified
Connect with accredited certification bodies for this standard

Control Union Certifications
Global certification for agriculture and sustainability.

ECOCERT
Organic and sustainability certification.

Rainforest Alliance Certification
Sustainable agriculture and forestry certification.
Sponsored listings
Frequently Asked Questions
ISO 5675:1992 is a standard published by the International Organization for Standardization (ISO). Its full title is "Agricultural tractors and machinery — General purpose quick-action hydraulic couplers". This standard covers: Specifies the essential interface dimensions and the operating requirements for hydraulic front-mounted and rear-mounted couplers. Does not apply to couplers used for braking circuits.
Specifies the essential interface dimensions and the operating requirements for hydraulic front-mounted and rear-mounted couplers. Does not apply to couplers used for braking circuits.
ISO 5675:1992 is classified under the following ICS (International Classification for Standards) categories: 65.060.01 - Agricultural machines and equipment in general. The ICS classification helps identify the subject area and facilitates finding related standards.
ISO 5675:1992 has the following relationships with other standards: It is inter standard links to ISO 5675:1981, ISO 5675:2008. Understanding these relationships helps ensure you are using the most current and applicable version of the standard.
ISO 5675:1992 is available in PDF format for immediate download after purchase. The document can be added to your cart and obtained through the secure checkout process. Digital delivery ensures instant access to the complete standard document.
Standards Content (Sample)
SLOVENSKI STANDARD
01-april-1995
.PHWLMVNLWUDNWRUMLLQVWURML+LWURUD]VWDYOMLYDKLGUDYOLþQDVSRMND]DVSORãQLQDPHQ
Agricultural tractors and machinery -- General purpose quick-action hydraulic couplers
Tracteurs et matériels agricoles -- Coupleurs hydrauliques à usage général
Ta slovenski standard je istoveten z: ISO 5675:1992
ICS:
65.060.01 Kmetijski stroji in oprema na Agricultural machines and
splošno equipment in general
2003-01.Slovenski inštitut za standardizacijo. Razmnoževanje celote ali delov tega standarda ni dovoljeno.
IS0
INTERNATIONAL
STANDARD 5675
Second edition
1992-03-O 1
Agricultural tractors and machinery - General
purpose quick-action hydraulic couplers
Tracteurs et matbiels agricoles -
Coupleurs hydrauliques 3 usage
g&&al
Reference number
IS0 5675: 1992(E)
I IS0 5675:1992(E)
Foreword
IS0 (the International Organization for Standardization) is a worldwide
federation of national standards bodies (IS0 member bodies). The work
of preparing International Standards is normally carried out through IS0
technical committees. Each member body interested in a subject for
which a technical committee has been established has the right to be
represented on that committee. International organizations, govern-
mental and non-governmental, in liaison with ISO, also take part in the
work. IS0 collaborates closely with the International Electrotechnical
Commission (IEC) on all matters of electrotechnical standardization.
Draft International Standards adopted by the technical committees are
circulated to the member bodies for voting. Publication as an Inter-
national Standard requires approval by at least 75 % of the member
bodies casting a vote.
International Standard IS0 5675 was prepared by Technical Committee
ISO/TC 23, Tractors and machinery for agriculture and forestry, Sub-
Committee SC 4, Tractors.
This second edition cancels and replaces the first edition (IS0
5675:1981). A second coupler size has been adopted and some require-
ments adapted to IS0 724%1:1987.
Annex A of this International Standard is for information only.
0 IS0 1992
All rights reserved. No part of this publication may be reproduced or utilized in any form
or by any means, electronic or mechanical, including photocopying and microfilm, without
permission in writing from the publisher.
International Organization for Standardization
Case Postale 56 l CH-1211 Gen&e 20 l Switzerland
Printed in Switzerland
ii
IS0 5675:1992(E)
INTERNATIONAL STANDARD
_-
Agricultur-al tractors and machinery - General purpose
quick-action hydraulic couplers
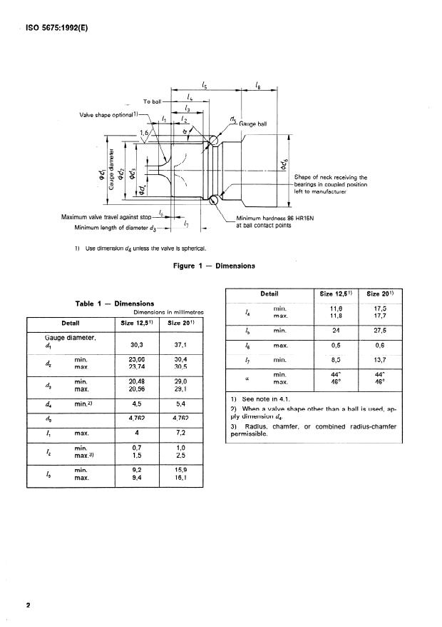
4 Requirements
1 Scope
This International Standard specifies the essential
4.1 Dimensional requirements
interface dimensions and the operating require-
ments for hydraulic couplers employed to transmit
The coupler shall comply with the dimensions
hydraulic power from agricultural tractors to agri-
shown in figure 1 and given in table I. Any female
cultural machinery. It applies to couplers used in
part shall couple with any male part where both
hydraulic lines other than those used for braking
conform to this International Standard. In figure 1,
circuits (which are covered by IS0 5676[11). These
diameter &, over the length I*, shall pass through a
couplers need to be connected and disconnected
31 mm diameter ring for size l2,5 and a 38 mm di-
frequently to allow the transfer of machinery from
ameter ring for size 20 to be compatible with dust
one tractor to another.
protection devices.
NOTE 1 The size designation corresponds to the nom-
2 Normative reference
inal inside diameter of the hose recommended for use
with the coupling, specified in IS0 4397W
The following standard contains provisions which,
through reference in this text, constitute provisions
Similar couplers are described in IS0 7241-It?];
of this International Standard. At the time of publi-
however, couplers conforming to IS0 7241 do not
cation, the edition indicated was valid. All standards
conform to IS0 5675.
are subject to revision, and parties to agreements
based on this International Standard are encour-
ag
...
IS0
INTERNATIONAL
STANDARD 5675
Second edition
1992-03-O 1
Agricultural tractors and machinery - General
purpose quick-action hydraulic couplers
Tracteurs et matbiels agricoles -
Coupleurs hydrauliques 3 usage
g&&al
Reference number
IS0 5675: 1992(E)
I IS0 5675:1992(E)
Foreword
IS0 (the International Organization for Standardization) is a worldwide
federation of national standards bodies (IS0 member bodies). The work
of preparing International Standards is normally carried out through IS0
technical committees. Each member body interested in a subject for
which a technical committee has been established has the right to be
represented on that committee. International organizations, govern-
mental and non-governmental, in liaison with ISO, also take part in the
work. IS0 collaborates closely with the International Electrotechnical
Commission (IEC) on all matters of electrotechnical standardization.
Draft International Standards adopted by the technical committees are
circulated to the member bodies for voting. Publication as an Inter-
national Standard requires approval by at least 75 % of the member
bodies casting a vote.
International Standard IS0 5675 was prepared by Technical Committee
ISO/TC 23, Tractors and machinery for agriculture and forestry, Sub-
Committee SC 4, Tractors.
This second edition cancels and replaces the first edition (IS0
5675:1981). A second coupler size has been adopted and some require-
ments adapted to IS0 724%1:1987.
Annex A of this International Standard is for information only.
0 IS0 1992
All rights reserved. No part of this publication may be reproduced or utilized in any form
or by any means, electronic or mechanical, including photocopying and microfilm, without
permission in writing from the publisher.
International Organization for Standardization
Case Postale 56 l CH-1211 Gen&e 20 l Switzerland
Printed in Switzerland
ii
IS0 5675:1992(E)
INTERNATIONAL STANDARD
_-
Agricultur-al tractors and machinery - General purpose
quick-action hydraulic couplers
4 Requirements
1 Scope
This International Standard specifies the essential
4.1 Dimensional requirements
interface dimensions and the operating require-
ments for hydraulic couplers employed to transmit
The coupler shall comply with the dimensions
hydraulic power from agricultural tractors to agri-
shown in figure 1 and given in table I. Any female
cultural machinery. It applies to couplers used in
part shall couple with any male part where both
hydraulic lines other than those used for braking
conform to this International Standard. In figure 1,
circuits (which are covered by IS0 5676[11). These
diameter &, over the length I*, shall pass through a
couplers need to be connected and disconnected
31 mm diameter ring for size l2,5 and a 38 mm di-
frequently to allow the transfer of machinery from
ameter ring for size 20 to be compatible with dust
one tractor to another.
protection devices.
NOTE 1 The size designation corresponds to the nom-
2 Normative reference
inal inside diameter of the hose recommended for use
with the coupling, specified in IS0 4397W
The following standard contains provisions which,
through reference in this text, constitute provisions
Similar couplers are described in IS0 7241-It?];
of this International Standard. At the time of publi-
however, couplers conforming to IS0 7241 do not
cation, the edition indicated was valid. All standards
conform to IS0 5675.
are subject to revision, and parties to agreements
based on this International Standard are encour-
aged to investigate the possibility of applying the
4.2 Operating requirements
most recent edition of the standard indicated below.
Members of IEC and IS0 maintain registers of cur-
4.2.1 The pressure drop through the coupler shall
rently valid International Standards.
be greater than 0,35 MPa (3,5 bar) with a flow of
not
45 Vmin for size 12,5 and of 70 Vmin for size 20. The
IS0 7241-2:1986, Hydraulic fluid power - Quick-
pressure drop shall be measured in accordance with
action couplings - Part 2: Test methods.
IS0 7241-2.
This International
...
NORME
INTERNATIONALE
Deuxième édition
1992-03-O 1
Tracteurs et matériels agricoles - Coupleurs
hydrauliques à usage général
Agricultural tractors and machinery - General pur-pose quick-action
hydraulic couplers
Numéro de référence
ISO 5675: 1992(F)
Avant-propos
L’ISO (Organisation internationale de normalisation) est une fédération
mondiale d’organismes nationaux de normalisation (comités membres
de I’ISO). L’élaboration des Normes internationales est en général
confiée aux comités techniques de I’ISO. Chaque comité membre inté-
ressé par une étude a le droit de faire partie du comité technique créé
à cet effet. Les organisations internationales, gouvernementales et non
gouvernementales, en liaison avec I’ISO participent également aux tra-
vaux. L’ISO collabore étroitement avec la Commission électrotechnique
internationale (CEI) en ce qui concerne la normalisation électrotech-
nique.
Les projets de Normes internationales adoptés par les comités techni-
ques sont soumis aux comités membres pour vote. Leur publication
comme Normes internationales requiert l’approbation de 75 % au moins
des comités membres votants.
La Norme internationale ISO 5675 a été élaborée par le comité techni-
que ISO/TC 23, Tracteurs et matériels agricoles et forestiers, sous-
comité SC 4, Tracteurs.
Cette deuxième édition annule et remplace la première édition (ISO
56753981). Une deuxième dimension de coupleurs a été adoptée et
quelques prescriptions ont été adaptées à I’ISO 7241-1:1987.
L’annexe A de la présente Norme internationale est donnée uniquement
à titre d’information.
8 ISO 1992
Droits de reproduction réserves. Aucune partie de cette publication ne peut être repro-
duite ni utilisée sous quelque forme que ce soit et par aucun procédé, électronique ou
mécanique, y compris la photocopie et les microfilms, sans l’accord écrit de l’éditeur.
Organisation internationale de normalisation
56 l CH-121 1 Genéve 20 l Suisse
Case Postale
imprimé en Suisse
ii
NORME INTERNATIONALE ISO 5675:1992(F)
Tracteurs et matériels agricoles - Coupleurs hydrauliques à
usage général
1 Domaine d’application 4 Prescriptions
La présente Norme internationale fixe les dimen-
sions principales des parties en contact et les exi-
4.1 Exigences dimensionnelles
gences de fonctionnement des coupleurs
hydrauliques utilisés pour transmettre la puissance
Les dimensions du coupleur doivent correspondre
hydraulique des tracteurs agricoles aux machines
à celles représentées à la figure 1 et données dans
agricoles. Elle est applicable aux coupleurs utilisés
le tableau 1. Si chacune des deux parties est
sur les canalisations hydrauliques, qui sont connec-
conforme à la présente Norme internationale, n’im-
tés et déconnectés fréquemment pour permettre le
porte quelle partie femelle doit s’accoupler à n’im-
transfert des machines d’un tracteur à un autre, à
porte quelle partie mâle. Le diamètre d, de la
l’exception de ceux utilisés pour les circuits de frei-
figure 1 doit passer, sur toute la longueur &, à tra-
nage qui sont couverts par I’ISO 5676[11.
vers un anneau de 31 mm de diamètre pour la di-
mension 12,5 et un anneau de 38 mm de diamètre
pour la dimension 20 de facon à être compatible
2 Référence normative
avec les dispositifs de prote’ction contre les pous-
sières.
La norme suivante contient des dispositions qui, par
suite de la référence qui en est faite, constituent des
NOTE 1 La désignation de la dimension correspond au
dispositions valables pour la présente Norme inter-
diamètre nominal intérieur du tuyau prescrit dans
nationale. Au moment de la publication, l’édition in-
I’ISO 4397[*1 et recommandé pour être utilisé avec I’ac-
diquée était en vigueur. Toute norme est sujette à
couplement.
révision et les parties prenantes des accords fondés
sur la présente Norme internationale sont invitées
Des coupleurs identiques sont décrits dans
à rechercher la possibilité d’appliquer l’édition la
I’ISO 7241-1 FI; néanmoins les coupleurs conformes
plus récente de la norme indiquée ci-après. Les
à I’ISO 7241 ne sont pas conformes à la présente
membres de la CEI et de I’ISO possèdent le registre
Norme internationale.
des Normes internationales en vigueur à un moment
donné.
ISO 7241-2: 1986, Transmissions hydrauliques - Rac-
4.2 Exigences de fonctionnement
cords rapides - Partie 2: Méthodes d’essai.
4.2.1 La perte de charge à travers le coupleur ne
3 Définitions
doit pas dépasser 0,35 MPa (3,5 bar) pour un débit
de 45 Vmin pour la dimension 12,5 et de 70 Vmin
Pour les besoins de la présente Norme internatio-
pour la dimension 20. La pe
...
NORME
INTERNATIONALE
Deuxième édition
1992-03-O 1
Tracteurs et matériels agricoles - Coupleurs
hydrauliques à usage général
Agricultural tractors and machinery - General pur-pose quick-action
hydraulic couplers
Numéro de référence
ISO 5675: 1992(F)
Avant-propos
L’ISO (Organisation internationale de normalisation) est une fédération
mondiale d’organismes nationaux de normalisation (comités membres
de I’ISO). L’élaboration des Normes internationales est en général
confiée aux comités techniques de I’ISO. Chaque comité membre inté-
ressé par une étude a le droit de faire partie du comité technique créé
à cet effet. Les organisations internationales, gouvernementales et non
gouvernementales, en liaison avec I’ISO participent également aux tra-
vaux. L’ISO collabore étroitement avec la Commission électrotechnique
internationale (CEI) en ce qui concerne la normalisation électrotech-
nique.
Les projets de Normes internationales adoptés par les comités techni-
ques sont soumis aux comités membres pour vote. Leur publication
comme Normes internationales requiert l’approbation de 75 % au moins
des comités membres votants.
La Norme internationale ISO 5675 a été élaborée par le comité techni-
que ISO/TC 23, Tracteurs et matériels agricoles et forestiers, sous-
comité SC 4, Tracteurs.
Cette deuxième édition annule et remplace la première édition (ISO
56753981). Une deuxième dimension de coupleurs a été adoptée et
quelques prescriptions ont été adaptées à I’ISO 7241-1:1987.
L’annexe A de la présente Norme internationale est donnée uniquement
à titre d’information.
8 ISO 1992
Droits de reproduction réserves. Aucune partie de cette publication ne peut être repro-
duite ni utilisée sous quelque forme que ce soit et par aucun procédé, électronique ou
mécanique, y compris la photocopie et les microfilms, sans l’accord écrit de l’éditeur.
Organisation internationale de normalisation
56 l CH-121 1 Genéve 20 l Suisse
Case Postale
imprimé en Suisse
ii
NORME INTERNATIONALE ISO 5675:1992(F)
Tracteurs et matériels agricoles - Coupleurs hydrauliques à
usage général
1 Domaine d’application 4 Prescriptions
La présente Norme internationale fixe les dimen-
sions principales des parties en contact et les exi-
4.1 Exigences dimensionnelles
gences de fonctionnement des coupleurs
hydrauliques utilisés pour transmettre la puissance
Les dimensions du coupleur doivent correspondre
hydraulique des tracteurs agricoles aux machines
à celles représentées à la figure 1 et données dans
agricoles. Elle est applicable aux coupleurs utilisés
le tableau 1. Si chacune des deux parties est
sur les canalisations hydrauliques, qui sont connec-
conforme à la présente Norme internationale, n’im-
tés et déconnectés fréquemment pour permettre le
porte quelle partie femelle doit s’accoupler à n’im-
transfert des machines d’un tracteur à un autre, à
porte quelle partie mâle. Le diamètre d, de la
l’exception de ceux utilisés pour les circuits de frei-
figure 1 doit passer, sur toute la longueur &, à tra-
nage qui sont couverts par I’ISO 5676[11.
vers un anneau de 31 mm de diamètre pour la di-
mension 12,5 et un anneau de 38 mm de diamètre
pour la dimension 20 de facon à être compatible
2 Référence normative
avec les dispositifs de prote’ction contre les pous-
sières.
La norme suivante contient des dispositions qui, par
suite de la référence qui en est faite, constituent des
NOTE 1 La désignation de la dimension correspond au
dispositions valables pour la présente Norme inter-
diamètre nominal intérieur du tuyau prescrit dans
nationale. Au moment de la publication, l’édition in-
I’ISO 4397[*1 et recommandé pour être utilisé avec I’ac-
diquée était en vigueur. Toute norme est sujette à
couplement.
révision et les parties prenantes des accords fondés
sur la présente Norme internationale sont invitées
Des coupleurs identiques sont décrits dans
à rechercher la possibilité d’appliquer l’édition la
I’ISO 7241-1 FI; néanmoins les coupleurs conformes
plus récente de la norme indiquée ci-après. Les
à I’ISO 7241 ne sont pas conformes à la présente
membres de la CEI et de I’ISO possèdent le registre
Norme internationale.
des Normes internationales en vigueur à un moment
donné.
ISO 7241-2: 1986, Transmissions hydrauliques - Rac-
4.2 Exigences de fonctionnement
cords rapides - Partie 2: Méthodes d’essai.
4.2.1 La perte de charge à travers le coupleur ne
3 Définitions
doit pas dépasser 0,35 MPa (3,5 bar) pour un débit
de 45 Vmin pour la dimension 12,5 et de 70 Vmin
Pour les besoins de la présente Norme internatio-
pour la dimension 20. La pe
...
















Questions, Comments and Discussion
Ask us and Technical Secretary will try to provide an answer. You can facilitate discussion about the standard in here.
Loading comments...