ISO 5183-2:1988
(Main)Resistance spot welding — Electrode adaptors, male taper 1:10 — Part 2: Parallel shank fixing for end-thrust electrodes
Resistance spot welding — Electrode adaptors, male taper 1:10 — Part 2: Parallel shank fixing for end-thrust electrodes
Soudage par points par résistance — Allonges d'électrode à embout amovible (cône mâle 1:10) — Partie 2: Emmanchement cylindrique pour poussée en bout
General Information
- Status
- Withdrawn
- Publication Date
- 23-Nov-1988
- Withdrawal Date
- 23-Nov-1988
- Technical Committee
- ISO/TC 44/SC 6 - Resistance welding and allied mechanical joining
- Drafting Committee
- ISO/TC 44/SC 6 - Resistance welding and allied mechanical joining
- Current Stage
- 9599 - Withdrawal of International Standard
- Start Date
- 21-Dec-2000
- Completion Date
- 12-Feb-2026
Relations
- Effective Date
- 15-Apr-2008
- Effective Date
- 15-Apr-2008
ISO 5183-2:1988 - Resistance spot welding -- Electrode adaptors, male taper 1:10
ISO 5183-2:1988 - Soudage par points par résistance -- Allonges d'électrode a embout amovible (cône mâle 1:10)
ISO 5183-2:1988 - Soudage par points par résistance -- Allonges d'électrode a embout amovible (cône mâle 1:10)
Get Certified
Connect with accredited certification bodies for this standard
National Aerospace and Defense Contractors Accreditation Program (NADCAP)
Global cooperative program for special process quality in aerospace.
CARES (UK Certification Authority for Reinforcing Steels)
UK certification for reinforcing steels and construction.
DVS-ZERT GmbH
German welding certification society.
Sponsored listings
Frequently Asked Questions
ISO 5183-2:1988 is a standard published by the International Organization for Standardization (ISO). Its full title is "Resistance spot welding — Electrode adaptors, male taper 1:10 — Part 2: Parallel shank fixing for end-thrust electrodes". This standard covers: Resistance spot welding — Electrode adaptors, male taper 1:10 — Part 2: Parallel shank fixing for end-thrust electrodes
Resistance spot welding — Electrode adaptors, male taper 1:10 — Part 2: Parallel shank fixing for end-thrust electrodes
ISO 5183-2:1988 is classified under the following ICS (International Classification for Standards) categories: 25.160.30 - Welding equipment. The ICS classification helps identify the subject area and facilitates finding related standards.
ISO 5183-2:1988 has the following relationships with other standards: It is inter standard links to ISO 5183-2:2000, ISO 5183:1979. Understanding these relationships helps ensure you are using the most current and applicable version of the standard.
ISO 5183-2:1988 is available in PDF format for immediate download after purchase. The document can be added to your cart and obtained through the secure checkout process. Digital delivery ensures instant access to the complete standard document.
Standards Content (Sample)
ISO
INTERNATIONAL STANDARD
5183-2
First edi tion
1988-12-01
INTERNATIONAL ORGANIZATION FOR STANDARDIZATION
ORGANISATION INTERNATIONALE DE NORMALISATION
MEXflYHAPOAHAFl OPTAHM3AQMfl n0 CTAH~APTM3AL/MM
Resistance spot welding - Electrode adaptors, male
taper 1 : 10 -
Part 2 :
Parallel shank fixing for end-thrust electrodes
Soudage par Points par rhistance - Aflonges d%lectrode & embout amovibfe
fc0ne male I : IQ) -
Partie 2: Emmanchemen t cylindrique pour poussee en bout
Reference number
ISO 5183-2: 1988 (E)
ISO 5183-2 : 1988 (El
Foreword
ISO (the International Organization for Standardization) is a worldwide federation of
national Standards bodies (ISO member bodies). The work of preparing International
Standards is normally carried out through ISO technical committees. Esch member
body interested in a subject for which a technical committee has been established has
the right to be represented on that committee. International organizations, govern-
mental and non-governmental, in liaison with ISO, also take part in the work. ISO
collaborates closely with the International Electrotechnical Commission (IEC) on all
matters of electrotechnical standardization.
Draft International Standards adopted by the technical committees are circulated to
the member bodies for approval before their acceptance as International Standards by
the ISO Council. They are approved in accordance with ISO procedures requiring at
least 75 % approval by the member bodies voting.
International Standard ISO 5183-2 was prepared by Technical Committee ISO/TC 44,
Welding and allied processes.
Together with ISO 5183-1, ISO 5183-2 cancels and replaces ISO 5183 : 1979, of which
it constitutes a technical revision.
the general title Resistance
ISO 5183 consists of the following Parts, under spot
welding - Elec trode adap tors, male taper I : 70
- Part 7: Conical fixing, taper 7 : 70
-
Part 2: Parallel shank fixing for end- thrust electrodes
0 International Organkation for Standardization, 1988
Printed in Switzerland
ISO 5183-2 : 1988 (EI
INTERNATIONAL STANDARD
Resistance spot welding - Electrode adaptors, male
taper 1 3 10 -
Part 2 :
Parallel shank fixing for end-thrust electrodes
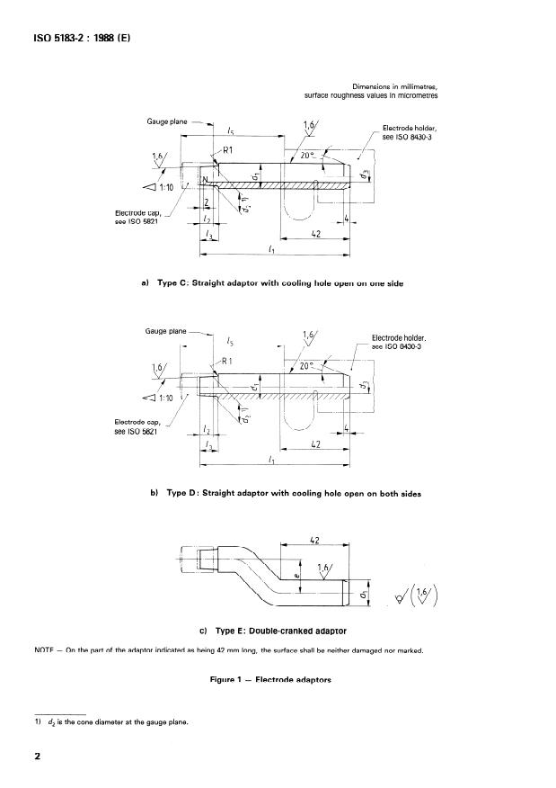
1 Scope 4 Designation
This part of ISO 5183 specifies the dimensions and tolerantes The designations of electrode adaptors which comply with this
of resistance spot welding electrode adaptors where the fixing part of ISO 5183 shall comprise the following information in the
Order given :
element for the cap (see ISO 5821) is a male taper and a parallel
shaft is used to fix the adaptor to the electrode holder. The
a) the description block (i.e. “Spot welding electrode
taper fits for fixing the electrode cap conform to ISO 1089.
adaptor”);
b) a reference to this part of ISO 5183;
2 Normative references
the type of electrode adaptor;
c)
The following Standards contain provisions which, through
d) the diameter, dJ, in millimetres;
reference in this text, constitute provisions of this part of
ISO 5183. At the time of publication, the editions indicated
e) the length, IJ, in millimetres;
were valid. All Standards are subject to revision, and Parties to
agreements based on this par
...
ISO ’
5183-2
NORME INTERNATIONALE
Première édition
1988-12-01
INTERNATIONAL ORGANIZATION FOR STANDARDIZATION
ORGANISATION INTERNATIONALE DE NORMALISATION
MEXJJYHAPOAHAR OPrAHM3A~MFl f-l0 CTAH~APTM3A~MM
Soudage par points par résistance - Allonges
d’électrode à embout amovible (cône mâle 1 : 10) -
Partie 2 :
Emmanchement cylindrique pour poussée en bout
Resistance spot welding - Electrode adaptors, mafe taper 7 .= 10 -
Part 2: Parallel shank fixing for end-thrust electrodes
Numéro de référence
ISO 5183-2 : 1988 (F)
ISO 5183-2 : 1988 (FI
Avant-propos
L’ISO (Organisation internationale de normalisation) est une fédération mondiale
d’organismes nationaux de normalisation (comités membres de I’ISO). L’élaboration
des Normes internationales est en général confiée aux comités techniques de I’ISO.
Chaque comité membre intéressé par une étude a le droit de faire partie du comité
technique créé à cet effet. Les organisations internationales, gouvernementales et non
gouvernementales, en liaison avec I’ISO participent également aux travaux. L’ISO col-
labore étroitement avec la Commission électrotechnique internationale (CEI) en ce qui
concerne la normalisation électrotechnique.
Les projets de Normes internationales adoptés par les comités techniques sont soumis
aux comités membres pour approbation, avant leur acceptation comme Normes inter-
nationales par le Conseil de I’ISO. Les Normes internationales sont approuvées confor-
mément aux procédures de I’ISO qui requièrent l’approbation de 75 % au moins des
comités membres votants.
La Norme internationale ISO 5183-2 a été élaborée par le comité technique ISO/TC 44,
Soudage et techniques connexes.
Conjointement avec I’ISO 5183-1, I’ISO 5183-2 annule et remplace I’ISO 5183 : 1979,
dont elle constitue une révision technique.
L’ISO 5183 comprend les parties suivantes, présentées sous le titre général Soudage
par points par rhsistance - Allonges d%lectrode à embout amovible (cône mâle
r: 70):
-
Partie 1: Emmanchement conique 7 : 70
Partie 2: Emmanchement cylindrique pour poussée en bout
0 Organisation internationale de normalisation, 1988
Imprimé en Suisse
ISO 5183-2 : 1988 (FI
NORME INTERNATIONALE
Soudage par points par résistance - Allonges
d’électrode à embout amovible (côn’e mâle 1 : 10) -
Partie 2 :
Emmanchement cylindrique pour poussée en bout
1 Domaine d’application 4 Désignation
La présente partie de I’ISO 5183 prescrit les dimensions et tolé- Les allonges d’électrode faisant l’objet de la présente partie de
rances des corps de pointes d’électrode (couramment appelés I’ISO 5183 doivent être désignées en énoncant successivement
allonges) à embout amovible (voir ISO 5821) pour soudage par
points par résistance, sur lesquels la fixation de l’embout est un a) le bloc descripteur (c’est-à-dire allonge d’électrode à
cône mâle et pour lesquels l’emmanchement conique est con- embout amovible);
forme à I’ISO 1089.
b) la référence de la présente partie de I’ISO 5183;
2 Références normatives c) le type;
Les normes suivantes contiennent des dispositions qui, par
d) le diamètre dl, en millimètres;
suite de la référence qui en est faite, constituent des disposi-
tions valables pour la présente partie de I’ISO 5183. Au moment
e) la longueur, II, en millimètres;
de la publication de cette partie de I’ISO 5183, les éditions indi-
qué
...
ISO ’
5183-2
NORME INTERNATIONALE
Première édition
1988-12-01
INTERNATIONAL ORGANIZATION FOR STANDARDIZATION
ORGANISATION INTERNATIONALE DE NORMALISATION
MEXJJYHAPOAHAR OPrAHM3A~MFl f-l0 CTAH~APTM3A~MM
Soudage par points par résistance - Allonges
d’électrode à embout amovible (cône mâle 1 : 10) -
Partie 2 :
Emmanchement cylindrique pour poussée en bout
Resistance spot welding - Electrode adaptors, mafe taper 7 .= 10 -
Part 2: Parallel shank fixing for end-thrust electrodes
Numéro de référence
ISO 5183-2 : 1988 (F)
ISO 5183-2 : 1988 (FI
Avant-propos
L’ISO (Organisation internationale de normalisation) est une fédération mondiale
d’organismes nationaux de normalisation (comités membres de I’ISO). L’élaboration
des Normes internationales est en général confiée aux comités techniques de I’ISO.
Chaque comité membre intéressé par une étude a le droit de faire partie du comité
technique créé à cet effet. Les organisations internationales, gouvernementales et non
gouvernementales, en liaison avec I’ISO participent également aux travaux. L’ISO col-
labore étroitement avec la Commission électrotechnique internationale (CEI) en ce qui
concerne la normalisation électrotechnique.
Les projets de Normes internationales adoptés par les comités techniques sont soumis
aux comités membres pour approbation, avant leur acceptation comme Normes inter-
nationales par le Conseil de I’ISO. Les Normes internationales sont approuvées confor-
mément aux procédures de I’ISO qui requièrent l’approbation de 75 % au moins des
comités membres votants.
La Norme internationale ISO 5183-2 a été élaborée par le comité technique ISO/TC 44,
Soudage et techniques connexes.
Conjointement avec I’ISO 5183-1, I’ISO 5183-2 annule et remplace I’ISO 5183 : 1979,
dont elle constitue une révision technique.
L’ISO 5183 comprend les parties suivantes, présentées sous le titre général Soudage
par points par rhsistance - Allonges d%lectrode à embout amovible (cône mâle
r: 70):
-
Partie 1: Emmanchement conique 7 : 70
Partie 2: Emmanchement cylindrique pour poussée en bout
0 Organisation internationale de normalisation, 1988
Imprimé en Suisse
ISO 5183-2 : 1988 (FI
NORME INTERNATIONALE
Soudage par points par résistance - Allonges
d’électrode à embout amovible (côn’e mâle 1 : 10) -
Partie 2 :
Emmanchement cylindrique pour poussée en bout
1 Domaine d’application 4 Désignation
La présente partie de I’ISO 5183 prescrit les dimensions et tolé- Les allonges d’électrode faisant l’objet de la présente partie de
rances des corps de pointes d’électrode (couramment appelés I’ISO 5183 doivent être désignées en énoncant successivement
allonges) à embout amovible (voir ISO 5821) pour soudage par
points par résistance, sur lesquels la fixation de l’embout est un a) le bloc descripteur (c’est-à-dire allonge d’électrode à
cône mâle et pour lesquels l’emmanchement conique est con- embout amovible);
forme à I’ISO 1089.
b) la référence de la présente partie de I’ISO 5183;
2 Références normatives c) le type;
Les normes suivantes contiennent des dispositions qui, par
d) le diamètre dl, en millimètres;
suite de la référence qui en est faite, constituent des disposi-
tions valables pour la présente partie de I’ISO 5183. Au moment
e) la longueur, II, en millimètres;
de la publication de cette partie de I’ISO 5183, les éditions indi-
qué
...












Questions, Comments and Discussion
Ask us and Technical Secretary will try to provide an answer. You can facilitate discussion about the standard in here.
Loading comments...