ISO 2332:1993
(Main)Agricultural tractors and machinery — Connection of implements via three-point linkage — Clearance zone around implement
Agricultural tractors and machinery — Connection of implements via three-point linkage — Clearance zone around implement
Specifies dimensions. Applies to tractors of categories 1 to 3 and to the connection of agricultural implements to three-point linkages complying with ISO 730-1; also applies where implement couplers, complying with ISO 11001-1, ISO 11001-2 and ISO 11001-3, are used.
Tracteurs et matériels agricoles — Liaisons des instruments par l'attelage trois points — Zone de dégagement autour de l'instrument
Kmetijski traktorji in stroji - Priključitev strojev s tritočkovnim priključnim drogovjem - Neoviran prostor na priključni strani stroja
General Information
- Status
- Withdrawn
- Publication Date
- 13-Oct-1993
- Withdrawal Date
- 13-Oct-1993
- Technical Committee
- ISO/TC 23/SC 4 - Tractors
- Drafting Committee
- ISO/TC 23/SC 4 - Tractors
- Current Stage
- 9599 - Withdrawal of International Standard
- Start Date
- 28-Jan-2009
- Completion Date
- 14-Feb-2026
Relations
- Effective Date
- 15-Apr-2008
- Effective Date
- 15-Apr-2008
Buy Documents
ISO 2332:1993 - Agricultural tractors and machinery -- Connection of implements via three-point linkage -- Clearance zone around implement
ISO 2332:1993 - Tracteurs et matériels agricoles -- Liaisons des instruments par l'attelage trois points -- Zone de dégagement autour de l'instrument
ISO 2332:1993 - Tracteurs et matériels agricoles -- Liaisons des instruments par l'attelage trois points -- Zone de dégagement autour de l'instrument
Get Certified
Connect with accredited certification bodies for this standard

Control Union Certifications
Global certification for agriculture and sustainability.

ECOCERT
Organic and sustainability certification.

Rainforest Alliance Certification
Sustainable agriculture and forestry certification.
Sponsored listings
Frequently Asked Questions
ISO 2332:1993 is a standard published by the International Organization for Standardization (ISO). Its full title is "Agricultural tractors and machinery — Connection of implements via three-point linkage — Clearance zone around implement". This standard covers: Specifies dimensions. Applies to tractors of categories 1 to 3 and to the connection of agricultural implements to three-point linkages complying with ISO 730-1; also applies where implement couplers, complying with ISO 11001-1, ISO 11001-2 and ISO 11001-3, are used.
Specifies dimensions. Applies to tractors of categories 1 to 3 and to the connection of agricultural implements to three-point linkages complying with ISO 730-1; also applies where implement couplers, complying with ISO 11001-1, ISO 11001-2 and ISO 11001-3, are used.
ISO 2332:1993 is classified under the following ICS (International Classification for Standards) categories: 65.060.01 - Agricultural machines and equipment in general. The ICS classification helps identify the subject area and facilitates finding related standards.
ISO 2332:1993 has the following relationships with other standards: It is inter standard links to ISO 2332:2009, ISO 2332:1983. Understanding these relationships helps ensure you are using the most current and applicable version of the standard.
ISO 2332:1993 is available in PDF format for immediate download after purchase. The document can be added to your cart and obtained through the secure checkout process. Digital delivery ensures instant access to the complete standard document.
Standards Content (Sample)
SLOVENSKI STANDARD
01-julij-1999
.PHWLMVNLWUDNWRUMLLQVWURML3ULNOMXþLWHYVWURMHYVWULWRþNRYQLPSULNOMXþQLP
GURJRYMHP1HRYLUDQSURVWRUQDSULNOMXþQLVWUDQLVWURMD
Agricultural tractors and machinery -- Connection of implements via three-point linkage --
Clearance zone around implement
Tracteurs et matériels agricoles -- Liaisons des instruments par l'attelage trois points --
Zone de dégagement autour de l'instrument
Ta slovenski standard je istoveten z: ISO 2332:1993
ICS:
65.060.01 Kmetijski stroji in oprema na Agricultural machines and
splošno equipment in general
2003-01.Slovenski inštitut za standardizacijo. Razmnoževanje celote ali delov tega standarda ni dovoljeno.
ISO
INTERNATIONAL
STANDARD 2332
Second edition
1993-1 o-1 5
Agricultural tractors and machinery -
Connection of implements via three-Point
Clearance Zone around
linkage -
implement
- Liaison des instruments par I’attelage
Tracteurs et ma t&iels agricoles
trois poin ts -Zone de dkgagement autour- de I’hstrument
Reference number
ISO 2332: 1993(E)
Foreword
ISO (the International Organization for Standardization) is a worldwide
federation of national Standards bodies (ISO member bodies). The work
of preparing International Standards is normally carried out through ISO
technical committees. Esch member body interested in a subject for
which a technical committee has been established has the right to be
represented on that committee. International organizations, governmental
and non-governmental, in liaison with ISO, also take part in the work. ISO
collaborates closely with the International Electrotechnical Commission
(IEC) on all matters of electrotechnical standardization.
Draft International Standards adopted by the technical committees are
circulated to the member bodies for voting. Publication as an International
Standard requires approval by at least 75 % of the member bodies casting
a vote.
International Standard ISO 2332 was prepared by Technical Committee
lSO/TC 23, Trattors and machinery for agriculture and forestry, Sub-
Committee SC 4, Trattors.
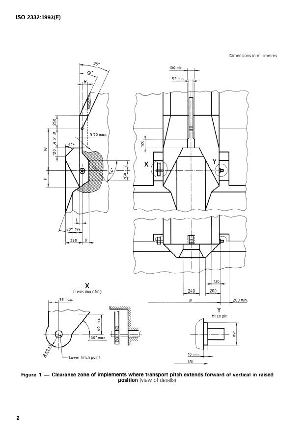
This second edition cancels and replaces the first edition
(ISO 2332:1983). Two clearance zones are now specified.
0 ISO 1993
All rights reserved. No part of this publication may be reproduced or utilized in any form or
by any means, electronie or mechanical, including photocopying and microfilm, without per-
mission in writing from the publisher.
International Organization for Standardization
Case Postale 56 l CH-l 211 Geneve 20 l Switzerland
Printed in Switzerland
INTERNATIONAL STANDARD ISO 2332:1993(E)
Agricultural tractors and machinery - Connection of
implements via three-Point linkage - Clearance Zone
around implement
ISO 11001-1 :1993, Agricultural wheeled tractors and
1 Scope
implements - Three-Point hitch couplers - Part 1:
lJ-frame coupler.
This International Standard specifies the clearance
zone to be maintained on implements to allow them
ISO 11001-2: 1993, Agricultural wheeled tractors and
to be attached to the three-Point linkage of agricultural
implements - Three-Point hitch couplers - Part 2:
wheeled tractors.
A-frame coupler.
lt applies to the connection of agricultural implements
ISO 11001-3: 1993, Agricultural wheeled tractors and
to three-Point linkages complying with ISO 730-1. lt
implements - Three-Point
...
ISO
INTERNATIONAL
STANDARD 2332
Second edition
1993-1 o-1 5
Agricultural tractors and machinery -
Connection of implements via three-Point
Clearance Zone around
linkage -
implement
- Liaison des instruments par I’attelage
Tracteurs et ma t&iels agricoles
trois poin ts -Zone de dkgagement autour- de I’hstrument
Reference number
ISO 2332: 1993(E)
Foreword
ISO (the International Organization for Standardization) is a worldwide
federation of national Standards bodies (ISO member bodies). The work
of preparing International Standards is normally carried out through ISO
technical committees. Esch member body interested in a subject for
which a technical committee has been established has the right to be
represented on that committee. International organizations, governmental
and non-governmental, in liaison with ISO, also take part in the work. ISO
collaborates closely with the International Electrotechnical Commission
(IEC) on all matters of electrotechnical standardization.
Draft International Standards adopted by the technical committees are
circulated to the member bodies for voting. Publication as an International
Standard requires approval by at least 75 % of the member bodies casting
a vote.
International Standard ISO 2332 was prepared by Technical Committee
lSO/TC 23, Trattors and machinery for agriculture and forestry, Sub-
Committee SC 4, Trattors.
This second edition cancels and replaces the first edition
(ISO 2332:1983). Two clearance zones are now specified.
0 ISO 1993
All rights reserved. No part of this publication may be reproduced or utilized in any form or
by any means, electronie or mechanical, including photocopying and microfilm, without per-
mission in writing from the publisher.
International Organization for Standardization
Case Postale 56 l CH-l 211 Geneve 20 l Switzerland
Printed in Switzerland
INTERNATIONAL STANDARD ISO 2332:1993(E)
Agricultural tractors and machinery - Connection of
implements via three-Point linkage - Clearance Zone
around implement
ISO 11001-1 :1993, Agricultural wheeled tractors and
1 Scope
implements - Three-Point hitch couplers - Part 1:
lJ-frame coupler.
This International Standard specifies the clearance
zone to be maintained on implements to allow them
ISO 11001-2: 1993, Agricultural wheeled tractors and
to be attached to the three-Point linkage of agricultural
implements - Three-Point hitch couplers - Part 2:
wheeled tractors.
A-frame coupler.
lt applies to the connection of agricultural implements
ISO 11001-3: 1993, Agricultural wheeled tractors and
to three-Point linkages complying with ISO 730-1. lt
implements - Three-Point hitch couplers - Part 3:
also applies where implement couplers, complying
Link coupler.
with ISO 11001-1, ISO 11001-2 and ISO 11001-3, are
used.
3 Definition
2 Normative references
For the purposes of this International Standard, the
following definition applies.
The following Standards contain provisions which,
through reference in this text, constitute provisions
3.1 implement coupler: Device which facilitates
of this International Standard. At the time of publi-
the connection of the tractor three-Point linkage to the
cation, the editions indicated were valid. All Standards
implement.
are subject to revision, and Parties to agreements
based on
...
NORME
ISO
INTERNATIONALE
Deuxième édition
1993-10-15
Tracteurs et matériels agricoles - Liaison
des instruments par l’attelage trois
points - Zone de dégagement autour de
l’instrument
Agricultural tractors and machinery - Connectjon of implements via
three-poin t linkage - Clearance zone around implement
Numéro de référence
Avant-propos
L’ISO (Organisation internationale de normalisation) est une fédération
mondiale d’organismes nationaux de normalisation (comités membres de
I’ISO). L’élaboration des Normes internationales est en général confiée aux
comités techniques de I’ISO. Chaque comité membre intéressé par une
étude a le droit de faire partie du comité technique créé à cet effet. Les
organisations internationales, gouvernementales et non gouvernemen-
tales, en liaison avec I’ISO participent également aux travaux. L’ISO colla-
bore étroitement avec la Commission électrotechnique internationale (CEI)
en ce qui concerne la normalisation électrotechnique.
Les projets de Normes internationales adoptés par les comités techniques
sont soumis aux comités membres pour vote. Leur publication comme
Normes internationales requiert l’approbation de 75 % au moins des co-
mités membres votants.
La Norme internationale ISO 2332 a été élaborée par le comité technique
lSO/TC 23, Tracteurs et matériels agricoles et forestiers, sous-comité SC
4, Tracteurs.
Cette deuxième édition annule et remplace la première édition
(ISO 2332:1983). D eux zones de dégagement sont maintenant définies.
0 ISO 1993
Droits de reproduction réservés. Aucune partie de cette publication ne peut être reproduite
ni utilisée sous quelque forme que ce soit et par aucun procédé, électronique ou mécanique,
y compris la photocopie et les microfilms, sans l’accord écrit de l’éditeur.
Organisation internationale de normalisation
Case Postale 56 l CH-l 211 Genève 20 l Suisse
Imprimé en Suisse
ii
NORME INTERNATIONALE ISO 2332:1993(F)
Tracteurs et matériels agricoles - Liaison des
instruments par l’attelage trois points - Zone de
dégagement autour de l’instrument
ISO 11001-1 :1993, Tracteurs agricoles à roues et ins-
1 Domaine d’application
trumen ts - Coup/eurs rapides trois points -
Partie 7: Coup/eur par cadre en U.
La présente Norme internationale prescrit la zone de
dégagement à maintenir sur les instruments pour
ISO I IOOI-2:1993, Tracteurs agricoles à roues et ins-
permettre leur montage sur les attelages trois points
trumen ts - Coup/eurs rapides trois points -
des tracteurs agricoles à roues.
Partie 2: Coup/eur par cadre en A.
Elle est applicable à la liaison des instruments agrico-
les avec les attelages trois points conformes à
ISO I IOOI-3:1993, Tracteurs agricoles à roues et ins-
I’ISO 730-I. Elle est également applicable en cas
trumen ts - Coup/eurs rapides trois points -
d’utilisation de coupleurs d’instruments (attelages ra-
Partie 3: Coup/eur à rotules.
pides) conformes à I’ISO 11001-1, à I’ISO 11001-2 ou
à I’ISO 11001-3.
3 Définition
2 Références normatives
Pour les besoins de la présente Norme internationale,
la définition suivante s’applique.
Les normes suivantes contiennent des dispositions
qui, par suite de la référence qui en est faite, consti-
3.1 coupleur d’instrument; attelage rapide: Dis-
tuent des dispositions valables pour la présente
positif qui facilite la liaison de l’attelage trois points
Norme internationale. Au moment de la publication,
du tracteur à l’instrument.
les éditions indiquées étaient en vigueur. Toute
norme est sujette à révision et les parties prenantes
des accords fondés sur la présen
...
NORME
ISO
INTERNATIONALE
Deuxième édition
1993-10-15
Tracteurs et matériels agricoles - Liaison
des instruments par l’attelage trois
points - Zone de dégagement autour de
l’instrument
Agricultural tractors and machinery - Connectjon of implements via
three-poin t linkage - Clearance zone around implement
Numéro de référence
Avant-propos
L’ISO (Organisation internationale de normalisation) est une fédération
mondiale d’organismes nationaux de normalisation (comités membres de
I’ISO). L’élaboration des Normes internationales est en général confiée aux
comités techniques de I’ISO. Chaque comité membre intéressé par une
étude a le droit de faire partie du comité technique créé à cet effet. Les
organisations internationales, gouvernementales et non gouvernemen-
tales, en liaison avec I’ISO participent également aux travaux. L’ISO colla-
bore étroitement avec la Commission électrotechnique internationale (CEI)
en ce qui concerne la normalisation électrotechnique.
Les projets de Normes internationales adoptés par les comités techniques
sont soumis aux comités membres pour vote. Leur publication comme
Normes internationales requiert l’approbation de 75 % au moins des co-
mités membres votants.
La Norme internationale ISO 2332 a été élaborée par le comité technique
lSO/TC 23, Tracteurs et matériels agricoles et forestiers, sous-comité SC
4, Tracteurs.
Cette deuxième édition annule et remplace la première édition
(ISO 2332:1983). D eux zones de dégagement sont maintenant définies.
0 ISO 1993
Droits de reproduction réservés. Aucune partie de cette publication ne peut être reproduite
ni utilisée sous quelque forme que ce soit et par aucun procédé, électronique ou mécanique,
y compris la photocopie et les microfilms, sans l’accord écrit de l’éditeur.
Organisation internationale de normalisation
Case Postale 56 l CH-l 211 Genève 20 l Suisse
Imprimé en Suisse
ii
NORME INTERNATIONALE ISO 2332:1993(F)
Tracteurs et matériels agricoles - Liaison des
instruments par l’attelage trois points - Zone de
dégagement autour de l’instrument
ISO 11001-1 :1993, Tracteurs agricoles à roues et ins-
1 Domaine d’application
trumen ts - Coup/eurs rapides trois points -
Partie 7: Coup/eur par cadre en U.
La présente Norme internationale prescrit la zone de
dégagement à maintenir sur les instruments pour
ISO I IOOI-2:1993, Tracteurs agricoles à roues et ins-
permettre leur montage sur les attelages trois points
trumen ts - Coup/eurs rapides trois points -
des tracteurs agricoles à roues.
Partie 2: Coup/eur par cadre en A.
Elle est applicable à la liaison des instruments agrico-
les avec les attelages trois points conformes à
ISO I IOOI-3:1993, Tracteurs agricoles à roues et ins-
I’ISO 730-I. Elle est également applicable en cas
trumen ts - Coup/eurs rapides trois points -
d’utilisation de coupleurs d’instruments (attelages ra-
Partie 3: Coup/eur à rotules.
pides) conformes à I’ISO 11001-1, à I’ISO 11001-2 ou
à I’ISO 11001-3.
3 Définition
2 Références normatives
Pour les besoins de la présente Norme internationale,
la définition suivante s’applique.
Les normes suivantes contiennent des dispositions
qui, par suite de la référence qui en est faite, consti-
3.1 coupleur d’instrument; attelage rapide: Dis-
tuent des dispositions valables pour la présente
positif qui facilite la liaison de l’attelage trois points
Norme internationale. Au moment de la publication,
du tracteur à l’instrument.
les éditions indiquées étaient en vigueur. Toute
norme est sujette à révision et les parties prenantes
des accords fondés sur la présen
...
















Questions, Comments and Discussion
Ask us and Technical Secretary will try to provide an answer. You can facilitate discussion about the standard in here.
Loading comments...