ISO 8430-1:1988
(Main)Resistance spot welding — Electrode holders — Part 1: Taper fixing 1:10
Resistance spot welding — Electrode holders — Part 1: Taper fixing 1:10
Specifies the dimensions and tolerances of resistance spot welding electrode holders (type A) without offset and with the facility for cable clamping, and where a male taper 1:10 is used to fix the holder directly to the welding cylinder in multiple spot welding equipment. Covers also designation, materials, delivery conditions and marking.
Soudage par points par résistance — Porte- électrodes — Partie 1: Cône de fixation 1:10
La présente partie de l'ISO 8430 prescrit les dimensions et tolérances des porte-électrodes non excentrés pour soudage par points par résistance prévus pour la fixation de câble et qui présentent un cône mâle 1:10 (type A) permettant d'emmancher directement le porte-électrode sur le vérin, dans les équipements pour soudage multipoint.
General Information
- Status
- Withdrawn
- Publication Date
- 07-Dec-1988
- Withdrawal Date
- 07-Dec-1988
- Technical Committee
- ISO/TC 44/SC 6 - Resistance welding and allied mechanical joining
- Drafting Committee
- ISO/TC 44/SC 6 - Resistance welding and allied mechanical joining
- Current Stage
- 9599 - Withdrawal of International Standard
- Start Date
- 12-Jan-2016
- Completion Date
- 12-Feb-2026
Relations
- Effective Date
- 04-Nov-2015
ISO 8430-1:1988 - Resistance spot welding -- Electrode holders
ISO 8430-1:1988 - Soudage par points par résistance -- Porte- électrodes
ISO 8430-1:1988 - Soudage par points par résistance -- Porte- électrodes
Get Certified
Connect with accredited certification bodies for this standard
National Aerospace and Defense Contractors Accreditation Program (NADCAP)
Global cooperative program for special process quality in aerospace.
CARES (UK Certification Authority for Reinforcing Steels)
UK certification for reinforcing steels and construction.
DVS-ZERT GmbH
German welding certification society.
Sponsored listings
Frequently Asked Questions
ISO 8430-1:1988 is a standard published by the International Organization for Standardization (ISO). Its full title is "Resistance spot welding — Electrode holders — Part 1: Taper fixing 1:10". This standard covers: Specifies the dimensions and tolerances of resistance spot welding electrode holders (type A) without offset and with the facility for cable clamping, and where a male taper 1:10 is used to fix the holder directly to the welding cylinder in multiple spot welding equipment. Covers also designation, materials, delivery conditions and marking.
Specifies the dimensions and tolerances of resistance spot welding electrode holders (type A) without offset and with the facility for cable clamping, and where a male taper 1:10 is used to fix the holder directly to the welding cylinder in multiple spot welding equipment. Covers also designation, materials, delivery conditions and marking.
ISO 8430-1:1988 is classified under the following ICS (International Classification for Standards) categories: 25.160.30 - Welding equipment. The ICS classification helps identify the subject area and facilitates finding related standards.
ISO 8430-1:1988 has the following relationships with other standards: It is inter standard links to ISO 8430-1:2016. Understanding these relationships helps ensure you are using the most current and applicable version of the standard.
ISO 8430-1:1988 is available in PDF format for immediate download after purchase. The document can be added to your cart and obtained through the secure checkout process. Digital delivery ensures instant access to the complete standard document.
Standards Content (Sample)
ISO
INTERNATIONAL STANDARD
First edition
1988-12-01
-
-
=
- =
= 1 INTERNATIONAL ORGANIZATION FOR STANDARDIZATION
--
=
Z
=
Z
X
I
2 ORGANISATION INTERNATIONALE DE NORMALISATION
I
Z
=m Si 1s z
MEXP(YHAPOAHAF1 OPTAHM3A~Mfl l-l0 CTAH,QAPTM3A~MM
Resistance spot welding - Electrode holders -
Part 1 :
Taper fixing 1 : 10
Soudage par points par rbsistance - Porte-blectrodes -
Partie 7 : C6ne de fixation 7 : 70
Reference number
ISO 8430-1 : 1988 (E)
ISO 8430-1 :1988 EI
Foreword
ISO (the International Organization for Standardization) is a worldwide federation of
national Standards bodies (ISO member bedies). The work of preparing International
Standards is normally carried out through ISO technical committees. Esch member
body interested in a subject for which a technical committee has been established has
the right to be represented on that committee. International organizations, govern-
mental and non-governmental, in liaison with ISO, also take part in the work. ISO
collaborates closely with the International Electrotechnical Commission (IEC) on all
matters of electrotechnical standardization.
Draft International Standards adopted by the technical committees are circulated to
the member bodies for approval before their acceptance as International Standards by
the ISO Council. They are approved in accordance with ISO procedures requiring at
least 75 % approval by the member bodies voting.
International Standard ISO 8430-1 was prepared by Technical Committee ISO/TC 44,
Welding and allied processes.
under the general title Resistance spot
ISO 8430 consists of the following Parts,
welding - Electrode holders :
- Part 1: Taper fixing I : 10
Part 2: Morse taper fixing
- Part 3: Parallel shank fixing for end thrust
International Organkation for Standardkation, 1988
Printed in Switzerland
ISO 8430-1 : 1988 (E)
INTERNATIONAL STANDARD
Resistance spot welding - Electrode holders -
Part 1 :
Taper fixing 1 : 10
4 Designation
1 Scope
The designations of electrode holders which comply with this
This part of ISO 8430 specifies the dimensions and tolerantes
part of ISO 8430 shall comprise the following information in the
of resistance spot welding electrode holders (type AI without
Order given :
offset and with the facility for cable clamping, and where a
male taper 1 : 10 is used to fix the holder directly to the welding
a) the description block (i.e. “Spot welding electrode
cylinder in multiple spot welding equipment.
holder”);
b) a reference to this patt of ISO 8430;
2 Normative references
c) the type of electrode holder (type A);
The following Standards contain provisions which, through
reference in this text, constitute provisions of this part of
d) the reference diameter, in millimetres;
ISO 8430. At the time of publication, the editions indicated
were valid. All Standards are subject to revision, and Parties to e) the total length, ld, in millimetres;
agreements based on this patt of ISO 8430 are encouraged to in-
f) the material of which the electrode adaptor is made, in
vestigate the possibility of applying the most recent editions of
accordance with ISO 5182.
the Standards listed below. Members of IEC and ISO maintain
registers of currently valid International Standards.
E
...
ISO
NORME INTERNATIONALE
8430-l
Première édition
1988-12-01
INTERNATIONAL ORGANIZATION FOR STANDARDIZATION
ORGANISATION INTERNATIONALE DE NORMALISATION
MEXAYHAPOJJHAR OPI-AHM3A~MR IlO CTAHjJAPTM3A~MM
Soudage par points par résistance - Porte-électrodes -
Partie 1 :
Cône de fixation 1 : 10
Resistance spot welding - Electrode holders -
Part 1: Taper fixing 7 : 70
Numéro de référence
ISO 8430-l :1988 (FI
Avant-propos
LIS0 (Organisation internationale de normalisation) est une fédération mondiale
d’organismes nationaux de normalisation (comités membres de I’ISO). L’élaboration
des Normes internationales est en général confiée aux comités techniques de I’ISO.
Chaque comité membre intéressé par une étude a le droit de faire partie du comité
technique créé à cet effet. Les organisations internationales, gouvernementales et non
gouvernementales, en liaison avec I’ISO participent également aux travaux. L’ISO col-
labore étroitement avec la Commission électrotechnique internationale (CEI) en ce qui
concerne la normalisation électrotechnique.
Les projets de Normes internationales adoptés par les comités techniques sont soumis
aux comités membres pour approbation, avant leur acceptation comme Normes inter-
nationales par le Conseil de I’ISO. Les Normes internationales sont approuvées confor-
mément aux procédures de I’ISO qui requièrent l’approbation de 75 % au moins des
comités membres votants.
La Norme internationale ISO 8430-I a été élaborée par le comité technique ISO/TC 44,
Soudage et techniques connexes.
L’ISO 8430 CO mprend les parties suivantes, présen tées sous le titre général Soudage
- Porte-électrodes :
par points par résistan #ce
- Partie 7 : Cône de fixation 7 : 70
- Partie 2: Cône Morse de fixation
- Partie 3: Emmanchement cylindrique pour poussée en bout
0 Organisation internationale de normalisation, 1988 .
Imprimé en Suisse
ISO8430-1 : 1988 (F)
NORME INTERNATIONALE
Soudage par points par résistance - Porte-électrodes -
Partie 1 :
Cône de fixation 1 : 10
1 Domaine d’application 3 Dimensions
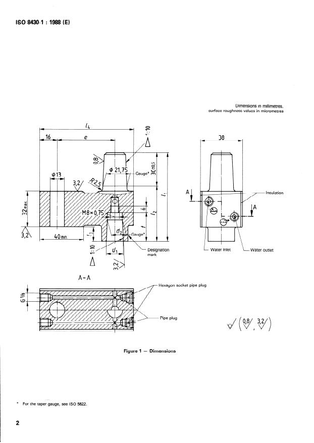
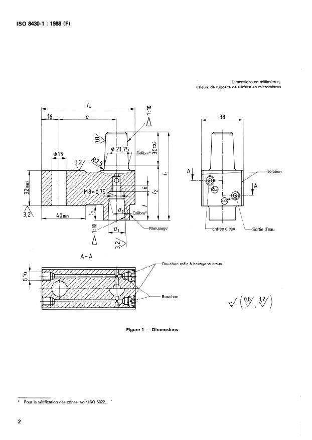
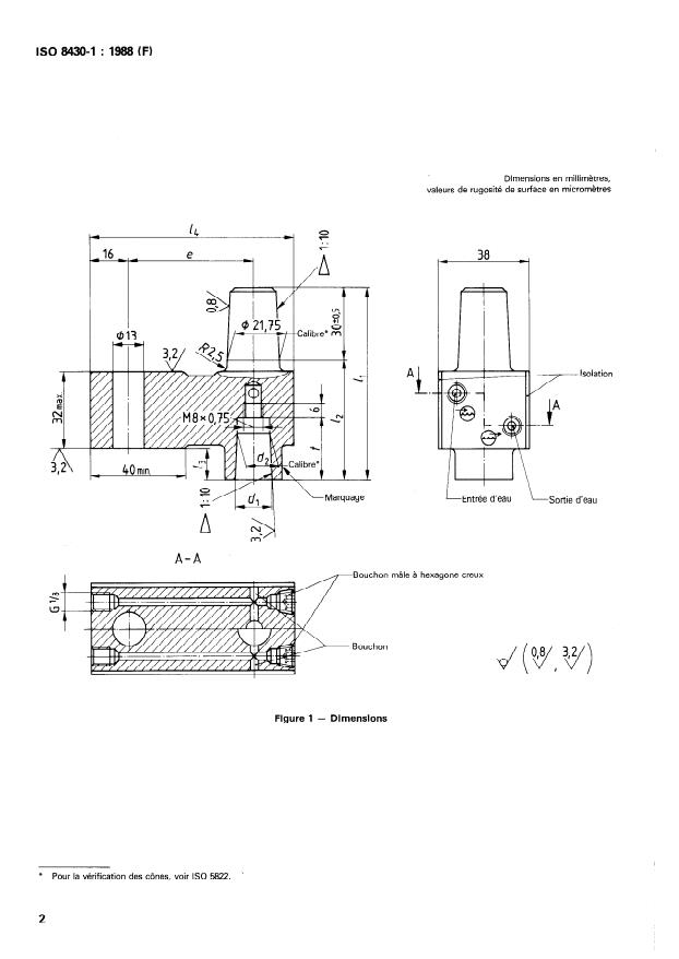
La présente partie de I’ISO 8430 prescrit les dimensions et tolé- Les dimensions doivent être celles données à la figure 1 et dans
rances des porte-électrodes non excentrés pour soudage par le tableau 1.
points par résistance prévus pour la fixation de câble et qui pré-
sentent un cône mâle 1: 10 (type A) permettant d’emmancher
4 Désignation
directement le porte-électrode sur le vérin, dans les équipe-
ments pour soudage multipoint.
Les porte-électrodes faisant l’objet de la présente partie de
I’ISO 8430 doivent être désignés en énoncant successivement :
,
a) le bloc descripteur (c’est-à-dire porte-électrode pour
soudage par points);
2 Références normatives
b) la référence de la présente partie de I’ISO 8430;
Les normes suivantes contiennent des dispositions qui, par
suite de la référence qui en est faite, constituent des disposi- c) le type A;
tions valables pour la présente partie de I’ISO 8430. Au moment
d) le diamètre de référence, en millimètres;
de la publication de cette partie de I’ISO 8430, les éditions indi-
quées étaient en vigueur. Toute norme est sujette à révision et
e) la longueur totale, ZJ, en millimètres;
les parties prenantes des accords fondés sur cette partie de
f) le matériau conforme à I’ISO 5182.
I’ISO 8430 sont invitées à rechercher la possibilité d’appliquer
les éditions les plus récentes des normes indiquées ci-après.
Exemple:
Les membres
...
ISO
NORME INTERNATIONALE
8430-l
Première édition
1988-12-01
INTERNATIONAL ORGANIZATION FOR STANDARDIZATION
ORGANISATION INTERNATIONALE DE NORMALISATION
MEXAYHAPOJJHAR OPI-AHM3A~MR IlO CTAHjJAPTM3A~MM
Soudage par points par résistance - Porte-électrodes -
Partie 1 :
Cône de fixation 1 : 10
Resistance spot welding - Electrode holders -
Part 1: Taper fixing 7 : 70
Numéro de référence
ISO 8430-l :1988 (FI
Avant-propos
LIS0 (Organisation internationale de normalisation) est une fédération mondiale
d’organismes nationaux de normalisation (comités membres de I’ISO). L’élaboration
des Normes internationales est en général confiée aux comités techniques de I’ISO.
Chaque comité membre intéressé par une étude a le droit de faire partie du comité
technique créé à cet effet. Les organisations internationales, gouvernementales et non
gouvernementales, en liaison avec I’ISO participent également aux travaux. L’ISO col-
labore étroitement avec la Commission électrotechnique internationale (CEI) en ce qui
concerne la normalisation électrotechnique.
Les projets de Normes internationales adoptés par les comités techniques sont soumis
aux comités membres pour approbation, avant leur acceptation comme Normes inter-
nationales par le Conseil de I’ISO. Les Normes internationales sont approuvées confor-
mément aux procédures de I’ISO qui requièrent l’approbation de 75 % au moins des
comités membres votants.
La Norme internationale ISO 8430-I a été élaborée par le comité technique ISO/TC 44,
Soudage et techniques connexes.
L’ISO 8430 CO mprend les parties suivantes, présen tées sous le titre général Soudage
- Porte-électrodes :
par points par résistan #ce
- Partie 7 : Cône de fixation 7 : 70
- Partie 2: Cône Morse de fixation
- Partie 3: Emmanchement cylindrique pour poussée en bout
0 Organisation internationale de normalisation, 1988 .
Imprimé en Suisse
ISO8430-1 : 1988 (F)
NORME INTERNATIONALE
Soudage par points par résistance - Porte-électrodes -
Partie 1 :
Cône de fixation 1 : 10
1 Domaine d’application 3 Dimensions
La présente partie de I’ISO 8430 prescrit les dimensions et tolé- Les dimensions doivent être celles données à la figure 1 et dans
rances des porte-électrodes non excentrés pour soudage par le tableau 1.
points par résistance prévus pour la fixation de câble et qui pré-
sentent un cône mâle 1: 10 (type A) permettant d’emmancher
4 Désignation
directement le porte-électrode sur le vérin, dans les équipe-
ments pour soudage multipoint.
Les porte-électrodes faisant l’objet de la présente partie de
I’ISO 8430 doivent être désignés en énoncant successivement :
,
a) le bloc descripteur (c’est-à-dire porte-électrode pour
soudage par points);
2 Références normatives
b) la référence de la présente partie de I’ISO 8430;
Les normes suivantes contiennent des dispositions qui, par
suite de la référence qui en est faite, constituent des disposi- c) le type A;
tions valables pour la présente partie de I’ISO 8430. Au moment
d) le diamètre de référence, en millimètres;
de la publication de cette partie de I’ISO 8430, les éditions indi-
quées étaient en vigueur. Toute norme est sujette à révision et
e) la longueur totale, ZJ, en millimètres;
les parties prenantes des accords fondés sur cette partie de
f) le matériau conforme à I’ISO 5182.
I’ISO 8430 sont invitées à rechercher la possibilité d’appliquer
les éditions les plus récentes des normes indiquées ci-après.
Exemple:
Les membres
...












Questions, Comments and Discussion
Ask us and Technical Secretary will try to provide an answer. You can facilitate discussion about the standard in here.
Loading comments...