ISO 3029:1995
(Main)Photography — 126-size cartridges — Dimensions of cartridge, film and backing paper
Photography — 126-size cartridges — Dimensions of cartridge, film and backing paper
Photographie — Chargeur format 126 — Dimensions du chargeur, du film et du papier protecteur
General Information
- Status
- Withdrawn
- Publication Date
- 25-Jan-1995
- Withdrawal Date
- 25-Jan-1995
- Technical Committee
- ISO/TC 42 - Photography
- Parallel Committee
- ISO/TC 6 - Paper, board and pulps
- Current Stage
- 9599 - Withdrawal of International Standard
- Start Date
- 18-Mar-1999
- Completion Date
- 12-Feb-2026
Relations
- Effective Date
- 06-Jun-2022
- Revises
ISO 3029:1983 - Photography — 126-size cartridges — Dimensions of cartridge, film and backing paper - Effective Date
- 15-Apr-2008
- Effective Date
- 15-Apr-2008
ISO 3029:1995 - Photography -- 126-size cartridges -- Dimensions of cartridge, film and backing paper
ISO 3029:1995 - Photographie -- Chargeur format 126 -- Dimensions du chargeur, du film et du papier protecteur
Frequently Asked Questions
ISO 3029:1995 is a standard published by the International Organization for Standardization (ISO). Its full title is "Photography — 126-size cartridges — Dimensions of cartridge, film and backing paper". This standard covers: Photography — 126-size cartridges — Dimensions of cartridge, film and backing paper
Photography — 126-size cartridges — Dimensions of cartridge, film and backing paper
ISO 3029:1995 is classified under the following ICS (International Classification for Standards) categories: 37.040.20 - Photographic paper, films and plates. Cartridges. The ICS classification helps identify the subject area and facilitates finding related standards.
ISO 3029:1995 has the following relationships with other standards: It is inter standard links to ISO 3029:1995/Cor 1:1998, ISO 3029:1983; is excused to ISO 3029:1995/Cor 1:1998. Understanding these relationships helps ensure you are using the most current and applicable version of the standard.
ISO 3029:1995 is available in PDF format for immediate download after purchase. The document can be added to your cart and obtained through the secure checkout process. Digital delivery ensures instant access to the complete standard document.
Standards Content (Sample)
INTERNATIONAL
IS0
STANDARD
Third edition
1995-02-01
Photography - 126-size cartridges -
Dimensions of cartridge, film and backing
paper
Photographie - Chargeur format 126 - Dimensions du chargeur, du film et du
papier protecteur
Reference number
IS0 3029:1995(E)
IS0 3029:1995(E)
Foreword
IS0 (the International Organization for Standardization) is a worldwide
federation of national standards bodies (IS0 member bodies). The work of
preparing International Standards is normally carried out through IS0
technical committees. Each member body interested in a subject for
which a technical committee has been established has the right to be
represented on that committee. International organizations, governmental
and non-governmental, in liaison with ISO, also take part in the work. IS0
collaborates closely with the International Electrotechnical Commission
(IEC) on all matters of electrotechnical standardization.
Draft International Standards adopted by the technical committees are
circulated to the member bodies for voting. Publication as an International
Standard requires approval by at least 75 % of the member bodies casting
a vote.
International Standard IS0 3029 was prepared by Technical Committee
ISOFC 42, Photography.
This third edition cancels and replaces the second edition (IS0 3029:1983), of
which it constitutes a technical revision.
Annexes A and B of this International Standard are for information only.
O IS0 1995
All rights reserved. Unless otherwise specified, no part of this publication may be reproduced
or utilized in any form or by any means, electronic or mechanical, including photocopying and
microfilm, without permission in writing from the publisher.
International Organization for Standardization
Case postale 56 CH-1 21 1 Genève 20 Switzerland
Printed in Switzerland
II
~ ~
INTERNATIONAL STANDARD O IS0 IS0 3029:1995(E)
Photography - 126-size cartridge - Dimensions of
cartridge, film and backing paper
% * 5 % relative humidity, as
23 "C i 2 "C and 50
1 Scope
specified in IS0 554 l).
This International Standard specifies the dimensions
of 126-size cartridges, as well as dimensions of film
and backing paper. Certain desirable camera charac-
4 Dimensions and characteristics of
teristics are given, for guidance, in annex A.
cartridge and spool
0 This International Standard also specifies the dimen-
4.1 The dimensions and characteristics of the car-
sions of a set of film identification notches which
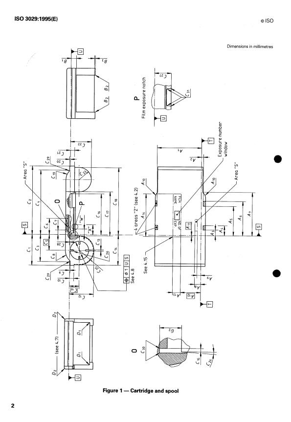
tridge and of the spool shall be as shown in figure 1
assigns a code number to a specific film at the
and as given in table 1.
request of the film manufacturer. Neither the assign-
ment nor incorporation of film identification notches
for particular film products is required by this Inter-
4.2 Most cartridge dimensions are given with
national Standard. However, the procedure to be fol-
respect to a set of three mutually perpendicular
lowed by film manufacturers in obtaining code
datum planes U, S, T (see figure î), which are
numbers is given in annex B.
coincident with the surfaces that engage mating
camera parts in such a way as to ensure proper
alignment of the cartridge in the camera.
2 Normative references
The following standards contain provisions which,
through reference in this text, constitute provisions of 4.3 In order to visualize the minimum space which
this International Standard. At the time of publication, needs to be reserved in cameras for the cartridge, all
the editions indicated were valid. All standards are cartridge diagrams have been drawn employing the
subject to revision, and parties to agreements based particular contours which result in a cartridge of
on this International Standard are encouraged to in- maximum profile (see also 4.9).
vestigate the possibility of applying the most recent
editions of the standards indicated below. Members
0 of IEC and IS0 maintain registers of currently valid 4.4 For quality control purposes, the four areas of
International Standards datum U are used for gauging the dimensions of the
cartridge.
IS0 1 :I 975, Standard reference temperature for
industrial length measurements.
4.5 Figure 1 shows the spool or core, on which the
film is wound, pushed to the uppermost limit in the
IS0 554: 1976, Standard atmospheres for conditioning
cartridge.
and/or testing - Specifications.
4.6 The radius C,, shall be a single radius tangential
3 Conditions for measurement of
to three planes, determined respectively by CI2 max.,
dimensions
CI4 max., and a plane passing at an angle of C24 min.
The dimensions and tolerances specified in this through the intersection of two other planes
determined respectively by C15 min. and G2 max. (see
International Standard apply at the time of manu-
figure 1, detail O).
facture, measured under atmospheric conditions of
1) All measuring instrument calibrations should be referred to a temperature of 20 "C (as specified in IS0 1) and a relative
humidity of 50 %.
IS0 3029: 1995(E)
O is0
Dimensions in millimetres
r
U
+
O
c
W
L
a::
a
X
W
Figure 1 - Cartridge and spool
IS0 3029:1995(E)
O IS0
Dimensions in millimetres
c
O
.-
+
gz
.- 7
E.+
Cai
aiai
O"
52 .-
c
+.E!
d UL
U c3
Ic dln
O
rrn
U) UT
+
d
oc
ai
L = .5
d
OU)
.G ai
c- 3
CE
du
U+
3 O0
e 60 JE
mai
422 I
O
3ai P
ai
y ai
P Ln
d
ai L
Q
f
Figure 1 - Cartridge and spool (concluded)
IS0 3029:1995(E)
Table 1 - Cartridge and spool dimensions
Millimetres
/
Dimension Dimension
min. max min. max.
39,37 3.25 4.27
Al E4
1,78 40.39 41.40
A2
E5
5.08 E6 radius 0,38
A3
8.89 E7 radius
0.64
A4
26.16 diameter 16,51
A5
30.73 Eg diameter 2 x radius
38.35
A7 c25
5.59 E10 radius 0,25
A8
3,30 3,81
A9 F1
A10 radius 6.48
F2 see 4 19 41,40
1,37 1,47
A11 l)
F3
1' 1 2,41
A12 l'
F4
A13 see 4 15
7,11 5,18
F5
A14 see 4 15
38,lO FE radius 4,44
4,32 F7 radius
3,18
BI
B2 radius 0.51 Fa radius 1,65
0.25 Fg radius 0.13
B3
27.33 F10 see 4 18
35.05 35,46
Cl
60.96 1.27
c2 F11
25,15 F12 radius 1,27
c3
58,42 38.86
c4
c5 1) 1: 7
4.88 5,89
F14
14.30 13,84
c6 F1 5
4,06 21,72
c7
F16
Ca radius 12,45
30.05 30.81
F1 7
0,oo 33,60 33,96
C9 F18
3.81 1,90 2,16
c1 O
F19
F20 see 4 14
3.18
c11 l'
21,46 6,20 6,60
c12 F2 1
1,14 1,40 F22 radius 0.76
cl 3
26.92 4.06
cl 4
F23
0,89
14,30
cl 5 F24
35,41 35,66 0,51
cl 6 F25
38,68 37,85
F26
59,79
1,52
cl 8 F27
C19 radius 10.80 1,52
F28
0.76 34.29
c20
F29
F30 radius
3,81 1'27
c2 1
18.54
2,29
c22 F3 1
CZ3 radius 10.80
35.05
F32
C24 degrees
4" 4,32 433
Gl
4,57 4.83
c25 G2
c26 radius 112 width 3,30 3,81
G3
3,68
2,54 3.05
c27 G4
0,03
3,56
c28 G5
C29 radius 1,52
1.37 1.47
cg
C30 radius
0.08 19.30
(37
C3, radius 0,25 23.62
G8
D1 radius 0,51 36,93
37,19
G9
D2 radius 1.52
40,26
G1 O
see 4 7 GT1 nominal
El diameter 10,29 10,64 G12 degrees
0.76
E2 cl 5
38.10
E3 cl 6
11 Basic or true pc ion dimen m.
IS0 3029:1995(E)
O IS0
4.7 The radius D2 applies only at the four areas "Z" note that torque measurement can be significantly
affected by the age of the film and by severe jarring
of the cartridge which might tend to clockspring the
4.8 The axis of diameter E8 (see figure 1) shall be
scroll of film against the cavity wall. Thus, simulated
capable of meeting its true position (as defined by C5
customer conditions shall be taken into account when
and Cl,).
checking maximum torque (see also annex A).
4.9 Although the spool may extend beyond the
4.17 The two sets of dimensions, C16 and C17,
cartridge housing when pushed in either direction, the
together with Gg and Glo, describe the sides or walls
sum of E4 and E5 shall be selected so that the total
of a rectangular channel which mates with a rail in the
spool length will be capable of being completely
camera. Although the surfaces are shown as
contained within the cartridge housing dimension F1
completely planar, they may be slightly depressed or
+ F2. It is important that the spool can shift freely to
relieved except in the four gauging areas. The tops of
be contained in the cartridge housing.
the resulting kinematic pips, or protrusions, however,
should observe the dimensional limits.
4.10 Dimension Eg represents the theoretical
maximum spool flange diameter.
4.18 Dimension Flo designates the wall nearest
datum T of one side of a rectangular rail whose
4.11 Gll (1,45 mm) is a nominal dimension from the
surface, although shown completely planar, may be
gauging area of datum U to the film emulsion surface
stepped or chamfered, if desired.
plane and applies only to a film load which has
acquired "scroll set" at least equivalent to that
expected at the earliest time it is anticipated that the
4.19 The outside edge or wall of the rail containing
film would be exposed by customers. Throughout the
the film-locating notch and identification notches is
expected useful life of the film, dimension Gll
described by dimension F2. This surface, although
represents the aim value for the film emulsion
shown completely planar, may be stepped or
surface throughout the cartridge aperture. Since the
chamfered similar to the cross-section of the film
design and adjustment of camera lenses, with
exposure rail, if desired.
respect to focal plane and depth of field, will be based
on this value, control of this dimension within narrow
limits by manufacturers of film-loaded cartridges is an
important quality consideration.
5 Dimensions and location of film
exposure notches
4.12 G16 (1,98 mm) is the maximum dimension
5.1 The film exposure notch enables the cartridge
from the gauging area of datum U to the non-
manufacturer to incorporate a specific notch which
deflected first surface (black side, i.e. side contiguous
corresponds to the exposure which should be used
with the film surface opposite the emulsion surface)
for a particular film in the cartridge. This notch
of the backing paper within "Area S".
automatically presets some cameras to this exposure
setting. The exposure may be different from that
e 4.13 The take-up core diameter shall be 11,81 mm
specified for film under the lighting conditions used.
minimum.
IS0 speed of 100 may be
For example, film with an
notched for IS0 64 for use in fixed-exposure cameras
to take advantage of the film's over-exposure latitude.
4.14 "Film weave" shall not exceed i 0,51 mm of
the true position measured at a perforation as shown
in figure 1.
5.2 The dimensions and location of these notches
are shown in figure 1 and given in table 2.
4.15 If film data, such as film name and number of
exposures in load, are to be provided, they shall be
within the area shown.
6 Dimensions, location and numbering
of film identification notches and
4.16 Film-load cartridges should require no more
assignment of notch combination code
than 50 x 10-3 N.m of torque to sustain film advance
number
and no more than 85 x IO" N.m of torque to
overcome momentary torque peaks; torques specified
6.1 The set of film identification notches represents
refer to measurements at the cartridge spool. Torque
a notch combination code number and may be
peaks can occur as a leading or trailing end of the film
incorporated by the cartridge manufacturer to prov
...
NORME
IS0
I NT E R NAT I O N AL E
Troisième édition
1995-02-01
Photographie - Chargeur format 126 -
Dimensions du chargeur, du film et du papier
protecteur
Photography - 126-size cartridges - Dimensions of cartridge, film and
backing paper
Numéro de référence
IS0 3029:1995(F)
IS0 3029:1995(F)
Avant-propos
L'ISO (Organisation internationale de normalisation) est une fédération
mondiale d'organismes nationaux de normalisation (comités membres de
I'ISO). L'élaboration des Normes internationales est en général confiée aux
comités techniques de I'ISO. Chaque comité membre intéressé par une
étude a le droit de faire partie du comité technique créé à cet effet. Les
organisations internationales, gouvernementales et non gouverne-
mentales, en liaison avec I'ISO participent également aux travaux. L'ISO
collabore étroitement avec la Commission électrotechnique internationale
(CEI) en ce qui concerne la normalisation électrotechnique.
Les projets de Normes internationales adoptés par les comités techniques
sont soumis aux comités membres pour vote. Leur publication comme
Normes internationales requiert l'approbation de 75 % au moins des
comités membres votants.
La Norme internationale IS0 3029 a été élaborée par le comité technique
ISO/TC 42, Photographie.
Cette troisième édition annule et remplace la deuxième édition
(IS0 3029:1983), dont elle constitue une révision technique.
Les annexes A et B de la présente Norme internationale sont données
uniquement à titre d'information.
O IS0 1995
Droits de reproduction réservés. Sauf prescription différente, aucune partie de cette publication
ne peut être reproduite ni utilisée sous quelque forme que ce soit et par aucun procédé,
électronique ou mécanique, y compris la photocopie et les microfilms, sans l'accord écrit de
l'éditeur.
Organisation internationale de normalisation
Case postale 56 CH-1 21 1 Genève 20 Suisse
~ imprimé en Suisse
I II
NORME INTERNATIONALE O IS0 IS0 3029:1995(F)
Photographie - Chargeur format 126 - Dimensions du
chargeur, du film et du papier protecteur
moment de la coupe, dans les conditions atmo-
1 Domaine d'application
sphériques normales de (23 * 2) "C et de (50 * 5) '%O
d'humidité relative comme indiqué dans I'ISO 554 '1.
La présente Norme internationale prescrit les
dimensions des chargeurs de format 126 ainsi que les
dimensions du film et du papier protecteur. Certaines
caractéristiaues souhaitables Dour les amareils de
prise de vues sont données,'à titre indicatif, dans
4 Dimensions et caractéristiques du
ilannexe A.
chargeur et de la bobine
La présente Norme internationale prescrit également
4.1 Les dimensions et les caractéristiques du char-
les dimensions d'un ensemble d'encoches d'identifi-
geur et de la bobine doivent être conformes à celles
cation du film qui attribue un numéro de code à un
données à la figure 1 et dans le tableau 1.
film donné, à la demande du fabricant. Le but de la
présente Norme internationale n'est pas d'assigner à
un film particulier certaines encoches d'identification,
4.2 La plupart des dimensions du chargeur sont rap-
ni de les incorporer dans les normes. Cependant, la
portées à un ensemble de trois plans de référence
procédure à suivre par les fabricants de film, pour
U, S et T (voir
mutuellement perpendiculaires,
obtenir un numéro de code, est donnée dans I'an-
figure I), qui coÏncident avec les surfaces venant au
nexe B.
contact des éléments qui assurent le positionnement
exact du chargeur dans l'appareil.
2 Références normatives
Les normes suivantes contiennent des dispositions
4.3 Afin de représenter l'espace minimal à ménager
qui, par suite de la référence qui en est faite, cons-
pour le chargeur dans l'appareil, tous les schémas du
tituent des dispositions valables pour la présente
chargeur ont été dessinés en utilisant les contours
Norme internationale. Au moment de la publication,
particuliers correspondant au chargeur présentant le
les éditions indiquées étaient en vigueur. Toute nor-
profil maximal (voir également 4.9).
0 me est sujette à révision et les parties prenantes des
accords fondés sur la présente Norme internationale
sont invitées à rechercher la possibilité d'appliquer les
4.4 En vue du contrôle de qualité, les quatre plages
éditions les plus récentes des normes indiquées ci-
du plan de référence U sont utilisées pour mesurer
après. Les membres de la CE1 et de I'ISO possèdent
les dimensions du chargeur.
le registre des Normes internationales en vigueur à un
moment donné.
4.5 La figure 1 montre la bobine ou le noyau, sur
IS0 1 :I 975, Température normale de référence des
lequel le film est enroulé, poussé dans le chargeur
mesures industrielles de longueur.
aussi haut que possible.
IS0 554: 1976, Atmosphères normales de condition-
nement et/ou d'essai - Spécifications.
4.6 Le rayon C25 doit être un rayon unique tangent à
trois plans, déterminés respectivement par CI2 max.,
3 Conditions de mesurage des
CI4 max. et un plan passant par l'intersection des
dimensions
deux plans définis par CI5 min. et G2 max. et faisant
Les dimensions de coupe et de tolérances prescrites un angle C2, min. avec le plan défini par CI5 min. (voir
dans la présente Norme internationale s'appliquent au figure 1, détail O).
1) II convient que tout calibrage d'instrument de mesure se rapporte à une température de 20 "C (comme prescrit dans
I'ISO 1) ainsi qu'à une humidité relative de 50 YO.
IS0 3029:1995(F)
O IS0
Dimensions en millimètres
U
C
O
.-.
+
.-
ln
Qa
X
W
ù
Figure 1 - Chargeur et bobine
IS0 3029:1995(F)
O IS0
Dimensions en millimetres
la
W
u
C
W
L
P)
Y-
'
W
'O
C
d
a
'O-
:%
cn4
dL
2 .-
no
to
Figure 1 - Chargeur et bobine Ifhl
IS0 3029: 1995(F)
Tableau 1 - Dimensions du chargeur et de la bobine
~~
Millimètres
Dimension
Dimension
min. rnax.
min. rnax.
39,37
3,25 4.27
Al
E4
1,78
40,39 41,40
A2
E5
5,08 rayon 0.38
A3
8,89
E7 rayon 0.64
A4
26,16
E8 diamètre 16,51
A5
30,73 Eg diamètre 2 x rayon
38.35
A7
c25
5,59
E10 rayon 0.25
3.30
3,81
A9 F1
AIO rayon 6,48 F2 voir 4.19
41.40
1.47
A11 ') 1,37
F3
1 11
A12 l) 2,41
F4
A13 voir 4.15 7,ll
5,18
F5
A14 voir 4.15
38,lO F6 rayon 4,44
4,32 F7 rayon 3.18
B1
B2 rayon 0,51
Fe rayon 1,65
0,25
B3 Fg rayon 0,13
27,33 F10 voir 4.1 8 35.05
C1 35,46
60.96 1,27
c2
F11
25,15
F12 rayon 1,27
c3
58.42
c4 38.86
F13
c5 1) 1 7
4.88 5.89
F1 4
14,30
13.84
c6 F1 5
4,06 21,72
c7
F16
C8 rayon
12,45 30.05 30,81
FI 7
0.00
33.60 33,96
C9
F18
3,81
1.90 2,16
Cl O F19
E 3
F20 voir 4.14 3
c11 l' a
21.46
6,20 6.60
Cl 2 F2 1
1,14 1,40 F22 rayon
c13 0,76
26,92 4,06
cl 4
F23
0,89
14.30
c15 F24
35,41 35.66
cl 6 0,51
F25
38,68
cl 7 37.85
F26
59,79 1,52
Cl 8
F27
C1 rayon 10,80
1,52
F28
0.76
c20 34.29
F29
3.81 F30 rayon
c2 1 1,27
18.54 2.29
c22 F31
C23 rayon
10.80
35.05
F32
C24 degrés 40
4.32
4.83
G1
voir 4.6
4,57 4.83
C25
G2
c26 rayon
i/2 largeur
3,30 3,81
G3
3,68
2,54 3.05
C27 G4
0,03
3,56
C28
G5
C29 rayon
1.52 1,37
1,47
cg
C30 rayon 0,08
19,30
G7
C31 rayon
0,25 23,62
G8
D1 rayon 0,51
36,93
37.19
G9
D2 rayon
1,52 40.26
G1 O
doir 4.7
Gll nominal
F1 diamètre 10.29 10.64
G12 degrés
0.76
F2
cl 5
38.10
03 G16
1 i Dimension fondamentale ou dimension réelle de positionnement.
O IS0 IS0 3029: 1995(F)
4.7 Le rayon D2 n'apparaît qu'aux quatre plages mesurages effectués sur la bobine du chargeur. Des
((Z)). pointes du couple peuvent se produire lorsque
l'amorce initiale ou finale d'un film quitte l'alvéole
d'approvisionnement, ainsi qu'au début de chaque
4.8 L'axe du diamètre E8 (voir figure 1) doit pouvoir
avance du film. II convient également de noter que les
prendre sa véritable position (telle qu'elle est définie
mesures du couple peuvent être sérieusement
par C5 et ClIl.
affectées par l'âge du film et par une manipulation
brutale du chargeur qui, en desserrant les spires du
4.9 Bien que la bobine puisse dépasser le logement
film peut les amener, par effet de ressort, contre la
du chargeur, quand elle est poussée dans un sens ou
paroi du logement. II est donc utile, pour mesurer le
dans l'autre, la somme E4 + E5 doit être choisie telle
couple maximal, de simuler les conditions d'utilisation
que la longueur totale de la bobine puisse être
par le client (voir également annexe A).
entièrement contenue dans la dimension F1 + F2 du
logement du chargeur. II est important que la bobine
4.17 Les deux séries de dimensions c16 et Cl7, ainsi
puisse se déplacer librement pour être contenue dans
que Gg et CIO, se réfèrent aux côtes ou aux parois
le logement du chargeur.
à
d'une gorge de section rectangulaire, s'adaptant
une nervure correspondante dans l'appareil formant
4.10 La dimension Eg représente le diamètre
cadre d'appui. Bien que les surfaces soient représen-
maximal théorique des joues de la bobine.
tées sur le schéma comme planes, elles peuvent pré-
senter une légère dépression ou un certain relief, sauf
a
aux quatre plages de mesurage. Cependant, les som-
4.1 1 GI, (1.45 mm) est une dimension nominale de
mets de reliefs ou protubérances cinématiques en
la plage de mesurage du plan de référence U au plan
résultant devraient respecter les limites des
de la surface de l'émulsion du film, et ne s'applique
dimensions.
qu'à un film ayant acquis un moulage au moins
équivalent à celui existant au moment prévu de I'uti-
lisation du chargeur par le client. Pour toute la durée 4.18 La dimension Flo correspond à la paroi la plus
de vie utile supposée du film, la dimension GI1 repré- proche du plan de référence T d'un des côtés de la
sente la valeur visée pour la surface de l'émulsion à nervure de section rectangulaire dont la surface, bien
son passage devant la fenêtre du chargeur. La
que représentée comme située sur un même plan,
conception et le réglage de l'optique de l'appareil,
peut, si nécessaire, comporter des gradins ou être
quant au plan focal et à la profondeur de champ, étant
biseautée.
basés sur cette valeur, le respect de cette dimension,
dans d'étroites limites de tolérance, par les fabricants
4.19 Le bord externe ou la paroi extérieure du
de film en chargeurs est un facteur de qualité
rebord, comportant l'encoche de mise en place du
important.
film et les encoches d'identification, est défini(e) par
la dimension F2. Cette surface, bien que représentée
4.12 G16 (1,98 mm) est la dimension maximale de la
comme située sur un même plan, peut, si nécessaire,
plage de mesurage du plan de référence U à la
comporter des gradins ou être biseautée comme la
première face du papier protecteur (côté noir, c'est-à-
section en coupe du rebord comportant les encoches
0 dire la face contiguë au côté non émulsionné du film)
d'exposition du film.
dans les limites de la plage «S».
5 Dimensions et positions des encoches
4.13 Le diamètre du noyau récepteur doit être de
d'exposition
11.81 mm au minimum.
5.1 L'encoche d'exposition permet au fabricant du
4.14 Le film, en cheminant, ne doit pas s'écarter de
chargeur de lui incorporer une encoche spécifique,
0,51 mm de sa position véritable, mesurée au
correspondant au type d'exposition à utiliser pour un
niveau d'une perforation, comme elle est indiquée à la
film donné, placé dans le chargeur. Cette encoche
figure 1.
règle automatiquement certains appareils de prise de
vues sur ce type d'exposition. Elle peut être
4.15 Si les indications d'identification du film telles
différente de celle prescrite pour le film dans les
que la marque et le nombre de vues du chargeur
conditions d'éclairement utilisées. Par exemple, pour
doivent apparaître, elles doivent figurer dans la zone
l'utilisation dans des appareils sans réglage, un film
représentée.
de sensibilité IS0 100 peut être encoché comme un
film de sensibilité IS0 64, pour utiliser la latitude du
film en surexposition.
4.16 Les chargeurs avec
...








Questions, Comments and Discussion
Ask us and Technical Secretary will try to provide an answer. You can facilitate discussion about the standard in here.
Loading comments...