ISO 2936:1983
(Main)Assembly tools for screws and nuts — Hexagon socket screw keys — Metric series
Assembly tools for screws and nuts — Hexagon socket screw keys — Metric series
Outils de manoeuvre pour vis et écrous — Clés mâles coudées pour vis à six pans creux — Série métrique
General Information
- Status
- Withdrawn
- Publication Date
- 30-Nov-1983
- Withdrawal Date
- 30-Nov-1983
- Technical Committee
- ISO/TC 29/SC 10 - Assembly tools for screws and nuts, pliers and nippers
- Drafting Committee
- ISO/TC 29/SC 10 - Assembly tools for screws and nuts, pliers and nippers
- Current Stage
- 9599 - Withdrawal of International Standard
- Start Date
- 22-Jun-1995
- Completion Date
- 12-Feb-2026
Relations
- Effective Date
- 15-Apr-2008
ISO 2936:1983 - Assembly tools for screws and nuts -- Hexagon socket screw keys -- Metric series
ISO 2936:1983 - Outils de manoeuvre pour vis et écrous -- Clés mâles coudées pour vis a six pans creux -- Série métrique
Get Certified
Connect with accredited certification bodies for this standard
National Aerospace and Defense Contractors Accreditation Program (NADCAP)
Global cooperative program for special process quality in aerospace.
CARES (UK Certification Authority for Reinforcing Steels)
UK certification for reinforcing steels and construction.
DVS-ZERT GmbH
German welding certification society.
Sponsored listings
Frequently Asked Questions
ISO 2936:1983 is a standard published by the International Organization for Standardization (ISO). Its full title is "Assembly tools for screws and nuts — Hexagon socket screw keys — Metric series". This standard covers: Assembly tools for screws and nuts — Hexagon socket screw keys — Metric series
Assembly tools for screws and nuts — Hexagon socket screw keys — Metric series
ISO 2936:1983 is classified under the following ICS (International Classification for Standards) categories: 25.140.30 - Hand-operated tools. The ICS classification helps identify the subject area and facilitates finding related standards.
ISO 2936:1983 has the following relationships with other standards: It is inter standard links to ISO 2936:1995. Understanding these relationships helps ensure you are using the most current and applicable version of the standard.
ISO 2936:1983 is available in PDF format for immediate download after purchase. The document can be added to your cart and obtained through the secure checkout process. Digital delivery ensures instant access to the complete standard document.
Standards Content (Sample)
International Standard 2936
INTERNATIONAL ORGANIZATION FOR STANDARDIZATI0N~ME)KnYHAPOllHAR OPTAHH3AUHR il0 CTAHAAFTH3AUHH.ORGANlSATlON INTERNATIONALE DE NORMALISATION
Assembly tools for screws and nuts - Hexagon socket
O
screw keys - Metric series
Outils de manœuvre pour vis et écrous - Clés mâles coudées pour vis à six pans creux - Série métrique
Second edition - 1983-12-01
- W UDC 621.883.14 Ref. No. IS0 2936-1983 (E)
Descriptors : tools, assembly tools, wrenches, socket head screws, dimensions, tests.
r
Price based on 3 pages
Foreword
IS0 (the International Organization for Standardization) is a worldwide federation of
national standards bodies (IS0 member bodies). The work of developing International
Standards is carried out through IS0 technical committees. Every member body
interested in a subject for which a technical committee has been authorized has the
right to be represented on that committee. International organizations, governmental
and non-governmental, in liaison with ISO, also take part in the work.
Draft International Standards adopted by the technical committees are circulated to
the member bodies for approval before their acceptance as International Standards by
IS0 Council.
the
International Standard IS0 2936 was developed by Technical Committee ISO/TC 29,
Small tools, and was circulated to the member bodies in August 1981.
It has been approved by the member bodies of the following countries :
Australia India Romania
Israel South Africa, Rep. of
Austria
Belgium Italy Sri Lanka
Brazil Japan Sweden
Egypt, Arab Rep. of Korea, Dem. P. Rep. of Switzerland
Korea, Rep. of United Kingdom
France
Germany, F. R. Mexico USSR
Hungary Poland Yugoslavia
The member bodies of the following countries expressed disapproval of the document
on technical grounds :
Czechoslovakia
USA
This second edition cancels and replaces the first edition (i.e. IS0 2936-1977).
O International Organization for Standardization, 1983 O
Printed in Switzerland
INTERNATIONAL STANDARD IS0 2936-1983 (E)
l
Assembly tools for screws and nuts - Hexagon socket
~
screw keys - Metric series
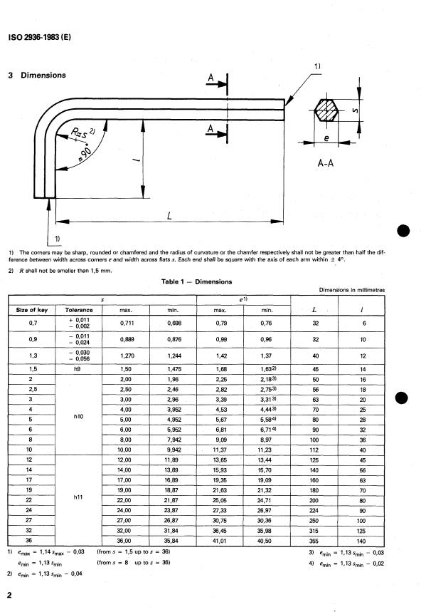
1 Scope and field of application
This International Standard, relating to assembly tools for screws and nuts, deals with hexagon socket screw keys designated as
number 112 in IS0 1703.
It includes a table of dimensions of these keys and a method of test.
In addition it specifies the minimum hardness value that shall be met.
The sp
...
Norme internationale @ 2936
INTERNATIONAL ORGANIZATION FOR STANDARDIZATlON~MEXAYHAPOAHAfl OPrAHM3AUMfl flO CTAHPAPTM3AUMM.ORGANlSATlON INTERNATIONALE DE NORMALISATION
Outils de manœuvre pour vis et écrous - Clés mâles
O
coudées pour vis à six pans creux - Série métrique
Assembly tools for screws and nuts - Hexagon socket screw keys - Metric series
Troisième édition - 1983-12-01
Corrigée et réimprimée - 1984-02-20
- CO Ü 621 .-m:l4
Réf. no : IS0 2936-1983 (FI
Descripteurs : outil, outil d'assemblage, clé de serrage, vis à six pans creux, dimension, essai.
a
Prix basé sur 3 pages
Avant-propos
L'ISO (Organisation internationale de normalisation) est une fédération mondiale
d'organismes nationaux de normalisation (comités membres de I'ISO). L'élaboration
des Normes internationales est confiée aux comités techniques de I'ISO. Chaque
comité membre intéressé par une étude a le droit de faire partie du comité technique
correspondant. Les organisations internationales, gouvernementales et non gouverne-
*
mentales, en liaison avec I'ISO, participent également aux travaux.
Les projets de Normes internationales adoptés par les comités techniques sont soumis
aux comités membres pour approbation, avant leur acceptation comme Normes inter-
nationales par le Conseil de I'ISO.
La Norme internationale IS0 2936 a été élaborée par le comité technique ISO/TC 29,
Petit outillage, et a été soumise aux comités membres en août 1981.
Les comités membres des pays suivants l'ont approuvée :
Afrique du Sud, Rép. d' Egypte, Rép. arabe d' Pologne
Allemagne, R. F. France Roumanie
Australie Hongrie Royaume-Uni
Autriche Inde Sri Lanka
Belgique Israël Suède
Brésil Italie Suisse
Corée, Rép. de Japon URSS
Yougoslavie
Corée, Rép. dém. p. de Mexique
Les comités membres des pays suivants l'ont désapprouvée pour des raisons
techniques :
Tchécoslovaquie
USA
Cette troisième édition annule et remplace la deuxième édition (IS0 2936-1977).
O Organisation internationale de normalisation, 1983 0
Imprimé en Suisse
NORME INTERNATIONALE IS0 2936-1983 (FI
Outils de manœuvre pour vis et écrous - Clés mâles
coudées pour vis à six pans creux - Série métrique
1 Objet et domaine d‘application
La présente Norme internationale, relative aux outils de manœuvre pour vis et écrous, concerne les clés mâles coudées pour vis à six
pans creux répertoriées sous le numéro 112 dans I‘ISO 1703.
Elle comporte un tableau des dimensions de ces clés et une méthode d‘essai
Elle spécifie en outre la valeur minimale de dureté à laquelle doit satisfaire cet outil.
Les soécifications de la Drésente Norme internationale sont applicables pour le serrage des vis de classe de qualité inférieure ou égale à
12,9,’telles que définies dans I’ISO 89811 et pour le serrage des vis sans tête définies dans 1’1S0 89815.
e
2 Références
IS0 8981 1, Caractéristiques mécaniques des éléments de fixation - Partie 7 : boulons,
...








Questions, Comments and Discussion
Ask us and Technical Secretary will try to provide an answer. You can facilitate discussion about the standard in here.
Loading comments...