ASTM D5975-17
(Test Method)Standard Test Method for Determining the Stability of Compost by Measuring Oxygen Consumption
Standard Test Method for Determining the Stability of Compost by Measuring Oxygen Consumption
SIGNIFICANCE AND USE
5.1 A measurement of compost stability is needed for several reasons. It aids in assessing whether the composting process has proceeded sufficiently far to allow the finished compost to be used for its intended application. A different compost stability may be required for different applications of the compost.
5.2 A measurement of compost stability also is needed to verify whether a composting plant is processing the waste to previously agreed levels of stability. This measurement is useful in the commissioning of composting plants and the verification of whether plant operators are satisfying permit requirements.
5.3 The level of compost stability also will indicate its potential to cause odors if the compost is stored without aeration, as well as the level to which it has been hygienized and how susceptible the compost is to renewed bacterial and possible pathogenic activity. Compost stability is an important parameter with regard to phytotoxicity and plant tolerance of the compost.
5.4 The determination of compost stability will allow the selection of well-performing composting technologies, as well as the safe application of compost in its various markets. The method indicates a degree of stability, but does not necessarily indicate that one level is preferable over another level of stability.
SCOPE
1.1 This test method covers the stability of a compost sample by measuring oxygen consumption after exposure of the test compost to a well-stabilized compost under controlled composting conditions on a laboratory scale involving active aeration. This test method is designed to yield reproducible and repeatable results under controlled conditions that resemble the end of the active composting phase. The compost samples are exposed to a well-stabilized compost inoculum that is prepared from the organic fraction of municipal solid waste or waste similar to the waste from which the test materials are derived. The aerobic composting takes place in an environment where temperature, aeration, and humidity are monitored closely and controlled.
1.2 This test method yields a cumulative amount of oxygen consumed/g of volatile solids in the samples over a four-day period. The rate of oxygen consumption is monitored as well.
1.3 This test method is applicable to different types of compost samples including composts derived from wastes, such as municipal solid waste, yard waste, source-separated organics, biosolids, and other types of organic wastes that do not have toxicity levels that are inhibitory to the microorganisms present in aerobic composting systems.
1.4 The values stated in SI units are to be regarded as standard. No other units of measurement are included in this standard.
1.5 There is no similar or equivalent ISO method.
1.6 This standard does not purport to address all of the safety concerns, if any, associated with its use. It is the responsibility of the user of this standard to establish appropriate safety, health, and environmental practices and determine the applicability of regulatory limitations prior to use. Specific hazard statements are given in Section 8.
1.7 This international standard was developed in accordance with internationally recognized principles on standardization established in the Decision on Principles for the Development of International Standards, Guides and Recommendations issued by the World Trade Organization Technical Barriers to Trade (TBT) Committee.
General Information
- Status
- Published
- Publication Date
- 30-Nov-2017
- Technical Committee
- D34 - Waste Management
- Drafting Committee
- D34.03 - Treatment, Recovery and Reuse
Relations
- Effective Date
- 01-Apr-2024
- Effective Date
- 01-Feb-2024
- Effective Date
- 01-Nov-2023
- Effective Date
- 01-Jan-2020
- Effective Date
- 01-Jan-2020
- Effective Date
- 01-Aug-2019
- Effective Date
- 15-Apr-2019
- Effective Date
- 01-Feb-2019
- Effective Date
- 01-Dec-2018
- Effective Date
- 01-Nov-2018
- Effective Date
- 15-Dec-2017
- Effective Date
- 15-Aug-2017
- Effective Date
- 01-Jun-2017
- Effective Date
- 15-Jul-2016
- Effective Date
- 15-Jul-2016
Overview
ASTM D5975-17 specifies the standard test method for determining the stability of compost by measuring its oxygen consumption under controlled laboratory composting conditions. Developed by ASTM International, this test method helps assess how far the composting process has advanced and whether the finished compost is suitable for its intended application. The measurement of oxygen consumption serves as an indicator of compost stability, which is a key parameter in verifying compost quality, plant commissioning, permit compliance, and selection of composting technologies.
This standard is relevant for various compost types, including those derived from municipal solid waste, yard waste, source-separated organics, biosolids, and other organic wastes not inhibitory to the aerobic composting process.
Key Topics
Compost Stability Assessment
The method uses oxygen consumption to evaluate the extent of decomposition and microbial activity in compost samples, providing an objective measure of stability.Laboratory-Controlled Composting Conditions
Testing occurs in a defined environment where temperature, aeration, and humidity are closely monitored to ensure reproducibility and reliability.Oxygen Consumption Measurement
Oxygen uptake is tracked over a four-day period and expressed as milligrams of oxygen consumed per gram of volatile solids, allowing for consistent, quantitative assessment.Applicability
Can be applied to compost produced from a variety of feedstocks as long as the materials do not inhibit aerobic microbial processes.Quality and Permit Verification
The method supports operators in demonstrating compliance with regulatory and permit requirements regarding compost processing and stability.Odor and Hygiene Indicators
Stability level is related to the compost’s potential for odor generation and its susceptibility to renewed microbial or pathogenic activity if not properly stored.
Applications
Composting Facility Operations
Facility managers and operators use this method to monitor process completion, validate operational performance, and optimize composting technologies for quality end products.Regulatory Compliance and Environmental Management
The standard provides documentation required for audits and permitting, ensuring waste is processed to approved levels of stability.Product Quality Assurance
Compost suppliers employ oxygen consumption measurements to certify that their products meet market and end-user requirements for stability, minimizing risks of odor and phytotoxicity.Research and Technology Development
Used in laboratories and R&D settings to compare new composting techniques, evaluate biodegradability of organics, and benchmark performance across compost types.
Related Standards
- ASTM D5338: Test Method for Determining Aerobic Biodegradation of Plastic Materials Under Controlled Composting Conditions
- ASTM D1293: Test Methods for pH of Water
- ASTM D8001: Test Method for Determination of Total Nitrogen, Total Kjeldahl Nitrogen by Calculation, and Total Phosphorus in Water
- APHA Method 2540 D/E: Standard Methods for Examination of Water and Wastewater, Total Suspended Solids, Fixed and Volatile Solids
Note: There is currently no equivalent ISO standard for the measurement of compost stability by oxygen consumption.
Employing ASTM D5975-17 ensures a scientific and standardized approach to compost stability analysis, supporting waste management best practices, product quality, and environmental health. Regular use of this test method helps facilities deliver reliable, well-processed compost tailored to diverse applications in agriculture, landscaping, land reclamation, and beyond. For further reference, consult the ASTM website and related standards to maintain compliance and assure high-quality outcomes.
Buy Documents
ASTM D5975-17 - Standard Test Method for Determining the Stability of Compost by Measuring Oxygen Consumption
REDLINE ASTM D5975-17 - Standard Test Method for Determining the Stability of Compost by Measuring Oxygen Consumption
Get Certified
Connect with accredited certification bodies for this standard

NSF International
Global independent organization facilitating standards development and certification.
CIS Institut d.o.o.
Personal Protective Equipment (PPE) certification body. Notified Body NB-2890 for EU Regulation 2016/425 PPE.

Kiwa BDA Testing
Building and construction product certification.
Sponsored listings
Frequently Asked Questions
ASTM D5975-17 is a standard published by ASTM International. Its full title is "Standard Test Method for Determining the Stability of Compost by Measuring Oxygen Consumption". This standard covers: SIGNIFICANCE AND USE 5.1 A measurement of compost stability is needed for several reasons. It aids in assessing whether the composting process has proceeded sufficiently far to allow the finished compost to be used for its intended application. A different compost stability may be required for different applications of the compost. 5.2 A measurement of compost stability also is needed to verify whether a composting plant is processing the waste to previously agreed levels of stability. This measurement is useful in the commissioning of composting plants and the verification of whether plant operators are satisfying permit requirements. 5.3 The level of compost stability also will indicate its potential to cause odors if the compost is stored without aeration, as well as the level to which it has been hygienized and how susceptible the compost is to renewed bacterial and possible pathogenic activity. Compost stability is an important parameter with regard to phytotoxicity and plant tolerance of the compost. 5.4 The determination of compost stability will allow the selection of well-performing composting technologies, as well as the safe application of compost in its various markets. The method indicates a degree of stability, but does not necessarily indicate that one level is preferable over another level of stability. SCOPE 1.1 This test method covers the stability of a compost sample by measuring oxygen consumption after exposure of the test compost to a well-stabilized compost under controlled composting conditions on a laboratory scale involving active aeration. This test method is designed to yield reproducible and repeatable results under controlled conditions that resemble the end of the active composting phase. The compost samples are exposed to a well-stabilized compost inoculum that is prepared from the organic fraction of municipal solid waste or waste similar to the waste from which the test materials are derived. The aerobic composting takes place in an environment where temperature, aeration, and humidity are monitored closely and controlled. 1.2 This test method yields a cumulative amount of oxygen consumed/g of volatile solids in the samples over a four-day period. The rate of oxygen consumption is monitored as well. 1.3 This test method is applicable to different types of compost samples including composts derived from wastes, such as municipal solid waste, yard waste, source-separated organics, biosolids, and other types of organic wastes that do not have toxicity levels that are inhibitory to the microorganisms present in aerobic composting systems. 1.4 The values stated in SI units are to be regarded as standard. No other units of measurement are included in this standard. 1.5 There is no similar or equivalent ISO method. 1.6 This standard does not purport to address all of the safety concerns, if any, associated with its use. It is the responsibility of the user of this standard to establish appropriate safety, health, and environmental practices and determine the applicability of regulatory limitations prior to use. Specific hazard statements are given in Section 8. 1.7 This international standard was developed in accordance with internationally recognized principles on standardization established in the Decision on Principles for the Development of International Standards, Guides and Recommendations issued by the World Trade Organization Technical Barriers to Trade (TBT) Committee.
SIGNIFICANCE AND USE 5.1 A measurement of compost stability is needed for several reasons. It aids in assessing whether the composting process has proceeded sufficiently far to allow the finished compost to be used for its intended application. A different compost stability may be required for different applications of the compost. 5.2 A measurement of compost stability also is needed to verify whether a composting plant is processing the waste to previously agreed levels of stability. This measurement is useful in the commissioning of composting plants and the verification of whether plant operators are satisfying permit requirements. 5.3 The level of compost stability also will indicate its potential to cause odors if the compost is stored without aeration, as well as the level to which it has been hygienized and how susceptible the compost is to renewed bacterial and possible pathogenic activity. Compost stability is an important parameter with regard to phytotoxicity and plant tolerance of the compost. 5.4 The determination of compost stability will allow the selection of well-performing composting technologies, as well as the safe application of compost in its various markets. The method indicates a degree of stability, but does not necessarily indicate that one level is preferable over another level of stability. SCOPE 1.1 This test method covers the stability of a compost sample by measuring oxygen consumption after exposure of the test compost to a well-stabilized compost under controlled composting conditions on a laboratory scale involving active aeration. This test method is designed to yield reproducible and repeatable results under controlled conditions that resemble the end of the active composting phase. The compost samples are exposed to a well-stabilized compost inoculum that is prepared from the organic fraction of municipal solid waste or waste similar to the waste from which the test materials are derived. The aerobic composting takes place in an environment where temperature, aeration, and humidity are monitored closely and controlled. 1.2 This test method yields a cumulative amount of oxygen consumed/g of volatile solids in the samples over a four-day period. The rate of oxygen consumption is monitored as well. 1.3 This test method is applicable to different types of compost samples including composts derived from wastes, such as municipal solid waste, yard waste, source-separated organics, biosolids, and other types of organic wastes that do not have toxicity levels that are inhibitory to the microorganisms present in aerobic composting systems. 1.4 The values stated in SI units are to be regarded as standard. No other units of measurement are included in this standard. 1.5 There is no similar or equivalent ISO method. 1.6 This standard does not purport to address all of the safety concerns, if any, associated with its use. It is the responsibility of the user of this standard to establish appropriate safety, health, and environmental practices and determine the applicability of regulatory limitations prior to use. Specific hazard statements are given in Section 8. 1.7 This international standard was developed in accordance with internationally recognized principles on standardization established in the Decision on Principles for the Development of International Standards, Guides and Recommendations issued by the World Trade Organization Technical Barriers to Trade (TBT) Committee.
ASTM D5975-17 is classified under the following ICS (International Classification for Standards) categories: 13.030.40 - Installations and equipment for waste disposal and treatment. The ICS classification helps identify the subject area and facilitates finding related standards.
ASTM D5975-17 has the following relationships with other standards: It is inter standard links to ASTM D2908-91(2024), ASTM D883-24, ASTM D883-23, ASTM D883-20, ASTM D4129-05(2020), ASTM D883-19c, ASTM D883-19a, ASTM D883-19, ASTM D883-18a, ASTM D883-18, ASTM D2908-91(2017), ASTM D883-17, ASTM D3590-17, ASTM D8001-16, ASTM D8001-16e1. Understanding these relationships helps ensure you are using the most current and applicable version of the standard.
ASTM D5975-17 is available in PDF format for immediate download after purchase. The document can be added to your cart and obtained through the secure checkout process. Digital delivery ensures instant access to the complete standard document.
Standards Content (Sample)
This international standard was developed in accordance with internationally recognized principles on standardization established in the Decision on Principles for the
Development of International Standards, Guides and Recommendations issued by the World Trade Organization Technical Barriers to Trade (TBT) Committee.
Designation: D5975 − 17
Standard Test Method for
Determining the Stability of Compost by Measuring Oxygen
Consumption
This standard is issued under the fixed designation D5975; the number immediately following the designation indicates the year of
original adoption or, in the case of revision, the year of last revision. A number in parentheses indicates the year of last reapproval. A
superscript epsilon (´) indicates an editorial change since the last revision or reapproval.
1. Scope ization established in the Decision on Principles for the
Development of International Standards, Guides and Recom-
1.1 This test method covers the stability of a compost
mendations issued by the World Trade Organization Technical
sample by measuring oxygen consumption after exposure of
Barriers to Trade (TBT) Committee.
the test compost to a well-stabilized compost under controlled
composting conditions on a laboratory scale involving active
2. Referenced Documents
aeration. This test method is designed to yield reproducible and
2.1 ASTM Standards:
repeatable results under controlled conditions that resemble the
D883 Terminology Relating to Plastics
end of the active composting phase. The compost samples are
D1293 Test Methods for pH of Water
exposed to a well-stabilized compost inoculum that is prepared
D2908 Practice for Measuring Volatile Organic Matter in
from the organic fraction of municipal solid waste or waste
Water by Aqueous-Injection Gas Chromatography
similar to the waste from which the test materials are derived.
D3590 Test Methods for Total Kjeldahl Nitrogen in Water
The aerobic composting takes place in an environment where
D4129 Test Method for Total and Organic Carbon in Water
temperature, aeration, and humidity are monitored closely and
by High Temperature Oxidation and by Coulometric
controlled.
Detection
1.2 This test method yields a cumulative amount of oxygen
D5338 Test Method for Determining Aerobic Biodegrada-
consumed/g of volatile solids in the samples over a four-day
tion of Plastic Materials Under Controlled Composting
period. The rate of oxygen consumption is monitored as well.
Conditions, Incorporating Thermophilic Temperatures
1.3 This test method is applicable to different types of
D5907 Test Methods for Filterable Matter (Total Dissolved
compost samples including composts derived from wastes, Solids) and Nonfilterable Matter (Total Suspended Solids)
such as municipal solid waste, yard waste, source-separated
in Water
organics, biosolids, and other types of organic wastes that do
D8001 Test Method for Determination of Total Nitrogen,
not have toxicity levels that are inhibitory to the microorgan-
Total Kjeldahl Nitrogen by Calculation, and Total Phos-
isms present in aerobic composting systems.
phorus in Water, Wastewater by Ion Chromatography
2.2 APHA-AWWA-WPCF Standards:
1.4 The values stated in SI units are to be regarded as
2540 D Total Suspended Solids Dried at 103°–105 °C
standard. No other units of measurement are included in this
2540 E Fixed and Volatile Solids Ignited at 550 °C
standard.
1.5 There is no similar or equivalent ISO method.
3. Terminology
1.6 This standard does not purport to address all of the
3.1 Definitions of terms in this test method appear in
safety concerns, if any, associated with its use. It is the
Terminology D883.
responsibility of the user of this standard to establish appro-
priate safety, health, and environmental practices and deter-
4. Summary of Test Method
mine the applicability of regulatory limitations prior to use.
4.1 This test method consists of the following:
Specific hazard statements are given in Section 8.
4.1.1 Selecting a compost sample for the determination of
1.7 This international standard was developed in accor-
the stability.
dance with internationally recognized principles on standard-
1 2
This test method is under the jurisdiction of ASTM Committee D34 on Waste For referenced ASTM standards, visit the ASTM website, www.astm.org, or
Management and is the direct responsibility of Subcommittee D34.03 on Treatment, contact ASTM Customer Service at service@astm.org. For Annual Book of ASTM
Recovery and Reuse. Standards volume information, refer to the standard’s Document Summary page on
Current edition approved Dec. 1, 2017. Published December 2017. Originally the ASTM website.
approved in 1996. Last previous edition approved in 2010 as D5975 – 96 (2010). Standard Methods for the Examination of Water and Wastewater, 17th Edition,
DOI: 10.1520/D5975-17. 1989, American Public Health Association, 1740 Broadway, New York, NY, 19919.
Copyright © ASTM International, 100 Barr Harbor Drive, PO Box C700, West Conshohocken, PA 19428-2959. United States
D5975 − 17
4.1.2 Producing a fully stabilized compost from a similar possible pathogenic activity. Compost stability is an important
waste stream under well-controlled laboratory conditions. parameter with regard to phytotoxicity and plant tolerance of
4.1.3 Exposing the compost test samples to the fully stabi- the compost.
lized compost under controlled composting conditions.
5.4 The determination of compost stability will allow the
4.1.4 Measuring the oxygen consumption rate and deter-
selection of well-performing composting technologies, as well
mining the cumulative oxygen consumption.
as the safe application of compost in its various markets. The
4.2 Obtaining the level of stability from the cumulative
method indicates a degree of stability, but does not necessarily
oxygen consumption.
indicate that one level is preferable over another level of
stability.
5. Significance and Use
6. Apparatus
5.1 A measurement of compost stability is needed for
several reasons. It aids in assessing whether the composting
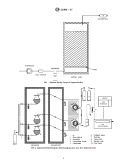
6.1 Stabilized Compost Inoculum Preparation Bin (see Fig.
process has proceeded sufficiently far to allow the finished
1):
compost to be used for its intended application. A different
6.1.1 A stabilized compost inoculum preparation bin with a
compost stability may be required for different applications of
volume of 100 to 200 L, with insulation sufficient to maintain
the compost.
composting temperatures of 50 to 65 °C during a period of at
5.2 A measurement of compost stability also is needed to
least two weeks when composting similar waste as the waste
verify whether a composting plant is processing the waste to
from which the samples were derived, and equipped with air
previously agreed levels of stability. This measurement is
distribution plate, inlet and outlet, and airtight lid.
useful in the commissioning of composting plants and the
6.1.2 Pressurized Air, provided to the composting bin at a
verification of whether plant operators are satisfying permit
precise and controllable rate up to 200 L/kg waste/day.
requirements.
6.1.3 Thermometer, with temperature measurement up to
80 °C (62 °C).
5.3 The level of compost stability also will indicate its
potential to cause odors if the compost is stored without 6.1.4 Suitable devices for measuring oxygen and CO
aeration, as well as the level to which it has been hygienized (optional) concentrations in the exhaust air of the composting
and how susceptible the compost is to renewed bacterial and bin, such as sensors or appropriate gas chromatography.
FIG. 1 Optional Set-Up Compost Preparation Bin
D5975 − 17
6.2 Composting Apparatus (see Fig. 2): 8. Hazards
6.2.1 A series of at least nine composting vessels (one test
8.1 This test method requires the use of hazardous chemi-
substance, one blank, one positive reference, all in three
cals. Avoid contact with the chemicals and follow manufactur-
replicates) of 2 to 5 L of volume.
er’s instructions and Safety Data Sheets (SDS).
6.2.2 Incubators, water baths, or other temperature control-
ling means capable of maintaining the temperature of the
8.2 The waste materials used for the production of stabilized
composting vessels at 25 °C (62 °C).
compost, or the compost samples may contain sharp objects.
6.2.3 Pressurized Air System, providing H O-saturated air
Take care when handling.
to each of the composting vessels at the appropriate aeration
8.3 The composting vessels are not designed to withstand
rates.
high pressures. The system should be operated at close to
6.2.4 Suitable devices for measuring oxygen concentration
ambient pressure.
in the exhaust air of the composting vessels, such as specific
sensors or appropriate gas chromatography.
8.4 This standard does not purport to address all of the
safety concerns, if any, associated with its use. It is the
6.3 Miscellaneous:
responsibility of the user of this standard to establish appro-
6.3.1 Balance (61 mg), to weigh sample and stabilized
priate safety, health, and environmental practices and deter-
compost.
mine the applicability of regulatory limitations prior to use.
6.3.2 Scales (60.1 kg), to weigh composting waste for
stabilized compost production.
9. Stabilized Compost
6.3.3 Normal laboratory glassware, equipment, and chemi-
cals.
9.1 The stabilized compost, which serves as an inoculum
6.3.4 Suitable devices and analytical equipment for measur-
and the test matrix, should be well-aerated compost two to four
ing dry solids (at 105 °C), volatile solids (at 550 °C), volatile
months old, coming from the organic fraction of municipal
fatty acids by aqueous-injection chromatography, and total
solid waste or source-separated organics, and sieved over a
Kjeldahl nitrogen.
screen of <10 mm. It is recommended that the stabilized
compost control consumes 15 to 80 mg of oxygen/g of volatile
7. Reagents and Materials
solids over the four-day test period. The stabilized compost
7.1 Analytical-grade cellulose (microcrystalline, as used in must have a total solids content between 50 and 60 % on wet
thin-layer chromatography) with a particle size of less than weight, an ash content of less than 70 % on total solids, a pH
10 μm, for use as a positive control.
between 7 and 8, and be free of volatile fatty acids (less than
FIG. 2 Optional Set-Up Using Gas Chromatograph (see also Test Method D5338)
D5975 − 17
100 mg/L as acetic acid). The C/N ratio should be between 10 solids content of the mixture to approximately 50 %, and add
and 20 and the C/P ratio between 30 and 60. the mixture to three composting vessels. Weigh the vessels
with contents.
9.2 The stabilized compost should be as free as possible of
11.1.4 The blank consists of the stabilized compost only,
larger inert materials (for example, glass, stones
...
This document is not an ASTM standard and is intended only to provide the user of an ASTM standard an indication of what changes have been made to the previous version. Because
it may not be technically possible to adequately depict all changes accurately, ASTM recommends that users consult prior editions as appropriate. In all cases only the current version
of the standard as published by ASTM is to be considered the official document.
Designation: D5975 − 96 (Reapproved 2010) D5975 − 17
Standard Test Method for
Determining the Stability of Compost by Measuring Oxygen
Consumption
This standard is issued under the fixed designation D5975; the number immediately following the designation indicates the year of
original adoption or, in the case of revision, the year of last revision. A number in parentheses indicates the year of last reapproval. A
superscript epsilon (´) indicates an editorial change since the last revision or reapproval.
1. Scope
1.1 This test method covers the stability of a compost sample by measuring oxygen consumption after exposure of the test
compost to a well-stabilized compost under controlled-composting controlled composting conditions on a laboratory scale
involving active aeration. This test method is designed to yield reproducible and repeatable results under controlled conditions that
resemble the end of the active composting phase. The compost samples are exposed to a well-stabilized compost inoculum that
is prepared from the organic fraction of municipal solid waste or waste similar to the waste from which the test materials are
derived. The aerobic composting takes place in an environment where temperature, aeration, and humidity are monitored closely
and controlled.
1.2 This test method yields a cumulative amount of oxygen consumed/g of volatile solids in the samples over a four-day period.
The rate of oxygen consumption is monitored as well.
1.3 This test method is applicable to different types of compost samples including composts derived from wastes, such as
municipal solid waste, yard waste, source-separated organics, biosolids, and other types of organic wastes that do not have toxicity
levels that are inhibitory to the microorganisms present in aerobic composting systems.
1.4 The values stated in SI units are to be regarded as standard. No other units of measurement are included in this standard.
1.5 There is no similar or equivalent ISO method.
1.6 This standard does not purport to address all of the safety concerns, if any, associated with its use. It is the responsibility
of the user of this standard to establish appropriate safety safety, health, and healthenvironmental practices and determine the
applicability of regulatory limitations prior to use. Specific hazard statements are given in Section 8.
1.7 This international standard was developed in accordance with internationally recognized principles on standardization
established in the Decision on Principles for the Development of International Standards, Guides and Recommendations issued
by the World Trade Organization Technical Barriers to Trade (TBT) Committee.
2. Referenced Documents
2.1 ASTM Standards:
D515 Test Method for Phosphorus In Water (Withdrawn 1997)
D883 Terminology Relating to Plastics
D1293 Test Methods for pH of Water
D1888 Methods Of Test for Particulate and Dissolved Matter in Water (Withdrawn 1989)
D2908 Practice for Measuring Volatile Organic Matter in Water by Aqueous-Injection Gas Chromatography
D3590 Test Methods for Total Kjeldahl Nitrogen in Water
D4129 Test Method for Total and Organic Carbon in Water by High Temperature Oxidation and by Coulometric Detection
D5338 Test Method for Determining Aerobic Biodegradation of Plastic Materials Under Controlled Composting Conditions,
Incorporating Thermophilic Temperatures
D5907 Test Methods for Filterable Matter (Total Dissolved Solids) and Nonfilterable Matter (Total Suspended Solids) in Water
This test method is under the jurisdiction of ASTM Committee D34 on Waste Management and is the direct responsibility of Subcommittee D34.03 on Treatment,
Recovery and Reuse.
Current edition approved Jan. 1, 2010Dec. 1, 2017. Published January 2010December 2017. Originally approved in 1996. Last previous edition approved in 20042010
as D5975–96(2004).D5975 – 96 (2010). DOI: 10.1520/D5975-96R10.10.1520/D5975-17.
For referenced ASTM standards, visit the ASTM website, www.astm.org, or contact ASTM Customer Service at service@astm.org. For Annual Book of ASTM Standards
volume information, refer to the standard’s Document Summary page on the ASTM website.
Copyright © ASTM International, 100 Barr Harbor Drive, PO Box C700, West Conshohocken, PA 19428-2959. United States
D5975 − 17
D8001 Test Method for Determination of Total Nitrogen, Total Kjeldahl Nitrogen by Calculation, and Total Phosphorus in Water,
Wastewater by Ion Chromatography
2.2 APHA-AWWA-WPCF Standards:
25402540 D D Total Suspended Solids Dried at 103°–105°C103°–105 °C
2540 E E Fixed and Volatile Solids Ignited at 550°C550 °C
3. Terminology
3.1 Definitions of terms in this test method appear in Terminology D883.
4. Summary of Test Method
4.1 This test method consists of the following:
4.1.1 Selecting a compost sample for the determination of the stability.
4.1.2 Producing a fully stabilized compost from a similar waste stream under well-controlled laboratory conditions.
4.1.3 Exposing the compost test samples to the fully stabilized compost under controlled composting conditions.
4.1.4 Measuring the oxygen consumption rate and determining the cumulative oxygen consumption.
4.2 Obtaining the level of stability from the cumulative oxygen consumption.
5. Significance and Use
5.1 A measurement of compost stability is needed for several reasons. It aids in assessing whether the composting process has
proceeded sufficiently far to allow the finished compost to be used for its intended application. A different compost stability may
be required for different applications of the compost.
5.2 A measurement of compost stability also is needed to verify whether a composting plant is processing the waste to
previously agreed levels of stability. This measurement is useful in the commissioning of composting plants and the verification
of whether plant operators are satisfying permit requirements.
5.3 The level of compost stability also will indicate its potential to cause odors if the compost is stored without aeration, as well
as the level to which it has been hygienized and how susceptible the compost is to renewed bacterial and possible pathogenic
activity. Compost stability is an important parameter with regard to phytotoxicity and plant tolerance of the compost.
5.4 The determination of compost stability will allow the selection of well performing well-performing composting
technologies, as well as the safe application of compost in its various markets. The method indicates a degree of stability, but does
not necessarily indicate that one level is preferable over another level of stability.
6. Apparatus
6.1 Stabilized-Compost Stabilized Compost Inoculum Preparation Bin (see Fig. 1):
6.1.1 A stabilized-compost stabilized compost inoculum preparation bin with a volume of 100 to 200 L, with insulation
sufficient to maintain composting temperatures of 50 to 65°C65 °C during a period of at least two weeks when composting similar
waste as the waste from which the samples were derived, and equipped with air distribution plate, inlet and outlet, and airtight lid.
6.1.2 Pressurized Air, provided to the composting bin at a precise and controllable rate up to 200 L/kg waste/day.
6.1.3 Thermometer, with temperature measurement up to 80°C (6 2°C).80 °C (62 °C).
6.1.4 Suitable devices for measuring oxygen and CO (optional) concentrations in the exhaust air of the composting bin, such
as sensors or appropriate gas chromatography.
6.2 Composting Apparatus (see Fig. 2):
6.2.1 A series of at least nine composting vessels (one test substance, one blank, one positive reference, all in three replicates)
of 2 to 5 L of volume.
6.2.2 Incubators, water baths, or other temperature controlling means capable of maintaining the temperature of the composting
vessels at 58°C (6 2°C). 25 °C (62 °C).
6.2.3 Pressurized-Air Pressurized Air System, providing H O-saturated air to each of the composting vessels at the appropriate
aeration rates.
6.2.4 Suitable devices for measuring oxygen concentration in the exhaust air of the composting vessels, such as specific sensors
or appropriate gas chromatography.
6.3 Miscellaneous:
6.3.1 Balance (6 1 (61 mg), to weigh sample and stabilized compost.
6.3.2 Scales (6 0.1 (60.1 kg), to weigh composting waste for stabilized compost production.
The last approved version of this historical standard is referenced on www.astm.org.
“StandardStandard Methods for the Examination of Water and Wastewater,”Wastewater, 17th Edition, 1989, American Public Health Association, 1740 Broadway, New
York, NY, 19919.
D5975 − 17
FIG. 1 Optional Set-Up Compost Preparation Bin
FIG. 2 Optional Set-Up Using Gas Chromatograph (see also Test Method D5338)
D5975 − 17
6.3.3 Normal laboratory glassware, equipment, and chemicals.
6.3.4 Suitable devices and analytical equipment for measuring dry solids (at 105°C),105 °C), volatile solids (at 550°C),550 °C),
volatile fatty acids by aqueous-injection chromatography, and total Kjeldahl nitrogen.
7. Reagents and Materials
7.1 Analytical-grade cellulose (microcrystalline, as used in thin-layer chromatography) with a particle size of less than 10 μm,
10 μm, for use as a positive control.
8. Hazards
8.1 This test method requires the use of hazardous chemicals. Avoid contact with the chemicals and follow manufacturer’s
instructions and Materials Safety Data Sheets (MSDS).(SDS).
8.2 The waste materials used for the production of stabilized compost, or the compost samples may contain sharp objects. Take
care when handling.
8.3 The composting vessels are not designed to withstand high pressures. The system should be operated at close to ambient
pressure.
8.4 This standard does not purport to address all of the safety concerns, if any, associated with its use. It is the responsibility
of the user of this standard to establish appropriate safety, health, and environmental practices and determine the applicability of
regulatory limitations prior to use.
9. Stabilized Compost
9.1 The stabilized compost, which serves as an inoculum and the test matrix, should be well-aerated compost two to four months
old, coming from the organic fraction of municipal solid waste or source-separated organics, and sieved over a screen of <10 mm.
It is recommended that the stabilized compost control consumes 15 to 80 mg of oxygen/g of volatile solids over the four-day test
period. The stabilized compost must have a total solids content between 50 and 60 % on wet weight, an ash content of less than
70 % on total solids, a pH between 7 and 8, and be free of volatile fatty acids (less than 100 mg/L as acetic acid). The C/N ratio
should be between 10 and 20 and the C/P ratio between 30 and 60.
9.2 The stabilized compost should be as free as possible of larger inert materials (for example, glass, stones, metals). These
items should be removed manually to produce a homogeneous material.
10. Test Samples
10.1 The test sample must be representative of the compost that is being assessed for compost quality. Preferably the test sample
should be a composite of various grab samples taken throughout the pile. Otherwise, take samples at various depths of a compost
pile and analyze these compost samples separately to assess any variations within th
...








Questions, Comments and Discussion
Ask us and Technical Secretary will try to provide an answer. You can facilitate discussion about the standard in here.
Loading comments...