ASTM D6587-12(2018)
(Test Method)Standard Test Method for Yarn Number Using Automatic Tester
Standard Test Method for Yarn Number Using Automatic Tester
SIGNIFICANCE AND USE
5.1 This test method for yarn number is satisfactory for acceptance of commercial shipments and is used in the trade.
5.1.1 In case of a dispute arising from differences in reported test results when using this Test Method for acceptance testing of commercial shipments, the purchaser and the supplier should either use the referee Test Method D1907 for yarn number or conduct comparative tests to determine if there is a statistical bias between their laboratories. Competent statistical assistance is recommended for the investigation of bias. As a minimum, the two parties should take a group of test specimens that are as homogeneous as possible and that are from a lot of material of the type in question. The test specimens should then be randomly assigned in equal numbers to each laboratory for testing. The average results from the two laboratories should be compared using appropriate statistical analysis and a probability level chosen by the two parties before the testing is begun. If a bias is found, either its cause must be found and corrected or the purchaser and the supplier must agree to interpret future test results with consideration to the known bias.
5.2 This test method is also used for the quality control for both filament and spun yarns.
SCOPE
1.1 This test method covers the measurement of yarn number of filament and spun yarns using automated testers. Some of the instruments are stand-alone and others are optional modules for instruments that perform additional tests.
1.1.1 The instruments are capable of measuring yarn numbers up to 4000 dtex (3600 denier).
Note 1: For determination of yarn number by use of reel and balance, refer to Test Method D1907.
1.2 The values stated in SI units are to be regarded as standard.
1.3 This standard does not purport to address all of the safety concerns, if any, associated with its use. It is the responsibility of the user of this standard to establish appropriate safety, health, and environmental practices and determine the applicability of regulatory limitations prior to use.
1.4 This international standard was developed in accordance with internationally recognized principles on standardization established in the Decision on Principles for the Development of International Standards, Guides and Recommendations issued by the World Trade Organization Technical Barriers to Trade (TBT) Committee.
General Information
- Status
- Published
- Publication Date
- 30-Jun-2018
- Technical Committee
- D13 - Textiles
- Drafting Committee
- D13.58 - Yarns and Fibers
Relations
- Effective Date
- 01-Jul-2018
- Effective Date
- 01-Jul-2018
- Effective Date
- 01-Mar-2017
- Effective Date
- 15-Sep-2015
- Effective Date
- 01-Sep-2015
- Effective Date
- 01-Apr-2015
- Effective Date
- 01-Oct-2013
- Effective Date
- 01-Oct-2013
- Effective Date
- 01-Oct-2013
- Effective Date
- 01-Oct-2013
- Effective Date
- 15-Jun-2013
- Effective Date
- 15-Jun-2013
- Effective Date
- 15-May-2013
- Effective Date
- 01-Mar-2012
- Effective Date
- 01-Feb-2012
Overview
ASTM D6587-12(2018), Standard Test Method for Yarn Number Using Automatic Tester, establishes a reliable, automated method for measuring the yarn number (also known as linear density) of both filament and spun yarns. Developed by ASTM International, this standard facilitates efficient, consistent, and objective determination of yarn number using automatic testers, supporting both acceptance testing in commercial trade and continuous quality control in textile production environments.
The method is applicable to yarns with numbers up to 4000 dtex (3600 denier) and supports prominent numbering systems such as tex, denier, and cotton count. ASTM D6587 is widely referenced in textile industry contracts and quality assurance procedures, ensuring uniformity and credibility in test results across suppliers, manufacturers, and purchasers.
Key Topics
- Yarn Number Determination: The standard describes the measurement of yarn number (linear density) using automated instruments. Yarn specimens are stripped from the package, cut, weighed, and the number is calculated via computer interface.
- Automatic Testers: Suitable for various instrument types, including stand-alone testers and modular attachments to broader textile testing systems.
- Sampling and Testing Procedures: Provides guidance on sampling practices, calibration requirements, and testing in a standard atmosphere.
- Dispute Resolution: Outlines procedures for managing discrepancies in test results between laboratories, advocating for comparative statistical analysis or use of a referee method (ASTM D1907).
- Reporting and Documentation: Specifies the format for reporting results, ensuring transparency regarding sampling, methods, instrument type, and any deviations from the standard procedure.
- Safety and Compliance: Users are responsible for establishing appropriate safety practices and complying with relevant regulations.
Applications
ASTM D6587-12(2018) is essential for various stakeholders in the textile and yarn industries:
- Commercial Transactions: Supports acceptance testing for commercial shipments, providing a standardized, objective measure for yarn number that is recognized across the industry.
- Textile Quality Control: Ensures ongoing monitoring of both filament and spun yarns in production, helping manufacturers maintain consistency and customer compliance.
- Laboratory Testing: Used by laboratories for routine yarn evaluation, inter-laboratory comparisons, and as a reference for bias testing.
- Supply Chain Integrity: Establishes trustworthy, repeatable data as a basis for negotiation and verification between purchasers and suppliers.
- Standardization: Assists organizations aiming for ISO, WTO-TBT, or other international compliance, supporting harmonized material evaluation and reporting.
Related Standards
For comprehensive yarn testing and terminology, ASTM D6587 references several key ASTM standards:
- ASTM D123: Terminology Relating to Textiles - Provides definitions for all textile testing related terms.
- ASTM D1776: Practice for Conditioning and Testing Textiles - Outlines standard atmospheric conditions for textile testing.
- ASTM D1907: Test Method for Linear Density of Yarn (Yarn Number) by the Skein Method - The referee method for resolving disputes.
- ASTM D2258: Practice for Sampling Yarn for Testing - Guidance on statistical and practical sampling techniques for yarn batches.
- ASTM D4849: Terminology Related to Yarns and Fibers - Supplemental terminology specifically for yarn and fiber subjects.
Keywords: yarn number, linear density, filament yarn, spun yarn, automatic yarn tester, ASTM D6587, textile testing, quality control, commercial acceptance, sampling, denier, tex, cotton count
By adhering to ASTM D6587-12(2018), professionals in the textile industry can ensure consistent measurement and reporting of yarn number, fostering trust, quality, and compliance across the value chain.
Buy Documents
ASTM D6587-12(2018) - Standard Test Method for Yarn Number Using Automatic Tester
Get Certified
Connect with accredited certification bodies for this standard

Control Union Certifications
Global certification for agriculture and sustainability.
Hohenstein Institut
Textile testing and certification.

Bureau Veritas Bangladesh
Bureau Veritas certification services in Bangladesh.
Sponsored listings
Frequently Asked Questions
ASTM D6587-12(2018) is a standard published by ASTM International. Its full title is "Standard Test Method for Yarn Number Using Automatic Tester". This standard covers: SIGNIFICANCE AND USE 5.1 This test method for yarn number is satisfactory for acceptance of commercial shipments and is used in the trade. 5.1.1 In case of a dispute arising from differences in reported test results when using this Test Method for acceptance testing of commercial shipments, the purchaser and the supplier should either use the referee Test Method D1907 for yarn number or conduct comparative tests to determine if there is a statistical bias between their laboratories. Competent statistical assistance is recommended for the investigation of bias. As a minimum, the two parties should take a group of test specimens that are as homogeneous as possible and that are from a lot of material of the type in question. The test specimens should then be randomly assigned in equal numbers to each laboratory for testing. The average results from the two laboratories should be compared using appropriate statistical analysis and a probability level chosen by the two parties before the testing is begun. If a bias is found, either its cause must be found and corrected or the purchaser and the supplier must agree to interpret future test results with consideration to the known bias. 5.2 This test method is also used for the quality control for both filament and spun yarns. SCOPE 1.1 This test method covers the measurement of yarn number of filament and spun yarns using automated testers. Some of the instruments are stand-alone and others are optional modules for instruments that perform additional tests. 1.1.1 The instruments are capable of measuring yarn numbers up to 4000 dtex (3600 denier). Note 1: For determination of yarn number by use of reel and balance, refer to Test Method D1907. 1.2 The values stated in SI units are to be regarded as standard. 1.3 This standard does not purport to address all of the safety concerns, if any, associated with its use. It is the responsibility of the user of this standard to establish appropriate safety, health, and environmental practices and determine the applicability of regulatory limitations prior to use. 1.4 This international standard was developed in accordance with internationally recognized principles on standardization established in the Decision on Principles for the Development of International Standards, Guides and Recommendations issued by the World Trade Organization Technical Barriers to Trade (TBT) Committee.
SIGNIFICANCE AND USE 5.1 This test method for yarn number is satisfactory for acceptance of commercial shipments and is used in the trade. 5.1.1 In case of a dispute arising from differences in reported test results when using this Test Method for acceptance testing of commercial shipments, the purchaser and the supplier should either use the referee Test Method D1907 for yarn number or conduct comparative tests to determine if there is a statistical bias between their laboratories. Competent statistical assistance is recommended for the investigation of bias. As a minimum, the two parties should take a group of test specimens that are as homogeneous as possible and that are from a lot of material of the type in question. The test specimens should then be randomly assigned in equal numbers to each laboratory for testing. The average results from the two laboratories should be compared using appropriate statistical analysis and a probability level chosen by the two parties before the testing is begun. If a bias is found, either its cause must be found and corrected or the purchaser and the supplier must agree to interpret future test results with consideration to the known bias. 5.2 This test method is also used for the quality control for both filament and spun yarns. SCOPE 1.1 This test method covers the measurement of yarn number of filament and spun yarns using automated testers. Some of the instruments are stand-alone and others are optional modules for instruments that perform additional tests. 1.1.1 The instruments are capable of measuring yarn numbers up to 4000 dtex (3600 denier). Note 1: For determination of yarn number by use of reel and balance, refer to Test Method D1907. 1.2 The values stated in SI units are to be regarded as standard. 1.3 This standard does not purport to address all of the safety concerns, if any, associated with its use. It is the responsibility of the user of this standard to establish appropriate safety, health, and environmental practices and determine the applicability of regulatory limitations prior to use. 1.4 This international standard was developed in accordance with internationally recognized principles on standardization established in the Decision on Principles for the Development of International Standards, Guides and Recommendations issued by the World Trade Organization Technical Barriers to Trade (TBT) Committee.
ASTM D6587-12(2018) is classified under the following ICS (International Classification for Standards) categories: 59.080.20 - Yarns. The ICS classification helps identify the subject area and facilitates finding related standards.
ASTM D6587-12(2018) has the following relationships with other standards: It is inter standard links to ASTM D6587-12e1, ASTM D4849-13(2018), ASTM D123-17, ASTM D123-15b, ASTM D123-15a, ASTM D123-15, ASTM D4849-13, ASTM D4849-13e2, ASTM D4849-13e1, ASTM D4849-13e3, ASTM D123-13a, ASTM D123-13ae1, ASTM D123-13, ASTM D2258-99(2012), ASTM D123-12. Understanding these relationships helps ensure you are using the most current and applicable version of the standard.
ASTM D6587-12(2018) is available in PDF format for immediate download after purchase. The document can be added to your cart and obtained through the secure checkout process. Digital delivery ensures instant access to the complete standard document.
Standards Content (Sample)
This international standard was developed in accordance with internationally recognized principles on standardization established in the Decision on Principles for the
Development of International Standards, Guides and Recommendations issued by the World Trade Organization Technical Barriers to Trade (TBT) Committee.
Designation: D6587 − 12 (Reapproved 2018)
Standard Test Method for
Yarn Number Using Automatic Tester
This standard is issued under the fixed designation D6587; the number immediately following the designation indicates the year of
original adoption or, in the case of revision, the year of last revision. A number in parentheses indicates the year of last reapproval. A
superscript epsilon (´) indicates an editorial change since the last revision or reapproval.
1. Scope 3.1.1 The following terms are relevant to this standard:
cotton count, denier, linear density, tex, yarn number, yarn
1.1 This test method covers the measurement of yarn
numbering system.
number of filament and spun yarns using automated testers.
Someoftheinstrumentsarestand-aloneandothersareoptional
3.2 For all other textile terms used in this test method, see
modules for instruments that perform additional tests.
Terminology D123.
1.1.1 The instruments are capable of measuring yarn num-
bers up to 4000 dtex (3600 denier).
4. Summary of Test Method
NOTE 1—For determination of yarn number by use of reel and balance,
4.1 A specified length of yarn (specimen) is automatically
refer to Test Method D1907.
stripped directly from the package, cut, and weighed. The yarn
1.2 The values stated in SI units are to be regarded as
number is calculated by an interfaced computer, displayed on a
standard.
monitor, and may be printed. The yarn number can be reported
1.3 This standard does not purport to address all of the
in tex, denier, or cotton count units.
safety concerns, if any, associated with its use. It is the
responsibility of the user of this standard to establish appro-
5. Significance and Use
priate safety, health, and environmental practices and deter-
mine the applicability of regulatory limitations prior to use.
5.1 This test method for yarn number is satisfactory for
1.4 This international standard was developed in accor- acceptance of commercial shipments and is used in the trade.
dance with internationally recognized principles on standard-
5.1.1 In case of a dispute arising from differences in
ization established in the Decision on Principles for the
reported test results when using this Test Method for accep-
Development of International Standards, Guides and Recom-
tance testing of commercial shipments, the purchaser and the
mendations issued by the World Trade Organization Technical
supplier should either use the referee Test Method D1907 for
Barriers to Trade (TBT) Committee.
yarn number or conduct comparative tests to determine if there
is a statistical bias between their laboratories. Competent
2. Referenced Documents
2 statistical assistance is recommended for the investigation of
2.1 ASTM Standards:
bias.As a minimum, the two parties should take a group of test
D123 Terminology Relating to Textiles
specimens that are as homogeneous as possible and that are
D1776 Practice for Conditioning and Testing Textiles
from a lot of material of the type in question. The test
D1907 Test Method for Linear Density of Yarn (Yarn Num-
specimens should then be randomly assigned in equal numbers
ber) by the Skein Method
to each laboratory for testing.The average results from the two
D2258 Practice for Sampling Yarn for Testing
laboratories should be compared using appropriate statistical
D4849 Terminology Related to Yarns and Fibers
analysis and a probability level chosen by the two parties
3. Terminology
before the testing is begun. If a bias is found, either its cause
3.1 For all terminology relating to D13.58, Yarns and must be found and corrected or the purchaser and the supplier
Fibers, refer to Terminology D4849.
must agree to interpret future test results with consideration to
the known bias.
This test method is under the jurisdiction ofASTM Committee D13 on Textiles
5.2 This test method is also used for the quality control for
and is the direct responsibility of Subcommittee D13.58 on Yarns and Fibers.
Current edition approved July 1, 2018. Published August 2018. Originally
both filament and spun yarns.
ε1
approved in 2000. Last previous edition approved in 2012 as D6587–12 . DOI:
10.1520/D6587-12R18.
6. Apparatus
For referenced ASTM standards, visit the ASTM website, www.astm.org, or
contact ASTM Customer Service at service@astm.org. For Annual Book of ASTM
6.1 Automatic Yarn Numbering Instrument, with interfaced
Standards volume information, refer to the standard’s Document Summary page on
the ASTM website. computer.
Copyright © ASTM International, 100 Barr Harbor Drive, PO Box C700, West Conshohocken, PA 19428-2959. United States
D6587 − 12 (2018)
6.1.1 ACW(AutomaticCutandWeigh)YarnTester, SeriesT lot sample, determine at random which shipping units are to
for textile yarns, Series BCF for bulked continuous filament have each number of packages drawn.
(BCF) carpet yarns, and Series I for industrial yarns. See Fig.
7.3 Test Specimen—Test one specimen from each package
1. The different series testers have different systems for
of filament yarn and five specimens from each package of spun
tensioning yarns and different yarn running speeds.
yarn. See Table 1 for the length of yarn in a specimen.
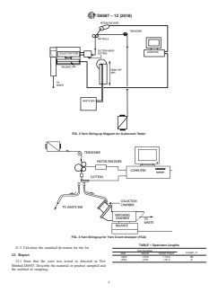
6.1.2 Autocount C —See Fig. 2.
6.1.3 Autocount TTA —See Fig. 3.
8. Conditioning
6.1.4 Yarn Count Analyzer (YCA) —See Fig. 4.
8.1 Precondition and condition the specimens, as directed in
6.2 Calibration Weights—Two grams and others as needed
Practice D1776.
to cover the dtex (denier) ranges of interest.
9. Preparation and Calibration of Apparatus
7. Sampling
9.1 Set up and calibrate the tester using the manufacturer’s
7.1 LotSample—Asalotsampleforacceptancetesting,take
manual and the appropriate appendix of this test method.
at random the number of shipping units directed in an
applicable material specification or other agreement between
10. Procedure
the purchaser and the supplier, such as an agreement to use
Practice D2258. Consider shipping cases or other shipping
10.1 Check each package for cleanliness, overthrown ends,
units to be the primary sampling units.
and any package formation which might interfere with the
free-running of the yarn from the package.
NOTE 2—An adequate specification or other agreement between the
purchaser and the supplier requires taking into account the variability
10.2 Position packages to be tested with the thread line
between shipping units, between packages or ends within a shipping unit,
passing in a straight line from the package to the inlet tube
and between specimens from a single package to provide a sampling plan
without snags or additional tension added. Packages may be
with a meaningful producer’s risk, consumer’s risk, acceptable quality
beneathorabovetheinletjetortube,aspositiondoesnotaffect
level, and limiting quality level.
the results.
7.2 Laboratory Sample—As a laboratory sample for accep-
10.2.1 If the instrument uses a package changer, place the
tance testing, take at random from each shipping unit in the lot
packageinacreelandstringuptheyarninamannertoprevent
sample the number of packages directed in an applicable
snagging or tangling of the ends and excessive tension on the
material specification or other agreement between the pur-
yarn.
chaser and the supplier such as an agreement to use Practice
10.2.2 Prestripping packages is not necessary because the
D2258. Preferably, the same number of packages should be
instruments can be set to prestrip for a specified time before
taken from each shipping unit in the lot sample. If differing
testing.
numbers of packages are to be taken from shipping units in the
10.3 String up the yarns, input sample, and specimen
information and test the specimens as directed in the manufac-
Available from W. Fritz Mezger, Inc., 155 Hall St., Spartanburg, SC 29302-
turer’s manual. See the appendixes for general information
1523 and Lenzing Technik GrmbH & Co KG, 4860 Lenzing, Austria.
specific to the instrument.
Available from Lawson Hemphill Sales, PO Drawer 6388, Spartanburg, SC
29304 and Textechno, Dohrweg 65, D41066, Monchengladbach, Germany.
10.4 Test all specimens in the standard atmosphere for
Available from Lawson Hemphill Sales, P.O. Drawer 6388, Spartanburg, SC
testing as directed in Practice D1776.
29304.
FIG. 1 Yarn String-up Diagram for ACW (Automatic-Cut-and-Weigh) Tester
D6587 − 12 (2018)
FIG. 2 Yarn String-up Diagram for Autocount C
11. Calculation K·M
N 5 (2)
L
11.1 Direct Yarn Numbering Systems:
11.1.1 The calculation for yarn number as dtex (denier) is 5905.41
N 5 (3)
T
based on Eq 1.
K·M 5314.87
N 5 (1) N 5 (4)
L D
where:
where:
N = yarn number, dtex (denier), N = cotton count,
K = constant depending on numbering system, 10000 K = constant for cotton yarn number 0.590541,
(9000) , L = length of specimen, m,
M = mass of specimen, g,
M = mass of specimen, g, and
L = length of specime
...




Questions, Comments and Discussion
Ask us and Technical Secretary will try to provide an answer. You can facilitate discussion about the standard in here.
Loading comments...