ASTM C1579-21
(Test Method)Standard Test Method for Evaluating Plastic Shrinkage Cracking of Restrained Fiber Reinforced Concrete (Using a Steel Form Insert)
Standard Test Method for Evaluating Plastic Shrinkage Cracking of Restrained Fiber Reinforced Concrete (Using a Steel Form Insert)
SIGNIFICANCE AND USE
5.1 The test method is intended to evaluate the effects of evaporation, settlement, and early autogenous shrinkage on the plastic shrinkage cracking performance of fiber reinforced concrete up to and for some hours beyond the time of final setting (see Terminology C125).
5.2 The measured values obtained from this test may be used to compare the performance of concretes with different mixture proportions, concretes with and without fibers, concretes containing various amounts of different types of fibers, and concretes containing various amounts and types of admixtures. For meaningful comparisons, the evaporative conditions during test shall be sufficient to produce an average crack width of at least 0.5 mm in the control specimens (2, 3) (see Note 2). In addition, the evaporation rate from a free surface of water shall be within ± 5 % for each test.
Note 2: To achieve evaporation rates that result in a crack of at least 0.5 mm in the control specimens, it may be necessary to use an evaporation rate higher than that discussed in Note 1.
5.3 This method attempts to control atmospheric variables to quantify the relative performance of a given fresh concrete mixture. Since many other variables such as cement fineness, aggregate gradation, aggregate volume, mixing procedures, slump, air content, concrete temperature and surface finish can also influence potential cracking, attention shall be paid to keep these as consistent as possible from mixture to mixture.
SCOPE
1.1 This test method compares the surface cracking of fiber reinforced concrete panels with the surface cracking of control concrete panels subjected to prescribed conditions of restraint and moisture loss that are severe enough to produce cracking before final setting of the concrete.
1.2 This test method can be used to compare the plastic shrinkage cracking behavior of different concrete mixtures containing fiber reinforcement.
1.3 The values stated in SI units are to be regarded as standard. No other units of measurement are included in this standard.
1.4 This standard does not purport to address all of the safety concerns, if any, associated with its use. It is the responsibility of the user of this standard to establish appropriate safety, health, and environmental practices and determine the applicability of regulatory limitations prior to use. (Warning—fresh hydraulic cementitious mixtures are caustic and may cause chemical burns to skin and tissue upon prolonged exposure.2)
1.5 This international standard was developed in accordance with internationally recognized principles on standardization established in the Decision on Principles for the Development of International Standards, Guides and Recommendations issued by the World Trade Organization Technical Barriers to Trade (TBT) Committee.
General Information
- Status
- Published
- Publication Date
- 31-May-2021
- Technical Committee
- C09 - Concrete and Concrete Aggregates
- Drafting Committee
- C09.42 - Fiber-Reinforced Concrete
Relations
- Effective Date
- 01-Feb-2024
- Effective Date
- 01-Jan-2024
- Effective Date
- 15-Dec-2019
- Effective Date
- 01-Jan-2019
- Effective Date
- 01-Oct-2018
- Effective Date
- 01-Jul-2018
- Effective Date
- 01-Jan-2018
- Effective Date
- 15-Dec-2016
- Effective Date
- 01-Feb-2016
- Effective Date
- 15-Dec-2015
- Effective Date
- 01-Jul-2015
- Effective Date
- 01-Feb-2015
- Effective Date
- 01-Aug-2014
- Effective Date
- 01-Aug-2014
- Effective Date
- 15-Dec-2013
Overview
ASTM C1579-21: Standard Test Method for Evaluating Plastic Shrinkage Cracking of Restrained Fiber Reinforced Concrete (Using a Steel Form Insert) establishes a reliable procedure for assessing plastic shrinkage cracking in fiber reinforced concrete. This internationally recognized ASTM standard is designed for laboratory comparison of concrete panels containing fiber reinforcement with control panels, focusing on their resistance to surface cracking under severe drying and restraint conditions before final setting. Key elements include control of atmospheric variables, consistent procedures, and precise measurement of crack width for quantitative assessment.
Plastic shrinkage cracking is a primary concern in fresh concrete, affecting long-term durability and performance. The test method outlined in ASTM C1579-21 is widely used to evaluate concrete mixtures with different types and amounts of fibers, enabling informed material choices for enhanced crack resistance.
Key Topics
- Purpose: The standard test method compares the surface cracking behavior of fiber reinforced concrete with that of control (non-fiber) concrete panels, subjected to restrained conditions and accelerated moisture loss.
- Test Procedure: Panels are cast in molds with steel form inserts and subjected to controlled environments with defined temperature, humidity, and wind parameters to ensure crack formation before final setting.
- Evaluation: Crack width is measured 24 hours after mixing, and the Cracking Reduction Ratio (CRR) is calculated to quantify the benefits of fiber reinforcement in reducing plastic shrinkage cracks.
- Variables Controlled: Atmospheric conditions (temperature, humidity, wind), mixture proportions, and finishing procedures are standardized to enable meaningful and repeatable comparisons.
- Practical Considerations: The test is considered valid only when the control panels achieve a minimum average crack width, ensuring test severity and reliability of results.
Applications
ASTM C1579-21 is essential for:
- Concrete Product Development: Optimizing fiber types, dosages, and admixture combinations for improved performance against plastic shrinkage cracking.
- Quality Control: Ensuring consistency in fiber-reinforced concrete produced for slabs, pavements, and structural elements exposed to rapid surface drying.
- Comparative Research: Academic and industrial research comparing mixtures, materials, or innovations in fiber-reinforced concrete technology.
- Project Specifications: Verifying that concrete mixtures used on large infrastructure projects meet prescribed plastic shrinkage crack resistance requirements.
- Prequalification Testing: Assessing new fiber-reinforced concrete systems or products before field implementation.
By providing a clear and repeatable framework for assessing plastic shrinkage cracking, ASTM C1579-21 supports durable and crack-resistant concrete construction, especially for critical horizontal surfaces. The standard helps mitigate costly repairs and enhances the service life of concrete structures.
Related Standards
- ASTM C125 - Terminology Relating to Concrete and Concrete Aggregates
- ASTM C143/C143M - Test Method for Slump of Hydraulic-Cement Concrete
- ASTM C192/C192M - Practice for Making and Curing Concrete Test Specimens in the Laboratory
- ASTM C403/C403M - Test Method for Time of Setting of Concrete Mixtures by Penetration Resistance
- ASTM C670 - Practice for Preparing Precision and Bias Statements for Test Methods for Construction Materials
ASTM C1579-21 aligns with international best practices for standardization, supporting global trade and regulatory acceptance. For comprehensive crack resistance evaluation, it is often used alongside other ASTM and ACI guidelines in concrete testing and specification.
Keywords: ASTM C1579-21, fiber reinforced concrete, plastic shrinkage cracking, restrained shrinkage test, crack width measurement, concrete testing standard, durability, laboratory test method, crack reduction ratio, concrete quality assurance.
Buy Documents
ASTM C1579-21 - Standard Test Method for Evaluating Plastic Shrinkage Cracking of Restrained Fiber Reinforced Concrete (Using a Steel Form Insert)
REDLINE ASTM C1579-21 - Standard Test Method for Evaluating Plastic Shrinkage Cracking of Restrained Fiber Reinforced Concrete (Using a Steel Form Insert)
Get Certified
Connect with accredited certification bodies for this standard

ICC Evaluation Service
Building products evaluation and certification.

QAI Laboratories
Building and construction product testing and certification.

Aboma Certification B.V.
Specialized in construction, metal, and transport sectors.
Sponsored listings
Frequently Asked Questions
ASTM C1579-21 is a standard published by ASTM International. Its full title is "Standard Test Method for Evaluating Plastic Shrinkage Cracking of Restrained Fiber Reinforced Concrete (Using a Steel Form Insert)". This standard covers: SIGNIFICANCE AND USE 5.1 The test method is intended to evaluate the effects of evaporation, settlement, and early autogenous shrinkage on the plastic shrinkage cracking performance of fiber reinforced concrete up to and for some hours beyond the time of final setting (see Terminology C125). 5.2 The measured values obtained from this test may be used to compare the performance of concretes with different mixture proportions, concretes with and without fibers, concretes containing various amounts of different types of fibers, and concretes containing various amounts and types of admixtures. For meaningful comparisons, the evaporative conditions during test shall be sufficient to produce an average crack width of at least 0.5 mm in the control specimens (2, 3) (see Note 2). In addition, the evaporation rate from a free surface of water shall be within ± 5 % for each test. Note 2: To achieve evaporation rates that result in a crack of at least 0.5 mm in the control specimens, it may be necessary to use an evaporation rate higher than that discussed in Note 1. 5.3 This method attempts to control atmospheric variables to quantify the relative performance of a given fresh concrete mixture. Since many other variables such as cement fineness, aggregate gradation, aggregate volume, mixing procedures, slump, air content, concrete temperature and surface finish can also influence potential cracking, attention shall be paid to keep these as consistent as possible from mixture to mixture. SCOPE 1.1 This test method compares the surface cracking of fiber reinforced concrete panels with the surface cracking of control concrete panels subjected to prescribed conditions of restraint and moisture loss that are severe enough to produce cracking before final setting of the concrete. 1.2 This test method can be used to compare the plastic shrinkage cracking behavior of different concrete mixtures containing fiber reinforcement. 1.3 The values stated in SI units are to be regarded as standard. No other units of measurement are included in this standard. 1.4 This standard does not purport to address all of the safety concerns, if any, associated with its use. It is the responsibility of the user of this standard to establish appropriate safety, health, and environmental practices and determine the applicability of regulatory limitations prior to use. (Warning—fresh hydraulic cementitious mixtures are caustic and may cause chemical burns to skin and tissue upon prolonged exposure.2) 1.5 This international standard was developed in accordance with internationally recognized principles on standardization established in the Decision on Principles for the Development of International Standards, Guides and Recommendations issued by the World Trade Organization Technical Barriers to Trade (TBT) Committee.
SIGNIFICANCE AND USE 5.1 The test method is intended to evaluate the effects of evaporation, settlement, and early autogenous shrinkage on the plastic shrinkage cracking performance of fiber reinforced concrete up to and for some hours beyond the time of final setting (see Terminology C125). 5.2 The measured values obtained from this test may be used to compare the performance of concretes with different mixture proportions, concretes with and without fibers, concretes containing various amounts of different types of fibers, and concretes containing various amounts and types of admixtures. For meaningful comparisons, the evaporative conditions during test shall be sufficient to produce an average crack width of at least 0.5 mm in the control specimens (2, 3) (see Note 2). In addition, the evaporation rate from a free surface of water shall be within ± 5 % for each test. Note 2: To achieve evaporation rates that result in a crack of at least 0.5 mm in the control specimens, it may be necessary to use an evaporation rate higher than that discussed in Note 1. 5.3 This method attempts to control atmospheric variables to quantify the relative performance of a given fresh concrete mixture. Since many other variables such as cement fineness, aggregate gradation, aggregate volume, mixing procedures, slump, air content, concrete temperature and surface finish can also influence potential cracking, attention shall be paid to keep these as consistent as possible from mixture to mixture. SCOPE 1.1 This test method compares the surface cracking of fiber reinforced concrete panels with the surface cracking of control concrete panels subjected to prescribed conditions of restraint and moisture loss that are severe enough to produce cracking before final setting of the concrete. 1.2 This test method can be used to compare the plastic shrinkage cracking behavior of different concrete mixtures containing fiber reinforcement. 1.3 The values stated in SI units are to be regarded as standard. No other units of measurement are included in this standard. 1.4 This standard does not purport to address all of the safety concerns, if any, associated with its use. It is the responsibility of the user of this standard to establish appropriate safety, health, and environmental practices and determine the applicability of regulatory limitations prior to use. (Warning—fresh hydraulic cementitious mixtures are caustic and may cause chemical burns to skin and tissue upon prolonged exposure.2) 1.5 This international standard was developed in accordance with internationally recognized principles on standardization established in the Decision on Principles for the Development of International Standards, Guides and Recommendations issued by the World Trade Organization Technical Barriers to Trade (TBT) Committee.
ASTM C1579-21 is classified under the following ICS (International Classification for Standards) categories: 91.100.40 - Products in fibre-reinforced cement. The ICS classification helps identify the subject area and facilitates finding related standards.
ASTM C1579-21 has the following relationships with other standards: It is inter standard links to ASTM C670-24a, ASTM C670-24, ASTM C125-19a, ASTM C125-19, ASTM C125-18b, ASTM C125-18a, ASTM C125-18, ASTM C125-16, ASTM C192/C192M-16, ASTM C125-15b, ASTM C125-15a, ASTM C125-15, ASTM C192/C192M-14, ASTM C125-14, ASTM C125-13b. Understanding these relationships helps ensure you are using the most current and applicable version of the standard.
ASTM C1579-21 is available in PDF format for immediate download after purchase. The document can be added to your cart and obtained through the secure checkout process. Digital delivery ensures instant access to the complete standard document.
Standards Content (Sample)
This international standard was developed in accordance with internationally recognized principles on standardization established in the Decision on Principles for the
Development of International Standards, Guides and Recommendations issued by the World Trade Organization Technical Barriers to Trade (TBT) Committee.
Designation: C1579 − 21
Standard Test Method for
Evaluating Plastic Shrinkage Cracking of Restrained Fiber
Reinforced Concrete (Using a Steel Form Insert)
This standard is issued under the fixed designation C1579; the number immediately following the designation indicates the year of
original adoption or, in the case of revision, the year of last revision. A number in parentheses indicates the year of last reapproval. A
superscript epsilon (´) indicates an editorial change since the last revision or reapproval.
1. Scope* C143/C143M Test Method for Slump of Hydraulic-Cement
Concrete
1.1 This test method compares the surface cracking of fiber
C192/C192M Practice for Making and Curing Concrete Test
reinforced concrete panels with the surface cracking of control
Specimens in the Laboratory
concrete panels subjected to prescribed conditions of restraint
C403/C403M Test Method for Time of Setting of Concrete
and moisture loss that are severe enough to produce cracking
Mixtures by Penetration Resistance
before final setting of the concrete.
C670 Practice for Preparing Precision and Bias Statements
1.2 This test method can be used to compare the plastic
for Test Methods for Construction Materials
shrinkage cracking behavior of different concrete mixtures
containing fiber reinforcement.
3. Terminology
1.3 The values stated in SI units are to be regarded as
3.1 Definitions:
standard. No other units of measurement are included in this
3.1.1 For definitions of terms used in this test method, refer
standard.
to Terminology C125.
1.4 This standard does not purport to address all of the
4. Summary of Test Method
safety concerns, if any, associated with its use. It is the
responsibility of the user of this standard to establish appro-
4.1 Panels of control concrete and fiber reinforced concrete
priate safety, health, and environmental practices and deter-
are prepared in a prescribed manner and are exposed to
mine the applicability of regulatory limitations prior to use. controlled drying conditions after finishing. The drying condi-
(Warning—fresh hydraulic cementitious mixtures are caustic
tions (see Note 1) are intended to be severe enough to induce
and may cause chemical burns to skin and tissue upon plastic shrinkage cracking in test panels made of control
prolonged exposure. )
concrete. The evaporation rate from a free water surface is
1.5 This international standard was developed in accor-
monitored by pans placed next to the panels in the environ-
dance with internationally recognized principles on standard-
mental chamber.
ization established in the Decision on Principles for the NOTE 1—An important parameter in this method is the rate of
evaporative water loss, which is controlled by the atmospheric conditions
Development of International Standards, Guides and Recom-
surrounding the test specimens. Since the concrete specimens will not
mendations issued by the World Trade Organization Technical
always have the same rate of water evaporation as the pan of water (due
Barriers to Trade (TBT) Committee. 2
toevaporativeandbleedingeffects),therateofevaporationof1.0kg/m ·h
from the pan of water represents the minimum evaporation rate that must
2. Referenced Documents
be attained for this test (1). The moisture loss from the concrete test
panels can also be monitored and reported, however, the rate of evapora-
2.1 ASTM Standards:
tion from the free surface of the water in the pan is the parameter that
C125 Terminology Relating to Concrete and Concrete Ag-
should be used to quantify the drying environment.
gregates
4.2 The test is terminated at the time of final setting of the
concrete determined in accordance with Test Method C403/
This test method is under the jurisdiction of ASTM Committee C09 on
C403M. At 24 h from initial mixing, the average crack width
Concrete and ConcreteAggregates and is the direct responsibility of Subcommittee
C09.42 on Fiber-Reinforced Concrete.
is determined.
Current edition approved June 1, 2021. Published June 2021. Originally
4.3 A cracking reduction ratio (CRR) is computed from the
published in 2006. Last previous edition approved in 2013 as C1579 – 13. DOI:
10.1520/C1579-21.
average crack width for the fiber-reinforced concrete panels
Section on Safety Precautions, Manual of Aggregate and Concrete Testing,
and the average crack width for the control concrete panels.
Annual Book of ASTM Standards, Vol 04.02.
For referenced ASTM standards, visit the ASTM website, www.astm.org, or
contact ASTM Customer Service at service@astm.org. For Annual Book of ASTM
Standards volume information, refer to the standard’s Document Summary page on The boldface numbers in parentheses refer to the list of references at the end of
the ASTM website. this standard.
*A Summary of Changes section appears at the end of this standard
Copyright © ASTM International, 100 Barr Harbor Drive, PO Box C700, West Conshohocken, PA 19428-2959. United States
C1579 − 21
0.5 mm in the control specimens, it may be necessary to use an
5. Significance and Use
evaporation rate higher than that discussed in Note 1.
5.1 The test method is intended to evaluate the effects of
5.3 This method attempts to control atmospheric variables
evaporation, settlement, and early autogenous shrinkage on the
to quantify the relative performance of a given fresh concrete
plastic shrinkage cracking performance of fiber reinforced
mixture. Since many other variables such as cement fineness,
concrete up to and for some hours beyond the time of final
aggregate gradation, aggregate volume, mixing procedures,
setting (see Terminology C125).
slump, air content, concrete temperature and surface finish can
5.2 The measured values obtained from this test may be
alsoinfluencepotentialcracking,attentionshallbepaidtokeep
used to compare the performance of concretes with different
these as consistent as possible from mixture to mixture.
mixture proportions, concretes with and without fibers, con-
cretes containing various amounts of different types of fibers,
6. Apparatus
and concretes containing various amounts and types of admix-
6.1 Molds:
tures. For meaningful comparisons, the evaporative conditions
6.1.1 For maximum coarse aggregate size equal to or less
duringtestshallbesufficienttoproduceanaveragecrackwidth
than 19 mm, use a mold with a depth of 100 mm 65mmand
of at least 0.5 mm in the control specimens (2, 3) (see Note 2).
rectangular dimensions of 355 mm 6 10 mm by 560 mm 6 15
In addition, the evaporation rate from a free surface of water
mm (see Fig. 1). The mold can be fabricated from metal,
shall be within 6 5 % for each test.
NOTE 2—To achieve evaporation rates that result in a crack of at least plastic, or plywood.
FIG. 1 Specimen and Stress Riser Geometry (4, 3)
C1579 − 21
NOTE 3—If plywood is used for molds, the plywood should have low
6.8 Monitoring Pan—A pan suitable for exposing water to
moisture absorption. The mold should be constructed to be lightweight
theairstreamforeachconcretetestpanelisrequired.Thesides
and stiff. The molds, when properly constructed, should last for approxi-
of the pan shall be vertical. The pan shall be of sufficient size
mately 50 uses.
2 2
to expose at least 0.1 m 6 0.01 m of water to the air stream.
6.1.2 This test method is designed for aggregate less than or
The exposed lip of the pan shall not extend more than 5 mm
equal to 19 mm. For coarse aggregate greater than 19 mm, the
above the water level at the start of the test.
depth of the mold shall be at least 65 mm plus at least 2 times
NOTE 5—The test panels and monitoring pans can be placed in an
the maximum coarse aggregate size.
environmental chamber designed for this test method (see Fig. 3)orthe
pans can be placed downstream from panels in a fan box (see Fig. 2).
6.2 Stress Riser and Internal Restraints—The internal re-
6.9 Scale—If the rate of moisture loss from test panels is
straints and stress riser shall be bent from one piece of sheet
required by the specifier of tests, weigh test panels with a scale
metal, as illustrated in Fig. 1, or made from a solid piece of
having a capacity of at least 100 kg and accurate to within
steel. The sheet metal shall have a thickness of 1.2 mm 6 0.05
0.1 % of the test load. Weigh the evaporation rate monitoring
mm (18 gauge) (see Fig. 1 and Ref 2).Two32mm 61mm
pans with a balance or scale having a capacity of at least 3 kg
high restraints are placed 90 mm 6 2 mm inward from each
and accurate to within 5 g.
endofthemold.Thecentralstressriseris64mm 62mmhigh
and serves as an initiation point for cracking. This sheet metal
6.10 Crack Measurement Tool—Optical hand-held
stress riser with internal restraints shall fit at the bottom of the
microscope,crackcomparator,orimageanalysissystemcanbe
mold.
used. The measurement tool should be capable of measuring
6.2.1 Use form release oil to coat the metal insert and mold
crack width to at least the nearest 0.05 mm. If an automated
sides to reduce bond with concrete. The insert and mold are
image analysis system is used, it should be demonstrated to
considered to be properly oiled when the entire surface is
provideanaccuratemeasurement.Todemonstratetheaccuracy
coated and excess oil has been removed with a clean, dry rag.
of the measurement, the system shall be used to measure a 0.5
6.3 VariableSpeedFan(s)—Thefan(s)usedshallbecapable mm notch that is machined into a piece of steel and the
reported notch width shall be within 6 0.05 mm of the
of achieving a wind speed of more than 4.7 m/s over the entire
test panel surface area. machined width.
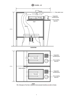
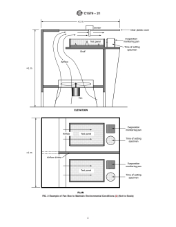
6.4 Environmental Chamber—The use of a fan box in an
7. Sampling, Test Specimens, and Test Units
environmental chamber is a method for producing a uniform
airflow over the panel surface (see Fig. 2). A clear cover over 7.1 Test Panels—Cast test panels in accordance with the
applicable provisions of Practice C192/C192M, using the same
the panels will aid in obtaining uniform airflow and allow for
observation of cracking.Another method of producing uniform source of materials, preparation, mixing and finishing proce-
airflowistouseaspecificallydesignedenvironmentalchamber dures.
as shown in Fig. 3. A commercially available heater,
7.2 Test Unit—A test unit is comprised of at least two
humidifier, and dehumidifier can be used to maintain the
control specimens and at least two fiber reinforced concrete
specified environmental condition.This test is conducted using
specimens with the same mixture proportions. A group of two
either apparatus shown in Fig. 2 or Fig. 3 by exposing the
control specimens has to be tested each time in order to
panels to an evaporation rate of at least 1.0 kg/m ·h (see Note
determine the plastic shrinkage crack reduction of fiber rein-
1). For the standard test, the temperature must be maintained at
forced concrete.
36 °C 6 3 °C, the relative humidity must be 30 6 10 %, and
the wind velocity must be sufficient to maintain the minimum
8. Procedure
evaporation rate during the test.
8.1 Determinetheslumpofeachmixtureinaccordancewith
NOTE 4—Before casting the concrete panels, atmospheric variables in
the environmental facility should be checked to determine that the
Test Method C143/C143M.
necessary evaporative conditions can be achieved.Awind velocity
...
This document is not an ASTM standard and is intended only to provide the user of an ASTM standard an indication of what changes have been made to the previous version. Because
it may not be technically possible to adequately depict all changes accurately, ASTM recommends that users consult prior editions as appropriate. In all cases only the current version
of the standard as published by ASTM is to be considered the official document.
Designation: C1579 − 13 C1579 − 21
Standard Test Method for
Evaluating Plastic Shrinkage Cracking of Restrained Fiber
Reinforced Concrete (Using a Steel Form Insert)
This standard is issued under the fixed designation C1579; the number immediately following the designation indicates the year of
original adoption or, in the case of revision, the year of last revision. A number in parentheses indicates the year of last reapproval. A
superscript epsilon (´) indicates an editorial change since the last revision or reapproval.
1. Scope*
1.1 This test method compares the surface cracking of fiber reinforced concrete panels with the surface cracking of control
concrete panels subjected to prescribed conditions of restraint and moisture loss that are severe enough to produce cracking before
final setting of the concrete.
1.2 This test method can be used to compare the plastic shrinkage cracking behavior of different concrete mixtures containing fiber
reinforcement.
1.3 The values stated in SI units are to be regarded as standard. No other units of measurement are included in this standard.
1.4 This standard does not purport to address all of the safety concerns, if any, associated with its use. It is the responsibility
of the user of this standard to establish appropriate safety safety, health, and healthenvironmental practices and determine the
applicability of regulatory limitations prior to use. (Warning—fresh hydraulic cementitious mixtures are caustic and may cause
chemical burns to skin and tissue upon prolonged exposure. )
1.5 This international standard was developed in accordance with internationally recognized principles on standardization
established in the Decision on Principles for the Development of International Standards, Guides and Recommendations issued
by the World Trade Organization Technical Barriers to Trade (TBT) Committee.
2. Referenced Documents
2.1 ASTM Standards:
C125 Terminology Relating to Concrete and Concrete Aggregates
C143/C143M Test Method for Slump of Hydraulic-Cement Concrete
C192/C192M Practice for Making and Curing Concrete Test Specimens in the Laboratory
C403/C403M Test Method for Time of Setting of Concrete Mixtures by Penetration Resistance
C670 Practice for Preparing Precision and Bias Statements for Test Methods for Construction Materials
3. Terminology
3.1 Definitions:
This test method is under the jurisdiction of ASTM Committee C09 on Concrete and Concrete Aggregates and is the direct responsibility of Subcommittee C09.42 on
Fiber-Reinforced Concrete.
Current edition approved April 1, 2013June 1, 2021. Published May 2013June 2021. Originally published in 2006. Last previous edition approved in 20122013 as C1579
– 06 (2012). 13. DOI: 10.1520/C1579-13.10.1520/C1579-21.
Section on Safety Precautions, Manual of Aggregate and Concrete Testing, Annual Book of ASTM Standards, Vol 04.02.
For referenced ASTM standards, visit the ASTM website, www.astm.org, or contact ASTM Customer Service at service@astm.org. For Annual Book of ASTM Standards
volume information, refer to the standard’s Document Summary page on the ASTM website.
*A Summary of Changes section appears at the end of this standard
Copyright © ASTM International, 100 Barr Harbor Drive, PO Box C700, West Conshohocken, PA 19428-2959. United States
C1579 − 21
3.1.1 For definitions of terms used in this test method, refer to Terminology C125.
4. Summary of Test Method
4.1 Panels of control concrete and fiber reinforced concrete are prepared in a prescribed manner and are exposed to controlled
drying conditions after finishing. The drying conditions (see Note 1) are intended to be severe enough to induce plastic shrinkage
cracking in test panels made of control concrete. The evaporation rate from a free water surface is monitored by pans placed next
to the panels in the environmental chamber.
NOTE 1—An important parameter in this method is the rate of evaporative water loss, which is controlled by the atmospheric conditions surrounding the
test specimens. Since the concrete specimens will not always have the same rate of water evaporation as the pan of water (due to evaporative and bleeding
2 4
effects), the rate of evaporation of 1.0 kg/m ·h from the pan of water represents the minimum evaporation rate that must be attained for this test (1).
The moisture loss from the concrete test panels can also be monitored and reported, however, the rate of evaporation from the free surface of the water
in the pan is the parameter that should be used to quantify the drying environment.
4.2 The test is terminated at the time of final setting of the concrete determined in accordance with Test Method C403/C403M.
At 24 h from initial mixing, the average crack width is determined.
4.3 A cracking reduction ratio (CRR) is computed from the average crack width for the fiber-reinforced concrete panels and the
average crack width for the control concrete panels.
5. Significance and Use
5.1 The test method is intended to evaluate the effects of evaporation, settlement, and early autogenous shrinkage on the plastic
shrinkage cracking performance of fiber reinforced concrete up to and for some hours beyond the time of final setting (see
Terminology C125).
5.2 The measured values obtained from this test may be used to compare the performance of concretes with different mixture
proportions, concretes with and without fibers, concretes containing various amounts of different types of fibers, and concretes
containing various amounts and types of admixtures. For meaningful comparisons, the evaporative conditions during test shall be
sufficient to produce an average crack width of at least 0.5 mm in the control specimens (2, 3) (see Note 2). In addition, the
evaporation rate from a free surface of water shall be within 6 5 % for each test.
NOTE 2—To achieve evaporation rates that result in a crack of at least 0.5 mm in the control specimens, it may be necessary to use an evaporation rate
higher than that discussed in Note 1.
5.3 This method attempts to control atmospheric variables to quantify the relative performance of a given fresh concrete mixture.
Since many other variables such as cement fineness, aggregate gradation, aggregate volume, mixing procedures, slump, air content,
concrete temperature and surface finish can also influence potential cracking, attention shall be paid to keep these as consistent as
possible from mixture to mixture.
6. Apparatus
6.1 Molds:
6.1.1 For maximum coarse aggregate size equal to or less than 19 mm, use a mold with a depth of 100 mm 6 5 mm and
rectangular dimensions of 355 mm 6 10 mm by 560 mm 6 15 mm (see Fig. 1). The mold can be fabricated from metal, plastic,
or plywood.
NOTE 3—If plywood is used for molds, the plywood should have low moisture absorption. The mold should be constructed to be lightweight and stiff.
The molds, when properly constructed, should last for approximately 50 uses.
6.1.2 This test method is designed for aggregate less than or equal to 19 mm. For coarse aggregate greater than 19 mm, the depth
of the mold shall be at least 65 mm plus at least 2 times the maximum coarse aggregate size.
The boldface numbers in parentheses refer to the list of references at the end of this standard.
C1579 − 21
FIG. 1 Specimen and Stress Riser Geometry (4, 3)
6.2 Stress Riser and Internal Restraints—The internal restraints and stress riser shall be bent from one piece of sheet metal, as
illustrated in Fig. 1, or made from a solid piece of steel. The sheet metal shall have a thickness of 1.2 mm 6 0.05 mm (18 gauge)
(see Fig. 1 and Ref 2). Two 32 mm 6 1 mm high restraints are placed 90 mm 6 2 mm inward from each end of the mold. The
central stress riser is 64 mm 6 2 mm high and serves as an initiation point for cracking. This sheet metal stress riser with internal
restraints shall fit at the bottom of the mold.
6.2.1 Use form release oil to coat the metal insert and mold sides to reduce bond with concrete. The insert and mold are considered
to be properly oiled when the entire surface is coated and excess oil has been removed with a clean, dry rag.
6.3 Variable Speed Fan(s)—The fan(s) used shall be capable of achieving a wind speed of more than 4.7 m/s over the entire test
panel surface area.
6.4 Environmental Chamber—The use of a fan box in an environmental chamber is a method for producing a uniform airflow over
the panel surface (see Fig. 2). A clear cover over the panels will aid in obtaining uniform airflow and allow for observation of
cracking. Another method of producing uniform airflow is to use a specifically designed environmental chamber as shown in Fig.
3. A commercially available heater, humidifier, and dehumidifier can be used to maintain the specified environmental condition.
C1579 − 21
FIG. 2 Example of Fan Box to Maintain Environmental Conditions (2) (Not to Scale)
C1579 − 21
FIG. 3 Example of Chamber to Maintain Environmental Conditions (4)
This test is conducted using either apparatus shown in Fig. 2 or Fig. 3 by exposing the panels to an evaporation rate of at least
1.0 kg/m ·h (see Note 1). For the standard test, the temperature must be maintained at 3636 °C 6 3°C,3 °C, the relative humidity
must be 30 6 10 %, and the wind velocity must be sufficient to maintain the minimum evaporation rate during the test.
NOTE 4—Before casting the concrete panels, atmospheric variables in the environmental facility should be checked to determine that the necessary
evaporative conditions can be achieved. A wind velocity of 4.7 m/s should be sufficient to achieve the minimum specified evaporation rate, but a higher
wind velocity may be needed to obtain sufficient average crack width in some control panels.
6.5 Sensors—Use temperature, humidity, and wind velocity sensors to measure ambient air and concrete surface temperature to
the nearest 0.5°C,0.5 °C, relative humidity to the nearest 1 %, and air speed to the nearest 0.1 m/s.
6.6 Vibrating Platform—Any device that can fully consolidate the test panel that meets minimum frequency requirements as stated
in Practice C192/C192M for an external vibrator is suitable.
C1579 − 21
6.7 Surface Finishing Equipment—An angle iron screed shall be used for the concrete after vibration. A magnesium, steel, or wood
trowel shall be used for finishing the surface of the specimen after screeding.
6.8 Monitoring Pan—A pan suitable for exposing water to the air stream for each concrete test panel is required. The sides of the
2 2
pan shall be vertical. The pan shall be of sufficient size to expose at least 0.1 m 6 0.01 m of water to the air stream. The exposed
lip of the pan shall not extend more than 5 mm above the water level at the start of the test.
NOTE 5—The test panels and monitoring pans can be placed in an environmental chamber designed for this test method (see Fig. 3) or the pans can be
placed downstream from panels in a fan box (see Fig. 2).
6.9 Scale—If the rate of moisture loss from test panels is required by the specifier of tests, weigh test panels with a scale having
a capacity of at least 100 kg and accurate to within 0.1 % of the test load. Weigh the evaporation rate monitoring pans with a
balance or scale having a capacity of at least 3 kg and accurate to within 5 g.
6.10
...








Questions, Comments and Discussion
Ask us and Technical Secretary will try to provide an answer. You can facilitate discussion about the standard in here.
Loading comments...