ISO 7166:1985
(Main)Aircraft - Rail and stud configuration for passenger equipment and cargo restraint
Aircraft - Rail and stud configuration for passenger equipment and cargo restraint
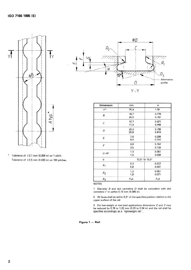
Specifies the geometry and the partial dimensions of these parts used for securing passenger equipment and for cargo restraint, necessary to ensure interchangeability of these items. Individual strength requirements will determine the complete rail shape, such as incorporating the standard section integrally into an I-beam extrusion. The overall shape of the studs above the top of the rail will depend upon the application.
Aéronefs — Fixation par rails et tétons des sièges de passagers et du fret
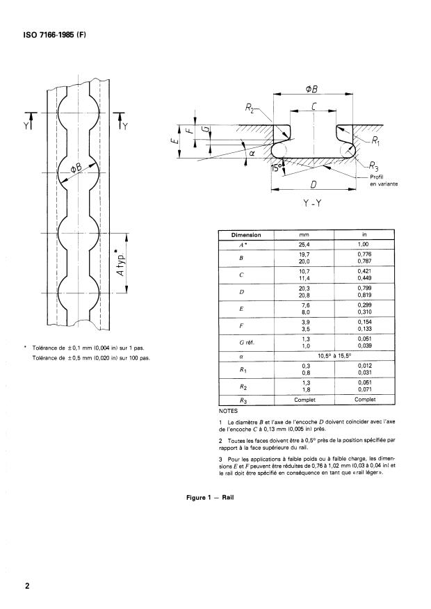
1.1 La présente Norme internationale fixe la forme géométrique et les dimensions partielles des rails et des tétons de fixation des sièges de passagers et du fret dans les aéronefs, nécessaires pour assurer l'interchangeabilité de ces éléments. 1.2 Ce sont les exigences particulières de résistance qui déterminent la forme du rail complet s'il doit comporter une partie à profilé en I. 1.3 La forme globale de la partie des tétons dépassant au-dessus du rail dépend de l'utilisation. Elle peut aussi être cylindrique dans sa partie haute pour entrer dans la structure tubulaire d'un siège ou d'un aménagement d'office. Elle peut également être munie d'un anneau servant de ferrure d'attache pour un cordage ou une sangle. 1.4 Le rail renvoie les charges vers le haut, le bas, les côtés, l'avant et l'arrière. Les charges avant et arrière sont retransmises au rail par l'intermédiaire d'un «tenon de cisaillement» faisant partie de l'ensemble de la ferrure (ou de la structure à laquelle
General Information
- Status
- Published
- Publication Date
- 21-Aug-1985
- Technical Committee
- ISO/TC 20/SC 9 - Air cargo and ground equipment
- Drafting Committee
- ISO/TC 20/SC 9 - Air cargo and ground equipment
- Current Stage
- 9093 - International Standard confirmed
- Start Date
- 10-Mar-2025
- Completion Date
- 13-Dec-2025
Relations
- Effective Date
- 15-Apr-2008
Overview
ISO 7166:1985 is an international standard developed by the International Organization for Standardization (ISO) that specifies the geometric configuration and partial dimensions for rails and studs used in aircraft passenger equipment and cargo restraint systems. This standard ensures that passenger seats, office furnishings, partitions, and cargo tie-downs are securely fastened within the aircraft structure with interoperable components. The primary objective of ISO 7166 is to guarantee interchangeability and compatibility of these restraint elements across various aircraft models, improving safety and maintenance efficiency.
The standard addresses the detailed geometry of the floor rails commonly installed longitudinally in aircraft, alongside the studs that interface with passenger and cargo fixtures. While strength requirements and complete rail shapes depend on specific applications and materials, ISO 7166 focuses on the critical dimensions needed for correct fitting and alignment.
Key Topics
- Rail Geometry: Defines partial dimensions of the aircraft floor rails which serve as attachment points. Rails typically transmit loads in multiple directions - vertical, lateral, longitudinal - to the aircraft’s structure.
- Stud Configuration: Specifies the size, shape, and positioning tolerances for studs (single or multiple pairs) that engage with the rails to secure seats and cargo. Studs may include features such as rings for strap attachment.
- Interchangeability: Emphasizes dimension tolerances that ensure components can be universally used and replaced, facilitating aircraft outfitting and cargo restraint.
- Load Direction and Interface: Details the interaction between rail faces and the studs under load, including shear studs designed to handle forward and rearward forces.
- Dimensional Precision: Establishes strict tolerances such as concentricity, angular deviations, and edge finishing to maximize safety and reliability.
- Applicability: Designed mainly for aircraft passenger seats and cargo fixtures, including nets secured to pallets, but it excludes the strength criteria and complete design of rails.
Applications
ISO 7166:1985 is primarily used in the aerospace industry for:
- Passenger Seat Installation: Ensuring passenger seats can be rapidly installed, replaced, or reconfigured with standardized rails and studs.
- Cargo Restraint Systems: Securing cargo nets, pallets, and restraint straps in cargo aircraft, increasing load safety during flight.
- Aircraft Interior Furnishings: Attaching lightweight office equipment, partitions, and movable fixtures in commercial or cargo aircraft cabins.
- Aircraft Maintenance and Safety Compliance: Standardizing parts to reduce incompatibilities and support regulatory requirements related to aircraft interior safety.
- Aircraft Design and Manufacturing: Providing foundational geometric requirements essential in the design of floor fittings for passenger and cargo restraint.
Related Standards
- ISO 4170 - Air Cargo Pallet Threads: Defines threading standards for pallets used in air freight.
- ISO 4171 - Air Cargo Pallets: Specifies dimensions and requirements related to air cargo pallets.
- Military Standard MS3360lA - Previously widespread US military specification referenced for rail fixation system design.
- ISO/R 8374 (now replaced by ISO 7166) - Former recommendation for aircraft seat fittings, superseded and expanded by ISO 7166.
By adhering to ISO 7166:1985, aircraft manufacturers and operators can achieve uniform, reliable, and safe attachment solutions for passenger and cargo restraint systems. The standard’s precise dimensioning and configuration requirements help maintain interoperability and support aviation industry safety regulations worldwide.
Keywords: ISO 7166, aircraft rail configuration, passenger equipment restraint, cargo restraint, aircraft seat fixation, aerospace standards, cargo pallet restraint, aircraft interior fittings, air cargo safety, airplane floor rails
ISO 7166:1985 - Aircraft -- Rail and stud configuration for passenger equipment and cargo restraint
ISO 7166:1985 - Aéronefs -- Fixation par rails et tétons des sieges de passagers et du fret
ISO 7166:1985 - Aéronefs -- Fixation par rails et tétons des sieges de passagers et du fret
Frequently Asked Questions
ISO 7166:1985 is a standard published by the International Organization for Standardization (ISO). Its full title is "Aircraft - Rail and stud configuration for passenger equipment and cargo restraint". This standard covers: Specifies the geometry and the partial dimensions of these parts used for securing passenger equipment and for cargo restraint, necessary to ensure interchangeability of these items. Individual strength requirements will determine the complete rail shape, such as incorporating the standard section integrally into an I-beam extrusion. The overall shape of the studs above the top of the rail will depend upon the application.
Specifies the geometry and the partial dimensions of these parts used for securing passenger equipment and for cargo restraint, necessary to ensure interchangeability of these items. Individual strength requirements will determine the complete rail shape, such as incorporating the standard section integrally into an I-beam extrusion. The overall shape of the studs above the top of the rail will depend upon the application.
ISO 7166:1985 is classified under the following ICS (International Classification for Standards) categories: 49.120 - Cargo equipment. The ICS classification helps identify the subject area and facilitates finding related standards.
ISO 7166:1985 has the following relationships with other standards: It is inter standard links to ISO/R 837:1968. Understanding these relationships helps ensure you are using the most current and applicable version of the standard.
You can purchase ISO 7166:1985 directly from iTeh Standards. The document is available in PDF format and is delivered instantly after payment. Add the standard to your cart and complete the secure checkout process. iTeh Standards is an authorized distributor of ISO standards.
Standards Content (Sample)
International Standard
INTERNATIONAL ORGANIZATION FOR STANDARDIZATION.ME>KflYHAPOAHAR OPrAHM3ALWR fl0 CTAH~APTM3ALWl~ORGANISATION INTERNATIONALE DE NORMALISATION
Aircraft - Rail and stud configuration for passenger
equipment and cargo restraint
Ahronefs - Fixation par rails et tt?tons des si&ges de passagers et du fret
First edition - 1985-08-15
Ref. No. ISO 71664985 (E)
UDC 629.7
w
-
Descriptors : aircraft, aircraft equipment, rails, dimensions, shape.
E
- Price based on 3 pages
Foreword
ISO (the International Organization for Standardization) is a worldwide federation of
national Standards bodies (ISO member bodies). The work of preparing International
Standards is normally carried out through ISO technical committees. Esch member
body interested in a subject for which a technical committee has been established has
the right to be represented on that committee. International organizations, govern-
mental and non-governmental, in liaison with ISO, also take patt in the work.
Draft International Standards adopted by the technical committees are circulated to
the member bodies for approval before their acceptance as International Standards by
the ISO Council. They are approved in accordance with ISO procedures requiring at
least 75 % approval by the member bodies voting.
International Standard ISO 7166 was prepared by Technical Committee ISO/TC 20,
Aircraft and space vehicles.
lt cancels and replaces ISO Recommendation R 8374968, of which it constitutes a
technical revision.
International Organkation for Standardkation, 1985
Printed in Switzerland
INTERNATIONAL STANDARD
ISO 7166-1985 (E)
Aircraft - Rail and stud configuration for passenger
equipment and cargo restraint
In the case of seat attachment or similar application, the
0 lntroduction
downward load is applied to the upper face of the rail by a
fitting which is also part of the seat, but this is not included in
This International Standard specifies the geometry of aircraft
floor rails which are normally set longitudinally into an aircraft this International Standard.
floor structure. Seats, galleys, bulkheads and other removable
or adjustable equipment are normally secured into the seat rails
by means of studs.
2 References
This concept is also widely used in the air cargo field for the
ISO 4170, lnterline air cargo pallet nets.
restraint of cargo: the most frequent application being in the
attachment of cargo nets to pallets (see ISO 4170 and
ISO 4171, lnterline air cargo pallets.
ISO 4171).
NOTE - ISO Recommendation R 837, Aircraft seat rals and Pins, pro-
vided only for Single stud fittings. Furthermore, most of the world’s
passenger aircraft, and virtually all cargo equipment, used rail and stud
configurations based on the USA military specification MS.336OlA.
1 Scope and field of application
1.1 This International Standard specifies the geometry and
3 Dimensional requirements
the partial dimensions of rails and studs used for securing
passenger equipment and for cargo restraint, necessary to
3.1 The dimensions and tolerantes of the rail and studs shall
ensure interchangeability of these items.
conform to figures 1 and 2.
1.2 Individual strength requirements will determine the com-
3.2 Sharp edges and corners shall be removed.
plete rail shape, such
...
Norme internationale @ 7166
INTERNATIONAL ORGANIZATION FOR STANDARDIZATIONOMEXnYHAPOnHAR OPTAHM3ALLMR no CTAHflAPTM3AUblM*ORGANlSATlON INTERNATIONALE DE NORMALISATION
Aéronefs - Fixation par rails et tétons des sièges de
passagers et du fret
Aircraft - Rail and stud configuration for passenger equipment and cargo restraint
Premiere ddition - 1985-08-15
- CDU 629.7 Rdf. no : IS0 7166-1985 (FI
LL
Descripteurs : abronef, materiel d’abronef, rail, dimension, forme.
s Prix bas6 sur 3 pages
Avant- propos
L'ISO (organisation internationale de normalisation) est une fédération mondiale
d'organismes nationaux de normalisation (comités membres de I'ISO). L'élaboration
des Normes internationales est confiée aux comités techniques de I'ISO. Chaque
comité membre intéressé par une étude a le droit de faire partie du cornit6 technique
créé 2 cet effet. Les organisations internationales, gouvernementales et non gouverne-
mentales, en liaison avec I'ISO, participent également aux travaux.
Les projets de Normes internationales adoptés par les comités techniques sont soumis
aux comit6s membres pour approbation, avant leur acceptation comme Normes inter-
nationales par le Conseil de I'ISO. Les Normes internationales sont approuvées confor-
m6ment aux procédures de I'ISO qui requibrent l'approbation de 75 % au moins des
comités membres votants.
La Norme internationale IS0 7166 a été élaborée par le comité technique ISO/TC 20,
ABronautique et espace.
Elle annule et remplace la Recommandation ISO/R 837-1968, dont elle constitue une
révision technique.
E Organisation internationale de normalisation, 1985 0
Imprime en Suisse
N O R M E I N TE R N AT1 O NA L E
IS0 7166-1985 (F)
Aéronefs - Fixation par rails et tétons des sièges de
passagers et du fret
O Introduction Dans le cas de fixation de sieges ou d'une application similaire,
la charge dirigee vers le bas est appliquee sur la face superieure
La presente Norme internationale fixe la forme geometrique des du rail par une ferrure qui fait Bgalement partie du siege mais
rails de plancher normalement fixes longitudinalement dans la
n'est pas traitee dans la presente Norme internationale.
structure d'un aeronef. Les sieges de passagers, les amenage-
ments d'office, les cloisons et autres materiels amovibles ou
reglables sont generalernent fixes dans ces rails par I'intermk-
2 References
diaire de tétons.
IS0 4170, Filets de palettes pour le transport adrien.
Ce systeme est egalement largement utilise dans le domaine du
IS0 4171, Palettes pour le transport adrien.
fret abrien pour la retenue des charges, l'application la plus
courante etant la fixation des filets de retenue du fret aux
NOTE - La recommandation ISO/R 837, Fixation par rails des sihges
palettes (voir IS0 4170 et IS0 4171).
dans /es abronefs, ne prevoyait qu'un seul type de teton de fixation.
Par ailleurs, la plupart des avions pour passagers dans le monde et
presque tous les avions-cargos etaient Bquipes de rails de fixation
conformes A la specification militaire amhricaine MS.33601A.
1 Objet et domaine d'application
3 Caract6ristiques dimensionnelles
1.1 La presente Norme internationale fixe la forme g6om6-
trique et les dimensions partielles des rails et des tetons
de fixation des sieges de passagers et du fret dans les ahronefs,
3.1 Les dimensions et tolerances des rails et des tetons de
necessaires pour assurer I'interchangeabilite
...
Norme internationale
INTERNATIONAL ORGANIZATION FOR STANDARDIZATION.ME~YHAPO~HAR OPrAHM3AUMR l-l0 CTAH~APTbl3AlJMM~ORGANlSATlON INTERNATIONALE DE NORMALISATION
Aéronefs - Fixation par rails et tétons des sièges de
passagers et du fret
Aikraft - Rail and stud configuration for passenger eguipment and cargo restraint
Première édition - 198548-15
CDU 629.7 Réf. no : ISO 71664985 (FI
î
a Descripteurs : aéronef, matériel d’aéronef, rail, dimension, forme.
Prix basé sur 3 pages
Avant-propos
L’ISO (Organisation internationale de normalisation) est une fédération mondiale
d’organismes nationaux de normalisation (comités membres de I’ISO). L’élaboration
des Normes internationales est confiée aux comités techniques de I’ISO. Chaque
comité membre intéressé par une étude a le droit de faire partie du comité technique
créé à cet effet. Les organisations internationales, gouvernementales et non gouverne-
mentales, en liaison avec I’ISO, participent également aux travaux.
Les projets de Normes internationales adoptés par les comités techniques sont soumis
aux comités membres pour approbation, avant leur acceptation comme Normes inter-
nationales par le Conseil de I’ISO. Les Normes internationales sont approuvées confor-
mément aux procédures de I’ISO qui requièrent l’approbation de 75 % au moins des
comités membres votants.
La Norme internationale ISO 7166 a été élaborée par le comité technique ISO/TC 20,
Aéronautique et espace.
Elle annule et remplace la Recommandation ISO/R 8374968, dont elle constitue une
révision technique.
Organisation internationale de normalisation, 1985
Imprimé en Suisse
NORME INTERNATIONALE
ISO 7166-1985 (FI
Aéronefs - Fixation par rails et tétons des sièges de
passagers et du fret
0 Introduction Dans le cas de fixation de sièges ou d’une application similaire,
la charge dirigée vers le bas est appliquée sur la face supérieure
La présente Norme internationale fixe la forme géométrique des
du rail par une ferrure qui fait également partie du siège mais
rails de plancher normalement fixés longitudinalement dans la n’est pas traitée dans la présente Norme internationale.
structure d’un aéronef. Les sièges de passagers, les aménage-
ments d’office, les cloisons et autres matériels amovibles ou
réglables sont généralement fixés dans ces rails par l’intermé-
2 Références
diaire de tetons.
ISO 4170, Filets de palettes pour le transport ahrien.
Ce systéme est également largement utilisé dans le domaine du
ISO 4171, Palettes pour le transport ahrien.
fret aérien pour la retenue des charges, l’application la plus
courante étant la fixation des filets de retenue du fret aux
NOTE - La recommandation ISO/R 837, Fixation par GI& des sihges
palettes (voir ISO 4170 et ISO 4171).
dans /es aéronefs, ne prévoyait qu’un seul type de téton de fixation.
Par ailleurs, la plupart des avions pour passagers dans le monde et
presque tous les avions-cargos étaient équipés de rails de fixation
conformes à la spécification militaire américaine MS336OlA.
1 Objet et domaine d’application
3 Caractéristiques dimensionnelles
1.1 La présente Norme internationale fixe la forme géomé-
trique et les dimensions partielles des rails et des tétons
de fixation des sièges de passagers et du fret dans les aéronefs,
3.1 Les dimensions et tolérances des rails et des tétons de
nécessaires pour assurer I’interchangeabilité de ces elements. fixation doivent être conformes aux indications des figures 1
et 2.
1.2 Ce sont les exigences particuliéres de résistance qui
3.2 Les arêtes et angles vifs doivent être éliminés.
déterminent la
...


















Questions, Comments and Discussion
Ask us and Technical Secretary will try to provide an answer. You can facilitate discussion about the standard in here.
Loading comments...