ISO 7905-4:1995
(Main)Plain bearings — Bearing fatigue — Part 4: Tests on half-bearings of a metallic multilayer bearing material
Plain bearings — Bearing fatigue — Part 4: Tests on half-bearings of a metallic multilayer bearing material
Specifies a method for the determination of the endurance limit in fatigue of half-bearings of multilayer bearing materials. The principle of the method is clamping the specimens at one end and loading them at the other end by force or displacement applied radially. The load shall fluctuate from tension to compression.
Paliers lisses — Fatigue des paliers — Partie 4: Essais sur demi-coussinets en matériau antifriction métallique multicouche
Drsni ležaji - Utrujanje ležaja - 4. del: Preskušanje materiala večslojnih ležajnih blazinic
General Information
- Status
- Withdrawn
- Publication Date
- 25-Jan-1995
- Current Stage
- 9599 - Withdrawal of International Standard
- Start Date
- 07-Jun-2022
- Completion Date
- 12-Feb-2026
Relations
- Effective Date
- 23-Apr-2020
ISO 7905-4:1995 - Plain bearings -- Bearing fatigue
ISO 7905-4:1995 - Paliers lisses -- Fatigue des paliers
ISO 7905-4:1995 - Paliers lisses -- Fatigue des paliers
Frequently Asked Questions
ISO 7905-4:1995 is a standard published by the International Organization for Standardization (ISO). Its full title is "Plain bearings — Bearing fatigue — Part 4: Tests on half-bearings of a metallic multilayer bearing material". This standard covers: Specifies a method for the determination of the endurance limit in fatigue of half-bearings of multilayer bearing materials. The principle of the method is clamping the specimens at one end and loading them at the other end by force or displacement applied radially. The load shall fluctuate from tension to compression.
Specifies a method for the determination of the endurance limit in fatigue of half-bearings of multilayer bearing materials. The principle of the method is clamping the specimens at one end and loading them at the other end by force or displacement applied radially. The load shall fluctuate from tension to compression.
ISO 7905-4:1995 is classified under the following ICS (International Classification for Standards) categories: 21.100.10 - Plain bearings. The ICS classification helps identify the subject area and facilitates finding related standards.
ISO 7905-4:1995 has the following relationships with other standards: It is inter standard links to ISO 7905-4:2022. Understanding these relationships helps ensure you are using the most current and applicable version of the standard.
ISO 7905-4:1995 is available in PDF format for immediate download after purchase. The document can be added to your cart and obtained through the secure checkout process. Digital delivery ensures instant access to the complete standard document.
Standards Content (Sample)
SLOVENSKI STANDARD
01-marec-2002
'UVQLOHåDML8WUXMDQMHOHåDMDGHO3UHVNXãDQMHPDWHULDODYHþVORMQLKOHåDMQLK
EOD]LQLF
Plain bearings -- Bearing fatigue -- Part 4: Tests on half-bearings of a metallic multilayer
bearing material
Paliers lisses -- Fatigue des paliers -- Partie 4: Essais sur demi-coussinets en matériau
antifriction métallique multicouche
Ta slovenski standard je istoveten z: ISO 7905-4:1995
ICS:
21.100.10 Drsni ležaji Plain bearings
2003-01.Slovenski inštitut za standardizacijo. Razmnoževanje celote ali delov tega standarda ni dovoljeno.
Is0
INTERNATIONAL
7905-4
STANDARD
First edition
1995-02-01
Corrected and reprinted
1996-04-o 1
- Bearing fatigue -
Plain bearings
Part 4:
Tests on half-bearings of a metallic multilayer
bearing material
- Fatigue des paliers -
Paliers lisses
Partie 4: Essais sur demi-coussinets en matkiau antifriction m6tallique
multicouche
Reference number
IS0 7905-4: 1995(E)
IS0 7905-4:1995(E)
Foreword
IS0 (the International Organization for Standardization) is a worldwide
federation of national standards bodies (IS0 member bodies). The work
of preparing International Standards is normally carried out through IS0
technical committees. Each member body interested in a subject for
which a technical committee has been established has the right to be
represented on that committee. International organizations, governmental
and non-governmental, in liaison with ISO, also take part in the work. IS0
collaborates closely with the International Electrotechnical Commission
(I EC) on all matters of electrotechnical standardization.
Draft International Standards adopted by the technical committees are
circulated to the member bodies for voting. Publication as an International
Standard requires approval by at least 75 % of the member bodies casting
a vote.
International Standard IS0 7905-4 was prepared by Technical Committee
lSO/TC 123, Plain bearings, Subcommittee SC 2, Materials and lubricants,
their properties, characteristics, test methods and testing conditions.
IS0 7905 consists of the following parts, under the general title Plain
bearings - Bearing fatigue:
- Part . I: Plain bearings in test rigs and in applications under conditions
of h ydrodynamic lubrica tion
- Part 2: Test with a cylindrical specimen of a metallic bearing material
- Part 3: Test on plain strips of a metallic multilayer bearing material
- Part 4: multi/a yer bearing ma-
Tests on half-bearings of a metallic
terial
Annex A forms an integral part of this part of IS0 7905. Annex B is for
information only.
0 IS0 1995
All rights reserved. Unless otherwise specified, no part of this publication may be reproduced
or utilized in any form or by any means, electronic or mechanical, including photocopying and
microfilm, without permission in writing from the publisher.
International Organization for Standardization
Case Postale 56 l CH-1211 Geneve 20 l Switzerland
Printed in Switzerland
II
IS0 7905-4: 1995(E)
INTERNATIONAL STANDARD 0 IS0
Plain bearings - Bearing fatigue -
Part 4:
Tests on half-bearings of a metallic multilayer bearing
material
the test not to damage the surface mechanically or
1 Scope
by corrosion. The advantage of this method is the
presence of residual stress associated with the bear-
This part of IS0 7905 specifies a method for the de-
ing manufacturing process.
termination of the endurance limit in fatigue of half-
bearings of multilayer bearing materials.
4 Test methods
2 Normative references
The test principle is illustrated in figure 1. The speci-
mens shall be clamped at one end and loaded at the
The following standards contain provisions which,
other end by force or displacement applied radially at
through reference in this text, constitute provisions
the relief parting line runout. The load shall fluctuate
of this part of IS0 7905. At the time of publication, the
from tension to compression within the running sur-
editions indicated were valid. All standards are subject
face. Additionally a tensile or compressive prestress
to revision, and parties to agreements based on this
may be applied in order to evaluate dependency upon
part of IS0 7905 are encouraged to investigate the
mean stress. The test equipment is preferably located
possibility of applying the most recent editions of the
in a chamber containing a lubricant at fixed levels of
standards indicated below. Members of IEC and IS0
temperature to + 2 “C. Alternatively tests may be
maintain registers of currently valid International
conducted in air at fixed levels of temperature
Standards.
+ 2 “C.
-
IS0 4386-3:1992, Plain bearings - Metallic multilayer
Bending stress may be measured by a strain gauge
plain bearings - Part 3: Non-destructive penetrant
on the back of the bearing at the crown (mid-
testing.
peripheral length). The required stress in the lining can
be calculated if the steel and lining thicknesses and
IS0 7905-3:1995, Plain bearings - Bearing fatigue
Young ’s modulii are known. Alternatively, the radial
- Part 3: Test on plain strips of a metallic multilayer
force at the clamping end F can be measured by load
bearing material.
cell or calculated from cantilever beam theory and the
value of stress in the lining calculated according to
annex A. The values are critically dependent upon the
3 Test specimens
lining and steel thickness which shall be determined
by microsection after the tests. The test frequency
The test specimens shall be half-bearings ready for
use. Normally, as a result of the loading conditions, shall have a range of 50 Hz to 80 Hz. Crack detection
the major stresses are located in the crown area of shall be performed by dye penetrant method (see
the bearing. Care should be taken before and during IS0 4386-3) or by microscope.
SIST ISO 7905
...
Is0
INTERNATIONAL
7905-4
STANDARD
First edition
1995-02-01
Corrected and reprinted
1996-04-o 1
- Bearing fatigue -
Plain bearings
Part 4:
Tests on half-bearings of a metallic multilayer
bearing material
- Fatigue des paliers -
Paliers lisses
Partie 4: Essais sur demi-coussinets en matkiau antifriction m6tallique
multicouche
Reference number
IS0 7905-4: 1995(E)
IS0 7905-4:1995(E)
Foreword
IS0 (the International Organization for Standardization) is a worldwide
federation of national standards bodies (IS0 member bodies). The work
of preparing International Standards is normally carried out through IS0
technical committees. Each member body interested in a subject for
which a technical committee has been established has the right to be
represented on that committee. International organizations, governmental
and non-governmental, in liaison with ISO, also take part in the work. IS0
collaborates closely with the International Electrotechnical Commission
(I EC) on all matters of electrotechnical standardization.
Draft International Standards adopted by the technical committees are
circulated to the member bodies for voting. Publication as an International
Standard requires approval by at least 75 % of the member bodies casting
a vote.
International Standard IS0 7905-4 was prepared by Technical Committee
lSO/TC 123, Plain bearings, Subcommittee SC 2, Materials and lubricants,
their properties, characteristics, test methods and testing conditions.
IS0 7905 consists of the following parts, under the general title Plain
bearings - Bearing fatigue:
- Part . I: Plain bearings in test rigs and in applications under conditions
of h ydrodynamic lubrica tion
- Part 2: Test with a cylindrical specimen of a metallic bearing material
- Part 3: Test on plain strips of a metallic multilayer bearing material
- Part 4: multi/a yer bearing ma-
Tests on half-bearings of a metallic
terial
Annex A forms an integral part of this part of IS0 7905. Annex B is for
information only.
0 IS0 1995
All rights reserved. Unless otherwise specified, no part of this publication may be reproduced
or utilized in any form or by any means, electronic or mechanical, including photocopying and
microfilm, without permission in writing from the publisher.
International Organization for Standardization
Case Postale 56 l CH-1211 Geneve 20 l Switzerland
Printed in Switzerland
II
IS0 7905-4: 1995(E)
INTERNATIONAL STANDARD 0 IS0
Plain bearings - Bearing fatigue -
Part 4:
Tests on half-bearings of a metallic multilayer bearing
material
the test not to damage the surface mechanically or
1 Scope
by corrosion. The advantage of this method is the
presence of residual stress associated with the bear-
This part of IS0 7905 specifies a method for the de-
ing manufacturing process.
termination of the endurance limit in fatigue of half-
bearings of multilayer bearing materials.
4 Test methods
2 Normative references
The test principle is illustrated in figure 1. The speci-
mens shall be clamped at one end and loaded at the
The following standards contain provisions which,
other end by force or displacement applied radially at
through reference in this text, constitute provisions
the relief parting line runout. The load shall fluctuate
of this part of IS0 7905. At the time of publication, the
from tension to compression within the running sur-
editions indicated were valid. All standards are subject
face. Additionally a tensile or compressive prestress
to revision, and parties to agreements based on this
may be applied in order to evaluate dependency upon
part of IS0 7905 are encouraged to investigate the
mean stress. The test equipment is preferably located
possibility of applying the most recent editions of the
in a chamber containing a lubricant at fixed levels of
standards indicated below. Members of IEC and IS0
temperature to + 2 “C. Alternatively tests may be
maintain registers of currently valid International
conducted in air at fixed levels of temperature
Standards.
+ 2 “C.
-
IS0 4386-3:1992, Plain bearings - Metallic multilayer
Bending stress may be measured by a strain gauge
plain bearings - Part 3: Non-destructive penetrant
on the back of the bearing at the crown (mid-
testing.
peripheral length). The required stress in the lining can
be calculated if the steel and lining thicknesses and
IS0 7905-3:1995, Plain bearings - Bearing fatigue
Young ’s modulii are known. Alternatively, the radial
- Part 3: Test on plain strips of a metallic multilayer
force at the clamping end F can be measured by load
bearing material.
cell or calculated from cantilever beam theory and the
value of stress in the lining calculated according to
annex A. The values are critically dependent upon the
3 Test specimens
lining and steel thickness which shall be determined
by microsection after the tests. The test frequency
The test specimens shall be half-bearings ready for
use. Normally, as a result of the loading conditions, shall have a range of 50 Hz to 80 Hz. Crack detection
the major stresses are located in the crown area of shall be performed by dye penetrant method (see
the bearing. Care should be taken before and during IS0 4386-3) or by microscope.
IS0 7905-4: 1995(E)
:
I
I
f
F = i + F, x sin (w x t)
=5+s,xsin(wxf)
or s
IO
5) Sample receptacle 9) Hinged clamping beam
1) Frame
6) Strip heater IO) Load cell
2) Hydraulic cylinder
7) Testing fluid 11) Rollers on radial line
3) Connecting shaft
8) Half bearing 12) Fulcrum clamping beam
4) Seal
Figure 1 - Test principle
.
0 IS0 IS0 7905-4: 1995(E)
a specified number of cycles, e.g. 3 x 1 06, 10 x 106,
The amplitude shall be controlled by force (F)
...
Iso
NORME
7905-4
INTERNATIONALE
Première édition
1995-02-01
- Fatigue des paliers -
Paliers lisses
Partie 4:
Essai sur demi-coussinets en matériau
antifriction métallique multicouche
Plain bearings - Bearing fatigue -
Part 4: Tests on half-bearings of a metallk multilayer bearing material
Numéro de référence
ISO 7905-4: 1995(F)
ISO 7905-4: 1995(F)
Avant-propos
L’ISO (Organisation internationale de normalisation) est une fédération
mondiale d’organismes nationaux de normalisation (comités membres de
I’ISO). L’élaboration des Normes internationales est en général confiée aux
comités techniques de I’ISO. Chaque comité membre intéressé par une
étude a le droit de faire partie du comité technique créé à cet effet. Les
organisations internationales, gouvernementales et non gouvernemen-
tales, en liaison avec I’ISO participent également aux travaux. L’ISO colla-
bore étroitement avec la Commission électrotechnique internationale (CEI)
en ce qui concerne la normalisation électrotechnique.
Les projets de Normes internationales adoptés par les comités techniques
sont soumis aux comités membres pour vote. Leur publication comme
Normes internationales requiert l’approbation de 75 % au moins des
comités membres votants.
La Norme internationale ISO 7905-4 a été élaborée par le comité
techniques lSO/TC 123, Paliers lisses, sous-comité SC 2, Matériaux et
lubrifiants, leurs proprié tés, caractéristiques, méthodes d’essais et
conditions d’essais.
L’ISO 7905 comprend les parties suivantes, présentées sous le titre
général Paliers lisses - Fatigue des paliers:
- Partie 7: Paliers dans les machines d’essai et dans les applications en
lubrification hydrodynamique
- Partie 2: Essai d’éprouvettes cylindriques en matériau antifriction
métallique
- Partie 3: Essai sur éprouvettes plates en matériau antifriction
métallique multicouche
- Partie 4: Essai sur demi-coussinets en matériau antifriction
métallique multicouche
L’annexe A fait partie intégrante de la présente partie de I’ISO 7905.
L’annexe B est donnée uniquement à titre d’information.
0 ISO 1995
Droits de reproduction réservés. Sauf prescription différente, aucune partie de cette publi-
cation ne peut être reproduite ni utilisée sous quelque forme que ce soit et par aucun pro-
cédé, électronique ou mécanique, y compris la photocopie et les microfilms, sans l’accord
écrit de l’éditeur.
Organisation internationale de normalisation
Case postale 56 l CH-I 211 Genève 20 l Suisse
Version française tirée en 1996
Imprimé en Suisse
NORME INTERNATIONALE @ ISO ISO 7905-4: 1995(F)
Paliers lisses - Fatigue des paliers -
Partie 4:
Essai sur demi-coussinets en matériau antifriction métallique
multicouche
1 Domaine d’application
La présente partie de I’ISO 7905 prescrit une méthode ade détermination de la limite d’endurance à la fatigue des
demi-coussinets en matériau antifriction métallique multicouche.
2 Références normatives
Les normes suivantes contiennent des dispositions qui, par suite de la référence qui en est faite, constituent des
dispositions valables pour la présente partie de I’ISO 7905. Au moment de la publication, les éditions indiquées
étaient en vigueur. Toute norme est sujette à révision et les parties prenantes des accords fondés sur la présente
partie de I’ISO 7905 sont invitées à rechercher la possibilité d’appliquer les éditions les plus récentes des normes
indiquées ci-après. Les membres de la CEI et de I’ISO possèdent le registre des Normes internationales en vigueur
à un moment donné.
Paliers lisses métalliques multicouches - Partie 3: Contrôle non des tructif par
ISO 4386-3:1992, Paliers lisses -
ressuage.
ISO 7905-3: 1995, Paliers lisses - Fatigue des paliers - Partie 3: Essai sur éprouvettes plates en matériau
an tifric tion métallique multicouche.
3 Éprouvettes d’essai
Les éprouvettes d’essai doivent être des demi-coussinets prêts à l’emploi. Normalement, en raison des conditions
de charge, les contraintes principales se situent sur le pourtour du coussinet. II convient de prendre garde, avant et
pendant les essais, de ne pas endommager la surface, que ce soit de manière mécanique ou par corrosion.
L’avantage de cette méthode est la présence d’une contrainte résiduelle associée au procédé de fabrication des
coussinets.
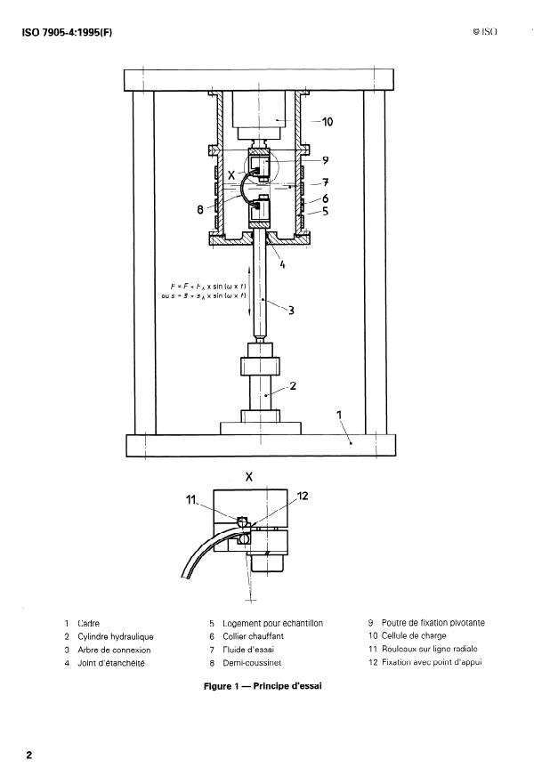
4 Méthodes d’essai
Le principe d’essai est illustré à la figure 1. L’éprouvette doit être fixée à l’une de ses extrémités, l’autre étant
soumise à une force ou un déplacement s’exerçant dans le plan radial au niveau du dépinçage, vers le plan de joint.
La charge doit varier de la tension a la compression sur la surface de roulement. En outre, une précontrainte de
traction ou de compression peut être appliquée afin d’évaluer une dépendance à la contrainte moyenne.
L’équipement d’essai se trouve, de préférence, dans une chambre contenant un lubrifiant à des niveaux fixes de
température à + 2 OC. D’autres essais peuvent être réalisés à l’air libre à des niveaux fixes de température à + 2 OC.
0 ISO a
ISO 7905-4: 1995(F)
F = F + FA x sin (w x t)
r
.12
9 Poutre de fixation pivotante
1 Cadre 5 Logement pour échantillon
10 Cellule de charge
6 Collier chauffant
2 Cylindre hydraulique
II Rouleaux sur ligne radiale
7 Fluide d’essai
3 Arbre de connexion
12 Fixation avec point d’appui
8 Demi-coussinet
4 Joint d’étanchéité
Figure 1 - Principe d’essai
@ ISO
ISO 7905-4: 1995(F)
La contrainte de flexion peut être mesurée au moyen d’une jauge de contrainte, sur la surface d’engagement du
demi-coussinet à mi-longueur développée. La contrainte requise dans la couche antifriction peut être calculée si les
épaisseurs de celle-ci et du support en acier ainsi que les modules de Young sont connus. D’autre part, la force
radiale F exercée sur l’extrémité de fixation peut être mesurée au moyen d’une cellule de charge ou calculée à
partir de la théorie de la poutre en porte-à-faux, et la valeur de la contrainte dans la couche antifriction calculée
conformément à l’annexe A. Ces valeurs dépendent largement des épaisseurs de la couche antifriction et du
support en acier qui doivent être déterminées par des coupes micrographiques après les essais. La détection des
fissures doit être effectuée par la méthode par ressuage (voir ISO 4386-3) ou au microscope.
L’amplitude doit être contrôlée par la force (F) ou le déplacement (s). Pour détecter des débuts de fissures dans -
des couches plus épaisses, la réduction de la jauge de contrainte peut être utilisée pour déterminer l’apparition des
défaillances, voir I’ISO 7905-3.
5 Évaluation et présentation des résultats d’essai
II convient de présenter les contraintes limite d’endurance sous forme de courbes Q-N à des températures
prédéterminées (+ 2 OC), conformément à une description détaillée du matériau antifriction. Normalement, les
essais sur les courbes Q-I
...
Iso
NORME
7905-4
INTERNATIONALE
Première édition
1995-02-01
- Fatigue des paliers -
Paliers lisses
Partie 4:
Essai sur demi-coussinets en matériau
antifriction métallique multicouche
Plain bearings - Bearing fatigue -
Part 4: Tests on half-bearings of a metallk multilayer bearing material
Numéro de référence
ISO 7905-4: 1995(F)
ISO 7905-4: 1995(F)
Avant-propos
L’ISO (Organisation internationale de normalisation) est une fédération
mondiale d’organismes nationaux de normalisation (comités membres de
I’ISO). L’élaboration des Normes internationales est en général confiée aux
comités techniques de I’ISO. Chaque comité membre intéressé par une
étude a le droit de faire partie du comité technique créé à cet effet. Les
organisations internationales, gouvernementales et non gouvernemen-
tales, en liaison avec I’ISO participent également aux travaux. L’ISO colla-
bore étroitement avec la Commission électrotechnique internationale (CEI)
en ce qui concerne la normalisation électrotechnique.
Les projets de Normes internationales adoptés par les comités techniques
sont soumis aux comités membres pour vote. Leur publication comme
Normes internationales requiert l’approbation de 75 % au moins des
comités membres votants.
La Norme internationale ISO 7905-4 a été élaborée par le comité
techniques lSO/TC 123, Paliers lisses, sous-comité SC 2, Matériaux et
lubrifiants, leurs proprié tés, caractéristiques, méthodes d’essais et
conditions d’essais.
L’ISO 7905 comprend les parties suivantes, présentées sous le titre
général Paliers lisses - Fatigue des paliers:
- Partie 7: Paliers dans les machines d’essai et dans les applications en
lubrification hydrodynamique
- Partie 2: Essai d’éprouvettes cylindriques en matériau antifriction
métallique
- Partie 3: Essai sur éprouvettes plates en matériau antifriction
métallique multicouche
- Partie 4: Essai sur demi-coussinets en matériau antifriction
métallique multicouche
L’annexe A fait partie intégrante de la présente partie de I’ISO 7905.
L’annexe B est donnée uniquement à titre d’information.
0 ISO 1995
Droits de reproduction réservés. Sauf prescription différente, aucune partie de cette publi-
cation ne peut être reproduite ni utilisée sous quelque forme que ce soit et par aucun pro-
cédé, électronique ou mécanique, y compris la photocopie et les microfilms, sans l’accord
écrit de l’éditeur.
Organisation internationale de normalisation
Case postale 56 l CH-I 211 Genève 20 l Suisse
Version française tirée en 1996
Imprimé en Suisse
NORME INTERNATIONALE @ ISO ISO 7905-4: 1995(F)
Paliers lisses - Fatigue des paliers -
Partie 4:
Essai sur demi-coussinets en matériau antifriction métallique
multicouche
1 Domaine d’application
La présente partie de I’ISO 7905 prescrit une méthode ade détermination de la limite d’endurance à la fatigue des
demi-coussinets en matériau antifriction métallique multicouche.
2 Références normatives
Les normes suivantes contiennent des dispositions qui, par suite de la référence qui en est faite, constituent des
dispositions valables pour la présente partie de I’ISO 7905. Au moment de la publication, les éditions indiquées
étaient en vigueur. Toute norme est sujette à révision et les parties prenantes des accords fondés sur la présente
partie de I’ISO 7905 sont invitées à rechercher la possibilité d’appliquer les éditions les plus récentes des normes
indiquées ci-après. Les membres de la CEI et de I’ISO possèdent le registre des Normes internationales en vigueur
à un moment donné.
Paliers lisses métalliques multicouches - Partie 3: Contrôle non des tructif par
ISO 4386-3:1992, Paliers lisses -
ressuage.
ISO 7905-3: 1995, Paliers lisses - Fatigue des paliers - Partie 3: Essai sur éprouvettes plates en matériau
an tifric tion métallique multicouche.
3 Éprouvettes d’essai
Les éprouvettes d’essai doivent être des demi-coussinets prêts à l’emploi. Normalement, en raison des conditions
de charge, les contraintes principales se situent sur le pourtour du coussinet. II convient de prendre garde, avant et
pendant les essais, de ne pas endommager la surface, que ce soit de manière mécanique ou par corrosion.
L’avantage de cette méthode est la présence d’une contrainte résiduelle associée au procédé de fabrication des
coussinets.
4 Méthodes d’essai
Le principe d’essai est illustré à la figure 1. L’éprouvette doit être fixée à l’une de ses extrémités, l’autre étant
soumise à une force ou un déplacement s’exerçant dans le plan radial au niveau du dépinçage, vers le plan de joint.
La charge doit varier de la tension a la compression sur la surface de roulement. En outre, une précontrainte de
traction ou de compression peut être appliquée afin d’évaluer une dépendance à la contrainte moyenne.
L’équipement d’essai se trouve, de préférence, dans une chambre contenant un lubrifiant à des niveaux fixes de
température à + 2 OC. D’autres essais peuvent être réalisés à l’air libre à des niveaux fixes de température à + 2 OC.
0 ISO a
ISO 7905-4: 1995(F)
F = F + FA x sin (w x t)
r
.12
9 Poutre de fixation pivotante
1 Cadre 5 Logement pour échantillon
10 Cellule de charge
6 Collier chauffant
2 Cylindre hydraulique
II Rouleaux sur ligne radiale
7 Fluide d’essai
3 Arbre de connexion
12 Fixation avec point d’appui
8 Demi-coussinet
4 Joint d’étanchéité
Figure 1 - Principe d’essai
@ ISO
ISO 7905-4: 1995(F)
La contrainte de flexion peut être mesurée au moyen d’une jauge de contrainte, sur la surface d’engagement du
demi-coussinet à mi-longueur développée. La contrainte requise dans la couche antifriction peut être calculée si les
épaisseurs de celle-ci et du support en acier ainsi que les modules de Young sont connus. D’autre part, la force
radiale F exercée sur l’extrémité de fixation peut être mesurée au moyen d’une cellule de charge ou calculée à
partir de la théorie de la poutre en porte-à-faux, et la valeur de la contrainte dans la couche antifriction calculée
conformément à l’annexe A. Ces valeurs dépendent largement des épaisseurs de la couche antifriction et du
support en acier qui doivent être déterminées par des coupes micrographiques après les essais. La détection des
fissures doit être effectuée par la méthode par ressuage (voir ISO 4386-3) ou au microscope.
L’amplitude doit être contrôlée par la force (F) ou le déplacement (s). Pour détecter des débuts de fissures dans -
des couches plus épaisses, la réduction de la jauge de contrainte peut être utilisée pour déterminer l’apparition des
défaillances, voir I’ISO 7905-3.
5 Évaluation et présentation des résultats d’essai
II convient de présenter les contraintes limite d’endurance sous forme de courbes Q-N à des températures
prédéterminées (+ 2 OC), conformément à une description détaillée du matériau antifriction. Normalement, les
essais sur les courbes Q-I
...
















Questions, Comments and Discussion
Ask us and Technical Secretary will try to provide an answer. You can facilitate discussion about the standard in here.
Loading comments...