ISO 7040:1983
(Main)Prevailing torque type hexagon nuts (with non-metallic insert), style 1 — Property classes 5, 8 and 10
Prevailing torque type hexagon nuts (with non-metallic insert), style 1 — Property classes 5, 8 and 10
Écrous hexagonaux à freinage interne, à couple préalable (avec anneau non métallique), style 1 — Classes de qualité 5, 8 et 10
Šestrobe zaščitne matice s plastičnim vložkom - Tip 1 - Trdnostni razredi 5, 8 in 10
General Information
- Status
- Withdrawn
- Publication Date
- 31-Aug-1983
- Withdrawal Date
- 31-Aug-1983
- Technical Committee
- ISO/TC 2 - Fasteners
- Drafting Committee
- ISO/TC 2 - Fasteners
- Current Stage
- 9599 - Withdrawal of International Standard
- Start Date
- 06-Nov-1997
- Completion Date
- 14-Feb-2026
Relations
- Effective Date
- 15-Apr-2008
- Effective Date
- 15-Apr-2008
Buy Documents
ISO 7040:1983 - Prevailing torque type hexagon nuts (with non-metallic insert), style 1 -- Property classes 5, 8 and 10
ISO 7040:1983 - Écrous hexagonaux a freinage interne, a couple préalable (avec anneau non métallique), style 1 -- Classes de qualité 5, 8 et 10
Frequently Asked Questions
ISO 7040:1983 is a standard published by the International Organization for Standardization (ISO). Its full title is "Prevailing torque type hexagon nuts (with non-metallic insert), style 1 — Property classes 5, 8 and 10". This standard covers: Prevailing torque type hexagon nuts (with non-metallic insert), style 1 — Property classes 5, 8 and 10
Prevailing torque type hexagon nuts (with non-metallic insert), style 1 — Property classes 5, 8 and 10
ISO 7040:1983 is classified under the following ICS (International Classification for Standards) categories: 21.060.20 - Nuts. The ICS classification helps identify the subject area and facilitates finding related standards.
ISO 7040:1983 has the following relationships with other standards: It is inter standard links to ISO 2358:1972, ISO 7040:1997. Understanding these relationships helps ensure you are using the most current and applicable version of the standard.
ISO 7040:1983 is available in PDF format for immediate download after purchase. The document can be added to your cart and obtained through the secure checkout process. Digital delivery ensures instant access to the complete standard document.
Standards Content (Sample)
SLOVENSKI STANDARD
01-april-1996
âHVWUREH]DãþLWQHPDWLFHVSODVWLþQLPYORåNRP7LS7UGQRVWQLUD]UHGLLQ
Prevailing torque type hexagon nuts (with non-metallic insert), style 1 -- Property classes
5, 8 and 10
Écrous hexagonaux à freinage interne, à couple préalable (avec anneau non métallique),
style 1 -- Classes de qualité 5, 8 et 10
Ta slovenski standard je istoveten z: ISO 7040:1983
ICS:
21.060.20 Matice Nuts
2003-01.Slovenski inštitut za standardizacijo. Razmnoževanje celote ali delov tega standarda ni dovoljeno.
International Standard 704
INTERNATIONAL ORGANIZATION FOR STANDARDIZATION*MEm9YHA~AHAR OPrAHH3AUHR Il0 CTAHWFTH3AUMH.ORGANlSATlON INTERNATIONALE DE NORMALISATION
Prevailing torque type hexagon nuts (with non-metallic
insert), style 1 - Property classes 5, 8 and 10
Écrous hexagonaux à freinage interne, à couple préalable (avec anneau non métallique), style I - Classes de qualité 5, û et 10
First edition - 1983-09-15
- UDC 621.882.31 Ref. No. IS0 7040-1983 (E)
Descriptors : fasteners, nuts (fasteners), hexagonal nuts, specifications, dimensions, designation.
$
L2
Price based on 3 pages
Foreword
IS0 (the International Organization for Standardization) is a worldwide federation of
national standards bodies (IS0 member bodies). The work of developing International
Standards is carried out through IS0 technical committees. Every member body
interested in a subject for which a technical committee has been authorized has the
right to be represented on that committee. International organizations, governmental
and non-governmental, in liaison with ISO, also take part in the work.
Draft International Standards adopted by the technical committees are circulated to
the member bodies for approval before their acceptance as International Standards by
the IS0 Council.
International Standard IS0 7040 was developed by Technical Committee ISO/TC 2,
Fasteners, and was circulated to the member bodies in December 1981.
It has been approved by the member bodies of the following countries:
Australia Hungary Norway
Belgium India Poland
Canada Ireland Romania
China Italy South Africa, Rep. of
Czechoslovakia Japan Spain
Denmark Korea, Dem. P. Rep. of Sri Lanka
Egypt, Arab Rep. of Korea, Rep. of Sweden
Finland Mexico Switzerland
France Net herlands
Germany, F. R . New Zealand e
The member bodies of the following countries expressed disapproval of the document
on technical grounds :
United Kingdom
USA
USSR
I
INTERNATIONAL STANDARD IS0 7040-1983 (E)
Prevailing torque type hexagon nuts (with non-metallic
insert), style 1 - Property classes 5, 8 and IO
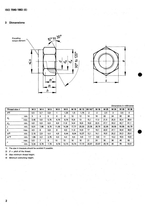
1 Scope and field of application
This International Standard specifies the characteristics of prevailing torque type hexagon nuts, style 1, with non-metallic annular
insert and thread sizes from M 3 to M 36 inclusive, in product grades A (d 6 M 16) and B (d > M 161, and property classes 5,8 and 10.
NOTE - The dimensions of the nuts cor
...
International Standard 704
INTERNATIONAL ORGANIZATION FOR STANDARDIZATION*MEm9YHA~AHAR OPrAHH3AUHR Il0 CTAHWFTH3AUMH.ORGANlSATlON INTERNATIONALE DE NORMALISATION
Prevailing torque type hexagon nuts (with non-metallic
insert), style 1 - Property classes 5, 8 and 10
Écrous hexagonaux à freinage interne, à couple préalable (avec anneau non métallique), style I - Classes de qualité 5, û et 10
First edition - 1983-09-15
- UDC 621.882.31 Ref. No. IS0 7040-1983 (E)
Descriptors : fasteners, nuts (fasteners), hexagonal nuts, specifications, dimensions, designation.
$
L2
Price based on 3 pages
Foreword
IS0 (the International Organization for Standardization) is a worldwide federation of
national standards bodies (IS0 member bodies). The work of developing International
Standards is carried out through IS0 technical committees. Every member body
interested in a subject for which a technical committee has been authorized has the
right to be represented on that committee. International organizations, governmental
and non-governmental, in liaison with ISO, also take part in the work.
Draft International Standards adopted by the technical committees are circulated to
the member bodies for approval before their acceptance as International Standards by
the IS0 Council.
International Standard IS0 7040 was developed by Technical Committee ISO/TC 2,
Fasteners, and was circulated to the member bodies in December 1981.
It has been approved by the member bodies of the following countries:
Australia Hungary Norway
Belgium India Poland
Canada Ireland Romania
China Italy South Africa, Rep. of
Czechoslovakia Japan Spain
Denmark Korea, Dem. P. Rep. of Sri Lanka
Egypt, Arab Rep. of Korea, Rep. of Sweden
Finland Mexico Switzerland
France Net herlands
Germany, F. R . New Zealand e
The member bodies of the following countries expressed disapproval of the document
on technical grounds :
United Kingdom
USA
USSR
I
INTERNATIONAL STANDARD IS0 7040-1983 (E)
Prevailing torque type hexagon nuts (with non-metallic
insert), style 1 - Property classes 5, 8 and IO
1 Scope and field of application
This International Standard specifies the characteristics of prevailing torque type hexagon nuts, style 1, with non-metallic annular
insert and thread sizes from M 3 to M 36 inclusive, in product grades A (d 6 M 16) and B (d > M 161, and property classes 5,8 and 10.
NOTE - The dimensions of the nuts correspond to those given in IS0 4032 plus prevailing torque feature.
If other specifications are required, it is recommended that they should be selected from existing International Standards, for example
IS0 261, IS0 898, IS0 965, IS0 2320, IS0 475!3/1.
2 References
IS0 225, Fasteners - Bolts, screws, studs and nuts - Symbols and designations of dimensions.
IS0
...
Norme internationale
INTERNATIONAL ORGANIZATION FOR STANDAROlZATION*ME~YHAPOflHAR OPrAHHBAUHR fl0 CTAHflAPTH3A~MHWRGANlSATlON INTERNATIONALE DE NORMALISATION
Écrous hexagonaux à freinage interne, à couple préalable
1 - Classes de qualité
(avec anneau non métallique), style
5, 8 et 10
Prevailing torque type hexagon nuts (with non-metallic inseri), style I - Property classes 5, 8 and IO
Première édition - 1983-09-15
iî CDU 621.882.31 Réf. no : IS0 7040-1983 (FI
-
8 Descripteurs : élément de fixation, écrou, écrou hexagonal, spécification, dimension, désignation.
P
Prix basé sur 3 pages
Avant-propos
L’ISO (organisation internationale de normalisation) est une fédération mondiale
d’organismes nationaux de normalisation (comités membres de I’ISO). L‘élaboration
des Normes internationales est confiée aux comités techniques de I’ISO. Chaque
comité membre intéressé par une étude a le droit de faire partie du comité technique
correspondant. Les organisations internationales, gouvernementales et non gouverne-
e
mentales, en liaison avec I’ISO, participent également aux travaux.
Les projets de Normes internationales adoptés par les comités techniques sont soumis
aux comités membres pour approbation, avant leur acceptation comme Normes inter-
nationales par le Conseil de I‘ISO.
La Norme internationale IS0 7040 a été élaborée par le comité technique ISO/TC 2,
€/éments de fixation, et a été soumise aux comités membres en décembre 1981.
Les comités membres des pays suivants l‘ont approuvée:
Afrique du Sud, Rép. d’ Espagne Nouvelle-Zélande
Allemagne, R.F. Finlande Pays-Bas
Australie France Pologne
Belgique Hongrie Roumanie
Canada
Inde Sri Lanka
Chine Irlande Suède
Corée, Rép. de Italie Suisse
Corée, Rép. dém. p. de Japon Tchécoslovaquie
Danemark Mexique
Égypte, Rép. arabe d’ Norvège c
Les comités membres des pays suivants l‘ont désapprouvée pour des raisons
techniques:
Royaume-Uni
URSS
USA
O Organisation internationale de normalisation, 1983 O
Imprimé en Suisse
i
IS0 7040-1983 (F)
NORM E I NTE R NAT10 NA LE
Écrous hexagonaux à freinage interne, à couple préalable
(avec anneau non métallique), style 1 - Classes de qual
5, 8 et IO
1 Objet et domaine d'application
La présente Norme internationale spécifie les caractéristiques des écrous hexagonaux à freinage interne, à couple préalable (avec
anneau non métallique), de style 1, de diamètre nominal de filetage M 3 à M 36 inclus, de classes de qualité 5, 8 et 10 et de grades A
Id < M 16) et B (d > M 16).
NOTE - Les dimensions des écrous sont conformes à celles données dans I'ISO 4032 plus le système de freinage.
Si d'autres spécifications sont requises, il est recommandé de les choisir dans les Normes internationales existantes, par exemple
IS0 261, IS0 898, IS0 965, IS0 2320, IS0 4759/1.
2 Références
IS0 225, Eléments de fixation - Boulons, vis, goujons et écrous - Symboles et désignations des
...












Questions, Comments and Discussion
Ask us and Technical Secretary will try to provide an answer. You can facilitate discussion about the standard in here.
Loading comments...