ISO 3202:1991
(Main)Aerospace — Screws, pan head, internal offset cruciform ribbed drive, threaded to head, MJ threads, metallic material, coated or uncoated, strength classes less than or equal to 1 100 MPa — Dimensions
Aerospace — Screws, pan head, internal offset cruciform ribbed drive, threaded to head, MJ threads, metallic material, coated or uncoated, strength classes less than or equal to 1 100 MPa — Dimensions
Aéronautique et espace — Vis à tête cylindrique, à empreinte cruciforme déportée avec saillies antidérapantes, filetées jusqu'à proximité de la tête, à filetage MJ, en matériau métallique, revêtues ou non revêtues, des classes de résistance inférieures ou égales à 1 100 MPa — Dimensions
General Information
- Status
- Withdrawn
- Publication Date
- 20-Nov-1991
- Withdrawal Date
- 20-Nov-1991
- Technical Committee
- ISO/TC 20/SC 4 - Aerospace fastener systems
- Drafting Committee
- ISO/TC 20/SC 4/WG 2 - Non Threaded Fasteners
- Current Stage
- 9599 - Withdrawal of International Standard
- Start Date
- 16-Oct-1997
- Completion Date
- 14-Feb-2026
Relations
- Consolidated By
ISO 8676:1999 - Hexagon head screws with metric fine pitch thread — Product grades A and B - Effective Date
- 06-Jun-2022
- Effective Date
- 15-Apr-2008
Buy Documents
ISO 3202:1991 - Aéronautique et espace -- Vis a tete cylindrique, a empreinte cruciforme déportée avec saillies antidérapantes, filetées jusqu'a proximité de la tete, a filetage MJ, en matériau métallique, revetues ou non revetues, des classes de résistance inférieures ou égales a 1 100 MPa -- Dimensions
Get Certified
Connect with accredited certification bodies for this standard

DEKRA North America
DEKRA certification services in North America.
Eagle Registrations Inc.
American certification body for aerospace and defense.

Element Materials Technology
Materials testing and product certification.
Sponsored listings
Frequently Asked Questions
ISO 3202:1991 is a standard published by the International Organization for Standardization (ISO). Its full title is "Aerospace — Screws, pan head, internal offset cruciform ribbed drive, threaded to head, MJ threads, metallic material, coated or uncoated, strength classes less than or equal to 1 100 MPa — Dimensions". This standard covers: Aerospace — Screws, pan head, internal offset cruciform ribbed drive, threaded to head, MJ threads, metallic material, coated or uncoated, strength classes less than or equal to 1 100 MPa — Dimensions
Aerospace — Screws, pan head, internal offset cruciform ribbed drive, threaded to head, MJ threads, metallic material, coated or uncoated, strength classes less than or equal to 1 100 MPa — Dimensions
ISO 3202:1991 is classified under the following ICS (International Classification for Standards) categories: 49.030.20 - Bolts, screws, studs. The ICS classification helps identify the subject area and facilitates finding related standards.
ISO 3202:1991 has the following relationships with other standards: It is inter standard links to ISO 8676:1999, ISO 3202:1997. Understanding these relationships helps ensure you are using the most current and applicable version of the standard.
ISO 3202:1991 is available in PDF format for immediate download after purchase. The document can be added to your cart and obtained through the secure checkout process. Digital delivery ensures instant access to the complete standard document.
Standards Content (Sample)
IS0
NORME
I N TE R NAT I O NA LE 3202
Première édition
I991 -1 2-01
Aéronautique et espace - Vis à tête cylindrique,
à empreinte cruciforme déportée avec saillies
antidérapantes, filetées jusqu’à proximité de la
tête, à filetage MJ, en matériau métallique,
revêtues ou non revêtues, des classes de
resistance inférieures ou égales à 1 100 MPa -
Dimensions
Aerospace - Screws, pan head, internal offset cruciform ribbed drive,
threaded to head, MJ threads, metallic material, coated or uncoated,
strength classes less than or equal to 1 100 MPa - Dimensions
Numéro de référence
IS0 3202:1991(F)
, Avant-propos
L’ISO (Organisation internationale de normalisation) est une fédération
mondiale d’organismes nationaux de normalisation (cornités membres
de I’ISO). L’élaboration des Normes internationales est en général
confiée aux comités techniques de I‘ISO. Chaque comité membre inté-
ressé par une étude a le droit de faire partie du comité technique créé
à cet effet. Les organisations internationales, gouvernementales et non
gouvernementales, en liaison avec 1’1S0 participent également aux tra-
vaux. L’ISO collabore étroitement avec la Commission électrotechnique
internationale (CEI) en ce qui concerne la normalisation électrotech-
nique.
Les projets de Normes internationales adoptés par les comités techni-
ques sont soumis aux comités membres pour vote. Leur publication
comme Normes internationales requiert l’approbation de 75 % au moins
des comités membres votants.
La Norme internationale IS0 3202 a été élaborée par le comité techni-
que ISO/TC 20, Aéronautique et espace, sous-comité SC 4, Éiérnents de
fixation pour constructions aérospatiales.
O is0 1991
Droits de reproduction réservés. Aucune partie de cette publication ne peut être repro-
dulte ni utilisée sous quelque forme que ce soit et par aucun procédé, électronique ou
mécanique, y compris la photocopie et les microfilms, sans l‘accord écrit de l’éditeur.
Organlsation internationale de normaiisatioii
Case Postale 56 CH-1211 Genève 20 Suisse
Imprlmé en Suisse
ii
NORME INTERNATIONALE IS0 3202:1991 (F)
Aéronautique et espace - Vis à tête cylindrique, à empreinte
cruciforme déportée avec saillies antidérapantes, filetées
jusqu’à proximité de la tête, à filetage MJ, en matériau
métallique, revêtues ou non revêtues, des classes de
résistance inférieures ou égales à 1 I00 MPa - Dimensions
des normes indiquées ci-après. Les membres de la
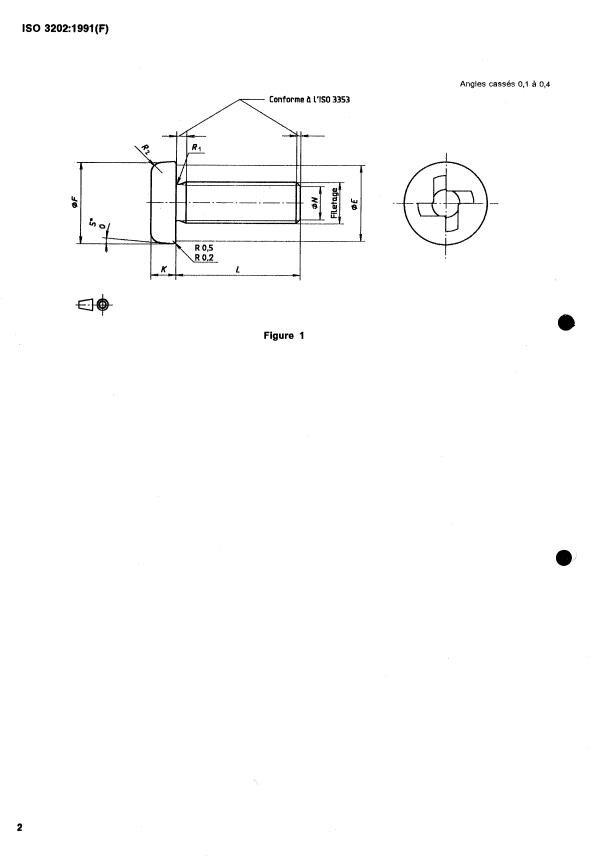
1 Domaine d’application
CE1 et de 1’1S0 possèdent le registre des Normes
internationales en vigueur à un moment donné.
La présente Norme internationale prescrit les di-
mensions des vis à tête cylindrique, à empreinte
IS0 3353:1976, Constructions aéros
...




Questions, Comments and Discussion
Ask us and Technical Secretary will try to provide an answer. You can facilitate discussion about the standard in here.
Loading comments...