ISO 1522:1998/Cor 1:1998
(Corrigendum)Paints and varnishes — Pendulum damping test — Technical Corrigendum 1
Paints and varnishes — Pendulum damping test — Technical Corrigendum 1
Peintures et vernis — Essai d'amortissement du pendule — Rectificatif technique 1
General Information
- Status
- Withdrawn
- Publication Date
- 25-Nov-1998
- Withdrawal Date
- 25-Nov-1998
- Technical Committee
- ISO/TC 35/SC 9 - General test methods for paints and varnishes
- Drafting Committee
- ISO/TC 35/SC 9 - General test methods for paints and varnishes
- Current Stage
- 9599 - Withdrawal of International Standard
- Start Date
- 01-Dec-2006
- Completion Date
- 14-Feb-2026
Relations
- Effective Date
- 06-Jun-2022
- Effective Date
- 15-Apr-2008
- Effective Date
- 12-May-2008
- Effective Date
- 15-Apr-2008
Frequently Asked Questions
ISO 1522:1998/Cor 1:1998 is a standard published by the International Organization for Standardization (ISO). Its full title is "Paints and varnishes — Pendulum damping test — Technical Corrigendum 1". This standard covers: Paints and varnishes — Pendulum damping test — Technical Corrigendum 1
Paints and varnishes — Pendulum damping test — Technical Corrigendum 1
ISO 1522:1998/Cor 1:1998 is classified under the following ICS (International Classification for Standards) categories: 87.040 - Paints and varnishes. The ICS classification helps identify the subject area and facilitates finding related standards.
ISO 1522:1998/Cor 1:1998 has the following relationships with other standards: It is inter standard links to ISO 1522:1998, ISO 1522:2006; is excused to SIST ISO 1522:1998, ISO 1522:1998. Understanding these relationships helps ensure you are using the most current and applicable version of the standard.
ISO 1522:1998/Cor 1:1998 is available in PDF format for immediate download after purchase. The document can be added to your cart and obtained through the secure checkout process. Digital delivery ensures instant access to the complete standard document.
Standards Content (Sample)
INTERNATIONAL STANDARD ISO 1522:1998
TECHNICAL CORRIGENDUM 1
A
Published 1998-11-15
INTERNATIONAL ORGANIZATION FOR STANDARDIZATION • �¯˘˜�˝�—˛˜˝�� ˛—ˆ�˝¨˙��¨� ˇ˛ ���˝˜�—�¨˙��¨¨ • ORGANISATION INTERNATIONALE DE NORMALISATION
Paints and varnishes — Pendulum damping test
TECHNICAL CORRIGENDUM 1
Peintures et vernis — Essai d'amortissement du pendule
RECTIFICATIF TECHNIQUE 1
Technical Corrigendum 1 to International Standard ISO 1522:1998 was prepared by Technical Committee
ISO/TC 35, Paints and varnishes, Subcommittee SC 9, General test methods for paints and varnishes.
Page 2
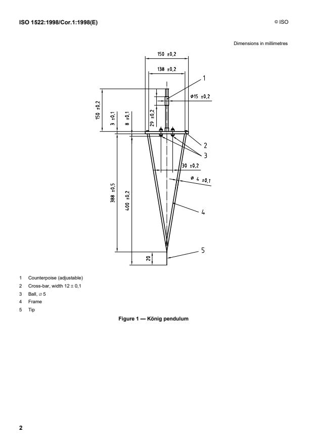
Figure 1
Replace the existing figure by the accompanying figure in which the arrow indicating the length of the cross-bar (2)
has been extended to the ends of the cross-bar. In addition, the wording of item
...
NORME INTERNATIONALE ISO 1522:1998
RECTIFICATIF TECHNIQUE 1
A
Publié 1998-11-15
INTERNATIONAL ORGANIZATION FOR STANDARDIZATION • �¯˘˜�˝�—˛˜˝�� ˛—ˆ�˝¨˙��¨� ˇ˛ ���˝˜�—�¨˙��¨¨ • ORGANISATION INTERNATIONALE DE NORMALISATION
Peintures et vernis — Essai d'amortissement du pendule
RECTIFICATIF TECHNIQUE 1
Paints and varnishes — Pendulum damping test
TECHNICAL CORRIGENDUM 1
Le Rectificatif technique 1 à la Norme internationale ISO 1522:1998 a été élaboré par le comité technique
ISO/TC 35, Peintures et vernis, sous-comité SC 9, Méthodes générales d'essai des peintures et vernis.
Page 3
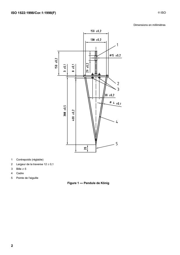
Figure 1
Remplacer la figure existante par la figure ci-jointe dans laquelle la flèche indiquant la longueur de la traverse (2) a
été allongée jusqu'aux extrémités de la traverse. En outre, l'élément 2 de la légende a été cor
...








Questions, Comments and Discussion
Ask us and Technical Secretary will try to provide an answer. You can facilitate discussion about the standard in here.
Loading comments...