ISO 7044:1983
(Main)Prevailing torque type all-metal hexagon nuts with flange
Prevailing torque type all-metal hexagon nuts with flange
Écrous hexagonaux à embase cylindro-tronconique, à freinage interne, à couple préalable, tout métal
Šestrobe torne zaščitne matice s poševnim krajcem
General Information
- Status
- Withdrawn
- Publication Date
- 31-Aug-1983
- Withdrawal Date
- 31-Aug-1983
- Technical Committee
- ISO/TC 2 - Fasteners
- Drafting Committee
- ISO/TC 2 - Fasteners
- Current Stage
- 9599 - Withdrawal of International Standard
- Start Date
- 06-Nov-1997
- Completion Date
- 14-Feb-2026
Relations
- Effective Date
- 15-Apr-2008
- Revised
ISO 7044:1997 - Prevailing torque type all-metal hexagon nuts with flange — Product grades A and B - Effective Date
- 15-Apr-2008
Buy Documents
ISO 7044:1983 - Prevailing torque type all-metal hexagon nuts with flange
ISO 7044:1983 - Écrous hexagonaux a embase cylindro-tronconique, a freinage interne, a couple préalable, tout métal
Frequently Asked Questions
ISO 7044:1983 is a standard published by the International Organization for Standardization (ISO). Its full title is "Prevailing torque type all-metal hexagon nuts with flange". This standard covers: Prevailing torque type all-metal hexagon nuts with flange
Prevailing torque type all-metal hexagon nuts with flange
ISO 7044:1983 is classified under the following ICS (International Classification for Standards) categories: 21.060.20 - Nuts. The ICS classification helps identify the subject area and facilitates finding related standards.
ISO 7044:1983 has the following relationships with other standards: It is inter standard links to ISO 2358:1972, ISO 7044:1997. Understanding these relationships helps ensure you are using the most current and applicable version of the standard.
ISO 7044:1983 is available in PDF format for immediate download after purchase. The document can be added to your cart and obtained through the secure checkout process. Digital delivery ensures instant access to the complete standard document.
Standards Content (Sample)
SLOVENSKI STANDARD
01-april-1996
âHVWUREHWRUQH]DãþLWQHPDWLFHVSRãHYQLPNUDMFHP
Prevailing torque type all-metal hexagon nuts with flange
Écrous hexagonaux à embase cylindro-tronconique, à freinage interne, à couple
préalable, tout métal
Ta slovenski standard je istoveten z: ISO 7044:1983
ICS:
21.060.20 Matice Nuts
2003-01.Slovenski inštitut za standardizacijo. Razmnoževanje celote ali delov tega standarda ni dovoljeno.
International Standard 7044
INTERNATIONAL ORGANiZATiON FOR STANDARDIZATION*ME)YHAPO~HAfl OPrAHY3AUMfl Il0 CTAH&APTl43AUHH.ORGANiSATlON INTERNATIONALE DE NORMALISATION
Prevailing torque type all-metal hexagon nuts with flange
Ecrous hexagonaux à embase cylindro-tronconique, à freinage interne, à couple préalable, tout métal
First edition - 1983-09-01
I iïi UDC 621.882.31 Ref. No. IS0 7044-1983 (E)
Descriptors : fasteners, nuts (fasteners), hexagonal nuts with flange, hexagonal nuts, specifications, dimensions, designation.
Fa
s
Price based on 4 pages
Foreword
IS0 (the International Organization for Standardization) is a worldwide federation of
national standards bodies (IS0 member bodies). The work of developing International
Standards is carried out through IS0 technical committees. Every member body
interested in a subject for which a technical committee has been authorized has the
right to be represented on that committee. International organizations, governmental
and non-governmental, in liaison with ISO, also take part in the work.
Draft International Standards adopted by the technical committees are circulated to
the member bodies for approval before their acceptance as International Standards by
the IS0 Council.
IS0 7044 was developed by Technical Committee ISO/TC 2,
International Standard
Fasteners, and was circulated to the member bodies in December 1981.
It has been approved by the member bodies of the following countries:
Australia Germany, F. R. New Zealand
Belgium Hungary Norway
Brazil Poland
India
Canada Ireland Romania
China Italy South Africa, Rep. of
Czechoslovakia Japan Spain
Denmark Korea, Dem. P. Rep. of Sri Lanka
Egypt, Arab Rep. of Korea, Rep. of
Sweden
Finland Mexico Switzerland
France Netherlands USA
The member bodies of the following countries expressed disapproval of the document
on technical grounds :
United Kingdom
USSR
0 International Organization for Standardization, 1983 O
Printed in Switzerland
~~~
IS0 7044-1983 (E)
INTERNATIONAL STANDARD
Prevailing torque type all-metal hexagon nuts witli flange
1 Scope and field of application
This International Standard specifies the characteristics of prevailing torque type all-metal hexagon nuts with flange and thread sizes
from M 5 to M 20 inclusive, in product grade A.
NOTE - The dimensions of the nuts correspond to those given in IS0 4161 plus prevailing torque feature.
If other specifications are required, it is recommended that they should be selected from existing International Standards, for example
IS0 261, IS0 898, IS0 965, IS0 2320, IS0 475911.
2 References
IS0 225, Fasteners - Bolts, screws, studs and nuts - Symbols and designations of dimensions.
IS0 261, IS0 general purpose metric screw threads - General plan.
IS0 898, Mechanical properties of fasteners.
IS0 965, IS0 general purpose metric screw threads - Tolerances.
IS0 2320, Prevailing torque type steel hexagon nuts - Mechanical and performance properties.
IS0 3269, Fasteners - Acceptance inspection. 1)
IS0 4042, Threaded components - Electroplated coatings components. 1)
IS0 4161, Hexagon flange nuts - Product grade A.
IS0 475911, Tolerances for fasteners
...
International Standard 7044
INTERNATIONAL ORGANiZATiON FOR STANDARDIZATION*ME)YHAPO~HAfl OPrAHY3AUMfl Il0 CTAH&APTl43AUHH.ORGANiSATlON INTERNATIONALE DE NORMALISATION
Prevailing torque type all-metal hexagon nuts with flange
Ecrous hexagonaux à embase cylindro-tronconique, à freinage interne, à couple préalable, tout métal
First edition - 1983-09-01
I iïi UDC 621.882.31 Ref. No. IS0 7044-1983 (E)
Descriptors : fasteners, nuts (fasteners), hexagonal nuts with flange, hexagonal nuts, specifications, dimensions, designation.
Fa
s
Price based on 4 pages
Foreword
IS0 (the International Organization for Standardization) is a worldwide federation of
national standards bodies (IS0 member bodies). The work of developing International
Standards is carried out through IS0 technical committees. Every member body
interested in a subject for which a technical committee has been authorized has the
right to be represented on that committee. International organizations, governmental
and non-governmental, in liaison with ISO, also take part in the work.
Draft International Standards adopted by the technical committees are circulated to
the member bodies for approval before their acceptance as International Standards by
the IS0 Council.
IS0 7044 was developed by Technical Committee ISO/TC 2,
International Standard
Fasteners, and was circulated to the member bodies in December 1981.
It has been approved by the member bodies of the following countries:
Australia Germany, F. R. New Zealand
Belgium Hungary Norway
Brazil Poland
India
Canada Ireland Romania
China Italy South Africa, Rep. of
Czechoslovakia Japan Spain
Denmark Korea, Dem. P. Rep. of Sri Lanka
Egypt, Arab Rep. of Korea, Rep. of
Sweden
Finland Mexico Switzerland
France Netherlands USA
The member bodies of the following countries expressed disapproval of the document
on technical grounds :
United Kingdom
USSR
0 International Organization for Standardization, 1983 O
Printed in Switzerland
~~~
IS0 7044-1983 (E)
INTERNATIONAL STANDARD
Prevailing torque type all-metal hexagon nuts witli flange
1 Scope and field of application
This International Standard specifies the characteristics of prevailing torque type all-metal hexagon nuts with flange and thread sizes
from M 5 to M 20 inclusive, in product grade A.
NOTE - The dimensions of the nuts correspond to those given in IS0 4161 plus prevailing torque feature.
If other specifications are required, it is recommended that they should be selected from existing International Standards, for example
IS0 261, IS0 898, IS0 965, IS0 2320, IS0 475911.
2 References
IS0 225, Fasteners - Bolts, screws, studs and nuts - Symbols and designations of dimensions.
IS0 261, IS0 general purpose metric screw threads - General plan.
IS0 898, Mechanical properties of fasteners.
IS0 965, IS0 general purpose metric screw threads - Tolerances.
IS0 2320, Prevailing torque type steel hexagon nuts - Mechanical and performance properties.
IS0 3269, Fasteners - Acceptance inspection. 1)
IS0 4042, Threaded components - Electroplated coatings components. 1)
IS0 4161, Hexagon flange nuts - Product grade A.
IS0 475911, Tolerances for fasteners - Part 7: Bolts, screws and nuts with thread diameters > 1,6 and < 1% mm and produci
grades A, B and C.
1) At present at the stage of draft.
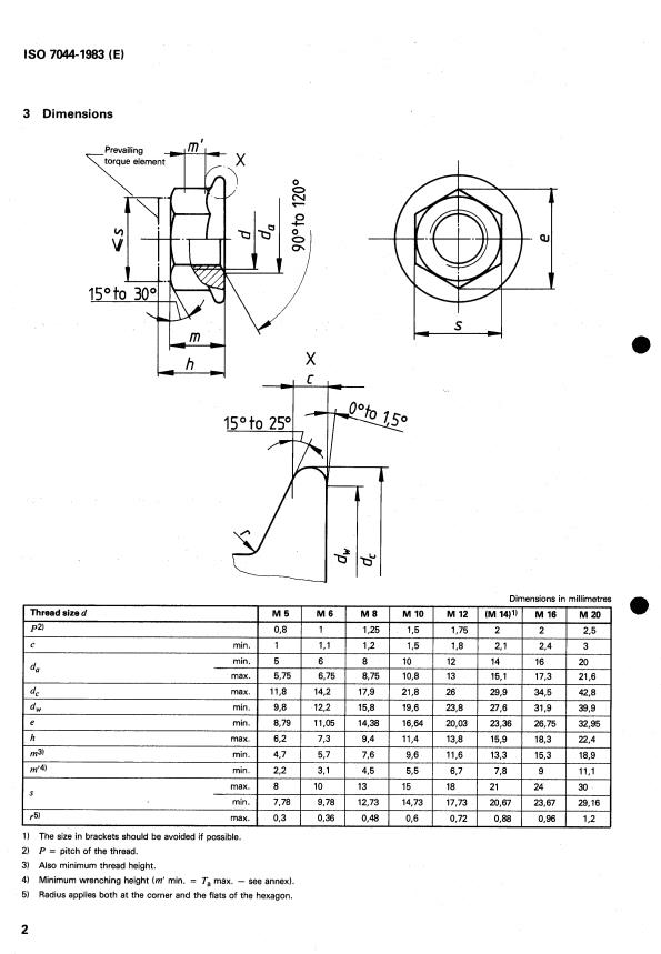
3 Dimensions
I
X
u
-Y-
Thread sized M5 M 6 M 8 M 10 M 12 IM 1411) M 16 M 20
P2) 0,8 1 1,25 1
...
Norme internationale 7044
INTERNATIONAL ORGANIZATION FOR STANDARDIZATIONOME~YHAPO~HAR OPrAHH3AUHR il0 CTAHAAPTH3AUHH.ORGANlSAflON INTERNATIONALE DE NORMALISATION
0 Écrous hexagonaux à embase cylindro-tronconique, à
freinage interne, à couple préalable, tout métal
Prevailing torque type all-metal hexagon nuts with flange
Première édition - 1983-09-01
- CDU 621.882.31 Réf. no : iS,O 7044-1983 (FI
k
Descripteurs : élément de fixation, écrou, écrou à embase, écrou hexagonal, dimensions, spécification, désignation.
Prix basé sur 4 pages
Avant-propos
L’ISO (organisation internationale de normalisation) est une fédération mondiale
d’organismes nationaux de normalisation (comités membres de I’ISO). L’élaboration
I‘ISO. Chaque
des Normes internationales est confiée aux comités techniques de
comité membre intéressé par une étude a le droit de faire partie du comité technique
correspondant. Les organisations internationales, gouvernementales et non gouverne-
mentales, en liaison avec I’ISO, participent également aux travaux.
Les projets de Normes internationales adoptés par les comités techniques sont soumis
aux comités membres pour approbation, avant leur acceptation comme Normes inter-
nationales par le Conseil de I’ISO.
La Norme internationale IS0 7044 a été élaborée par le comité technique ISO/TC 2,
Fiéments de fixation, et a été soumise aux comités membres en décembre 1981.
Les comités membres des pays suivants l‘ont approuvée :
Afrique du Sud, Rép. d’
Égypte, Rép. arabe d‘ Norvège
Allemagne, R.F. Espagne Nouvelle-Zélande
Australie
Finlande Pays-Bas
Belgique France Pologne
Brésil Hongrie Roumanie
Canada Inde Sri Lanka
Chine Irlande Suède
Corée, Rép. de Italie Suisse
Corée, Rép. dém. p. de Japon Tchécoslovaquie
Danemark Mexique USA
Les comités membres des pays suivants l’ont désapprouvée pour des raisons
techniques:
Royaume- Uni
URSS
O Organisation internationale de normalisation, 1983 0
Imprimé en Suisse
IS0 7044-1983 (FI
NORM E I NTE R NAT1 O NA LE
Écrous hexagonaux à embase cylindro-tronconique, à
freinage interne, à couple préalable, tout métal
I 1 Objet et domaine d'application
La présente Norme internationale spécifie les caractéristiques des écrous hexagonaux à embase cylindre-tronconique, à freinage
interne, à couple préalable, tout métal, de diamètre nominal de filetage M 5 à M 20 inclus, et de grade A.
NOTE - Les dimensions des écrous sont conformes à celles données dans I'ISO 4161 plus le système de freinage
Si d'autres spécifications sont requises, il est recommandé de les choisir dans les Normes internationales existantes, par exemple
IS0 261, IS0 898, IS0 965, IS0 2320, IS0 4759/1.
(. 2 Références
IS0 225, Éléments de fixation - Boulons, vis, goujons et écrous - Symboles et désignations des dimensions.
IS0 261, Filetages métriques IS0 pour usages généraux - Vue d'ensemble.
IS0 898. Caractéristiques mécaniques des éléments de fixation.
IS0 965, Filetages métriques IS0 pour usages généraux - Tolérances.
IS0 2320, Écrous hexagonaux en acier, à freinage interne, à couple préalable - Caractéristiques mécaniques et performances.
IS0 3269, Éléments de fixation - Contrôle de réception. 1)
IS0 4042, Éléments filetés - Revêtements électrolytiques. 1)
IS0 4161, Écrous hexagonaux à embase cylindro-tronconique - Grade A.
IS0 47591 1, Tolérances pour éléments de fixation - Partie I: Boulons, vis et écrous de diamètre de filetage > 1,6 et < 150 mm et de
niveaux de finition A, B et C.
1) Actuellement au stade de projet.
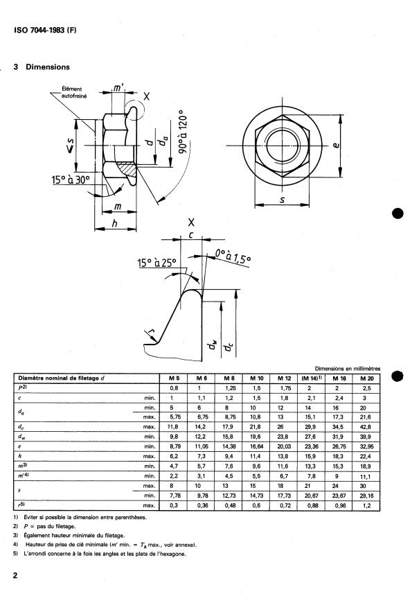
IS0 7044-1983
FI
, 3 Dimensions
15" à25' I .-h-"-Or-"
Dimensions en millimètres
Diamètre nominal de filetage d
I M6 I M 8 I M 10 I M 12 I (M 1411) I M 16 I M 20
I M5
P2)
I 03
...












Questions, Comments and Discussion
Ask us and Technical Secretary will try to provide an answer. You can facilitate discussion about the standard in here.
Loading comments...