ISO 12261:1996
(Main)Aerospace — Screws, pan head, internal offset cruciform ribbed or unribbed drive, pitch diameter shank, long length MJ threads, metallic material, coated or uncoated, strength classes less than or equal to 1 100 MPa — Dimensions
Aerospace — Screws, pan head, internal offset cruciform ribbed or unribbed drive, pitch diameter shank, long length MJ threads, metallic material, coated or uncoated, strength classes less than or equal to 1 100 MPa — Dimensions
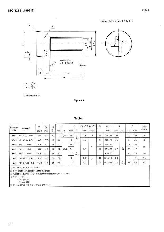
Gives the dimensions of pan head screws with internal offset cruciform ribbed or unribbed drive, pitch diameter shank and long length MJ threads, in metallic material, coated or uncoated, with strength classes less than or equal to 1 100 MPa. Applicable to the compilation of aerospace product standards.
Aéronautique et espace — Vis à tête cylindrique, à empreinte cruciforme déportée, avec ou sans saillies antidérapantes, à tige de diamètre égal au diamètre sur flancs et filetage MJ long, en matériau métallique, revêtues ou non revêtues, des classes de résistance inférieures ou égales à 1 100 MPa — Dimensions
General Information
- Status
- Withdrawn
- Publication Date
- 23-Oct-1996
- Withdrawal Date
- 23-Oct-1996
- Technical Committee
- ISO/TC 20/SC 4 - Aerospace fastener systems
- Drafting Committee
- ISO/TC 20/SC 4 - Aerospace fastener systems
- Current Stage
- 9599 - Withdrawal of International Standard
- Start Date
- 12-Feb-2016
- Completion Date
- 12-Feb-2026
Relations
- Effective Date
- 29-Mar-2014
ISO 12261:1996 - Aerospace -- Screws, pan head, internal offset cruciform ribbed or unribbed drive, pitch diameter shank, long length MJ threads, metallic material, coated or uncoated, strength classes less than or equal to 1 100 MPa -- Dimensions
ISO 12261:1996 - Aéronautique et espace -- Vis a tete cylindrique, a empreinte cruciforme déportée, avec ou sans saillies antidérapantes, a tige de diametre égal au diametre sur flancs et filetage MJ long, en matériau métallique, revetues ou non revetues, des classes de résistance inférieures ou égales a 1 100 MPa -- Dimensions
ISO 12261:1996 - Aéronautique et espace -- Vis a tete cylindrique, a empreinte cruciforme déportée, avec ou sans saillies antidérapantes, a tige de diametre égal au diametre sur flancs et filetage MJ long, en matériau métallique, revetues ou non revetues, des classes de résistance inférieures ou égales a 1 100 MPa -- Dimensions
Get Certified
Connect with accredited certification bodies for this standard

DEKRA North America
DEKRA certification services in North America.
Eagle Registrations Inc.
American certification body for aerospace and defense.

Element Materials Technology
Materials testing and product certification.
Sponsored listings
Frequently Asked Questions
ISO 12261:1996 is a standard published by the International Organization for Standardization (ISO). Its full title is "Aerospace — Screws, pan head, internal offset cruciform ribbed or unribbed drive, pitch diameter shank, long length MJ threads, metallic material, coated or uncoated, strength classes less than or equal to 1 100 MPa — Dimensions". This standard covers: Gives the dimensions of pan head screws with internal offset cruciform ribbed or unribbed drive, pitch diameter shank and long length MJ threads, in metallic material, coated or uncoated, with strength classes less than or equal to 1 100 MPa. Applicable to the compilation of aerospace product standards.
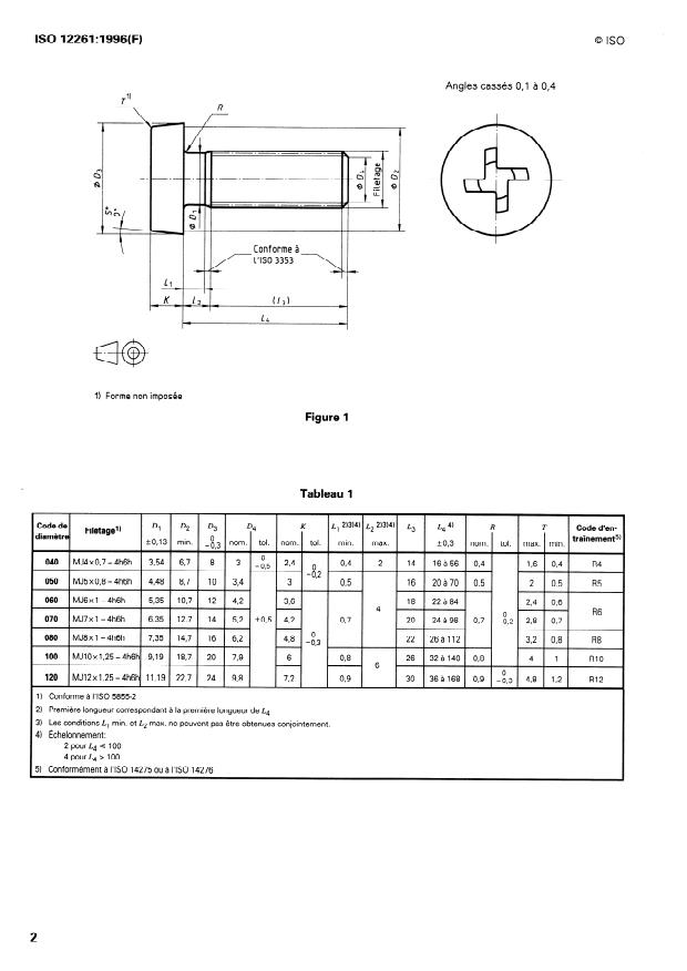
Gives the dimensions of pan head screws with internal offset cruciform ribbed or unribbed drive, pitch diameter shank and long length MJ threads, in metallic material, coated or uncoated, with strength classes less than or equal to 1 100 MPa. Applicable to the compilation of aerospace product standards.
ISO 12261:1996 is classified under the following ICS (International Classification for Standards) categories: 49.030.20 - Bolts, screws, studs. The ICS classification helps identify the subject area and facilitates finding related standards.
ISO 12261:1996 has the following relationships with other standards: It is inter standard links to ISO 12261:2016. Understanding these relationships helps ensure you are using the most current and applicable version of the standard.
ISO 12261:1996 is available in PDF format for immediate download after purchase. The document can be added to your cart and obtained through the secure checkout process. Digital delivery ensures instant access to the complete standard document.
Standards Content (Sample)
INTERNATIONAL
STANDARD
First edition
1996-l I-01
Aerospace - Screws, pan head, internal
offset cruciform ribbed or unribbed drive,
pitch diameter shank, long length MJ
threads, metallic material, coated or
uncoated, strength classes less than or
equal to 1 100 MPa - Dimensions
Akonautique et espace - Vis in t&e cylindrique, 2 empreinte cruciforme
d6porthe, avec ou sans saillies antid&-apantes, 2 tige de diametre @gal au
diam&tre sur flancs et filetage MJ long, en mat&au m&allique, rev&ues
ou non revetues, des classes de r&stance hf&-ieures ou 6gales 2
1 IOOMPa - Dimensions
----Nmy\----
- -
- -
-
- -
-
-
- -
-
iso: - - .
Reference number
IS0 12261 :I 996(E)
IS0 12261:1996(E)
Foreword
IS0 (the International Organization for Standardization) is a worldwide fed-
eration of national standards bodies (IS0 member bodies). The work of
preparing International Standards is normally carried out through IS0
technical committees. Each member body interested in a subject for
which a technical committee has been established has the right to be
represented on that committee. International organizations, governmental
and non-governmental, in liaison with ISO, also take part in the work. IS0
collaborates closely with the International Electrotechnical Commission
(IEC) on all matters of electrotechnical standardization.
Draft International Standards adopted by the technical committees are
circulated to the member bodies for voting. Publication as an International
Standard requires approval by at least 75 % of the member bodies casting
a vote.
International Standard IS0 12261 was prepared by Technical Committee
ISOnC 20, Aircraft and space vehicles, Subcommittee SC 4, Aerospace
fastener systems.
0 IS0 1996
All rights reserved. Unless otherwise specified, no part of this publication may be
reproduced or utilized in any form or by any means, electronic or mechanical, including
photocopying and microfilm, without permission in writing from the publisher.
International Organization for Standardization
Case Postale 56 l CH-1211 Geneve 20 l Switzerland
Printed in Switzerland
ii
IS0 12261:1996(E)
INTERNATIONAL STANDARD @ IS0
Aerospace - Screws, pan head, internal offset cruciform ribbed or
unribbed drive, pitch diameter shank, long length MJ threads,
metallic material, coated or uncoated, strength classes less than or
equal to 1 100 MPa - Dimensions
IS0 3353:1992, Aerospace - Rolled threads for
1 Scope
bolts - Lead and runout requirements.
This International Standard specifies the dimensions
IS0 5855-2:1988, Aerospace - MJ threads - Part 2:
of pan head screws with internal offset cruciform
Limit dimensions for bolts and nuts.
ribbed or unribbed drive, pitch diameter shank and
long length MJ threads, in metallic material,
...
NORME ISO
INTERNATIONALE 12261
Première édition
1996-I I-OI
Aéronautique et espace - Vis à tête
cylindrique, à empreinte cruciforme
déportée, avec ou sans saillies
antidérapantes, à tige de diamètre égal au
diamètre sur flancs et filetage MJ long, en
matériau métallique, revêtues ou non
revêtues, des classes de résistance
inférieures ou égales à 1 100 MPa -
Dimensions
Aerospace - Screws, pan head, interna/ offset cruciform ribbed or
unribbed drive, pitch diameter shank, long length MJ threads, metallic
material, coa ted or uncoa ted, s trength classes less than or equal to
1 IOOMPa - Dimensions
Numéro de référence
ISO 12261: 1996(F)
Avant-propos
L’ISO (Organisation internationale de normalisation) est une fédération
mondiale d’organismes nationaux de normalisation (comités membres de
I’ISO). L’élaboration des Normes internationales est en général confiée aux
comités techniques de I’ISO. Chaque comité membre intéressé par une
étude a le droit de faire partie du comité technique créé a cet effet. Les
organisations internationales, gouvernementales et non gouvernemen-
tales, en liaison avec I’ISO participent également aux travaux. L’ISO colla-
bore étroitement avec la Commission électrotechnique internationale (CEI)
en ce qui concerne la normalisation électrotechnique.
Les projets de Normes internationales adoptés par les comités techniques
sont soumis aux comités membres pour vote. Leur publication comme
Normes internationales requiert l’approbation de 75 % au moins des co-
mités membres votants.
La Norme internationale ISO 12261 a été élaborée par le comité technique
ISO/TC 20, Aéronautique et espace, sous-comité SC 4, hments de fixa-
tion pour constructions aérospatiales.
0 ISO 1996
Droits de reproduction réservés. Sauf prescription différente, aucune partie de cette publi-
cation ne peut être reproduite ni utilisée sous quelque forme que ce soit et par aucun pro-
cédé, électronique ou mécanique, y compris la photocopie et les microfilms, sans l’accord
écrit de l’éditeur.
Organisation internationale de normalisation
Case postale 56 l CH-l 211 Genève 20 l Suisse
Imprimé en Suisse
NORME INTERNATIONALE o ISO ISO 12261:1996(F)
Aéronautique et espace - Vis à tête cylindrique, à empreinte
cruciforme déportée, avec ou sans saillies antidérapantes, à tige de
diamètre égal au diamètre sur flancs et filetage MJ long, en
matériau métallique, revêtues ou non revêtues, des classes de
résistance inférieures ou égales à 1 100 MPa - Dimensions
ISO 3353:1992, Aéronautique et espace - Filetages
1 Domaine d’application
roulés des vis - Filets incomplets côté tige (ou tête)
et côté extrhmité.
La présente Norme internationale prescrit les dimen-
sions des vis à tête cylindrique, à empreinte cruci-
ISO 5855-2:1988, Aéronautique et espace - Filetage
forme déportée, avec ou sans saillies antidérapantes,
MJ - Partie 2: Dimensions limites pour vis et écrous.
à tige de diamètre égal au diamètre sur flancs et file-
tage MJ long, en matériau métallique, revêtues ou
non
...
NORME ISO
INTERNATIONALE 12261
Première édition
1996-I I-OI
Aéronautique et espace - Vis à tête
cylindrique, à empreinte cruciforme
déportée, avec ou sans saillies
antidérapantes, à tige de diamètre égal au
diamètre sur flancs et filetage MJ long, en
matériau métallique, revêtues ou non
revêtues, des classes de résistance
inférieures ou égales à 1 100 MPa -
Dimensions
Aerospace - Screws, pan head, interna/ offset cruciform ribbed or
unribbed drive, pitch diameter shank, long length MJ threads, metallic
material, coa ted or uncoa ted, s trength classes less than or equal to
1 IOOMPa - Dimensions
Numéro de référence
ISO 12261: 1996(F)
Avant-propos
L’ISO (Organisation internationale de normalisation) est une fédération
mondiale d’organismes nationaux de normalisation (comités membres de
I’ISO). L’élaboration des Normes internationales est en général confiée aux
comités techniques de I’ISO. Chaque comité membre intéressé par une
étude a le droit de faire partie du comité technique créé a cet effet. Les
organisations internationales, gouvernementales et non gouvernemen-
tales, en liaison avec I’ISO participent également aux travaux. L’ISO colla-
bore étroitement avec la Commission électrotechnique internationale (CEI)
en ce qui concerne la normalisation électrotechnique.
Les projets de Normes internationales adoptés par les comités techniques
sont soumis aux comités membres pour vote. Leur publication comme
Normes internationales requiert l’approbation de 75 % au moins des co-
mités membres votants.
La Norme internationale ISO 12261 a été élaborée par le comité technique
ISO/TC 20, Aéronautique et espace, sous-comité SC 4, hments de fixa-
tion pour constructions aérospatiales.
0 ISO 1996
Droits de reproduction réservés. Sauf prescription différente, aucune partie de cette publi-
cation ne peut être reproduite ni utilisée sous quelque forme que ce soit et par aucun pro-
cédé, électronique ou mécanique, y compris la photocopie et les microfilms, sans l’accord
écrit de l’éditeur.
Organisation internationale de normalisation
Case postale 56 l CH-l 211 Genève 20 l Suisse
Imprimé en Suisse
NORME INTERNATIONALE o ISO ISO 12261:1996(F)
Aéronautique et espace - Vis à tête cylindrique, à empreinte
cruciforme déportée, avec ou sans saillies antidérapantes, à tige de
diamètre égal au diamètre sur flancs et filetage MJ long, en
matériau métallique, revêtues ou non revêtues, des classes de
résistance inférieures ou égales à 1 100 MPa - Dimensions
ISO 3353:1992, Aéronautique et espace - Filetages
1 Domaine d’application
roulés des vis - Filets incomplets côté tige (ou tête)
et côté extrhmité.
La présente Norme internationale prescrit les dimen-
sions des vis à tête cylindrique, à empreinte cruci-
ISO 5855-2:1988, Aéronautique et espace - Filetage
forme déportée, avec ou sans saillies antidérapantes,
MJ - Partie 2: Dimensions limites pour vis et écrous.
à tige de diamètre égal au diamètre sur flancs et file-
tage MJ long, en matériau métallique, revêtues ou
non
...












Questions, Comments and Discussion
Ask us and Technical Secretary will try to provide an answer. You can facilitate discussion about the standard in here.
Loading comments...