ISO 7612:1983
(Main)Base mounted in-line fuel injection pumps
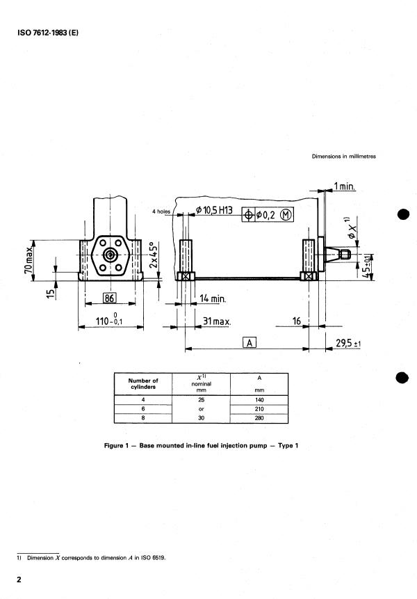
Base mounted in-line fuel injection pumps
Pompes d'injection en ligne à fixation par base plane
General Information
- Status
- Withdrawn
- Publication Date
- 30-Jun-1983
- Withdrawal Date
- 30-Jun-1983
- Technical Committee
- ISO/TC 22 - Road vehicles
- Drafting Committee
- ISO/TC 22 - Road vehicles
- Current Stage
- 9599 - Withdrawal of International Standard
- Start Date
- 22-Dec-1994
- Completion Date
- 12-Feb-2026
Relations
- Revised
ISO 7612:1994 - Diesel engines — Base-mounted in-line fuel injection pumps — Mounting dimensions - Effective Date
- 15-Apr-2008
Get Certified
Connect with accredited certification bodies for this standard

TÜV Rheinland
TÜV Rheinland is a leading international provider of technical services.

TÜV SÜD
TÜV SÜD is a trusted partner of choice for safety, security and sustainability solutions.
AIAG (Automotive Industry Action Group)
American automotive industry standards and training.
Sponsored listings
Frequently Asked Questions
ISO 7612:1983 is a standard published by the International Organization for Standardization (ISO). Its full title is "Base mounted in-line fuel injection pumps". This standard covers: Base mounted in-line fuel injection pumps
Base mounted in-line fuel injection pumps
ISO 7612:1983 is classified under the following ICS (International Classification for Standards) categories: 43.060.40 - Fuel systems. The ICS classification helps identify the subject area and facilitates finding related standards.
ISO 7612:1983 has the following relationships with other standards: It is inter standard links to ISO 7612:1994. Understanding these relationships helps ensure you are using the most current and applicable version of the standard.
ISO 7612:1983 is available in PDF format for immediate download after purchase. The document can be added to your cart and obtained through the secure checkout process. Digital delivery ensures instant access to the complete standard document.
Standards Content (Sample)
International Standard 7612
INTERNATIONAL ORGANIZATION FOR STANDARDIZATION*ME~YHAPO~HAR OPTAHMJALIMR 00 CTAHAAPTM3A~MMWRGANlSATlON INTERNATIONALE DE NORMALISATION
il) Base mounted in-line fuel injection pumps
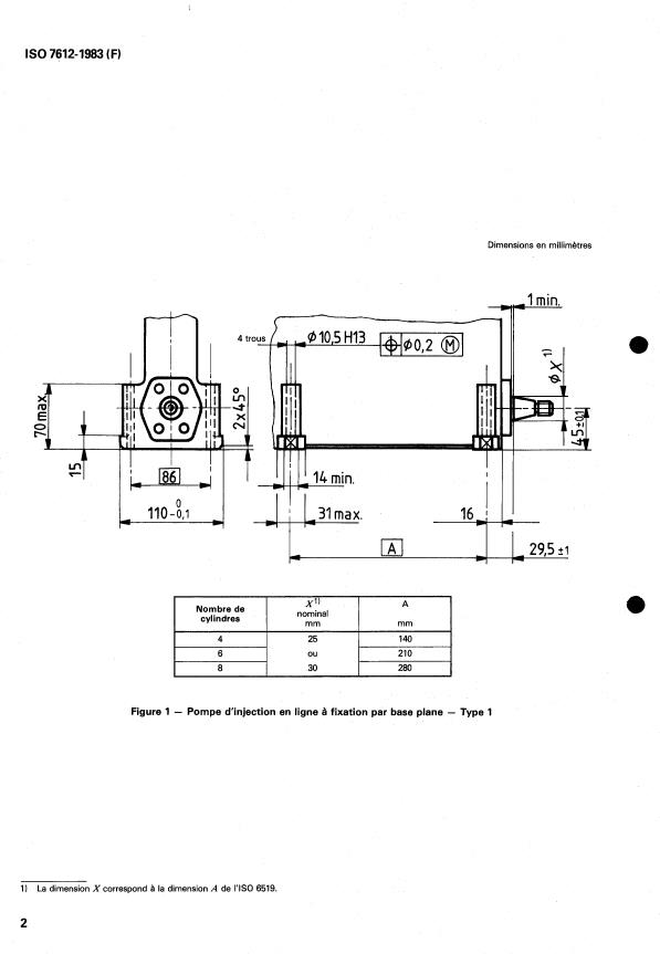
Pompes d'injection en ligne à fixation par base plane
First edition - 1983-07-15
e
- Lu UDC 621.43.038.5 Ref. No. IS0 7612-1983 (E)
-
Descriptors : road vehicles, fuel pumps, injection pumps, mounting flanges, mounting surfaces, dimensions, dimensional tolerances, form
8 tolerances.
i?
Price based on 4 pages
Foreword
IS0 (the International Organization for Standardization) is a worldwide federation of
national standards bodies (IS0 member bodies). The work of developing International
Standards is carried out through IS0 technical committees. Every member body
interested in a subject for which a technical committee has been authorized has the
right to be represented on that committee. International organizations, governmental
and non-governmental, in liaison with ISO, also take part in the work.
Draft International Standards adopted by the technical committees are circulated to
the member bodies for approval before their acceptance as International Standards by
the IS0 Council.
International Standard IS0 7612 was developed by Technical Committee ISO/TC 22,
Road vehicles, and was circulated to the member bodies in November 1981.
It has been approved by the member bodies of the following countries :
Australia
Hungary Romania
Austria Italy South Africa, Rep. of
Spain
Belgium Japan
Bulgaria Korea, Dem. P. Rep. of Sweden
Switzerland
China Korea, Rep. of
Egypt, Arab Rep. of Netherlands United Kingdom
France USA
New Zealand
Germany, F. R. Poland USSR
No member body expressed disapproval of the
...
Norme internationale @ 7612
INTERNATIONAL ORGANIZATION FOR STANDARDIZATlON*MEXAYHAPOAHAR OPTAHM3AUMfl fl0 CTAHAAPTM3AUMM*ORGANlSATlON INTERNATIONALE DE NORMALISATION
Pompes d'injection en ligne à fixation par base plane
Base mounted in-line fuel injection pumps
Première édition - 1983-07-15
Réf. no : IS0 7612-1983 (FI
- CDÜ 621.43.038.5
U
-
Descripteurs : véhicule routier, pompe à combustible, pompe à injection, bride de fixation, plan de pose, dimension, tolérance de dimension,
tolérance de forme.
O
Prix basé sur 4 pages
Awant-propos
L'ISO (Organisation internationale de normalisation) est une fédération mondiale
d'organismes nationaux de normalisation (comités membres de I'ISO). L'élaboration
des Normes internationales est confiée aux comités techniques de I'ISO. Chaque
comité membre intéressé par une étude a le droit de faire partie du comité technique
correspondant. Les organisations internationales, gouvernementales et non gouverne-
mentales, en liaison avec I'ISO, participent également aux travaux.
Les projets de Normes internationales adoptés par les comités techniques sont soumis
aux comités membres pour approbation, avant leur acceptation comme Normes inter-
nationales par le Conseil de I'ISO.
La Norme internationale IS0 7612 a été élaborée par le comité technique ISO/TC 22,
Véhicules routiers, et a été soumise aux comités membres en novembre 1981.
Les comités membres des pays suivants l'ont approuvée :
Afrique du Sud, Rép. d'
Corée, Rép. dém. p. de Pays-Bas
Allemagne, R. F.
Égypte, Rép. arabe d' Pologne
Australie Espagne Roumanie
Autriche France Royaume-Uni
Belgique Hongrie Suède
Bulgarie Italie Suisse
Chine Japon URSS
Corée, Rép. de Nouvelle-Zélande USA
Aucun comité membre ne l'a désapprouvée.
O Organisation internationale de normalisation, 1983 0
Imprimé en Suisse
...








Questions, Comments and Discussion
Ask us and Technical Secretary will try to provide an answer. You can facilitate discussion about the standard in here.
Loading comments...