ISO 702-2:1975
(Main)Machine tools — Spindle noses and face plates — Sizes for interchangeability — Part 2: Camlock type
Machine tools — Spindle noses and face plates — Sizes for interchangeability — Part 2: Camlock type
Specifies the sizes for interchangeability of Camlock-type lathe spindle noses and corresponding face plates. The types "A" and "bayonet" are dealt with in parts 1 and 3 respectively.
Machines-outils — Nez de broches et faux-plateaux — Dimensions d'interchangeabilité — Partie 2: Type Camlock
La présente Norme Internationale fixe les dimensions d'interchangeabilité des nez de broches et faux-plateaux de tour du type Camlock. NOTE - Les types «A» et «bayonnette» sont traités respectivement dans les parties I et III.
General Information
- Status
- Withdrawn
- Publication Date
- 31-Jul-1975
- Withdrawal Date
- 31-Jul-1975
- Technical Committee
- ISO/TC 39/SC 8 - Work holding spindles and chucks
- Drafting Committee
- ISO/TC 39/SC 8 - Work holding spindles and chucks
- Current Stage
- 9599 - Withdrawal of International Standard
- Start Date
- 15-Oct-2007
- Completion Date
- 12-Feb-2026
Relations
- Effective Date
- 06-Jun-2022
- Effective Date
- 15-Apr-2008
ISO 702-2:1975 - Machine tools -- Spindle noses and face plates -- Sizes for interchangeability
ISO 702-2:1975 - Machines-outils -- Nez de broches et faux-plateaux -- Dimensions d'interchangeabilité
ISO 702-2:1975 - Machines-outils -- Nez de broches et faux-plateaux -- Dimensions d'interchangeabilité
Get Certified
Connect with accredited certification bodies for this standard
National Aerospace and Defense Contractors Accreditation Program (NADCAP)
Global cooperative program for special process quality in aerospace.
CARES (UK Certification Authority for Reinforcing Steels)
UK certification for reinforcing steels and construction.
DVS-ZERT GmbH
German welding certification society.
Sponsored listings
Frequently Asked Questions
ISO 702-2:1975 is a standard published by the International Organization for Standardization (ISO). Its full title is "Machine tools — Spindle noses and face plates — Sizes for interchangeability — Part 2: Camlock type". This standard covers: Specifies the sizes for interchangeability of Camlock-type lathe spindle noses and corresponding face plates. The types "A" and "bayonet" are dealt with in parts 1 and 3 respectively.
Specifies the sizes for interchangeability of Camlock-type lathe spindle noses and corresponding face plates. The types "A" and "bayonet" are dealt with in parts 1 and 3 respectively.
ISO 702-2:1975 is classified under the following ICS (International Classification for Standards) categories: 25.060.20 - Dividing and tool-workpiece holding devices. The ICS classification helps identify the subject area and facilitates finding related standards.
ISO 702-2:1975 has the following relationships with other standards: It is inter standard links to ISO 4617:2000, ISO 702-2:2007. Understanding these relationships helps ensure you are using the most current and applicable version of the standard.
ISO 702-2:1975 is available in PDF format for immediate download after purchase. The document can be added to your cart and obtained through the secure checkout process. Digital delivery ensures instant access to the complete standard document.
Standards Content (Sample)
INTERNATIONAL STANDARD
INTERNATIONAL ORGANlZATlON FOR STANDARDIZATION .MEXCJYHAPOaHAR OPl-AHM3AUMR I-IO CTAHLIAPTM3AUMM~ORGANISATION INTERNATIONALE DE NORMALISATION
Spindle noses and face plates - Sizes for
Machine tools -
Part II : Camlock type
interchangeability -
Machines-ou tils - Nez de broches et faux-plateaux - Dimensions d ’in terchangeabilit6
Partie II : Type Camlock
First edition - 1975-08-15
Ref. No. IS0 702/H-1975 (E)
UDC 621.941-229.33
: machine tools, spindle noses, lathes, face plates, dimensions, interchangeability.
Descriptors
Price based on 14 pages
FOREWORD
IS0 (the International Organization for Standardization) is a worldwide federation
of national standards institutes (IS0 Member Bodies). The work of developing
International Standards is carried out through IS0 Technical Committees. Every
Member Body interested in a subject for which a Technical Committee has been set
up has the right to be represented on that Committee. International organizations,
governmental and non-governmental, in liaison with ISO, also take part in the work.
Draft International Standards adopted by the Technical Committees are circulated
to the Member Bodies for approval before their acceptance as International
Standards by the IS0 Council.
Prior to 1972, the results of the work of the Technical Committees were published
as IS0 Recommendations; these documents are now in the process of being
transformed into International Standards. As part of this process, Technical
Committee lSO/TC 39 has reviewed IS0 Recommendation R 702 and found it
technically suitable for transformation. It was decided, however, to divided it into
two parts. International Standard IS0 702/l I (together with IS0 702/l) therefore
replaces IS0 Recommendation R 702-1968 to which it is technically identical.
IS0 Recommendation R 702 was approved by the Member Bodies of the following
countries :
Belgium India Spain
Chile Israel Sweden
Switzerland
Czechoslovakia Italy
Denmark Turkey
Japan
Egypt, Arab Rep. of Netherlands United Kingdom
France Poland U.S.A.
Germany Portugal U.S.S.R.
South Africa, Rep. of
Hungary
No Member Body expressed disapproval of the Recommendation.
The Member Body of the following country disapproved the transformation of
lSO/R 702 into an International Standard :
United Kingdom
0 International Organization for Standardization, 1975 l
Printed in Switzerland
IS0 702/l I -1975 (E)
INTERNATIONAL STANDARD
Machine tools - Spindle noses and face plates - Sizes for
interchangeability - Part II : Camlock type
1 SCOPE AND FIELD OF APPLICATION
This International Standard specifies the sizes for interchangeability of Camlock-type lathe spindle noses and corresponding
face plates.
NOTE - The types “A” and “bayonet” are dealt with in parts I and I I I respectively.
2 INTERCHANGEABILITY
Although internal mounting components and assembly screws are not respectively interchangeable as they may conform with
either metric or inch series, there is complete interchangeability between metric spindle noses and face plates in inches and
vice versa.
IS0 702/l I-1975 (E)
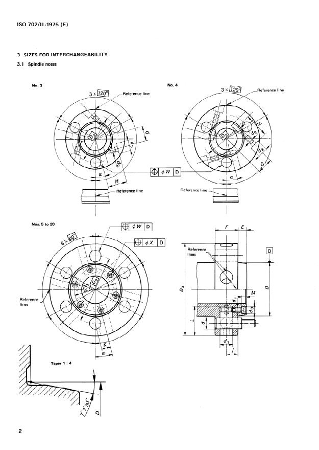
3 SIZES FOR INTERCHANGEABILITY
3.1 Spindle noses
No. 3
No. 4
line
-Reference line
Reference line
/&&Reference line
-El3
\
l
Nos. 5 to 20
@$W D
Reference -
I lines
X-l-.-i--.J-- I
--- -- ------
1 nA
Reference
lines
dl
i
y&
T-l
Taper 1 : 4
IS0 702/l I-1975 (E)
3.1.1 Sizes in millimetres
3 4 6 8 11 15 20
106,375 139,719 196,869 285,775
53,975 63,513 82,563 412,775
I
+ 0,016 + 0,020
tol.
-7 0
172 258 380
7-
70,6 82,6 104,8 133,4 171,4 235,0 330,2 463,6
I
92 117 146 181 225 298 403 546
03 I I I I
I
d
15,1 j 16,7 1 19,8 1 23,0 1 26,2 31,0 35,7 42,l
+ 0,05
19 19 22 26 29 32 35 42
M8 M8 M6 M8 M8 M8 Ml0 Ml0
I I I I
I
15,5 15,5 10,5 13,5 13,5 13,5 16,5 16,5
I I I I I
E 11 1 11 I 13 I 14 I 16 18 19 21
I
F
32 34 38 45 50 60 70 82
min.
-
G
f 0,05
x
H
f: 0,2
J 17,5 23 ‘8 27,0 31,8 36,5
17,5 1 423
I I 2Q,6 1 I
K
1 I,1 15,9 18,25 21,45
11,l 13,5
f 0,l
L
27,5 36 46 57 64 75
+ 0,2
M 7 9 9 9
a1 0,15 0,15 0,15 0,15 0,15
W
X
0,2 I 0,2 1 0,2 02 02
02 I I
13" 46' 12" 18' IO0 30' 7" 05'
a! 18" 18,6' 15“ 36' 14" 55' 8" 35'
I I I I
NOTE - General tolerance for untoleranced dimensions : * 0,4 mm.
IS0 702/l I-1975 (E)
3.1.2 Sizes in inches
D 2.125 0 2.500 5
3.250 5 4.188 0 5.500 75 7.750 75 11.251 0 j 16.251 0
---- -_II_
tol + 0.000 25 -t 0.000 5 + + 0.000 5 + 0.000 5 + 0.000 5 + 0.001 ’ + 0.001
0.000 5
0 0 0 0
0 0 0 0
Dl 2.50 3.25 4.50 6.75 10.125
15.000
~ _-._
---. -. . -_.I_
D2 2.782 3.250 4.125 5.250 6.750 9.250
13.000 18.250
03 3 5/8 4 5/8 5 3/4 7 l/8
8 7/8 11 3/4 15 718 21 l/2
d
0.593 7 0.656 2 0.781 25 0.906 25 1.031 25 1.218 75 1.406 25
1.656 25
+ 0.002
dl
0.75 0.75 0.875 1 .oo 1.125 1.25
1.375 I 1.625
+ 0.002
5/16-l 8 5/16-18 5/16-l 8 3/8-l 6 3/8-l 6
3/8-l 6 3/8-l 6 3/8-l 6
d2
UNC UNC UNC UNC UNC UNC UNC UNC
63 29/64 29/64 29/64 37/64 37/64 37/64
37/64 37/64
E 7/16
7/16 l/2 9/16 5/8 11/16 3/4 13/16
F 1 l/4 1 5/16 1 l/2 1 3/4
2 2 3/8 2 3/4 3 l/4
G
0.890 1.062
f 0.002
H
1.195 1.600
If: 0.008
J 11/16 11/16 13/16 15/16 1 l/16
1 l/4 1 7/16 i 1 11/16
K
0.437 0.437 0.531 0.625 0.719
0.844 0.969 1 1 .125
+ 0.004
L 1
+ 0.016 1.875 2.250
2.531 2.937 5 3.312 5 / 3.687 5
l
M 11/32 13/32 13/32 13/32
13/32 13/32
W 0.004 0.006 0.006 0.006
0.006 0.006 0.006 0.006
- - --.
X 0.008 0.008 0.008 0.008
0.008 0.008 0.008 0.008
CY 18” 18,6’ 15” 36’ 14” 55’ 13” 46’ 12” 18’ IO” 30’ 8” 35’ 7” 05’
.
/
NOTE - General tolerance for untoleranced dimensions : + l/64 in.’
IS0 702/l I-1975 (E)
3.2 Cams
Reference line
/
..- I’
/ No. 3
i
,’
I’
,’
/
No. 4
Section A-A
For No. 3 only I/ = 210° For Nos. 4 to 20 V 250”
IS0 702/l I-1975 (E)
3.2.1 Sizes in millimetres
A min. 13 17 22 25 28 32 37 43
B-:2 13,4 1 I,9 14,2 16,7 18,9 21,2 23,5 27,8
#
c 7 10 10 IO 10 10
D + 0'3
0 I,65 I,60 1,45 2,56 2,46 2,44 2,35 3,lO
E + 01~
0 0,15
0,15 0 0,45 0,36 0,28 0,20 0,50
H-:l , 26,5 35 45 56
63 73 82 92
I A 0,l 22 22 3,O 4,2 5,3 8 ‘7
60 60
J 3,6 3,6 5,O 6,5 6,5 6,5
8,5 83
+ 0,05 * 0,05 1 0,l * 0'1 -L 0'1 + 0'1 * 0,l + 0,l
K
19 19 22 26 29 32 35
e8
L 13 13 14 17 21 24 27 33
+ 0,2 * 0,2
M* 0,05 4,5 6 6 6
8 8
N+ O,I
a0 2,85 3,95 7,35 5,2 5,2
0+0,2 14,9 16,7 22,4 30,2 33,2 39,5 43,6
48,4
P 21,4 26,5 35,0 43,0 49,0 59,0
62,0 69,0
Q
8 10 11 12 14 17 17 22
D 12
R 7.5 9,5 11,l 12,7 14,2 16,7
19,0 22,2
S 13 15 15
15 15 15
T 8 9 11 12
14 16 16 20
u 12 12
Slope on I/* I,60 1,90 1,90
z64 264 a64 264 3,18
15” IO” 10” 10” IO” 15” 15” 15”
P
15” 15” 15” 20” 20” 20” 20” 20”
Q!
,
*
See tolerance on dimensions D and E.
NOTE -
r3eneral tolerance for untoleranced dimensions : + O,4 mm.
IS0 702/H-1975 (E)
3.2.2 Sizes in inches
A min. 33/64 11/16 13/16 31/32 1 l/16 1 l/4 1 7/16 1 11/16
51) 0.528 0 0.469 0 0.562 5 0,640 6 0.734 0 0.828 0 0.922 0 1.078 0
c 5/16 3/8 3/8 3/8 3/8 3/8
* + 0.012 0.063 0.061 0.061 0.087 0.087 0.089 0.089 0.107
E + 0.004 0.004 0.004 0.004 0.004 0.004 0.004 0.004 0.004
HZ) 1.046 1.406 1.844 2.219 2.500 2.875 3.250 3.625
/3) 0.086 0.116 0.125 0.
...
NORME INTERNATIONALE
INTERNATIONAL ORGANIZATION FOR STANDARDIZATION l MEXAYHAPOAHAII OPI-AHM3AUWR l-I0 CTAHAAPTW3AI.W-ï .ORGANISATION INTERNATIONALE DE NORMALISATION
Machines-outils - Nez de broches et faux-plateaux -
Dimensions d’interchangeabilité - Partie II : Type Camlock
Machine tools - Spindle noses and face plates - Sizes for interchangeability -
Part Il : Camlock type
Première édition - 1975-08-l 5
CDU 621.941-229.33 Réf. no : ISO 702/11-1975 (F)
Descripteurs : machine outil, nez de broche, tour, faux plateau, dimension, interchangeabilité.
Prix basé sur 14 pages
AVANT-PROPOS
L’ISO (Organisation Internationale de Normalisation) est une fédération mondiale
d’organismes nationaux de normalisation (Comités Membres ISO). L’élaboration de
Normes Internationales est confiée aux Comités Techniques ISO. Chaque Comité
Membre intéressé par une étude a le droit de faire partie du Comité Technique
correspondant. Les organisations internationales, gouvernementales et non
gouvernementales, en liaison avec I’ISO, participent également aux travaux.
Les Projets de Normes Internationales adoptés par les Comités Techniques sont
soumis aux Comités Membres pour approbation, avant leur acceptation comme
Normes Internationales par le Conseil de I’ISO.
Avant 1972, les résultats des travaux des Comités Techniques étaient publiés
comme Recommandations ISO; maintenant, ces documents sont en cours de
transformation en Normes Internationales. Compte tenu de cette procédure, le
Comité Technique lSO/TC 39 a examiné la Recommandation ISO/R 702 et est
d’avis qu’elle peut, du point de vue technique, être transformée en Norme
Internationale. II a toutefois été décidé qu’elle soit divisée en deux parties. La
présente Norme Internationale (702hl) remplace donc (avec I’ISO 702/1) la
Recommandation ISO/R 702-1968 à laquelle elle est techniquement identique.
La Recommandation ISO/R 702 avait été approuvée par les Comités Membres des
pays suivants :
Afrique du Sud, Rép. d’
Hongrie Royaume-Uni
Allemagne Inde
Suède
Belgique Israël Suisse
Chili Italie Tchécoslovaquie
Danemark Japon Turquie
Égypte, Rép. arabe d’
Pays-Bas U.R.S.S.
Espagne
Pologne U.S.A.
France
Portugal
Aucun Comité Membre n’avait désapprouvé la Recommandation.
Le Comité Membre du pays suivant a désapprouvé la transformation de la
Recommandation ISO/R 702 en Norme Internationale :
Royaume-Uni
0 Organisation Internationale de Normalisation, 1975 l
Imprimé en Suisse
NORME INTERNATIONALE
ISO 702/11-1975 (F)
Nez de broches et faux-plateaux -
Machines-outils -
Dimensions d’interchangeabilité - Partie II : Type Camlock
1 OBJET ET DOMAINE D’APPLICATION
La présente Norme Internationale fixe les dimensions d’interchangeabilité des nez de broches et faux-plateaux de tour du type
Camlock.
NOTE - Les types ((A)) et «bayonnette» sont traités respectivement dans les parties 1 et 111.
2 INTERCHANGEABILITÉ
Bien que les éléments de construction interne, ainsi que les vis d’assemblage, ne soient pas interchangeables entre eux, suivant
qu’ils sont exécutés conformément aux dimensions métriques ou aux dimensions en inches, il y a stricte interchangeabilité
entre nez métriques et faux-plateaux en inches ou réciproquement.
ISO 702/1 I-1975 (F)
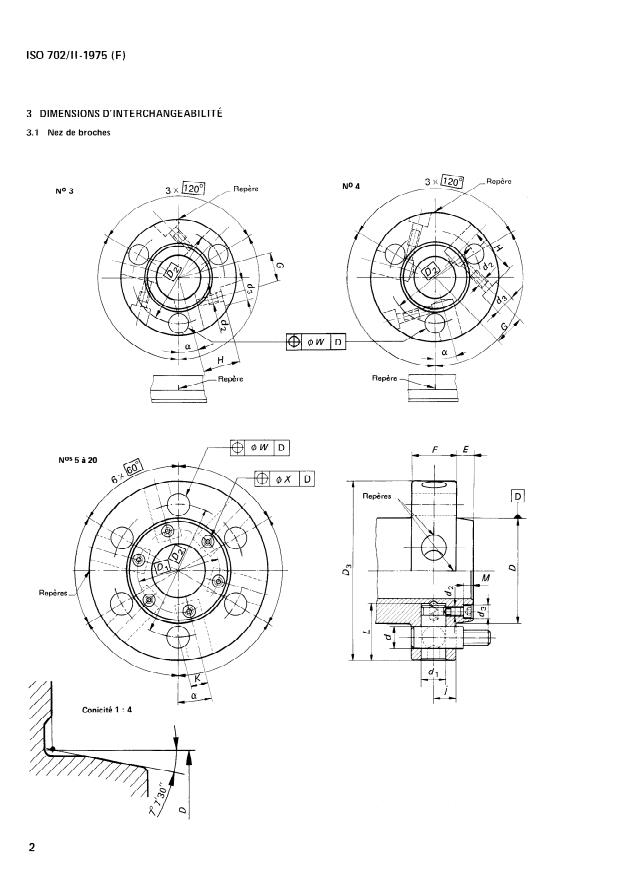
3 DIMENSIONS D’INTERCHANGEABILITÉ
3.1 Nez de broches
No 3
Nos 5 à 20
Repères
d 1 /
1’
/
i
/ oc
-c-l
D
Conicité 1 : 4
ISO 702/ll-1975 (F)
3.1.1 Dimensions en millimètres
D 53,975
63,513 82,563 106,375 139,719 196,869 285,775 412,775
m
+ 0,008 +
tol. + 0,008 + 0,010 + 0,010 + 0,012 0,014 + 0,016 + 0,020
0 0 0 0 0 0 0
. .
0-l
82 114 172 258 380
I
02 70,6 82,6 104,8
133,4 l71,4 235,0 330,2 463,6
03 92 117
146 181 225 298 403 546
d
15,l 16,7 19,8
23,0 26,2 31,0 35,7 42,l
+ 0,05
dl
19 22 26 29 32 35 42
H8
M8 M8 M6 M8 M8 M8 M 10 Ml0
d2
, b
d3 15,5 15,5 10,5 13,5 13,5 13,5 16,5 16,5
.
E 11 11 13 14 16 18 19 21
F
32 34 38 45 50 60 70 82
min.
L
G
22,6 27,0
f 0,05
H
30 40
L- 0,2
J
17,5 17,5 20,6 23,8 27,0 31,8 36,5 42,9
K
Il,1
Il,1 13,5 15,9 18,25 21,45 24,6 28,6
+ 0,l
.
L
+ 0,2 36 46 57
27,5 64 75 84 94
M
W OJ 0,15 0,15 0,15 0,15 0,15 0,15 0,15
.
X 02
02 02 02 02 02 02 02
.
Q! 18" 18,6' 15" 36' 14" 55' 13" 46' 12" 18' 10" 30' 8" 35' 7" 05'
NOTE - Tolérance générale pour cotes sans indication de tolérance : * O,4 mm.
ISO 702/ll-1975 (F)
3.1.2 Dimensions en inches
D 2,125 0 2,500 5 3,250 5 4,188 0 5,500 75 7,750 75 11,251 0 16,251 0
- -1_- --.^ ._ . aY -. -_- - -.<- _._____,____-
toi + 0,000 25 + 0,000 5 + 0,000 5 + 0,000 5 + 0,000 5 + 0,000 A_.,. 5 . + -- 0,001 + 0,001
0 0 0 0 0 0 0 0
01 2,50 3,25 4,50 6,75 10,125 15,000
--.-.---- -- ----- ._--.--” -_-- ---~_ -
02 2,782 3,250 4,125 5,250 6,750 9,250 * 3,000 18,250
-- .* - --__-_-_-- - .L. - ---.---- -- -. _--IL -_--._-_--
03 3 5/8 4 5/8 5 3/4 7 1/8 -8 7/8 11 3/4 15 7/8 21 1/2
~___ - _ . . . _. .- .- - .- _-_. - - _ __
d
0,593 7 0,656 2 0,781 25 0,906 25 1,031 25 1,218 75 1,406 25 1,656 25
+ 0,002
.-_/I- ---. -.- . . - _ ___-
dl
t 0,002 0,75 0,75 0,875 1 ,oo 1,125 1,25 1,375 1,625
- .I
8 3/8-l 6 3/8-l 6 3/8-l 6 3/8-l 6 3/8-l 6
d2 5/16-18 5/16-18 5/16-l
UNC UNC UNC UNC UNC
UNC UNC UNC
d3 29/64 29/64 29/64 37164 37164 37/64 37/64 37/64
E 7/16 7/16 1/2 9/16 5/8 11/16 3/4 13/16
F 1 1/4 1 S/I6 1 1/2 1 3/4 2 2 3/8 2 3/4 3 1/4
f 0,008
J Il/16 11/16 13/16 15/16 1 I/l6 1 1/4 1 7/16 1 Il/16
---. -- . _ _._ _-
K
0,437 0,437 0,531 0,625 0,719 0,844 0,969 1 ,125
t 0,004
- . . ^. ~---_-_-__ - ____ - - _
L
1,875 2,250 2,531 2,937 5 3,312 5 3,687 5
+ 0,016
M 11/32 13/32 13/32 13/32 13/32 13/32
W 0,004 0,006 0,006 0,006 0,006 0,006 0,006 0,006
X 0,008 0,008 0,008 0,008 0,008 0,008 0,008 0,008
cl! 15O 36’ 14O 55’ 13” 46’ 12” 18’ 10” 30’ 8” 35’ 7” 05’
18” 18,6’
NOTE - Tolérance générale pour cotes sans indication de tolérance : t 1/64 in
ISO 702/l I-1975 (F)
3.2 Cames
Repère
N
No 3
A
S
No 4
Coupe A-A
Pour nos 4 à 20 V 250”
Pour no 3 seulement V = 210”
ISO 702/1 I-1975 (F)
3.2.1 Dimensions en millimètres
A min. 13 17 22 25 28 32 37 43
B-:* 13,4 11,9 14,2 16,7 18,9 21,2 23,5 27,8
I
c 7 10 10 10 10 10
D + 0~3
0 1,65 1,60 1,45 2,56 2,46 2,44 2,35 3,lO
I
E + or1
0 0,15 0,15 0 0,45 0,36 0,28 0,20 0,50
H-& 26,5 35 45 56 63 73 82 92
I
1 + 0,l 22 22 39 4,2 5,3 8,7 60 60
J 3,6 3,6 5,o 6,5 6,5 6,5 8,5 8,5
+ 0,05 3- 0,05 t 0,l * 0,l + 0,l AZ 0,l $I 0,l f 0,l
K
e8 19 19 22 26 29 32 35 42
---me.-. --
L 13 13 14 17 21 24 27 33
5 0,2 + 0,2
-- ,. -
M f 0,05 4,5 6 6 6 8 8
N - O,I TO 2,85 3,95 7,35 5,2 5,2
o+ 0,2 14,9 16,7 22,4 30,2 33,2 39,5 43,6 48,4
-- - .---
P 21,4 26,5 35,0 43,0 49,0 59,0 62,0 69,0
y--- -.- ._-.- .-- - __-
11 12 14 17 17 22
D 12 8 10
- -~
R 7,5 93 11,l 12,7 14,2 16,7 19,0 22,2
I-c--^ _ ------. <. _ __ __ __ _-_
S 13 15 15 15 15 --- 15
-.- -----__-___ _.--.
T 8 9 11 12 14 16 16 20
lJ 12 12
Rampe sur V* 1,60 1,90 1,90 2,64 z64 2,64 2,64 3,18
-_-
P 150 10” 10” 10” 15” 15”
10” 15”
cl!
15” 15” 15” 20” 20” 20” 20” 20”
* Voir tolérance sur les cotes de vérifications D et E.
NOTE - Tolérance générale pour cotes sans indication de tolérance : k 0,4 mm.
ISO 702/11-1975 (F)
3.2.2 Dimensions en inches
A min. 33/64 11/16 13/16 31/32 1 I/l6 1 1/4 1 7/16 1 l-l/16
B’) 0,528 0 0,469 0 0,562 5 0,640 6 0,734 0 0,828 0 0,922 0
...
NORME INTERNATIONALE
INTERNATIONAL ORGANIZATION FOR STANDARDIZATION l MEXAYHAPOAHAII OPI-AHM3AUWR l-I0 CTAHAAPTW3AI.W-ï .ORGANISATION INTERNATIONALE DE NORMALISATION
Machines-outils - Nez de broches et faux-plateaux -
Dimensions d’interchangeabilité - Partie II : Type Camlock
Machine tools - Spindle noses and face plates - Sizes for interchangeability -
Part Il : Camlock type
Première édition - 1975-08-l 5
CDU 621.941-229.33 Réf. no : ISO 702/11-1975 (F)
Descripteurs : machine outil, nez de broche, tour, faux plateau, dimension, interchangeabilité.
Prix basé sur 14 pages
AVANT-PROPOS
L’ISO (Organisation Internationale de Normalisation) est une fédération mondiale
d’organismes nationaux de normalisation (Comités Membres ISO). L’élaboration de
Normes Internationales est confiée aux Comités Techniques ISO. Chaque Comité
Membre intéressé par une étude a le droit de faire partie du Comité Technique
correspondant. Les organisations internationales, gouvernementales et non
gouvernementales, en liaison avec I’ISO, participent également aux travaux.
Les Projets de Normes Internationales adoptés par les Comités Techniques sont
soumis aux Comités Membres pour approbation, avant leur acceptation comme
Normes Internationales par le Conseil de I’ISO.
Avant 1972, les résultats des travaux des Comités Techniques étaient publiés
comme Recommandations ISO; maintenant, ces documents sont en cours de
transformation en Normes Internationales. Compte tenu de cette procédure, le
Comité Technique lSO/TC 39 a examiné la Recommandation ISO/R 702 et est
d’avis qu’elle peut, du point de vue technique, être transformée en Norme
Internationale. II a toutefois été décidé qu’elle soit divisée en deux parties. La
présente Norme Internationale (702hl) remplace donc (avec I’ISO 702/1) la
Recommandation ISO/R 702-1968 à laquelle elle est techniquement identique.
La Recommandation ISO/R 702 avait été approuvée par les Comités Membres des
pays suivants :
Afrique du Sud, Rép. d’
Hongrie Royaume-Uni
Allemagne Inde
Suède
Belgique Israël Suisse
Chili Italie Tchécoslovaquie
Danemark Japon Turquie
Égypte, Rép. arabe d’
Pays-Bas U.R.S.S.
Espagne
Pologne U.S.A.
France
Portugal
Aucun Comité Membre n’avait désapprouvé la Recommandation.
Le Comité Membre du pays suivant a désapprouvé la transformation de la
Recommandation ISO/R 702 en Norme Internationale :
Royaume-Uni
0 Organisation Internationale de Normalisation, 1975 l
Imprimé en Suisse
NORME INTERNATIONALE
ISO 702/11-1975 (F)
Nez de broches et faux-plateaux -
Machines-outils -
Dimensions d’interchangeabilité - Partie II : Type Camlock
1 OBJET ET DOMAINE D’APPLICATION
La présente Norme Internationale fixe les dimensions d’interchangeabilité des nez de broches et faux-plateaux de tour du type
Camlock.
NOTE - Les types ((A)) et «bayonnette» sont traités respectivement dans les parties 1 et 111.
2 INTERCHANGEABILITÉ
Bien que les éléments de construction interne, ainsi que les vis d’assemblage, ne soient pas interchangeables entre eux, suivant
qu’ils sont exécutés conformément aux dimensions métriques ou aux dimensions en inches, il y a stricte interchangeabilité
entre nez métriques et faux-plateaux en inches ou réciproquement.
ISO 702/1 I-1975 (F)
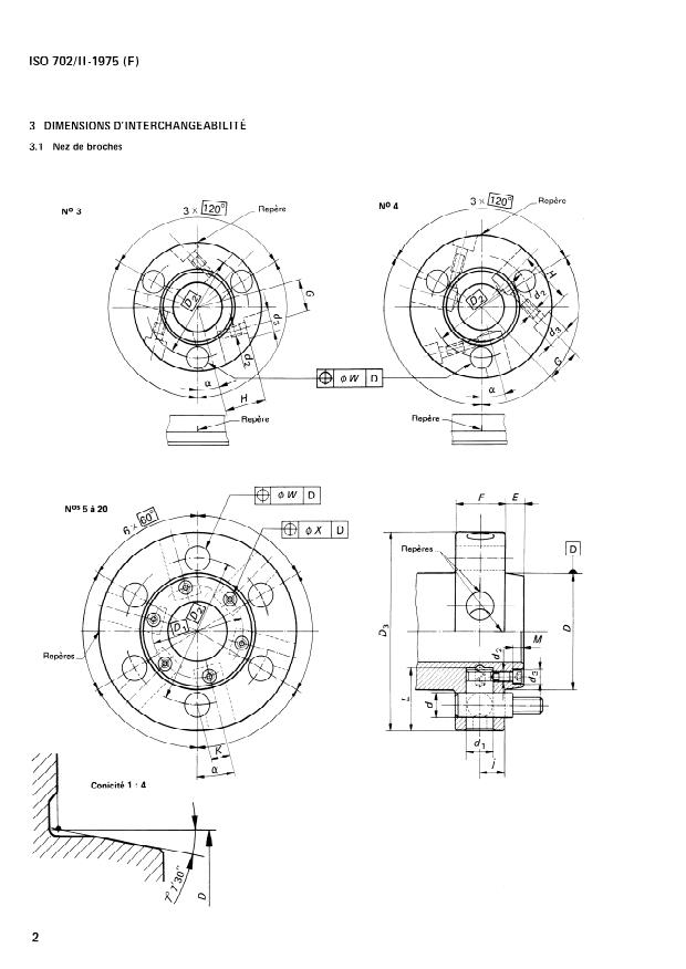
3 DIMENSIONS D’INTERCHANGEABILITÉ
3.1 Nez de broches
No 3
Nos 5 à 20
Repères
d 1 /
1’
/
i
/ oc
-c-l
D
Conicité 1 : 4
ISO 702/ll-1975 (F)
3.1.1 Dimensions en millimètres
D 53,975
63,513 82,563 106,375 139,719 196,869 285,775 412,775
m
+ 0,008 +
tol. + 0,008 + 0,010 + 0,010 + 0,012 0,014 + 0,016 + 0,020
0 0 0 0 0 0 0
. .
0-l
82 114 172 258 380
I
02 70,6 82,6 104,8
133,4 l71,4 235,0 330,2 463,6
03 92 117
146 181 225 298 403 546
d
15,l 16,7 19,8
23,0 26,2 31,0 35,7 42,l
+ 0,05
dl
19 22 26 29 32 35 42
H8
M8 M8 M6 M8 M8 M8 M 10 Ml0
d2
, b
d3 15,5 15,5 10,5 13,5 13,5 13,5 16,5 16,5
.
E 11 11 13 14 16 18 19 21
F
32 34 38 45 50 60 70 82
min.
L
G
22,6 27,0
f 0,05
H
30 40
L- 0,2
J
17,5 17,5 20,6 23,8 27,0 31,8 36,5 42,9
K
Il,1
Il,1 13,5 15,9 18,25 21,45 24,6 28,6
+ 0,l
.
L
+ 0,2 36 46 57
27,5 64 75 84 94
M
W OJ 0,15 0,15 0,15 0,15 0,15 0,15 0,15
.
X 02
02 02 02 02 02 02 02
.
Q! 18" 18,6' 15" 36' 14" 55' 13" 46' 12" 18' 10" 30' 8" 35' 7" 05'
NOTE - Tolérance générale pour cotes sans indication de tolérance : * O,4 mm.
ISO 702/ll-1975 (F)
3.1.2 Dimensions en inches
D 2,125 0 2,500 5 3,250 5 4,188 0 5,500 75 7,750 75 11,251 0 16,251 0
- -1_- --.^ ._ . aY -. -_- - -.<- _._____,____-
toi + 0,000 25 + 0,000 5 + 0,000 5 + 0,000 5 + 0,000 5 + 0,000 A_.,. 5 . + -- 0,001 + 0,001
0 0 0 0 0 0 0 0
01 2,50 3,25 4,50 6,75 10,125 15,000
--.-.---- -- ----- ._--.--” -_-- ---~_ -
02 2,782 3,250 4,125 5,250 6,750 9,250 * 3,000 18,250
-- .* - --__-_-_-- - .L. - ---.---- -- -. _--IL -_--._-_--
03 3 5/8 4 5/8 5 3/4 7 1/8 -8 7/8 11 3/4 15 7/8 21 1/2
~___ - _ . . . _. .- .- - .- _-_. - - _ __
d
0,593 7 0,656 2 0,781 25 0,906 25 1,031 25 1,218 75 1,406 25 1,656 25
+ 0,002
.-_/I- ---. -.- . . - _ ___-
dl
t 0,002 0,75 0,75 0,875 1 ,oo 1,125 1,25 1,375 1,625
- .I
8 3/8-l 6 3/8-l 6 3/8-l 6 3/8-l 6 3/8-l 6
d2 5/16-18 5/16-18 5/16-l
UNC UNC UNC UNC UNC
UNC UNC UNC
d3 29/64 29/64 29/64 37164 37164 37/64 37/64 37/64
E 7/16 7/16 1/2 9/16 5/8 11/16 3/4 13/16
F 1 1/4 1 S/I6 1 1/2 1 3/4 2 2 3/8 2 3/4 3 1/4
f 0,008
J Il/16 11/16 13/16 15/16 1 I/l6 1 1/4 1 7/16 1 Il/16
---. -- . _ _._ _-
K
0,437 0,437 0,531 0,625 0,719 0,844 0,969 1 ,125
t 0,004
- . . ^. ~---_-_-__ - ____ - - _
L
1,875 2,250 2,531 2,937 5 3,312 5 3,687 5
+ 0,016
M 11/32 13/32 13/32 13/32 13/32 13/32
W 0,004 0,006 0,006 0,006 0,006 0,006 0,006 0,006
X 0,008 0,008 0,008 0,008 0,008 0,008 0,008 0,008
cl! 15O 36’ 14O 55’ 13” 46’ 12” 18’ 10” 30’ 8” 35’ 7” 05’
18” 18,6’
NOTE - Tolérance générale pour cotes sans indication de tolérance : t 1/64 in
ISO 702/l I-1975 (F)
3.2 Cames
Repère
N
No 3
A
S
No 4
Coupe A-A
Pour nos 4 à 20 V 250”
Pour no 3 seulement V = 210”
ISO 702/1 I-1975 (F)
3.2.1 Dimensions en millimètres
A min. 13 17 22 25 28 32 37 43
B-:* 13,4 11,9 14,2 16,7 18,9 21,2 23,5 27,8
I
c 7 10 10 10 10 10
D + 0~3
0 1,65 1,60 1,45 2,56 2,46 2,44 2,35 3,lO
I
E + or1
0 0,15 0,15 0 0,45 0,36 0,28 0,20 0,50
H-& 26,5 35 45 56 63 73 82 92
I
1 + 0,l 22 22 39 4,2 5,3 8,7 60 60
J 3,6 3,6 5,o 6,5 6,5 6,5 8,5 8,5
+ 0,05 3- 0,05 t 0,l * 0,l + 0,l AZ 0,l $I 0,l f 0,l
K
e8 19 19 22 26 29 32 35 42
---me.-. --
L 13 13 14 17 21 24 27 33
5 0,2 + 0,2
-- ,. -
M f 0,05 4,5 6 6 6 8 8
N - O,I TO 2,85 3,95 7,35 5,2 5,2
o+ 0,2 14,9 16,7 22,4 30,2 33,2 39,5 43,6 48,4
-- - .---
P 21,4 26,5 35,0 43,0 49,0 59,0 62,0 69,0
y--- -.- ._-.- .-- - __-
11 12 14 17 17 22
D 12 8 10
- -~
R 7,5 93 11,l 12,7 14,2 16,7 19,0 22,2
I-c--^ _ ------. <. _ __ __ __ _-_
S 13 15 15 15 15 --- 15
-.- -----__-___ _.--.
T 8 9 11 12 14 16 16 20
lJ 12 12
Rampe sur V* 1,60 1,90 1,90 2,64 z64 2,64 2,64 3,18
-_-
P 150 10” 10” 10” 15” 15”
10” 15”
cl!
15” 15” 15” 20” 20” 20” 20” 20”
* Voir tolérance sur les cotes de vérifications D et E.
NOTE - Tolérance générale pour cotes sans indication de tolérance : k 0,4 mm.
ISO 702/11-1975 (F)
3.2.2 Dimensions en inches
A min. 33/64 11/16 13/16 31/32 1 I/l6 1 1/4 1 7/16 1 l-l/16
B’) 0,528 0 0,469 0 0,562 5 0,640 6 0,734 0 0,828 0 0,922 0
...












Questions, Comments and Discussion
Ask us and Technical Secretary will try to provide an answer. You can facilitate discussion about the standard in here.
Loading comments...