ISO 8984-1:1987
(Main)Road vehicles — Testing of fuel injectors for compression-ignition engines — Part 1: Hand-lever-operated testing and setting apparatus
Road vehicles — Testing of fuel injectors for compression-ignition engines — Part 1: Hand-lever-operated testing and setting apparatus
Véhicules routiers — Essais des injecteurs de combustible pour moteurs à allumage par compression — Partie 1: Appareils d'essai et de réglage à levier à main
General Information
- Status
- Withdrawn
- Publication Date
- 02-Dec-1987
- Withdrawal Date
- 02-Dec-1987
- Technical Committee
- ISO/TC 22 - Road vehicles
- Drafting Committee
- ISO/TC 22 - Road vehicles
- Current Stage
- 9599 - Withdrawal of International Standard
- Start Date
- 16-Dec-1993
- Completion Date
- 12-Feb-2026
Relations
- Effective Date
- 15-Apr-2008
ISO 8984-1:1987 - Road vehicles -- Testing of fuel injectors for compression-ignition engines
ISO 8984-1:1987 - Road vehicles — Testing of fuel injectors for compression-ignition engines — Part 1: Hand-lever-operated testing and setting apparatus Released:12/3/1987
Get Certified
Connect with accredited certification bodies for this standard

TÜV Rheinland
TÜV Rheinland is a leading international provider of technical services.

TÜV SÜD
TÜV SÜD is a trusted partner of choice for safety, security and sustainability solutions.
AIAG (Automotive Industry Action Group)
American automotive industry standards and training.
Sponsored listings
Frequently Asked Questions
ISO 8984-1:1987 is a standard published by the International Organization for Standardization (ISO). Its full title is "Road vehicles — Testing of fuel injectors for compression-ignition engines — Part 1: Hand-lever-operated testing and setting apparatus". This standard covers: Road vehicles — Testing of fuel injectors for compression-ignition engines — Part 1: Hand-lever-operated testing and setting apparatus
Road vehicles — Testing of fuel injectors for compression-ignition engines — Part 1: Hand-lever-operated testing and setting apparatus
ISO 8984-1:1987 is classified under the following ICS (International Classification for Standards) categories: 43.180 - Diagnostic, maintenance and test equipment. The ICS classification helps identify the subject area and facilitates finding related standards.
ISO 8984-1:1987 has the following relationships with other standards: It is inter standard links to ISO 8984-1:1993. Understanding these relationships helps ensure you are using the most current and applicable version of the standard.
ISO 8984-1:1987 is available in PDF format for immediate download after purchase. The document can be added to your cart and obtained through the secure checkout process. Digital delivery ensures instant access to the complete standard document.
Standards Content (Sample)
IS0
INTERNATIONAL STANDARD
8984-1
First edition
1987-12- 15
INTERNATIONAL ORGANIZATION FOR STANDARDIZATION
ORGANISATION INTERNATIONALE DE NORMALISATION
MEXAYHAPOAHAR OPrAHW3AuMR il0 CTAHAAPTM3AuHH
Road vehicles - Testing of fuel injectors for
compress ion- i g n i t i o n engin es -
Part 1 :
Hand-lever-operated testing and setting apparatus
Véhicules routiers - Essais des injecteurs de combustible pour moteurs à allumage par
compression -
Partie 1 : Appareils d'essai et de réglage à levier à main
teference number
SO 8984-1 : 1987 (E)
Foreword
IS0 (the International Organization for Standardization) is a worldwide federation of
national standards bodies (IS0 member bodies). The work of preparing International
Standards is normally carried out through IS0 technical committees. Each member
body interested in a subject for which a technical committee has been established has
the right to be represented on that committee. International organizations, govern-
mental and non-governmental, in liaison with ISO, also take part in the work.
Draft International Standards adopted by the technical Committees are circulated to
the member bodies for approval before their acceptance as International Standards by
the IS0 Council. They are approved in accordance with IS0 procedures requiring at
least 75 % approval by the member bodies voting.
International Standard IS0 8984-1 was prepared by Technical Committee ISO/TC 22,
Road vehicles.
Users should note that all International Standards undergo revision from time to time
and that any reference made herein to any other International Standard implies its
latest edition, unless otherwise stated.
0 International Organization for Standardization, 1987 O
Printed in Switzerland
IS0 8984-1 : 1987 (E)
INTERNATIONAL STANDARD
Road velllcles - Testing of fue ,njectors for
co m p ressi o n-i g nit ion en g i nes -
Part 1 :
Hand-lever-operated testing and setting apparatus
O Introduction 2 Field of application
An assessment of the functional performance of individual fuel
2.1 This part of IS0 8984 primarily applies to apparatus for
injectors has proved necessary. A form of hand-lever-operated
testing the injectors of fuel injection equipment for road vehicle
testing and/or setting equipment for injectors has evolved over
compression-ignition engines requiring fuel delivery of up to
the years; it has been found in principle effective and adequate
300 mm3/injection/cylinder at full load.
to perform the test. Differences in certain physical values be-
tween equipment from different manufacturers and of different
designs have however resulted in lack of correlation of results.
2.2 No distinction is made between apparatus used in dif-
This International Standard consists of two parts (apparatus
ferent locations, e.g. laboratories, factories or service stations.
and procedure respectively), which together specify the re-
levant requirements to establish common test conditions.
2.3 The injector manufacturer shall specify which tests shall
be selected from those listed in clause 1, together with any ad-
ditional requirements for a particular injector.
1 Scope
This part of IS0 8984 specifies minimum requirements for
hand-lever-operated testing and setting apparatus to perform
3 References
certain tests on fuel injectors for compression-ignition engines
for road vehicles. These tests are detailed in IS0 8984-2 and are
IS0 2974, Road vehicles - High pressure pipe fittings with 60°
female cone.
- nozzle opening pressure;
- chatter (atomization); IS0 4010, Road vehicles - Calibrating nozzle, delay pintle
type.
- spray pattern;
IS0 4020-2, Road vehicles - Fuel filters for automotive corn
- seat leakage;
pression ignition engines - Part 2 : Test values and classifi-
cation.
- back-leakage.
IS0 41 13, Road vehicles - Calibration fluid for dieselinjection
This International Standard concerns fuel injectors having a
equipment.
spring-loaded nozzle valve actuated by fuel pressure. It is in-
tended that the specifications form a standard basis. The injec-
tor is connected to the apparatus by an adaptor specified by the
IS0 8984-2, Road vehicles - Testing of fuel injectors for
injector manufacturer. compression-ignition engines - Part 2 : Test procedures.
IS0 8984-1 : 1987 (E)
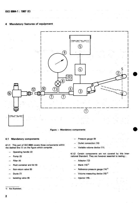
4 Mandatory features of equipment
--
e I
Figure - Mandatory components
- Pressure gauge (9)
4.1 Mandatory components
- Outlet connection (IO)
4.1.1 This part of IS0 8984 covers those components within
- Variable volume device (1 1).
the dashed line (1) on the figure which comprise
- Operating handle (2)
4.1.2 Certain components are not covered by this Inter-
national Standard. They are however essential to testing :
- Pump (3)
- Adaptor (12)
- Filter (4)
- Fluid container and lid (5) - Blank (13)’)
- Reference pressure gauge (14)”
- Non-return valve (6)
- Volume measuring device 15)’)
- Ducts (7)
- Injector (16).
- Isolating valve (8)
1) Nat illustrated.
I--
IS0 8984-1 : 1987 (E)
\
4.2 Specification of components full-scale deflection. The needle shall lie within 1 to 2 mm in
front of a flat scale.
4.2.1 The whole mechanism [within dashed line (111 shall be
c) Scaling :
of self-contained stiff construction capable of being rigidly
mounted; items (4) and (5) may be separate if desired.
- length 300 mm minimum;
- graduation pitch of 0,2 MPa (2 bar) graduation, to
4.2.2 The operating handle (2) shall have a vertical plane of
commence at approximately 5 % full-scale deflection.
action and the line of action, S, drawn between the positions of
the centre-point of the hand-grip at extremes of stroke shall be
d) Damping characteristic that shall protect the gauge
approximately vertical.
from damaging shocks due to injector action but shall not
reduce the rate of response to a step change to less than
4.2.3 The pump (3) shall incorporate a piston and lever
90 %,in 200 ms.
system such that the following parameters are achieved.
NOTE - Although this specification describes an analogue-type
Bourdon tube pressure gauge, other methods of pressure measure-
a) The stroke of the operating handle along the line of
ment are acceptable provided they allow equivalent assessment of
action, S, which produces geometric delivery shall be be-
the injector.
tween 125 and 325 mm.
b) Specific delivery (at atmospheric conditions) shall be 4.2.10 The outlet connection (IO) shall be a male connector
between 4,5 and 6,O mm3 per millimetre of stroke along the complying with IS0 2974, with MI4 x 1,5 thread.
line of action, S.
4.2.11 A variable volume device (11) shall be included as
c) The hydromechanical stiffness of the apparatus, with
shown in the figure, to permit compensation of variations in in-
the isolating valve (8) closed and the outlet connection (IO)
ternal volume elasticity of individual pressure gauges. This item
closed off, shall not be less than 0.2 MPa/mm (2,O bar/mm),
may be omitted if the requirements of 4.3 are fulfilled.
5 to 35 MPa (50 to 350 bar) and along
measured in the range
the line of action, S.
4.2.12 The adaptor (12) shall be specified by the injector
manufacturer. (It is not covered by this part of IS0 8984.)
4.2.4 The element of the pump inlet filter (4) shall be
replaceable without risk of any foreign matter entering the
pump. The element shall meet the requirements of IS0 4020-2, 4.2.13 A suitable blank (13) to seal the outlet connection (see
with filter rating number 330000. 4.2.10) from the atmosphere shall not alter the system volume
(see note under 4.3.1).
4.2.5 The fluid container (51, and filter container (4) where ap-
4.2.14 A reference pressure gauge (14) shall be capable of
plicable, shall have a smooth and corrosion-resistant internal
measuring (with or without reference to a test certificate) to an
finish with a sufficiently large opening to give ample access for
cleaning. The container lid (and breather) shall prevent ingress accuracy of at least I 0,2 % full-scale deflection, over a range
similar to that of the apparatus pressure gauge (9).
of foreign matter.
4.2.6 The pump shall discharge through a non-return valve (6) 4.2.15 A suitable means of measuring internal volume (15) is
described in the annex; the outlet connection (10) is the feed
which seals against return flow and has no unloading feature.
connection in the annex.
4.2.7 The ducts (7) connecting the non-return valve (6) to the
outlet connection (IO) and the isolating valve (8) shall be con-
4.3 Additional requirements : internal volume
structed so that at no point is the cross-section less than 2 mm
elasticity
in diameter.
4.3.1 The total internal trapped volume of the system (see
4.2.8 A manually operable isolating valve (8) shall prevent
note) at 23 f 5 OC shall be such that it releases fluid at the rate
communication with pressure gauge 19) and variable volume
I. 0,005 mm3/MPa (2,O f 0,05 mm3/bar), in the
of 0,2
device (111, if applicable. It shall be capable of sealing com-
pressure range 10 to 7 MPa (100 to 70 bar) and using IS0 41 13
pletely in both directions. The valve spindle seal shall be on
calibration fluid.
the pressure gauge side of the sealing interfaces. Change of in-
NOTE - The system comprises the volume between the sealing face
ternal trapped volume due to valve spindle axial movement
of the non-return valve (6) and the plane of the small end of the cone of
need not be zero but shall be kept to a minimum.
the outlet connection (IO) including the pressure gauge (9) [and
variable volume device (1 1) if applicablel.
4.2.9 The pressure gauge (9) (and external damper if fitted)
shall be of robust construction with the following specifica-
4.3.2 With the pressure gauge (9) [and variable volume device
tion :
(1 1) if applicablel isolated from the system by closing the valve
(81, the remaining trapped volume at 23 f 5 OC shall be such
a) Range : O (nominal) to 40'5 MPa (4O0+go bar).
that it releases fluid at the rate of 0,04 f 0,Ol mm3/MPa
b
...
IS0 ~
8984-1~
NORME INTERNATIONALE
Première édition I
1987-12-15 I
INTERNATIONAL ORGANIZATION FOR STANDARDIZATION
ORGANISATION INTERNATIONALE DE NORMALISATION
MEXAYHAPOAHAR OPTAHM3AuMR il0 CTAHAAPTM3AuMM
Véhicules routiers - Essais des injecteurs de
combustible pour moteurs à allumage par
compression -
Partie 1 :
Appareils d'essai et de réglage à levier à main
Road vehicles - Testing of fuel injectors for compression-ignition engines -
Part I : Hand-lever-operated testing and setting apparatus
Numéro de référe ce
~ IS0 8984-1 : 19871F)
Avant-propos
L'ISO (Organisation internationale de normalisation) est une fédération mondiale
d'organismes nationaux de normalisation (comités membres de I'ISO). L'élaboration
des Normes internationales est normalement confiée aux comités techniques de I'ISO.
Chaque comité membre intéressé par une étude a le droit de faire partie du comité
technique créé à cet effet. Les organisations internationales, gouvernementales et non
gouvernementales, en liaison avec I'ISO participent également aux travaux.
Les projets de Normes internationales adoptés par les oomitéç techniques sont soumis
aux comités membres pour approbation, avant leur acceptation comme Normes inter-
nationales par le Conseil de I'ISO. Les Normes internationales sont approuvées confor-
mément aux procédures de I'ISO qui requièrent l'approbation de 75 % au moins des
comités membres votants.
La Norme internationale IS0 û9û4-1 a été élaborée par le comité technique ISO/TC 22,
Véhicules routiers.
L'attention des utilisateurs est attirée sur le fait que toutes les Normes internationales
sont de temps en temps soumises à révision et que toute référence faite à une autre
Norme internationale dans le présent document implique qu'il s'agit, sauf indication
contraire, de la dernière édition.
O Organisation internationale de normalisation, 1987
Imprimé en Suisse
IS0 8984-1 : 1987 (I
NORME INTERNATIONALE
Véhicules routiers - Essais des injecteurs de
combustible pour moteurs à allumage par
compression -
Partie 1 :
Appareils d'essai et de réglage à levier à main
2 Domaine d'application
O Introduction
2.1 La présente partie de 1'1S0 8984 est applicable principal
II est nécessaire d'évaluer les caractéristiques de fonctionne-
ment de chaque injecteur de combustible. Une certaine forme ment aux appareils d'essai des injecteurs des systèmes d'inje
I
tion de combustible de moteurs à allumage par compressii
d'appareil d'essai et de réglage à levier à main pour injecteurs
pour véhicules routiers, où la quantité de combustible inject !
s'est peu à peu développée au cours des années et semble,
peut atteindre jusqu'à 300 mm3 par injecteur et par cylindre I
dans son principe, bien adaptée et efficace pour la réalisation
des contr6les. Des différences entre certains paramètres physi- pleine charge.
ques et les modèles des appareils mis au point par les divers
fabricants entraînent toutefois une impossibilité de corréler les
i
2.2 Aucune distinction n'est faite entre appareil
résultats. L'ISO 8984 comprend deux parties (relatives, respec-
dans des emplacements différents, tels que laboratoires, usin i
tivement, aux appareils d'essai et aux méthodes d'essai) spéci-
à retenir pour établir des conditions ou stations-service.
fiant les critères pertinents
d'essai communes.
?
2.3 Le fabricant d'injecteurs doit indiquer, parmi les essais
r
la liste donnée dans le chapitre 1, ceux qui sont à choisir pc
un injecteur donné, ainsi que les exigences supplémentaii i
éventuelles pour un injecteur particulier.
0 ' Obiet
La présente partie de 1'1S0 8984 spécifie les critères essentiels
minimaux auxquels doivent satisfaire les appareils d'essai des
injecteurs de combustible des moteurs à allumage par compres-
sion pour véhicules routiers. Les essais en question sont décrits
3 Références
en détail dans I'ISO 8984-2 et concernent
IS0 2974, Véhicules routiers - Raccords haute pression 1
- la pression d'ouverture de l'injecteur;
cône femelle de 609
- le ronflement à l'injection (atomisation);
IS0 4010, Véhicules routiers - Injecteur d'essai du type
téton et à étranglement.
- la forme du jet;
r
IS0 4020-2, Véhicules routiers - Filtres à combustible pc
- le débit de fuite au siège;
moteurs à combustion interne à allumage par compression
Partie 2 : Valeurs d'essai et classification.
- le débit de fuite à l'arrière.
t
IS0 41 13, Véhicules routiers - Fluide d'essaipour équipernt
La présente Norme internationale concerne les injecteurs de
d'injection à gazole.
combustible avec soupape à aiguille, chargée par ressort,
actionnée par la pression du combustible. Les critères spécifiés
IS0 8984-2, Véhicules routiers - Essais des injecteurs de CO,
sont censés former une base de normalisation. L'injecteur doit
bustible pour moteurs à allumage par compression - Partie.
être raccordé à l'appareil par un adaptateur spécifié par le fabri-
Méthodes &essai.
cant d'injecteurs.
I
IS0 8984-1 : 1987 (FI
4 Caractéristiques obligatoires de l'appareil
I
I
I
I
I
I
I
I
I
I
I
I
I
I
I
Figure - Composants obligatoires
4.1 Composants obligatoires
- le manomètre (9)
- le raccord de sortie (10)
4.1.1 Les composants faisant l'objet de la prbente partie
de I'ISO 8984 sont entourés par le trait interrompu (1) sur la - le dispositif à volume variable (1 1).
figure. Ils comprennent
4.1.2 Certains composants sortent du cadre de la présente
- le levier de manœuvre (2)
partie de I'ISO 89û4. Ils sont pourtant essentiels à la mise en
- la pompe (3)
œuvre de l'essai. Ils comprennent
- le filtre (4)
- l'adaptateur (12)
- le réservoir de fluide et son couvercle (5)
- le bouchon d'obturation (13)')
- le clapet de non-retour (6)
- le manomètre de référence (14)')
- les conduits (7)
- le dispositif de mesurage volumétrique (15)')
- le robinet d'isolement (8) - l'ensemble porte-injecteur et injecteur (16).
1) Non représenté.
IS0 8984-1 : 1987 I
I
4.2 Spécification des composants 4.2.9 Le manomètre (9) (et l'amortisseur extérieur éventi
doit être de construction robuste et correspondre aux spécifi
tions suivantes :
4.2.1 Tout le mécanisme [situé à l'intérieur du trait interrompu
(l)] doit être de construction rigide autonome, susceptible
a) Étendue de mesure : O (nominal) à 40': N 3
d'être monté également de façon rigide, sauf pour les pièces (4)
(400+7 bar).
et (5) qui peuvent être montées séparément si nécessaire.
b) Précision une fois monté (y compris I'hystérési:
4.22 Le levier de manœuvre (2) doit avoir un plan d'action
f 0,6 % de la déviation extrême entre 10 % et 90 % dc 3
vertical et la ligne d'action, S, tracée entre le point central du graduation. L'aiguille doit se trouver entre 1 et 2 mm 1
levier et les extrémités de la course doit être approximativement
cadran.
verticale.
c) Graduation :
4.2.3 La pompe (3) doit comporter un système de piston et de
- longueur de 300 mm au minimum;
levier permettant d'obtenir les paramètres suivants :
- pas de la graduation : tous les 0,2 MPa (2 bi
,
a) La course du levier de manœuvre le long de la ligne commençant à environ 5 % de la valeur maxim
?
S, engendrant la cylindrée géométrique, doit être
d'action, d'échelle.
comprise entre 125 et 325 mm.
d) Caractéristique d'amortissement : doit protéger ?
b) Le débit spécifique (aux conditions atmosphériques)
manomètre des chocs dommageables dus au fonction1
doit être compris entre 4,5 et 6,O mm3 par millimètre de
ment de l'injecteur, mais sans réduire la vitesse de répons I
course le long de la ligne d'action, S.
une variation de pression à une valeur inférieure à 90 % r
200 ms.
c) La rigidité hydromécanique de l'appareil, robinet d'iso-
lement (8) fermé et raccord de sortie (IO) obturé, ne doit pas
NOTE - Bien que la spécification ci-dessus décrive un manomc
?
être inférieure à 0,2 MPa/mm (2,O bar/mm), la mesure
à tube de Bourdon de type analogique, d'autres méthodes ?
étant faite le long de la ligne d'action, S, dans la plage de 5 à
mesurage de la pression sont acceptables si elles donnent une 4
35 MPa (50 à 350 bar).
luation équivalente de l'injecteur.
4.2.4 L'élément du filtre (4) à l'entrée de la pompe doit être
4.2.10 Le raccord de sortie (10) doit être un raccord mâle CI
remplaçable sans risque d'intrusion de matière étrangère dans
forme à I'ISO 2974, à filetage MI4 x 1,5.
la pompe. L'élément doit satisfaire aux spécifications de
I'ISO 4020-2, avec un nombre codifié du filtre de 33oooO.
4.2.11 Un dispositif à volume variable (11) doit être insér i
l'endroit indiqué sur la figure, pour permettre la compensat
4.2.5 Le réservoir de fluide (5) et, le cas échéant, le réservoir
des variations d'élasticité du volume interne entre dives mai
du filtre (4) doivent avoir un revêtement interne lisse et résistant
mètres. Ce dispositif peut etre supprimé si les conditions de
à la corrosion, et une ouverture suffisamment large pour per-
sont remplies.
mettre leur nettoyage. Le couvercle du réservoir (et le reniflard)
doivent empêcher l'intrusion de matières étrangères.
4.2.12 L'adaptateur (12) doit être spécifié par le fabricant
d'injecteurs et n'est pas traité dans la présente partie de
4.2.6 La pompe doit débiter par un clapet de non-retour (6)
VISO 8984.
qui empêche le reflux et ne comporte aucun élément de réaspi-
ration.
4.2.13 Le bouchon (13) obturant le raccord
(voir 4.2.10) pour l'isoler de l'atmosphère ne doit pas
4.2.7 Les conduits (7) raccordant le clapet de non-retour (6)
volume du système (voir note en 4.3.1).
au raccord de sortie (IO) et au robinet d'isolement (8) doivent
être construits de manière à n'avoir nulle part moins de 2 mm
de diamètre.
4.2.14 Un manomètre de référence (14) (accompagné ou n on
4.2.8 Un robinet d'isolement manuel (8) doit empêcher toute
communication avec le manomètre (9) et le dispositif à volume
l'appareil (9).
variable éventuel (11). II doit être hermétique dans les deux
directions. Le joint de tige du robinet doit se trouver du côté de
l'interface d'étanchéité où se trouve le manomètre. II n'est pas
nécessaire que la variation de volume interne résiduel due au
mouvement axial de la tige du robinet soit absolument nulle,
mais elle doit être aussi faible que possible. d'alimentation décrit dans cette annexe.
IS0 8984-1 : 1987 (I;)
5.4 Fuite au niveau du robinet d'isolement
4.3 Spécifications complémentaires : élasticité
du volume interne et du clapet de non-retour
Remplacer le bouchon (13) par un manomètre de référence (14)
4.3.1 Le volume interne total du système (voir la note) doit libé-
certifié.
rer, à 23 f 5 OC, un écoulement de 0,2 f 0,005 mm3/MPa
(2,O f 0,05 mm3/bar) de pression, dans la gamme de pres-
NOTE - Pour monter le manomètre de référence en position correcte,
sions de 10 à 7 MPa (100 à 70 bar), en utilisant un fluide d'essai
on peut utiliser un petit tronçon de tube en acier (de 6 mm de diamètre
à I'ISO 41 13.
conforme
extérieur et de 2 mm de diamètre intérieur). Ce tube doit toutefois être
monté sur le raccord de sortie (IO) et être purgé d'air avant qu'on y rac-
NOTE - Le «système» comprend le volume situé entre la face
...








Questions, Comments and Discussion
Ask us and Technical Secretary will try to provide an answer. You can facilitate discussion about the standard in here.
Loading comments...