ISO 4762:1989
(Main)Hexagon socket head cap screws — Product grade A
Hexagon socket head cap screws — Product grade A
Vis à tête cylindrique à six pans creux — Grade A
Vijaki z valjasto glavo in notranjim šestkotnikom - Razred izdelave A
General Information
Relations
Buy Standard
Standards Content (Sample)
IS0
I N TE R NAT I O N AL
4762
STANDARD
Second edition
1989-05-01
Hexagon socket head cap screws - Product
grade A
Vis à tête cylindrique à six pans creux - Grade A
1
Reference number
IS0 4762 : 1989 (E)
---------------------- Page: 1 ----------------------
IS0 4762 : 1989 (E)
Foreword
IS0 (the International Organization for Standardization) is a worldwide federation of
national standards bodies (IS0 member bodies). The work of preparing International
Standards is normally carried out through IS0 technical committees. Each member
body interested in a subject for which a technical committee has been established has
the right to be represented on that committee. International organizations, govern-
mental and non-governmental, in liaison with ISO, also take part in the work. IS0
collaborates closely with the International Electrotechnical Commission (IEC) on all
matters of electrotechnical standardization.
Draft International Standards adopted by the technical committees are circulated to
the member bodies for approval before their acceptance as International Standards by
the IS0 Council. They are approved in accordance with IS0 procedures requiring at
least 75 % approval by the member bodies voting.
International Standard IS0 4762 was prepared by Technical Committee ISO/TC 2,
Fasteners.
This second edition cancels and replaces the first edition (IS0 4762 : 19771, of which it
constitutes a technical revision.
O IS0 1989
All rights reserved. No part of this publication may be reproduced or utilized in any form or by any
means, electronic or mechanical, including photocopying and microfilm, without permission in
writing from the publisher.
International Organization for Standardization
Case postale 56 CH-121 1 Geneve 20 O Switzerland
Printed in Switzerland
---------------------- Page: 2 ----------------------
INTERNATIONAL STANDARD IS0 4762 : 1989 (E)
Hexagon socket head cap screws - Product grade A
IS0 898-1 1 1988, Mechanicalproperties of fasteners - Part I:
1 Scope
Bolts, screws and studs.
This International Standard specifies the characteristics of
IS0 965-2 : 1980, IS0 general purpose metric screw threads -
hexagon socket head cap screws with metric dimensions and
Tolerances - Part 2: Limits of sizes for general purpose bolt
nominal thread diameters, d, from 1,6 mm up to and including
and nut threads - Medium quality.
36 mm, of product grade A.
IS0 3269 ; 1984, Fasteners - Acceptance inspection.
If, in special cases, specifications other than those listed in this
International Standard are required, they shall be selected from
IS0 3506 : 1979, Corrosion-resistant stainless steel fasteners -
existing International Standards, for example IS0 261,
Specifications.
IS0 888, IS0 898-1, IS0 965-2, IS0 3506 and IS0 4759-1.
IS0 4042 : 1989, Threaded components - Electroplated
a
coatings.
2 Normative references
IS0 4753 : 1983, Fasteners - Ends of parts with externalmetric
The following standards contain provisions which, through
IS0 thread.
reference in this text, constitute provisions of this International
Standard. At the time of publication, the editions indicated
IS0 4759-1 : 1978, Tolerances for fasteners - Part I: Bolts,
were valid. All standards are subject to revision, and parties to
screws and nuts with thread diameters between 1,6 linclusive)
agreements based on this International Standard are encour-
and 150 mrn (inclusive) and product grades A, B and C.
aged to investigate the possibility of applying the most recent
editions of the standards listed below. Members of IEC and IS0
IS0 6157-1 : 1988, Fasteners - Surface discontinuities -
maintain registers of currently valid International Standards.
Part I: Bolts, screws and studs for general requirements.
IS0 225 : 1983, Fasteners - Bolts, screws and nuts - Sym-
IS0 6157-3 : 1988, Fasteners - Surface discontinuities -
bols and designations of dimensions.
Part 3: Bolts, screws and studs for special requirements.
IS0 261 : 1973, IS0 general purpose metric screw threads -
IS0 8839 : 1986, Mechanical properties of fasteners - Bolts,
General plan.
screws, studs and nuts made of non-ferrous metals.
IS0 888 : 1976, Bolts, screw andstuds - Nominallengths, and IS0 8992 : 1986, Fasteners - General requirements for bolts,
thread lengths for general purpose bolts and screws. screws and nuts.
1
---------------------- Page: 3 ----------------------
IS0 4762 : 1989 (E)
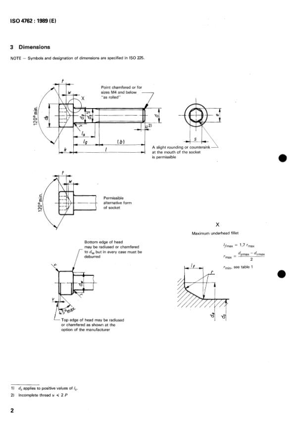
3 Dimensions
NOTE - Symbols and des
...
SLOVENSKI STANDARD
SIST ISO 4762:1996
01-april-1996
Vijaki z valjasto glavo in notranjim šestkotnikom - Razred izdelave A
Hexagon socket head cap screws -- Product grade A
Vis à tête cylindrique à six pans creux -- Grade A
Ta slovenski standard je istoveten z: ISO 4762:1989
ICS:
21.060.10 Sorniki, vijaki, stebelni vijaki Bolts, screws, studs
SIST ISO 4762:1996 en
2003-01.Slovenski inštitut za standardizacijo. Razmnoževanje celote ali delov tega standarda ni dovoljeno.
---------------------- Page: 1 ----------------------
SIST ISO 4762:1996
---------------------- Page: 2 ----------------------
SIST ISO 4762:1996
IS0
I N TE R NAT I O N AL
4762
STANDARD
Second edition
1989-05-01
Hexagon socket head cap screws - Product
grade A
Vis à tête cylindrique à six pans creux - Grade A
1
Reference number
IS0 4762 : 1989 (E)
---------------------- Page: 3 ----------------------
SIST ISO 4762:1996
IS0 4762 : 1989 (E)
Foreword
IS0 (the International Organization for Standardization) is a worldwide federation of
national standards bodies (IS0 member bodies). The work of preparing International
Standards is normally carried out through IS0 technical committees. Each member
body interested in a subject for which a technical committee has been established has
the right to be represented on that committee. International organizations, govern-
mental and non-governmental, in liaison with ISO, also take part in the work. IS0
collaborates closely with the International Electrotechnical Commission (IEC) on all
matters of electrotechnical standardization.
Draft International Standards adopted by the technical committees are circulated to
the member bodies for approval before their acceptance as International Standards by
the IS0 Council. They are approved in accordance with IS0 procedures requiring at
least 75 % approval by the member bodies voting.
International Standard IS0 4762 was prepared by Technical Committee ISO/TC 2,
Fasteners.
This second edition cancels and replaces the first edition (IS0 4762 : 19771, of which it
constitutes a technical revision.
O IS0 1989
All rights reserved. No part of this publication may be reproduced or utilized in any form or by any
means, electronic or mechanical, including photocopying and microfilm, without permission in
writing from the publisher.
International Organization for Standardization
Case postale 56 CH-121 1 Geneve 20 O Switzerland
Printed in Switzerland
---------------------- Page: 4 ----------------------
SIST ISO 4762:1996
INTERNATIONAL STANDARD IS0 4762 : 1989 (E)
Hexagon socket head cap screws - Product grade A
IS0 898-1 1 1988, Mechanicalproperties of fasteners - Part I:
1 Scope
Bolts, screws and studs.
This International Standard specifies the characteristics of
IS0 965-2 : 1980, IS0 general purpose metric screw threads -
hexagon socket head cap screws with metric dimensions and
Tolerances - Part 2: Limits of sizes for general purpose bolt
nominal thread diameters, d, from 1,6 mm up to and including
and nut threads - Medium quality.
36 mm, of product grade A.
IS0 3269 ; 1984, Fasteners - Acceptance inspection.
If, in special cases, specifications other than those listed in this
International Standard are required, they shall be selected from
IS0 3506 : 1979, Corrosion-resistant stainless steel fasteners -
existing International Standards, for example IS0 261,
Specifications.
IS0 888, IS0 898-1, IS0 965-2, IS0 3506 and IS0 4759-1.
IS0 4042 : 1989, Threaded components - Electroplated
a
coatings.
2 Normative references
IS0 4753 : 1983, Fasteners - Ends of parts with externalmetric
The following standards contain provisions which, through
IS0 thread.
reference in this text, constitute provisions of this International
Standard. At the time of publication, the editions indicated
IS0 4759-1 : 1978, Tolerances for fasteners - Part I: Bolts,
were valid. All standards are subject to revision, and parties to
screws and nuts with thread diameters between 1,6 linclusive)
agreements based on this International Standard are encour-
and 150 mrn (inclusive) and product grades A, B and C.
aged to investigate the possibility of applying the most recent
editions of the standards listed below. Members of IEC and IS0
IS0 6157-1 : 1988, Fasteners - Surface discontinuities -
maintain registers of currently valid International Standards.
Part I: Bolts, screws and studs for general requirements.
IS0 225 : 1983, Fasteners - Bolts, screws and nuts - Sym-
IS0 6157-3 : 1988, Fasteners - Surface discontinuities -
bols and designations of dimensions.
Part 3: Bolts, screws and studs for special requirements.
IS0 261 : 1973, IS0 general purpose metric screw threads -
IS0 8839 : 1986, Mechanical
...
3,
NO IS0
I NTER NAT1 ON ALE 4762
Deuxième édition
1989-05-01
Vis à tête cylindrique à six pans creux -
Grade A
Hexagon socket head cap screws - Product grade A
---------------------- Page: 1 ----------------------
IS0 4762 : 1989
Avant-propos
L'ISO (organisation internationale de normalisation) est une fédération mondiale
d'organismes nationaux de normalisation (comités membres de I'ISO). L'élaboration
des Normes internationales est en général confiée aux comités techniques de I'ISO.
Chaque comité membre intéressé par une étude a le droit de faire partie du comité
technique créé à cet effet. Les organisations internationales, gouvernementales et non
gouvernementales, en liaison avec I'ISO participent également aux travaux. L'ISO col-
labore étroitement avec la Commission électrotechnique internationale (CEI) en ce qui
concerne la normalisation électrotechnique.
Les projets de Normes internationales adoptés par les comités techniques sont soumis
aux comités membres pour approbation, avant leur acceptation comme Normes inter-
nationales par le Conseil de I'ISO. Les Normes internationales sont approuvées confor-
mément aux procédures de 1'1S0 qui requièrent l'approbation de 75 % au moins des
comités membres votants.
La Norme internationale IS0 4762 a été élaborée par le comité technique ISO/TC 2,
Elérnents de fixation.
Cette deuxième édition annule et remplace la première édition (IS0 4762 : 1977), dont
elle constitue une révision technique.
O IS0 1989
Droits de reproduction réservés. Aucune partie de cette publication ne peut être reproduite ni
utilisée sous quelque forme que ce soit et par aucun procédé, électronique ou mécanique,
y compris la photocopie et les microfilms, sans l'accord écrit de l'éditeur.
Organisation internationale de normalisation
Case postale 56 0 CH-1211 Genève 20 0 Suisse
Imprimé en Suisse
---------------------- Page: 2 ----------------------
NORME INTERNATIONALE IS0 4762 : 1989 (FI
Vis à tête cylindrique à six pans creux - Grade A
1 Domaine d'application IS0 898-1 : 1988, Caractéristiques mécaniques des éléments de
fixation - Partie I: Boulons, vis et goujons.
La présente Norme internationale prescrit les caractéristiques
des vis à tête cylindrique à six pans creux, de dimensions métri- IS0 965-2 : 1980, Filetages métriques IS0 pour usages géné-
raux - Tolérances - Partie 2: Dimensions limites pour la bou-
ques, de diamètre nominal de filetage, d, de 1,6 mm à 36 mm
lonnerie d'usage courant - Qualité moyenne.
inclus et de grade A.
Si, dans des cas particuliers, des spécifications autres que
IS0 3269 : 1984, Éléments de fixation - Contrôle de réception.
celles figurant dans la présente Norme internationale sont
requises, il est recommandé de les prendre dans les Normes
IS0 3506 : 1979, Éléments de fixation en acier inoxydable résis-
internationales existantes, par exemple IS0 261, IS0 888,
tant à la corrosion - Spécifications.
IS0 898-1, IS0 965-2, IS0 3506 et IS0 4759-1.
IS0 4042 : 1989, Composants filetés - Revêtements électro-
lytiques.
2 Références normatives
IS0 4753 : 1983, Éléments de fixation - Extrémités des élé-
Les normes suivantes contiennent des dispositions qui, par
ments à filetage extérieur métrique ISO.
suite de la référence qui en est faite, constituent des disposi-
tions valables pour la présente Norme internationale. Au
IS0 4759-1 : 1978, Tolérances pour éléments de fixation -
moment de la publication de cette norme, les éditions indiquées
Partie I: Boulons, vis et écrous de diamètre de filetage > 1,6 et
étaient en vigueur. Toute norme est sujette à révision et les par-
< 150 mm et de niveaux de finition A, B et C.
ties prenantes des accords fondés sur cette Norme internatio-
nale sont invitées à rechercher la possibilité d'appliquer les édi-
IS0 6157-1 : 1988, Éléments de fixation - Défauts de surface
tions les plus récentes des normes indiquées ci-après. Les
- Partie 1 : Boulons, vis et goujons d'usage général.
membres de la CE1 et de 1'1S0 possèdent le registre des Normes
internationales en vigueur à un moment donné.
IS0 6157-3 : 1988, Éléments de fixation - Défauts de surface
- Partie 3: Boulons, vis et goujons pour applications particu-
IS0 225 : 1983, Éléments de fixation - Boulons, vis, goujons et
lières.
écrous - Symboles et désignations des dimensions.
IS0 8839 : 1986, Caractéristiques mécaniques des éléments de
IS0 261 : 1973, Filetages métriques IS0 pour usages géné-
fixation - Boulons, vis, goujons et écrous en métaux non fer-
raux - Vue d'ensemble.
reux.
IS0 888 : 1976, Boulons, vis et goujons - Longueurs de tige
nominales, et longueurs filetées des boulons d'application IS0 8992 : 1986, Éléments de fixation - Prescriptions généra-
générale. les relatives aux boulons, vis, goujons et écrous.
1
---------------------- Page: 3 ----------------------
IS0 4762 : 1989 (FI
3 Dimensions
NOTE - Les symboles et désignations des dimensions sont spécifiés dans I'ISO 225.
Bout chanfreiné ou, pour
les filetages roulés M4 et
X inférieurs, bout plat 7
O
N
2( c
Léger ari ,ondi ou chanfrein _1
à l'entrée du six pans creux
admis
Autre forme
de six pans creux
admise
X
Raccordement SOUS tête maximal
L'arête inférieure de la tête
peut être arron
...






Questions, Comments and Discussion
Ask us and Technical Secretary will try to provide an answer. You can facilitate discussion about the standard in here.