ISO 8977:1987
(Main)Tools for pressing — Round matrixes
Tools for pressing — Round matrixes
Lays down the basic dimensions and tolerances in millimetres for round matrixes in the outside diameter range of 5 to 50 mm. Gives example of materials and ahrdness, and specifies a designation of matrixes. The main use of matrixes defined in ISO 8977 is for punching holes in steel sheet of other materials.
Outillage de presse — Matrices rondes
General Information
- Status
- Withdrawn
- Publication Date
- 07-Oct-1987
- Withdrawal Date
- 07-Oct-1987
- Technical Committee
- ISO/TC 29/SC 8 - Tools for pressing and moulding
- Drafting Committee
- ISO/TC 29/SC 8 - Tools for pressing and moulding
- Current Stage
- 9599 - Withdrawal of International Standard
- Start Date
- 08-Jan-2003
- Completion Date
- 12-Feb-2026
Relations
- Effective Date
- 15-Apr-2008
ISO 8977:1987 - Tools for pressing -- Round matrixes
ISO 8977:1987 - Outillage de presse -- Matrices rondes
ISO 8977:1987 - Outillage de presse -- Matrices rondes
Get Certified
Connect with accredited certification bodies for this standard
National Aerospace and Defense Contractors Accreditation Program (NADCAP)
Global cooperative program for special process quality in aerospace.
CARES (UK Certification Authority for Reinforcing Steels)
UK certification for reinforcing steels and construction.
DVS-ZERT GmbH
German welding certification society.
Sponsored listings
Frequently Asked Questions
ISO 8977:1987 is a standard published by the International Organization for Standardization (ISO). Its full title is "Tools for pressing — Round matrixes". This standard covers: Lays down the basic dimensions and tolerances in millimetres for round matrixes in the outside diameter range of 5 to 50 mm. Gives example of materials and ahrdness, and specifies a designation of matrixes. The main use of matrixes defined in ISO 8977 is for punching holes in steel sheet of other materials.
Lays down the basic dimensions and tolerances in millimetres for round matrixes in the outside diameter range of 5 to 50 mm. Gives example of materials and ahrdness, and specifies a designation of matrixes. The main use of matrixes defined in ISO 8977 is for punching holes in steel sheet of other materials.
ISO 8977:1987 is classified under the following ICS (International Classification for Standards) categories: 25.120.10 - Forging equipment. Presses. Shears. The ICS classification helps identify the subject area and facilitates finding related standards.
ISO 8977:1987 has the following relationships with other standards: It is inter standard links to ISO 8977:2003. Understanding these relationships helps ensure you are using the most current and applicable version of the standard.
ISO 8977:1987 is available in PDF format for immediate download after purchase. The document can be added to your cart and obtained through the secure checkout process. Digital delivery ensures instant access to the complete standard document.
Standards Content (Sample)
IS0
INTERNATIONAL STANDARD
First edition
1987-l l-01
INTERNATIONAL ORGANIZATION FOR STANDARDIZATION
ORGANISATION INTERNATIONALE DE NORMALISATION
MEXAYHAPOAHAfl OPrAHM3AL/MR n0 CTAH~APTM3A~MM
Tools for pressing - Round matrixes
Out/l/age de presse - Matrices rondes
Reference number
Foreword
IS0 (the International Organization for Standardization) is a worldwide federation of
national standards bodies (IS0 member bodies). The work of preparing International
Standards is normally carried out through IS0 technical committees. Each member
body interested in a subject for which a technical committee has been established has
the right to be represented on that committee. International organizations, govern-
mental and non-governmental, in liaison with ISO, also take part in the work.
Draft International Standards adopted by the technical committees are circulated to
the member bodies for approval before their acceptance as International Standards by
the IS0 Council. They are approved in accordance with IS0 procedures requiring at
least 75 % approval by the member bodies voting.
International Standard IS0 8977 was prepared by Technical Committee ISO/TC 29,
Small tools.
Users should note that all International Standards undergo revision from time to time
and that any reference made herein to any other International Standard implies its
latest edition, unless othewise stated.
0 International Organization for Standardization, 1987
Printed in Switzerland
INTERNATIONAL STANDARD IS0 8977 : 1987 (E)
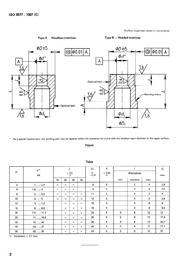
Tools for pressing - Round matrixes
% Cr: 62 + 2 HRC
a) Tool steel with 5 to 12
1 Scope and field of application
2 HRC
b) High-speed steel: 64 f:
This International Standard lays down the basic dimensions
and tolerances in millimetres for round matrixes in the outside
diameter range of 5 to 50 mm.
5 Designation
It gives examples of materials and hardness, and specifies a
Round matrixes in accordance with this International Standard
designation of matrixes which meet the requirements of this
shall be designated by
International Standard.
The main use of matrixes defined in this International Standard “Round matrix”;
a)
is for punching holes in steel sheet. They may also be u
...
ISO
NORME INTERNATIONALE
te
Première édition
1987-l 1-01
INTERNATIONAL ORGANIZATION FOR STANDARDIZATION
ORGANISATION INTERNATIONALE DE NORMALISATION
MEXflYHAPOAHAfl OPTAHM3A~MR fl0 CTAHAAPTM3A~MM
Outillage de presse - Matrices rondes
Tools for pressing - Round matrixes
Numéro de référence
~ ISO 8977 : 1987 (F)
Avant-propos
L’ISO (Organisation internationale de normalisation) est une fédération mondiale
d’organismes nationaux de normalisation (comités membres de I’ISO). L’élaboration
des Normes internationales est normalement confiée aux comités techniques de I’ISO.
Chaque comité membre intéressé par une étude a le droit de faire partie du comité
technique créé à cet effet. Les organisations internationales, gouvernementales et non
gouvernementales, en liaison avec I’ISO participent également aux travaux.
Les projets de Normes internationales adoptés par les comités techniques sont soumis
aux comités membres pour approbation, avant leur acceptation comme Normes inter-
nationales par le Conseil de I’ISO. Les Normes internationales sont approuvées confor-
mément aux procédures de I’ISO qui requièrent l’approbation de 75 % au moins des
comités membres votants.
La Norme internationale ISO 8977 a été élaborée par le comité technique ISO/TC 29,
Petit outillage.
L’attention des utilisateurs est attirée sur le fait que toutes les Normes internationales
sont de temps en temps soumises à révision et que toute référence faite à une autre
Norme internationale dans le présent document implique qu’il s’agit, sauf indication
contraire, de la dernière édition.
0 Organisation internationale de normalisation, 1987
Imprimé en Suisse
NORME INTERNATIONALE
ISO 8977 : 1987 (FI
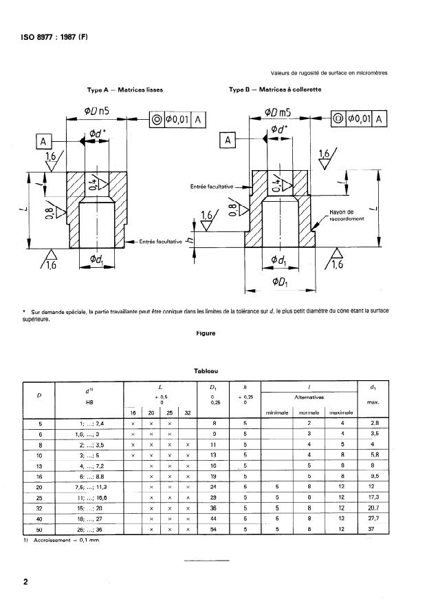
Outillage de presse - Matrices rondes
a) Aciers à outil avec 5 à 12 % Cr: 62 k 2 HRC
1 Objet et domaine d’application
La présente Norme internationale fixe les dimensions de base et
b) Aciers rapides : 64 + 2 HRC
les tolérances, en millimètres, des matrices rondes dans la
gamme de diamètres extérieurs 5 à 50 mm.
5 Désignation
Elle donne à titre d’exemple des indications relatives aux maté-
riaux et à la dureté et spécifie une désignation des matrices con-
Une matrice ronde conforme à la présente Norme internationale
formes à la présente Norme internationale.
doit être désignée par
La principale u
...
ISO
NORME INTERNATIONALE
te
Première édition
1987-l 1-01
INTERNATIONAL ORGANIZATION FOR STANDARDIZATION
ORGANISATION INTERNATIONALE DE NORMALISATION
MEXflYHAPOAHAfl OPTAHM3A~MR fl0 CTAHAAPTM3A~MM
Outillage de presse - Matrices rondes
Tools for pressing - Round matrixes
Numéro de référence
~ ISO 8977 : 1987 (F)
Avant-propos
L’ISO (Organisation internationale de normalisation) est une fédération mondiale
d’organismes nationaux de normalisation (comités membres de I’ISO). L’élaboration
des Normes internationales est normalement confiée aux comités techniques de I’ISO.
Chaque comité membre intéressé par une étude a le droit de faire partie du comité
technique créé à cet effet. Les organisations internationales, gouvernementales et non
gouvernementales, en liaison avec I’ISO participent également aux travaux.
Les projets de Normes internationales adoptés par les comités techniques sont soumis
aux comités membres pour approbation, avant leur acceptation comme Normes inter-
nationales par le Conseil de I’ISO. Les Normes internationales sont approuvées confor-
mément aux procédures de I’ISO qui requièrent l’approbation de 75 % au moins des
comités membres votants.
La Norme internationale ISO 8977 a été élaborée par le comité technique ISO/TC 29,
Petit outillage.
L’attention des utilisateurs est attirée sur le fait que toutes les Normes internationales
sont de temps en temps soumises à révision et que toute référence faite à une autre
Norme internationale dans le présent document implique qu’il s’agit, sauf indication
contraire, de la dernière édition.
0 Organisation internationale de normalisation, 1987
Imprimé en Suisse
NORME INTERNATIONALE
ISO 8977 : 1987 (FI
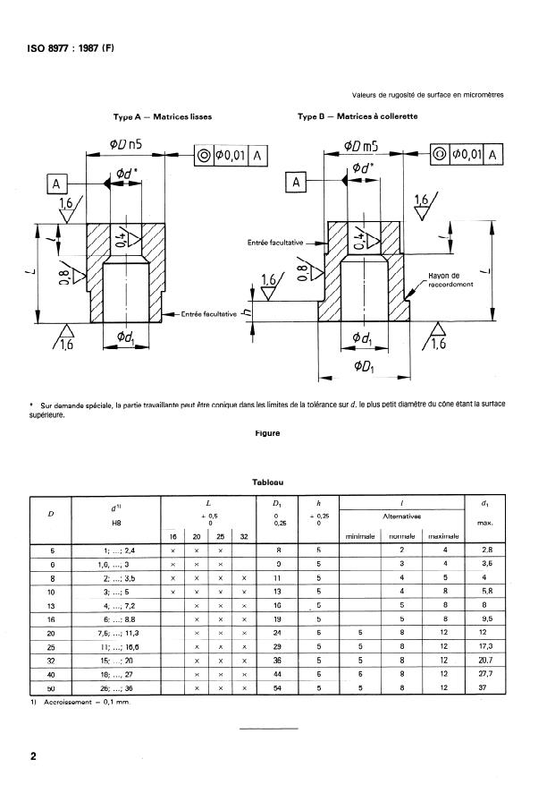
Outillage de presse - Matrices rondes
a) Aciers à outil avec 5 à 12 % Cr: 62 k 2 HRC
1 Objet et domaine d’application
La présente Norme internationale fixe les dimensions de base et
b) Aciers rapides : 64 + 2 HRC
les tolérances, en millimètres, des matrices rondes dans la
gamme de diamètres extérieurs 5 à 50 mm.
5 Désignation
Elle donne à titre d’exemple des indications relatives aux maté-
riaux et à la dureté et spécifie une désignation des matrices con-
Une matrice ronde conforme à la présente Norme internationale
formes à la présente Norme internationale.
doit être désignée par
La principale u
...












Questions, Comments and Discussion
Ask us and Technical Secretary will try to provide an answer. You can facilitate discussion about the standard in here.
Loading comments...