ISO 9102:1990
(Main)Road vehicles — Compression-ignition engines — Screw-in injection nozzle holders, types 24, 25 and 26
Road vehicles — Compression-ignition engines — Screw-in injection nozzle holders, types 24, 25 and 26
Véhicules routiers — Moteurs à combustion interne à allumage par compression — Porte-injecteurs vissés, types 24, 25 et 26
General Information
- Status
- Withdrawn
- Publication Date
- 04-Jul-1990
- Withdrawal Date
- 04-Jul-1990
- Technical Committee
- ISO/TC 22 - Road vehicles
- Drafting Committee
- ISO/TC 22 - Road vehicles
- Current Stage
- 9599 - Withdrawal of International Standard
- Start Date
- 19-Dec-1997
- Completion Date
- 12-Feb-2026
Relations
- Revised
ISO 9102:1997 - Diesel engines — Screw-in injection nozzle holders, types 24, 25, 26 and 26.1 - Effective Date
- 15-Apr-2008
ISO 9102:1990 - Road vehicles -- Compression-ignition engines -- Screw-in injection nozzle holders, types 24, 25 and 26
ISO 9102:1990 - Road vehicles — Compression-ignition engines — Screw-in injection nozzle holders, types 24, 25 and 26 Released:7/5/1990
Get Certified
Connect with accredited certification bodies for this standard

TÜV Rheinland
TÜV Rheinland is a leading international provider of technical services.

TÜV SÜD
TÜV SÜD is a trusted partner of choice for safety, security and sustainability solutions.
AIAG (Automotive Industry Action Group)
American automotive industry standards and training.
Sponsored listings
Frequently Asked Questions
ISO 9102:1990 is a standard published by the International Organization for Standardization (ISO). Its full title is "Road vehicles — Compression-ignition engines — Screw-in injection nozzle holders, types 24, 25 and 26". This standard covers: Road vehicles — Compression-ignition engines — Screw-in injection nozzle holders, types 24, 25 and 26
Road vehicles — Compression-ignition engines — Screw-in injection nozzle holders, types 24, 25 and 26
ISO 9102:1990 is classified under the following ICS (International Classification for Standards) categories: 43.060.40 - Fuel systems. The ICS classification helps identify the subject area and facilitates finding related standards.
ISO 9102:1990 has the following relationships with other standards: It is inter standard links to ISO 9102:1997. Understanding these relationships helps ensure you are using the most current and applicable version of the standard.
ISO 9102:1990 is available in PDF format for immediate download after purchase. The document can be added to your cart and obtained through the secure checkout process. Digital delivery ensures instant access to the complete standard document.
Standards Content (Sample)
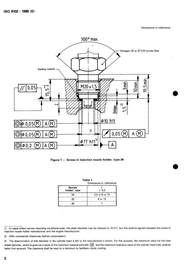
L
First edition
1990-07- 15
Road ve h icles - Co m p ressi on-ig n i ti on engines
- Screw-in injection nozzle holders, types 24, 25
and 26
Véhicules routiers - Moteurs à combustion interne à allumage par compression -
Porte-injecteurs vissés, types 24, 25 et 26
Reference number
IS0 9102 : 1990 (E)
IS0 9102 : 1990 (E)
Foreword
IS0 (the International Organization for Standardization) is a worldwide federation of
national standards bodies (IS0 member bodies]. The work of preparing International
Standards is normally carried out through IS0 technical committees. Each member
body interested in a subject for which a technical committee has been established has
the right to be represented on that committee. International organizations, govern-
mental and non-governmental, in liaison with ISO, also take part in the work. IS0
collaborates closely with the International Electrotechnical Commission (IEC) on all
matters of electrotechnical standardization.
Draft International Standards adopted by the technical committees are circulated to
Publication as an International Standard requires
the member bodies for voting.
approval by at least 75 % of the member bodies casting a vote.
International Standard IS0 9102 was prepared by Technical Committee ISO/TC 22,
Road vehicles.
O IS0 1990
All rights reserved. No part of this publication may be reproduced or utilized in any form or by any
means, electronic or mechanical, including photocopying and microfilm, without permission in
writing from the publisher.
International Organization for Standardization
Case postale 56 0 CH-I21 1 Genève 20 0 Switzerland
Printed in Switzerland
IS0 9102 : 1990 (El
INTERNATlONAL STANDARD
Road vehicles - Compression-ignition engines -
Screw-in injection nozzle hoiders, types 248 25 and 26
2.2 Nozzle holders without heat shield
1 Scope
This International Standard specifies dimensional requirements
2.2.1 Nozzle holder, type 25
for the mounting of injection nozzle holders in compression-
ignition (diesel) engines.
Injection nozzle holders of type 25 without heat shield shall
The location of the fuel inlet and leak-off connections are not
meet the requirements shown in figure 2 and table 1.
defined since they vary according to the particular application.
This International Standard applies to screw-in injection nozzle
2.2.2 Nozzle holder, type 26
holders of types 24, 25 and 26.
Injection nozzle holders of type 26 without heat shield shall
a
meet the requirements shown in figure 3 and table 1.
2 Dimensions and tolerances
2.1 Nozzle holder with integral heat shield,
3 Other specifications
type 24
Injection nozzle holders of type 24 with integral heat shield shall Dimensions and requirements not given in this International
meet the requirements shown in figure 1 and table 1. Standard are left to the discretion of the manufacturer.
------------------
...
NORME
IS0
I N T E R NAT I O NA LE
Première édition
1 990-07- 15
Véhicules routiers - Moteurs à combustion
interne à allumage par compression - Porte-
injecteurs vissés, types 24, 25 et 26
Road vehicles - Compression-ignition engines - Screw-in injection nozzle holders,
types 24, 25 and 26
Numéro de référence
IS0 9102 : 1990 (FI
Avant- propos
L’ISO (Organisation internationale de normalisation) est une fédération mondiale
d’organismes nationaux de normalisation (comités membres de I‘ISO). L‘élaboration
des Normes internationales est en général confiée aux comités techniques de I‘ISO.
Chaque comité membre intéressé par une étude a le droit de faire partie du comité
technique créé à cet effet. Les organisations internationales, gouvernementales et non
gouvernementales, en liaison avec I’ISO participent également aux travaux. L’ISO col-
labore étroitement avec la Commission électrotechnique internationale (CEI) en ce qui
concerne la normalisation électrotechnique.
Les projets de Normes internationales adoptés par les comités techniques sont soumis
aux comités membres pour vote. Leur publication comme Normes internationales
requiert l’approbation de 75 % au moins des comités membres votants.
La Norme internationale IS0 9102 a été élaborée par le comité technique ISO/TC 22,
Véhicules routiers.
O IS0 1990
Droits de reproduction réservés. Aucune partie de cette publication ne peut être reproduite ni
utilisée SOUS quelque forme que ce soit et par aucun procédé, électronique ou mécanique,
y compris la photocopie et les microfilms, sans l’accord écrit de l’éditeur.
Organisation internationale de normalisation
Case postale 56 O CH-1211 Genève 20 O Suisse
Imprimé en Suisse
IS0 9102 : 1990 (FI
NORME INTERNATIONALE
Véhicules routiers - Moteurs à combustion interne à
Porte-injecteurs vissés,
allumage par compression -
types 24, 25 et 26
1 Domaine d'application 2.2 Porte-injecteurs sans écran thermique
La présente Norme internationale prescrit les caractéristiques
dimensionnelles nécessaires au montage de porte-injecteurs 2.2.1 Porte-injecteur vissé, type 25
dans les moteurs à combustion interne à allumage par com-
pression (moteurs diesel).
Les dimensions et tolérances du porte-injecteur sans écran
thermique, type 25, sont données à la figure 2 et dans le
L'emplacement des tubulures d'arrivée et de retour de combus-
tableau 1.
tible n'est pas défini, car il varie suivant le cas d'emploi.
est applicable aux porte-
La présente Norme internationale
2.2.2 Porte-injecteur vissé, type 26
injecteurs vissés des types 24, 25 et 26.
Les dimensions et tolérances du porte-injecteur sans écran
thermique, type 26, sont données à la figure 3 et dans le
2 Dimensions et tolérances
tableau 1.
2.1 Porte-injecteur vissé avec écran thermique
intégral, type 24
3 Autres spécifications
Les dimensions et tolérances du porte-injecteur avec écran
Les dimensions et les exigences non prescrites dans la présente
thermique intégral, type 24, sont données à la figure 1 et dans
le tableau 1. Norme internationale sont
...








Questions, Comments and Discussion
Ask us and Technical Secretary will try to provide an answer. You can facilitate discussion about the standard in here.
Loading comments...