ISO 7707:1986
(Main)Commercial road vehicles — Connections for rear-mounted power take-offs (PTO)
Commercial road vehicles — Connections for rear-mounted power take-offs (PTO)
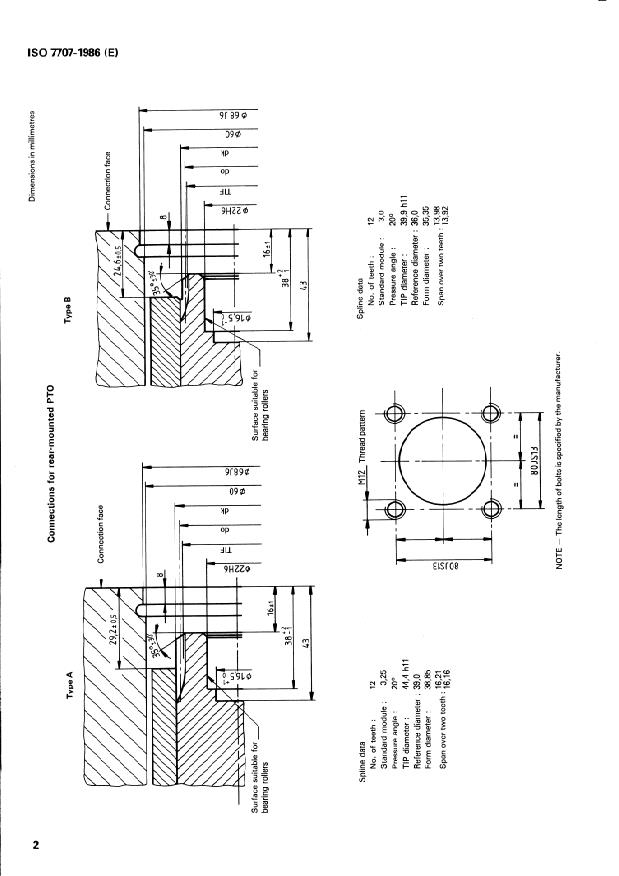
Specifies the essential dimensions of connections for rear-mounted power take-offs (type A, B and E). These specifications are applicable to all installations of power take-offs at the back of transmission gearboxes. Some figures illustrate shapes and reference quantities of concern.
Véhicules routiers utilitaires — Connexions pour prises de puissance arrière
General Information
- Status
- Published
- Publication Date
- 15-Oct-1986
- Current Stage
- 9020 - International Standard under periodical review
- Start Date
- 15-Jan-2026
- Completion Date
- 15-Jan-2026
Overview
ISO 7707:1986 - Commercial road vehicles - Connections for rear-mounted power take-offs (PTO) - specifies the essential dimensional characteristics and basic designation of rear-mounted power take-off (PTO) connections for commercial vehicles. The standard defines three connection types (Type A, Type B and Type E) and applies to all installations of PTOs mounted at the rear of transmission gearboxes. Figures in the standard illustrate shapes and reference quantities; dimensions are given in millimetres.
Key topics and requirements
- Scope and types: The standard covers three PTO connection types (A, B, E). Type A is recommended where the vehicle transmission design permits; Type E is permitted for staged (étagées) PTOs.
- Essential dimensions: ISO 7707 specifies the critical mounting and interface dimensions for rear-mounted PTOs to ensure interchangeability and correct mechanical fit. Illustrative drawings provide reference measures and mounting layouts.
- Fastening and hole patterns: Example data in the standard include tapped-hole patterns for certain types - for example, Type E shows an 8-hole tapped pattern (M10 x 1.5) with the option to omit two adjacent holes to allow space for a speedometer drive.
- Spline/interface data: Spline geometry and profile parameters are specified or illustrated (for example, a normalized module of 3.0 and a pressure angle of 20° are referenced for spline details). The standard indicates that detailed spline dimensions (number of teeth, head/primitive/form diameters and depths) are provided in the drawings.
- Designation: The document gives an example designation format (e.g. “Connexion pour prise de puissance arrière ISO 7707-A”) for identifying connection types in technical documentation.
Applications and who uses it
ISO 7707 is primarily used by:
- Vehicle OEMs and drivetrain designers - to ensure PTO mounting compatibility with transmission gearboxes.
- PTO and accessory manufacturers - to design standardised flanges, splines and bolt patterns for rear-mounted PTO units.
- Fleet engineers and upfitters - when specifying or retrofitting PTO-driven equipment (pumps, compressors, winches).
- Aftermarket suppliers and maintenance teams - for selecting replacement PTO interfaces and ensuring correct installation.
- Regulators and standards committees - for harmonising technical requirements across vehicles and markets.
Benefits include improved interchangeability, reduced engineering rework, safer installations and easier aftermarket support.
Related standards
- ISO 7706 - Vehicles - Commercial vehicles - Mounting clearance volumes for power take-offs (referenced by ISO 7707 for installation space requirements).
Keywords: ISO 7707, PTO, power take-off, rear-mounted PTO, commercial road vehicles, transmission gearbox, PTO connections, ISO 7706.
ISO 7707:1986 - Commercial road vehicles -- Connections for rear-mounted power take-offs (PTO)
ISO 7707:1986 - Véhicules routiers utilitaires -- Connexions pour prises de puissance arriere
ISO 7707:1986 - Véhicules routiers utilitaires -- Connexions pour prises de puissance arriere
Get Certified
Connect with accredited certification bodies for this standard

TÜV Rheinland
TÜV Rheinland is a leading international provider of technical services.

TÜV SÜD
TÜV SÜD is a trusted partner of choice for safety, security and sustainability solutions.
AIAG (Automotive Industry Action Group)
American automotive industry standards and training.
Sponsored listings
Frequently Asked Questions
ISO 7707:1986 is a standard published by the International Organization for Standardization (ISO). Its full title is "Commercial road vehicles — Connections for rear-mounted power take-offs (PTO)". This standard covers: Specifies the essential dimensions of connections for rear-mounted power take-offs (type A, B and E). These specifications are applicable to all installations of power take-offs at the back of transmission gearboxes. Some figures illustrate shapes and reference quantities of concern.
Specifies the essential dimensions of connections for rear-mounted power take-offs (type A, B and E). These specifications are applicable to all installations of power take-offs at the back of transmission gearboxes. Some figures illustrate shapes and reference quantities of concern.
ISO 7707:1986 is classified under the following ICS (International Classification for Standards) categories: 43.040.50 - Transmissions, suspensions. The ICS classification helps identify the subject area and facilitates finding related standards.
ISO 7707:1986 is available in PDF format for immediate download after purchase. The document can be added to your cart and obtained through the secure checkout process. Digital delivery ensures instant access to the complete standard document.
Standards Content (Sample)
International Standard
INTERNATIONAL ORGANIZATION FOR STANDARDIZATlON.MEIK~YHAPO&HAR OPrAHM3ALWlR fl0 CTAHCIAPTM3ALlMM~ORGANlSATlON INTERNATIONALE DE NORMALISATION
Commercial road vehicles - Connections for rear-
mounted power take-offs (PTO)
Whicules routiers utilitaires - Connexions pour prises de puissance arri&re
First edition - 1986-10-15
Ref. No. IS0 7707-1986 (E)
UDC 629.114.4-494
iz
-
f Descriptors : road vehicles, commercial road vehicles, power takeoff, classification, dimensions, designation.
R
Price based on 3 pages
v)
Foreword
IS0 (the International Organization for Standardization) is a worldwide federation of
national standards bodies (IS0 member bodies). The work of preparing International
Standards is normally carried out through IS0 technical committees. Each member
body interested in a subject for which a technical committee has been established has
the right to be represented on that committee. International organizations, govern-
mental and non-governmental, in liaison with ISO, also take part in the work.
Draft International Standards adopted by the technical committees are circulated to
the member bodies for approval before their acceptance as International Standards by
the IS0 Council. They are approved in accordance with IS0 procedures requiring at
least 75 % approval by the member bodies voting.
International Standard IS0 7707 was prepared by Technical Committee ISO/TC 22,
Road vehicles.
Users should note that all International Standards undergo revision from time to time
and that any reference made herein to any other International Standard implies its
latest edition, unless otherwise stated.
t
International Organization for Standardization, 1986
Printed in Switzerland
INTERNATIONAL STANDARD
IS0 77074986 (E)
Commercial road vehicles - Connections for rear-
mounted power take-offs (PTO)
1 Scope and field of application - Type A
This International Standard specifies the essential dimensions
- Type B
of connections for rear-m
...
Norme internationale
INTERNATIONAL ORGANIZATION FOR STANDARDIZATION.MEXJJYHAPO~HAR OPl-AHM3Al&lR Il0 CTAHflAPTH3AWlti@ORGANISATION INTERNATIONALE DE NORMALISATION
- Connexions pour prises de
Véhicules routiers utilitaires
puissance arrière
Connections for rear-mounted power take-offs (PTOI
Commercial road vehicles -
Premike Odition - 198&10-15
CDU 629.114.4-494 Réf. no : ISO 7707-1986 (F)
Descripteurs : véhicule routier, véhicule routier utilitaire, prise de mouvement, classification, dimension, désignation.
Prix basé sur 3 pages
Avant-propos
L’ISO (Organisation internationale de normalisation) est une fédération mondiale
d’organismes nationaux de normalisation (comités membres de I’ISO). L’élaboration
des Normes internationales est confiée aux comités techniques de I’ISO. Chaque
comité membre intéressé par une étude a le droit de faire partie du comité technique
créé à cet effet. Les organisations internationales, gouvernementales et non gouverne-
mentales, en liaison avec I’ISO participent également aux travaux.
Les projets de Normes internationales adoptés par les comités techniques sont soumis
aux comités membres pour approbation, avant leur acceptation comme Normes inter-
nationales par le Conseil de I’ISO. Les Normes internationales sont approuvées confor-
mément aux procédures de I’ISO qui requièrent l’approbation de 75 % au moins des
comités membres votants.
La Norme internationale ISO 7707 a été élaborée par le comité technique ISO/TC 22,
Véhicules routiers.
L’attention des utilisateurs est attirée sur le fait que toutes les Normes internationales
sont de temps en temps soumises à révision et que toute référence faite à une autre
Norme internationale dans le présent document implique qu’il s’agit, sauf indication
contraire, de la dernière édition.
0 Organisation internationale de normalisation, 1986
Imprimé en Suisse
~~
\
NORME INTERNA
...
Norme internationale
INTERNATIONAL ORGANIZATION FOR STANDARDIZATION.MEXJJYHAPO~HAR OPl-AHM3Al&lR Il0 CTAHflAPTH3AWlti@ORGANISATION INTERNATIONALE DE NORMALISATION
- Connexions pour prises de
Véhicules routiers utilitaires
puissance arrière
Connections for rear-mounted power take-offs (PTOI
Commercial road vehicles -
Premike Odition - 198&10-15
CDU 629.114.4-494 Réf. no : ISO 7707-1986 (F)
Descripteurs : véhicule routier, véhicule routier utilitaire, prise de mouvement, classification, dimension, désignation.
Prix basé sur 3 pages
Avant-propos
L’ISO (Organisation internationale de normalisation) est une fédération mondiale
d’organismes nationaux de normalisation (comités membres de I’ISO). L’élaboration
des Normes internationales est confiée aux comités techniques de I’ISO. Chaque
comité membre intéressé par une étude a le droit de faire partie du comité technique
créé à cet effet. Les organisations internationales, gouvernementales et non gouverne-
mentales, en liaison avec I’ISO participent également aux travaux.
Les projets de Normes internationales adoptés par les comités techniques sont soumis
aux comités membres pour approbation, avant leur acceptation comme Normes inter-
nationales par le Conseil de I’ISO. Les Normes internationales sont approuvées confor-
mément aux procédures de I’ISO qui requièrent l’approbation de 75 % au moins des
comités membres votants.
La Norme internationale ISO 7707 a été élaborée par le comité technique ISO/TC 22,
Véhicules routiers.
L’attention des utilisateurs est attirée sur le fait que toutes les Normes internationales
sont de temps en temps soumises à révision et que toute référence faite à une autre
Norme internationale dans le présent document implique qu’il s’agit, sauf indication
contraire, de la dernière édition.
0 Organisation internationale de normalisation, 1986
Imprimé en Suisse
~~
\
NORME INTERNA
...












Questions, Comments and Discussion
Ask us and Technical Secretary will try to provide an answer. You can facilitate discussion about the standard in here.
Loading comments...