ISO 5856:1991
(Main)Aerospace — Screws, 100 degrees normal countersunk head, internal offset cruciform ribbed drive, normal shank, short or medium length MJ threads, metallic material, coated or uncoated, strength classes less than or equal to 1 100 MPa — Dimensions
Aerospace — Screws, 100 degrees normal countersunk head, internal offset cruciform ribbed drive, normal shank, short or medium length MJ threads, metallic material, coated or uncoated, strength classes less than or equal to 1 100 MPa — Dimensions
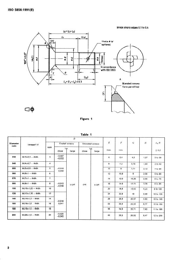
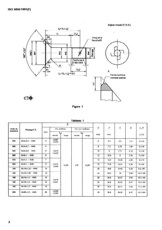
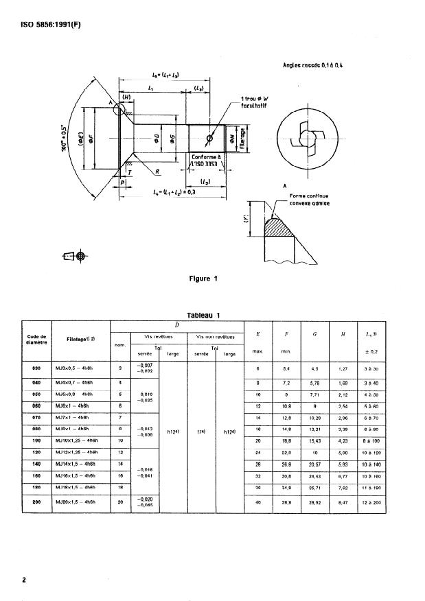
Specifies the dimensions of head screws. Figure 1 illustrates the dimensions and parameters given in table 1 which includes diameter codes from 030 up to 200.
Aéronautique et espace — Vis à tête fraisée 100 degrés normale, à empreinte cruciforme déportée avec saillies antidérapantes, avec tige normale et filetage MJ court ou de longueur moyenne, en matériau métallique, revêtues ou non revêtues, des classes de résistance inférieures ou égales à 1 100 MPa — Dimensions
General Information
- Status
- Withdrawn
- Publication Date
- 11-Dec-1991
- Withdrawal Date
- 11-Dec-1991
- Technical Committee
- ISO/TC 20/SC 4 - Aerospace fastener systems
- Drafting Committee
- ISO/TC 20/SC 4/WG 2 - Non Threaded Fasteners
- Current Stage
- 9599 - Withdrawal of International Standard
- Start Date
- 18-Aug-2008
- Completion Date
- 12-Feb-2026
Relations
- Effective Date
- 09-Feb-2026
- Effective Date
- 15-Apr-2008
ISO 5856:1991 - Aerospace -- Screws, 100 degrees normal countersunk head, internal offset cruciform ribbed drive, normal shank, short or medium length MJ threads, metallic material, coated or uncoated, strength classes less than or equal to 1 100 MPa -- Dimensions
ISO 5856:1991 - Aéronautique et espace -- Vis a tete fraisée 100 degrés normale, a empreinte cruciforme déportée avec saillies antidérapantes, avec tige normale et filetage MJ court ou de longueur moyenne, en matériau métallique, revetues ou non revetues, des classes de résistance inférieures ou égales a 1 100 MPa -- Dimensions
ISO 5856:1991 - Aéronautique et espace -- Vis a tete fraisée 100 degrés normale, a empreinte cruciforme déportée avec saillies antidérapantes, avec tige normale et filetage MJ court ou de longueur moyenne, en matériau métallique, revetues ou non revetues, des classes de résistance inférieures ou égales a 1 100 MPa -- Dimensions
Get Certified
Connect with accredited certification bodies for this standard

DEKRA North America
DEKRA certification services in North America.
Eagle Registrations Inc.
American certification body for aerospace and defense.

Element Materials Technology
Materials testing and product certification.
Sponsored listings
Frequently Asked Questions
ISO 5856:1991 is a standard published by the International Organization for Standardization (ISO). Its full title is "Aerospace — Screws, 100 degrees normal countersunk head, internal offset cruciform ribbed drive, normal shank, short or medium length MJ threads, metallic material, coated or uncoated, strength classes less than or equal to 1 100 MPa — Dimensions". This standard covers: Specifies the dimensions of head screws. Figure 1 illustrates the dimensions and parameters given in table 1 which includes diameter codes from 030 up to 200.
Specifies the dimensions of head screws. Figure 1 illustrates the dimensions and parameters given in table 1 which includes diameter codes from 030 up to 200.
ISO 5856:1991 is classified under the following ICS (International Classification for Standards) categories: 49.030.20 - Bolts, screws, studs. The ICS classification helps identify the subject area and facilitates finding related standards.
ISO 5856:1991 has the following relationships with other standards: It is inter standard links to EN 4496:2005, ISO 5856:2008. Understanding these relationships helps ensure you are using the most current and applicable version of the standard.
ISO 5856:1991 is available in PDF format for immediate download after purchase. The document can be added to your cart and obtained through the secure checkout process. Digital delivery ensures instant access to the complete standard document.
Standards Content (Sample)
INTERNATIONAL
STANDARD
First edi tion
1991-12-15
Aerospace - Screws, 100’ normal countersunk
head, internal offset cruciform ribbed drive,
normal shank, short or’ medium length MJ
threads, metallic material, coated or uncoated,
strength classes less than or equal to
- Dimensions
1100 MPa
Akonautique et espace - Ws ti tete fraiske 100° normale, fi empreinte
cruciforme deport&e avec saillies antiderapantes, avec tige normale et
filetage MJ tourt ou de longueur moyenne, en matbiau m&tallique,
revefues ou non revHues, des classes de resistance infbieures ou egales
6 1 100 MPa - Dimensions
Reference number
ISO 5856: 199 1 (E)
ISO (the International Organization for Standardization) is a worldwide
federation of national Standards bodies (ISO member bodies). The work
of preparing International Standards is normally carried out through ISO
technical committees. Esch member body interested in a subject for
which a technical committee has been established has the right to be
represented on that committee. International organizations, govern-
mental and non-governmental, in liaison with ISO, also take part in the
wo&. ISO collaborates closely with the International Electrotechnical
Commission (IEC) on all matters of electrotechnical standardization.
Draft International Standards adopted by the technical committees are
circulated to the member bodies for voting. Publication as an Inter-
national Standard requires approval by at least 75 % of the member
bodies casting a vote.
International Standard ISO 5656 was prepared by Technical Committee
ISO/TC 20, Aircraft and space vehicles, Sub-Committee SC 4, Aerospace
fastener Systems.
0 ISO 1991
All rights reserved. No part of this publication may be reproduced or utilized in any form
or by any means, electronie or mechanical, including photocopying and microfilm, without
Permission in writing from the publisher.
International Organization for Standardization
Case Postale 56 * CH-1211 Geneve 20 l Switzerland
Printed in Swftzerland
ii
INTERNATIONAL STANDARD
Aerospace - Screws, 100” normal countersunk head, internal
offset cruciform ribbed drive, normal shank, short or medium
length MJ threads, metallic material, coated or uncoated,
strength classes less than or equal to 1100 MPa -
Dimensions
ISO 286-2:1988, ISO System of Limits and fits -
1 Scope
Part 2: Tables of Standard tolerante grades and Limit
deviations for holes and shafts.
This International Standard specifies the dimensions
of 100” normal countersunk head screws with
ISO 3353:1976, Aerospace construction - Rolled
internal offset cruciform ribbed drive, close or large
threads - Runout and lead threads.
tolerante normal shank and short or medium length
MJ threads, in metallic material, coated or un-
ISO 5855-2:1988, Aerospace - MJ threads - Part 2:
coated, with strength classes less than or equal to
Limit dirnenkions for bolts and nuts.
1100 MPa.
lt is intended for the drawing up of aerospace prod-
ISO 7994:1985, Aerospace - Internal drive, offset
uct Standards.
cruciform recess (Torq-Set@) for rotary fastening de-
vices - Metric series.
2 Normative references
The following Standards contain provisions which,
through reference in this text, constitute provisions
3 Configuration and dimensions
of this International Standard. At the time of publi-
cation, the editions indicated were valid. All stan-
See figure 1 and table 1. Dime
...
NORME
INTERNATIONALE
Première édition
Aéronautique et espace - Vis à tête fraisée
100° normale, à empreinte cruciforme déportée
avec saillies antidérapantes, avec tige normale
et filetage MJ court ou de longueur moyenne,
en matériau métallique, revêtues ou non
revêtues, des classes de résistance inférieures
ou égales à 1100 MPa - Dimensions
Screws, 100” normal countersunk head, interna] offset
Aerospace -
cruciform ribbed drive, normal shank, short or medium length MJ
threads, metallic material, coated or uncoated, strength classes Iess than
or equal to 1 100 MPa - Dimensions
Numéro de référence
ISO 5856: 1991 (F)
Avant-propos
L’lSO (Organisation internationale de normalisation) est une fédération
mondiale d’organismes nationaux de normalisation (comités membres
de i’lS0). L’élaboration des Normes internationales est en général
confibe aux comités techniques de I’ISO. Chaque comité membre inté-
ressé par une étude a le droit de faire partie du comité technique créé
à cet effet. Les organisations internationales, gouvernementales et non
gouvernementales, en liaison avec I’ISO participent également aux tra-
vaux. LYSO collabore étroitement avec la Commission électrotechnique
internationale (CEI) en ce qui concerne la normalisation électrotech-
nique.
Les projets de Normes internationales adoptés par les comités techni-
ques sont soumis aux comités membres pour vote. Leur publication
comme Normes internationales requiert l’approbation de 75 % au moins
des comités membres votants.
La Norme internationale ISO 5856 a été élaborée par le comité techni-
que ISO/TC 20, Aéronautique et espace, sous-comité SC 4, Éléments de
fixation pour constructions aérospatiales.
0 ISO 1991
Droits de reproduction réservés. Aucune partie de cette publication ne peut être repro-
duite ni utilisée sous quelque forme que ce soit et par aucun procédé, électronique ou
mécanique, y compris la photocopie et les microfilms, sans l’accord écrit de l’éditeur.
Organisation internationale de normalisation
Case Postale 56 l CH-121 1 Genève 20 l Suisse
Imprfm6 en Suisse
.
il
NORME INTERNATIONALE
Aéronautique et espace - Vis à tête fraisée 100’ normale, à
empreinte cruciforme déportée avec saillies antidérapantes,
avec tige normale et filetage MJ court ou de longueur
moyenne, en matériau métallique, revêtues ou non revêtues,
des classes de résistance inférieures ou égales à
1100 MPa - Dimensions
ISO 286-23988, Système ISO de tolérances et
1 Domaine d’application
Partie 2: Tables des degrés de fo-
d’ajustements -
Iérance normalisés et des écarts limites des alésages
La présente Norme internationale prescrit les di-
et des arbres.
mensions des vis à tête fraisée 100° normale, à
empreinte cruciforme déportée avec saillies antidé-
ISO 3353:1976, Constructions aérospatiales - Çile-
rapantes, avec tige normale, à tolérance serrée ou
tages roulés - Filets incomplets côté tige (ou tête)
large, et filetage MJ court ou de longueur moyenne,
et côté extrémité.
en matériau métallique, revêtues ou non revêtues,
des classes de résistance inferieures ou égales à
ISO 5855,2:1988, Aéronautique et espace - Filetage
1100 MPa.
MJ - Partie 2: Dimensions limites pour vis et
La présente Norme internationale est applicable à
écrous.
l’élaboration de normes de produit destinées aux
constructions aérospatiales.
ISO 7994:1985, Aéronautique et espace - Empreinte
cruciforme déportée d’entraînement intérieur (Torq-
Set@) pour dispositifs de fixation montés par rotation
2 Réf
...
NORME
INTERNATIONALE
Première édition
Aéronautique et espace - Vis à tête fraisée
100° normale, à empreinte cruciforme déportée
avec saillies antidérapantes, avec tige normale
et filetage MJ court ou de longueur moyenne,
en matériau métallique, revêtues ou non
revêtues, des classes de résistance inférieures
ou égales à 1100 MPa - Dimensions
Screws, 100” normal countersunk head, interna] offset
Aerospace -
cruciform ribbed drive, normal shank, short or medium length MJ
threads, metallic material, coated or uncoated, strength classes Iess than
or equal to 1 100 MPa - Dimensions
Numéro de référence
ISO 5856: 1991 (F)
Avant-propos
L’lSO (Organisation internationale de normalisation) est une fédération
mondiale d’organismes nationaux de normalisation (comités membres
de i’lS0). L’élaboration des Normes internationales est en général
confibe aux comités techniques de I’ISO. Chaque comité membre inté-
ressé par une étude a le droit de faire partie du comité technique créé
à cet effet. Les organisations internationales, gouvernementales et non
gouvernementales, en liaison avec I’ISO participent également aux tra-
vaux. LYSO collabore étroitement avec la Commission électrotechnique
internationale (CEI) en ce qui concerne la normalisation électrotech-
nique.
Les projets de Normes internationales adoptés par les comités techni-
ques sont soumis aux comités membres pour vote. Leur publication
comme Normes internationales requiert l’approbation de 75 % au moins
des comités membres votants.
La Norme internationale ISO 5856 a été élaborée par le comité techni-
que ISO/TC 20, Aéronautique et espace, sous-comité SC 4, Éléments de
fixation pour constructions aérospatiales.
0 ISO 1991
Droits de reproduction réservés. Aucune partie de cette publication ne peut être repro-
duite ni utilisée sous quelque forme que ce soit et par aucun procédé, électronique ou
mécanique, y compris la photocopie et les microfilms, sans l’accord écrit de l’éditeur.
Organisation internationale de normalisation
Case Postale 56 l CH-121 1 Genève 20 l Suisse
Imprfm6 en Suisse
.
il
NORME INTERNATIONALE
Aéronautique et espace - Vis à tête fraisée 100’ normale, à
empreinte cruciforme déportée avec saillies antidérapantes,
avec tige normale et filetage MJ court ou de longueur
moyenne, en matériau métallique, revêtues ou non revêtues,
des classes de résistance inférieures ou égales à
1100 MPa - Dimensions
ISO 286-23988, Système ISO de tolérances et
1 Domaine d’application
Partie 2: Tables des degrés de fo-
d’ajustements -
Iérance normalisés et des écarts limites des alésages
La présente Norme internationale prescrit les di-
et des arbres.
mensions des vis à tête fraisée 100° normale, à
empreinte cruciforme déportée avec saillies antidé-
ISO 3353:1976, Constructions aérospatiales - Çile-
rapantes, avec tige normale, à tolérance serrée ou
tages roulés - Filets incomplets côté tige (ou tête)
large, et filetage MJ court ou de longueur moyenne,
et côté extrémité.
en matériau métallique, revêtues ou non revêtues,
des classes de résistance inferieures ou égales à
ISO 5855,2:1988, Aéronautique et espace - Filetage
1100 MPa.
MJ - Partie 2: Dimensions limites pour vis et
La présente Norme internationale est applicable à
écrous.
l’élaboration de normes de produit destinées aux
constructions aérospatiales.
ISO 7994:1985, Aéronautique et espace - Empreinte
cruciforme déportée d’entraînement intérieur (Torq-
Set@) pour dispositifs de fixation montés par rotation
2 Réf
...












Questions, Comments and Discussion
Ask us and Technical Secretary will try to provide an answer. You can facilitate discussion about the standard in here.
Loading comments...