ISO 4348:1983
(Main)Flat-top chains and associated chain wheels for conveyors
Flat-top chains and associated chain wheels for conveyors
This second edition cancels and replaces the first edition (i.e. ISO 4348:1978). Specifies characteristics of flat-top chains and associated chain wheels as used principally on conveyors for bottles. It covers dimensions, limits for interchangeability, measuring loads and minimum ultimate tensile loads.
Chaînes charnières et roues pour convoyeurs
General Information
- Status
- Withdrawn
- Publication Date
- 30-Nov-1983
- Withdrawal Date
- 30-Nov-1983
- Technical Committee
- ISO/TC 100 - Chains and chain sprockets for power transmission and conveyors
- Current Stage
- 9599 - Withdrawal of International Standard
- Start Date
- 05-Feb-2013
- Completion Date
- 12-Feb-2026
ISO 4348:1983 - Flat-top chains and associated chain wheels for conveyors
ISO 4348:1983 - Chaînes charnieres et roues pour convoyeurs
ISO 4348:1983 - Chaînes charnieres et roues pour convoyeurs
Frequently Asked Questions
ISO 4348:1983 is a standard published by the International Organization for Standardization (ISO). Its full title is "Flat-top chains and associated chain wheels for conveyors". This standard covers: This second edition cancels and replaces the first edition (i.e. ISO 4348:1978). Specifies characteristics of flat-top chains and associated chain wheels as used principally on conveyors for bottles. It covers dimensions, limits for interchangeability, measuring loads and minimum ultimate tensile loads.
This second edition cancels and replaces the first edition (i.e. ISO 4348:1978). Specifies characteristics of flat-top chains and associated chain wheels as used principally on conveyors for bottles. It covers dimensions, limits for interchangeability, measuring loads and minimum ultimate tensile loads.
ISO 4348:1983 is classified under the following ICS (International Classification for Standards) categories: 53.040.20 - Components for conveyors. The ICS classification helps identify the subject area and facilitates finding related standards.
ISO 4348:1983 is available in PDF format for immediate download after purchase. The document can be added to your cart and obtained through the secure checkout process. Digital delivery ensures instant access to the complete standard document.
Standards Content (Sample)
,*m
r n ar
: 434
b 1
*Xe
INTERNATIONAL ORGANIZATION FOR STANDAF?DIZATIONWlE>((LLYHAPO~HAR OPf-AHM3Al.&lR fl0 CTAH~APTM3ALMW@ORGANlSATlON INTERNATIONALE DE NORMALISATION
FM-top chains and ssociated chain wheels for conveyors
ChaTnes charni&res et roues pour convoyeurs
Second edition - 1983-12-01
w UDC 621.855 : 621.867.1 Ref. No. ISO 43484983 (E)
-
Q) : chains, conveyor chains, flat-top chains,
Descriptors Sprocket wheels, specifications, dimensions, nomenclature, designation, marking.
cn
Price based on 9 pages
Foreword
ISO (the international Organization for Standardization) is a worldwide federation of
national Standards bodies (ISO member bedies). The work of developing International
Standards is carried out through ISO technical committees. Every member body
interested in a subject for which a technical committee has been authorized has the
right to be represented on that committee. International organizations, governmental
and non-governmental, in liaison with ISO, also take part in the work.
Draft International Standards adopted by the technical committees are circulated to
the member bodies for approval before their acceptance as International Standards by
the ISO Council.
International Standard ISO 4348 was developed by Technical Committee ISO/TC 100,
Chains and chain wheels for power transmission and conveyors.
This second edition was submitted directly to the ISO Council, in accordance with
clause 6.112 of part 1 of the Directives for the technical work of ISO. lt cancels and
replaces the first edition (i.e. ISO 4348-19781, which had been approved by the
member bodies of the following countries :
Australia italy Sweden
Belgium Japan Turkey
Czechoslovakia Korea, Rep. of United Kingdom
Finland Mexico USA
France Netherlands USSR
Germany, F. R. Romania Yugoslavia
India South Africa, Rep. of
Ireland Spain
No member body expressed disapproval of the document.
0 International Organkation for Standardization, 1983
Printed in Switzerland
ISO 43484983 (E)
INTERNATIONAL STANDARD
Fiat-top chains and associated chain wheels for conveyors
S or D depending upon whether the chains are of Single-hinge
0 lntroduction
or dou ble-hinge design.
This International Standard lays down the dimensions of a
selected range of flat-top chains which are manufactured in
Example :
various countries and which are in world-wide use. Flat-top
chains are also known as “slat band” and “table top” chains.
C12S designates a Single-hinge chain with a nominal slat width
of 3.0 in.
lt should be noted that the specified dimensions for the chains
are based upon inch units.
2.3 Dimensions
1 Scope and field of application
This International Standard specifies the characteristics of flat- 2.3.1 The chains shall conform to the dimensions given in
top chains and associated chain wheels as used principally on tables 1, lM, 2 and 2M. Maximum and minimum dimensions
conveyors for bottles. lt covers dimensions, limits for inter- are specified to ensure interchangeability of slats produced by
changeability, measuring loads and minimum ultimate tensile different manufacturers.
strengths.
2.3.2 Hinge clearance dimensions e and fare both based on
2 Chains the maximum values of t and d, as given in tables 1 and lM,
and must be recalculated for any other values.
2.1 Nomenclature
The basis for the calculations shall be that no part of an adja-
cent slat may come within the swept clearance k as shown in
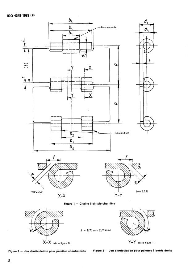
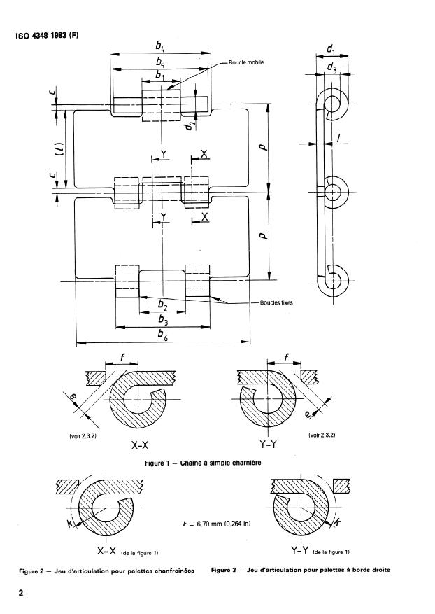
This International Standard specifies two types of chain :
figures 2 and 3.
- Single-hinge (see figure 1 and tables 1 and 1M);
- double-hinge (see figure 4 and tables 2 and 2M).
2.3.3 The dimensions dz and d3 given in tables 1 and 1M en-
sure free movement of the articulating curls around the bearing
pin.
2.2 Designation
The methods of torsional and axial bearing pin restraint within
Flat-top chains shall be designated by the letter C followed by
the fixed curls shall be at the manufacturer’s discretion.
the nominal slat width expressed in units of 0.25 in, followed by
ISO 4348-1983 (El
b
d
I_ 14
I
I
Y
h-
Fixed curls
(see 2.3.2)
(see 2.3.2)
Figure 1 Single-hinge chain
k = 6,70 mm (0.264 in)
x-x (of figure 1) Y-Y (of figure 1)
Figure 3 - Hinge clearance of slat with Square edge
Figure 2 - Hinge clearance of chamfered slat
Chain dimensions, measuring loads and tensile strength of Single-hinge flat-top chains (inch-pound units)
Table 1 -
1 2 3 4 5 6 7 8 9 10 11 12 13 14 15 16 17 18 19
Articu- Width Slat
Width Width Width
Bearing lating over hinge Slat width
Curl Slat between over over Slat Hinge clearance Ultimate
Pitch ‘1 pin curl articu- clear- Slat Measur-
thickness fixed f ixed bearing
ISQ diameter tensile
b6
lating ante length2) ‘lear- tangen-
diameter bore linear ing load
chain curls curls pins ante strength
314)
diameter curl width maximum nominal tial3)
number
1 C
t e
P f
dl d2 d3 bl 62 b3 b4 b5
max. max. min. max. max. min. max. min. max. min. min. min. min.
in in in in in in in in in in
in in in in in in Ibf Ibf
L
in carbon
steel
’ 45 2250
or or
Cl2S’ / 3.040 3.000 I
3.290 3.250
c 13 s
in corrosion-
c 14 s 3.540 3.500 ( resistant steel
Cl6S’ 1.50 0.517 0.251 0.252 0.132 0.787 0.791 1.656 1.657 1.677 $ 4.040 4.000 ’ 1.468 0.016 0.006 0.200 grade 1 5,
36 1800
C 18 S l 4.546 4.500
or
I
C 24 S 6.040 6.000 grade 25jor
c3os ,7.540 7.500, 128 1400
1) Chain pitch p is a theoretical dimension used in calculating Strand lengths and chain wheel dimensions; it is not intended for the inspection of individual links.
2) Dimension I is quoted for reference only and will be dependent upon actual dimension c.
3) See 2.3.2 according to the Option Chosen.
4) Dimension given only for guidance in tool manufacture.
5) These grades are purely arbitrary and relate to the appropriate tensile strength of the corrosion-resistant steel. The manufacturer should be consulted for details of the corrosion-resisting properties of the steels.
en
Table 1M - Chain dimensions, measuring loads and tensile strength of Single-hinge flat-top chains (metric units)
1 2 3 4 5 6 7 8 9 10 11 12 13 14 15 16 17 18
Hinge clearance
1) Chain pitch p is a theoretical dimension used in calculating Strand lengths and chain wheel dimensions; it is not intended for the inspection of individual links.
2) Dimension / is quoted for reference only and will be dependent upon actual dimension c.
3) See 2.3.2 according to the Option Chosen.
4) Dimension given only for guidance in tool manufacture.
5) These grades are purely arbitrary and relate to the appropriate tensile strength of the corrosion-resistant steel. The manufacturer should be consulted for details of the corrosion-resisting properties of the steels.
b
b-
---- - ---
m--
I
b
I
b
All remaining dimensions
as for Single-hinge chains
b
(See figure 1)
Figure 4 - Double-hinge chain
Table 2 - Chain dimensions, measuring Ioads and tensile strength of double-hinge flat-top chains (inch-pound units)
7 8
5 6
I l l
Slat width Ei
...
Norme internationale
INTERNATIONAL ORGANIZATION FOR STANDARDIZATIONWlE~YHAPO~HAR OPrAHH3AlJMR fl0 CTAH~APTH3AlWWORGANISATION INTERNATIONALE DE NORMALISAT~DN
Chaînes charnières et roues pour convoyeurs
Flat- top chains and associated bain wheels for conveyors
Deuxième édition - 1983-12-01
Réf. no : ISO 43484983 (F)
CDU 621.855 : 621.867.1
: chaîne, chaîne de manutention, chaîne charnière, roue pour chaîne, spécification, dimension, nomenclature, désignation,
Descripteurs
marquage.
Prix basé sur 9 pages
Avant-propos
L’ISO (Organisation internationale de normalisation) est une fédération mondiale
d’organismes nationaux de normalisation (comités membres de I’ISO). L’élaboration
des Normes internationales est confiée aux comités techniques de I’ISO. Chaque
comité membre intéressé par une étude a le droit de faire partie du comité technique
correspondant. Les organisations internationales, gouvernementales et non gouverne-
mentales, en liaison avec I’ISO, participent également aux travaux.
Les projets de Normes internationales adoptés par les comités techniques sont soumis
aux comités membres pour approbation, avant leur acceptation comme Normes inter-
nationales par le Conseil de I’ISO.
La Norme internationale ISO 4348 a été élaborée par le comité technique ISO/TC 100,
Chaînes et roues à chaînes pour transmission d’énergie et convoyeurs.
Cette deuxième édition fut soumise directement au Conseil de I’ISO, conformément au
paragraphe 6.11.2 de la partie 1 des Directives pour les travaux techniques de I’ISO.
Elle annule et remplace la première édition (ISO 4348-19781, qui avait eté approuvée par
les comités membres des pays suivants :
Afrique du Sud, Rép. d’ Inde Suede
Irlande Tchécoslovaquie
Allemagne, R. F.
Australie Italie Turquie
URSS
Belgique Japon
Corée, Rép. de Mexique USA
Yougoslavie
Espagne Pays-Bas
Finlande Roumanie
France Royaume-Uni
Aucun comité membre ne l’avait désapprouvée.
@ Organisation internationale de normalisation, 1983 0
Imprimé en Suisse
NORME INTERNATIONALE ISO 43484983 (FI
Chaînes charnières et roues pour convoyeurs
lettres S ou D selon qu’il s’agit de chaînes à simple charniére ou
0 Introduction
à ‘double charnière.
La présente Norme internationale fixe les dimensions d’une
série sélectionnée de chaînes charnières fabriquées en divers
Exemple :
pays et utilisées dans le monde entier.
C12S désigne une chaîne à simple charnière de largeur nomi-
II est à noter que les dimensions spécifiées pour les chaînes
nale de palette 3,0 in.
sont basées sur les unités en inches.
2.3 Dimensions
1 Objet et domaine d’application
La présente Norme internationale spécifie les caractéristiques
2.3.1 Les chaînes doivent être conformes aux dimensions
des chaînes charniéres et roues dentées correspondantes, prin-
indiquées dans les tableaux 1, 1 M, 2 et 2M. Des dimensions
cipalement utilisées pour les convoyeurs à palettes pour bou-
maximales et minimales sont spécifiées afin d’assurer I’inter-
teilles. Elle traite des dimensions limites d’interchangeabilité,
changeabilité de palettes provenant de différents fabricants.
charges de mesurage et charges de traction minimales.
2.3.2
Les dimensions du jeu d’articulation e et f sont toutes
2 Chaînes
deux fondées sur les valeurs maximales de t et d, données dans
les tableaux 1 et 1M. Elles doivent être recalculées pour toutes
2.1 Nomenclature
les autres valeurs.
La présente Norme internationale concerne deux types de
Les calculs sont basés sur la condition suivante : aucune partie
chaînes, à savoir :
de la palette adjacente ne doit empiéter sur la zone de jeu k indi-
quée aux figures 2 et 3.
- les chaînes à simple charniére (voir figure 1 et tableaux
1 et 1M);
2.3.3 Les dimensions d2 et d3 données dans les tableaux 1 et
- les chaînes à double charnière (voir figure 2 et tableaux
1M doivent permettre le libre mouvement des boucles mobiles
2 et 2M).
autour de l’axe.
2.2 Désignation
La méthode de fixation en rotation ou en déplacement latéral de
l’axe dans les boucles fixes est laissée à la discrétion des fabri-
Les chaînes charniéres doivent être désignées par la lettre C sui-
vie de la largeur nominale de palette exprimée en 0,25 in et des cants.
~so 4348-1983 (FI
b
4 d
FFF Boucle
mobile
B--w s--w
, 1
-Boucles fixes
b
-
b
-
(voir 2.3.2) I
x-x
Figure 1 - Chaîne à simple charnière
k = 6,70 mm (0,264 in)
x-x (de la figure 1)
(de la figure 1) Y-Y
Jeu d’articulation pour palettes chanfreinées Figure 3 - Jeu d’articulation pour palettes à bords droits
Figure 2 -
Tableau 1 - Dimensions, charges de mesurage et charges de traction des chaînes à simple charnière (unités inches-pounds)
14 16 1 17 16
1 2 3 4 5 6 7 8 9 10 11 19
Largeur
Jeu d’articulation
Largeur Largeur
Alésage Largeur ext& Largeur
ipaisseur exté- de déga- Largeur de palet& Jeu
Diametre
entre rieure ext& ongueur Jeu Jeu Charge
Biamètre de la
>asl) de la de la ieure de gement entre
de l’axe boucle boucles sur rieu re l de tangen- longitu- de de
palette 3 boucle de I’arti-
Numerc boucle Pa-
mobile fixes sur axes ,alette2) tiel 3, dina13)4) nesuragc traction
omina ettes
de mobile naximah le ’
fixes
chaîne
1 c e
SO t f
P
dl dz 63 bl 62 b3 b4 b5
min.
max. max. min. max. max. min. max. min. max. min. min. min.
in in in in in in in in in in in in in in in in Ibf Ibf
pour acier au
carbone
45 2250
c 12 s 3,040 3,000
ou ou
I
c 13 s 3,290 3,250
pour acier résis-
ant à la corrosion
c 14 s 3,540 3,500
nuance 1 5,
I
1,677 1.468 0.016
C 16 S 0,517 0,251 0.252 0.132 0.797 0,791 1,= 1,657 4,040 4,000
1s
c 18 s 4,540 4,500
C 24 S 6,040 6,~
7.540
c3os 7,500
l
I
il n’est pas destiné à la vérification des maillons particuliers.
1) Le pas p de la chaîne est une dimension théorique utilisee dans le calcul des longueurs des brins et des dimensions des roues pour chaînes;
2) Là dimension / n’est citée qu’à titre d’information et dépendra de la dimension réelle c.
3) Voir 2.3.2 selon l’option choisie.
4)
La dimension n’est donnée qu’à titre indicatif pour la fabrication des outils.
5) Ces nuances sont choisies arbitrairement et ne concernent que la résistance à la traction appropriée de l’acier résistant à la corrosion. II y a lieu de consulter le fabricant pour tous renseignements sur les caractéristiques des
aciers résistant à la corrosion.
Tableau 1M - Dimensions, charges de mesurage et charges de traction des chaînes à simple charnike (unités m&riquesi
7 8 9 10
1 2 3 4 5 6 14 16 1 17 18 1 19
r
Largeur
Largeur Largeur Jeu d’articulation
Ahage Largeur ext&
Jeu
)iam&re ipaisseur extk le dbga-
Xam&tre de la entre rieure Longueur Jeu Jeu Charge Charge
pieure de gement entre
1 Pad) de la de la
rieu re I tangen- longitu- de de
de l’axe boucle boucles sur de
de I’arti-
Num&c D boucle palette a boucle
pa-
mobile fixes boucles sur axes palette21 tie13) jina13)4) nesurage traction
mobile culation maximale lettes
de
fixes
l
chaîne
t 1 c e
ISO P f
4 d3 61 62 b3 64 b5
d2
min. max. min. min. min. min.
max. max. min. max. max. min. max.
mm mm mm mm mm mm mm mm mm mm mm daN daN
pour acier au
carbone
looo
\ 20
/
\
, 7VO
c 12 s
ou ou
I
c 13 s , =,m =,m
pour acier résis-
ant à la corrosion
l 8WO WJO
c 14 s
nuance 1 5,
4260 10260 10160 3726 0,41 0,14
C 16 S l ’ 3910 13,13 20,lO 42.05 42,lO 5,09
638 640 335
11530 11430
c 16 s l
; 153,4O 15240
C 24 S
\ 19150 WI,50
c3os ;,
- - -
1) Le pas p de la chaîne est une dimension théorique utilisée dans le calcul des longueurs des brins et des dimensions des roues pour chaînes; il n’est pas destiné à la vérification des maillons particuliers.
2) La dimension f n’est citée qu’à titre d’information et dépendra de la dimension réelle c.
3) Voir 2.3.2 selon l’option choisie.
4) La dimension n’est donnée qu’à titre indicatif pour la fabrication des outils.
5) Ces nuances sont choisies arbitrairement et ne concernent que la résistance à la traction appropriée de l’acier résistant à la corrosion. II y a lieu de consulter le fabricant pour tous renseignements sur les caractéristiques des
aciers résistant à la corrosion.
ISO 43484983 (FI
b
b.
II
b
8, b
q
v r
c
I ,-- v-1 A- w--a 4
b
s-m
--a ----
r
,-- -
-- - a--
-
---
w--m
A
L 4
b *
A
Pour toutes les cotes
.
non spécifiées, se
b
reporter à la figure 1
Figure 4 - Chaînes à double charnidre
Dimensions, charges de mesurage et charges de traction des chaînes à double charnière (unités inches/pounds)
Tableau 2 -
10 11 12
7 8 9
1 2 3 4 5 6
Largeur de palettes
Largeur Largeur entre Largeur
Largeur
Largeu
...
Norme internationale
INTERNATIONAL ORGANIZATION FOR STANDARDIZATIONWlE~YHAPO~HAR OPrAHH3AlJMR fl0 CTAH~APTH3AlWWORGANISATION INTERNATIONALE DE NORMALISAT~DN
Chaînes charnières et roues pour convoyeurs
Flat- top chains and associated bain wheels for conveyors
Deuxième édition - 1983-12-01
Réf. no : ISO 43484983 (F)
CDU 621.855 : 621.867.1
: chaîne, chaîne de manutention, chaîne charnière, roue pour chaîne, spécification, dimension, nomenclature, désignation,
Descripteurs
marquage.
Prix basé sur 9 pages
Avant-propos
L’ISO (Organisation internationale de normalisation) est une fédération mondiale
d’organismes nationaux de normalisation (comités membres de I’ISO). L’élaboration
des Normes internationales est confiée aux comités techniques de I’ISO. Chaque
comité membre intéressé par une étude a le droit de faire partie du comité technique
correspondant. Les organisations internationales, gouvernementales et non gouverne-
mentales, en liaison avec I’ISO, participent également aux travaux.
Les projets de Normes internationales adoptés par les comités techniques sont soumis
aux comités membres pour approbation, avant leur acceptation comme Normes inter-
nationales par le Conseil de I’ISO.
La Norme internationale ISO 4348 a été élaborée par le comité technique ISO/TC 100,
Chaînes et roues à chaînes pour transmission d’énergie et convoyeurs.
Cette deuxième édition fut soumise directement au Conseil de I’ISO, conformément au
paragraphe 6.11.2 de la partie 1 des Directives pour les travaux techniques de I’ISO.
Elle annule et remplace la première édition (ISO 4348-19781, qui avait eté approuvée par
les comités membres des pays suivants :
Afrique du Sud, Rép. d’ Inde Suede
Irlande Tchécoslovaquie
Allemagne, R. F.
Australie Italie Turquie
URSS
Belgique Japon
Corée, Rép. de Mexique USA
Yougoslavie
Espagne Pays-Bas
Finlande Roumanie
France Royaume-Uni
Aucun comité membre ne l’avait désapprouvée.
@ Organisation internationale de normalisation, 1983 0
Imprimé en Suisse
NORME INTERNATIONALE ISO 43484983 (FI
Chaînes charnières et roues pour convoyeurs
lettres S ou D selon qu’il s’agit de chaînes à simple charniére ou
0 Introduction
à ‘double charnière.
La présente Norme internationale fixe les dimensions d’une
série sélectionnée de chaînes charnières fabriquées en divers
Exemple :
pays et utilisées dans le monde entier.
C12S désigne une chaîne à simple charnière de largeur nomi-
II est à noter que les dimensions spécifiées pour les chaînes
nale de palette 3,0 in.
sont basées sur les unités en inches.
2.3 Dimensions
1 Objet et domaine d’application
La présente Norme internationale spécifie les caractéristiques
2.3.1 Les chaînes doivent être conformes aux dimensions
des chaînes charniéres et roues dentées correspondantes, prin-
indiquées dans les tableaux 1, 1 M, 2 et 2M. Des dimensions
cipalement utilisées pour les convoyeurs à palettes pour bou-
maximales et minimales sont spécifiées afin d’assurer I’inter-
teilles. Elle traite des dimensions limites d’interchangeabilité,
changeabilité de palettes provenant de différents fabricants.
charges de mesurage et charges de traction minimales.
2.3.2
Les dimensions du jeu d’articulation e et f sont toutes
2 Chaînes
deux fondées sur les valeurs maximales de t et d, données dans
les tableaux 1 et 1M. Elles doivent être recalculées pour toutes
2.1 Nomenclature
les autres valeurs.
La présente Norme internationale concerne deux types de
Les calculs sont basés sur la condition suivante : aucune partie
chaînes, à savoir :
de la palette adjacente ne doit empiéter sur la zone de jeu k indi-
quée aux figures 2 et 3.
- les chaînes à simple charniére (voir figure 1 et tableaux
1 et 1M);
2.3.3 Les dimensions d2 et d3 données dans les tableaux 1 et
- les chaînes à double charnière (voir figure 2 et tableaux
1M doivent permettre le libre mouvement des boucles mobiles
2 et 2M).
autour de l’axe.
2.2 Désignation
La méthode de fixation en rotation ou en déplacement latéral de
l’axe dans les boucles fixes est laissée à la discrétion des fabri-
Les chaînes charniéres doivent être désignées par la lettre C sui-
vie de la largeur nominale de palette exprimée en 0,25 in et des cants.
~so 4348-1983 (FI
b
4 d
FFF Boucle
mobile
B--w s--w
, 1
-Boucles fixes
b
-
b
-
(voir 2.3.2) I
x-x
Figure 1 - Chaîne à simple charnière
k = 6,70 mm (0,264 in)
x-x (de la figure 1)
(de la figure 1) Y-Y
Jeu d’articulation pour palettes chanfreinées Figure 3 - Jeu d’articulation pour palettes à bords droits
Figure 2 -
Tableau 1 - Dimensions, charges de mesurage et charges de traction des chaînes à simple charnière (unités inches-pounds)
14 16 1 17 16
1 2 3 4 5 6 7 8 9 10 11 19
Largeur
Jeu d’articulation
Largeur Largeur
Alésage Largeur ext& Largeur
ipaisseur exté- de déga- Largeur de palet& Jeu
Diametre
entre rieure ext& ongueur Jeu Jeu Charge
Biamètre de la
>asl) de la de la ieure de gement entre
de l’axe boucle boucles sur rieu re l de tangen- longitu- de de
palette 3 boucle de I’arti-
Numerc boucle Pa-
mobile fixes sur axes ,alette2) tiel 3, dina13)4) nesuragc traction
omina ettes
de mobile naximah le ’
fixes
chaîne
1 c e
SO t f
P
dl dz 63 bl 62 b3 b4 b5
min.
max. max. min. max. max. min. max. min. max. min. min. min.
in in in in in in in in in in in in in in in in Ibf Ibf
pour acier au
carbone
45 2250
c 12 s 3,040 3,000
ou ou
I
c 13 s 3,290 3,250
pour acier résis-
ant à la corrosion
c 14 s 3,540 3,500
nuance 1 5,
I
1,677 1.468 0.016
C 16 S 0,517 0,251 0.252 0.132 0.797 0,791 1,= 1,657 4,040 4,000
1s
c 18 s 4,540 4,500
C 24 S 6,040 6,~
7.540
c3os 7,500
l
I
il n’est pas destiné à la vérification des maillons particuliers.
1) Le pas p de la chaîne est une dimension théorique utilisee dans le calcul des longueurs des brins et des dimensions des roues pour chaînes;
2) Là dimension / n’est citée qu’à titre d’information et dépendra de la dimension réelle c.
3) Voir 2.3.2 selon l’option choisie.
4)
La dimension n’est donnée qu’à titre indicatif pour la fabrication des outils.
5) Ces nuances sont choisies arbitrairement et ne concernent que la résistance à la traction appropriée de l’acier résistant à la corrosion. II y a lieu de consulter le fabricant pour tous renseignements sur les caractéristiques des
aciers résistant à la corrosion.
Tableau 1M - Dimensions, charges de mesurage et charges de traction des chaînes à simple charnike (unités m&riquesi
7 8 9 10
1 2 3 4 5 6 14 16 1 17 18 1 19
r
Largeur
Largeur Largeur Jeu d’articulation
Ahage Largeur ext&
Jeu
)iam&re ipaisseur extk le dbga-
Xam&tre de la entre rieure Longueur Jeu Jeu Charge Charge
pieure de gement entre
1 Pad) de la de la
rieu re I tangen- longitu- de de
de l’axe boucle boucles sur de
de I’arti-
Num&c D boucle palette a boucle
pa-
mobile fixes boucles sur axes palette21 tie13) jina13)4) nesurage traction
mobile culation maximale lettes
de
fixes
l
chaîne
t 1 c e
ISO P f
4 d3 61 62 b3 64 b5
d2
min. max. min. min. min. min.
max. max. min. max. max. min. max.
mm mm mm mm mm mm mm mm mm mm mm daN daN
pour acier au
carbone
looo
\ 20
/
\
, 7VO
c 12 s
ou ou
I
c 13 s , =,m =,m
pour acier résis-
ant à la corrosion
l 8WO WJO
c 14 s
nuance 1 5,
4260 10260 10160 3726 0,41 0,14
C 16 S l ’ 3910 13,13 20,lO 42.05 42,lO 5,09
638 640 335
11530 11430
c 16 s l
; 153,4O 15240
C 24 S
\ 19150 WI,50
c3os ;,
- - -
1) Le pas p de la chaîne est une dimension théorique utilisée dans le calcul des longueurs des brins et des dimensions des roues pour chaînes; il n’est pas destiné à la vérification des maillons particuliers.
2) La dimension f n’est citée qu’à titre d’information et dépendra de la dimension réelle c.
3) Voir 2.3.2 selon l’option choisie.
4) La dimension n’est donnée qu’à titre indicatif pour la fabrication des outils.
5) Ces nuances sont choisies arbitrairement et ne concernent que la résistance à la traction appropriée de l’acier résistant à la corrosion. II y a lieu de consulter le fabricant pour tous renseignements sur les caractéristiques des
aciers résistant à la corrosion.
ISO 43484983 (FI
b
b.
II
b
8, b
q
v r
c
I ,-- v-1 A- w--a 4
b
s-m
--a ----
r
,-- -
-- - a--
-
---
w--m
A
L 4
b *
A
Pour toutes les cotes
.
non spécifiées, se
b
reporter à la figure 1
Figure 4 - Chaînes à double charnidre
Dimensions, charges de mesurage et charges de traction des chaînes à double charnière (unités inches/pounds)
Tableau 2 -
10 11 12
7 8 9
1 2 3 4 5 6
Largeur de palettes
Largeur Largeur entre Largeur
Largeur
Largeu
...












Questions, Comments and Discussion
Ask us and Technical Secretary will try to provide an answer. You can facilitate discussion about the standard in here.
Loading comments...