ISO 7041:1983
(Main)Prevailing torque type hexagon nuts (with non-metallic insert), style 2 — Property classes 9 and 12
Prevailing torque type hexagon nuts (with non-metallic insert), style 2 — Property classes 9 and 12
Écrous hexagonaux à freinage interne, à couple préalable (avec anneau non métallique), style 2 — Classes de qualité 9 et 12
Šestrobe zaščitne matice s plastičnim vložkom - Tip 2 - Trdnostna razreda 9 in 12
General Information
- Status
- Withdrawn
- Publication Date
- 31-Jul-1983
- Withdrawal Date
- 31-Jul-1983
- Technical Committee
- ISO/TC 2 - Fasteners
- Drafting Committee
- ISO/TC 2 - Fasteners
- Current Stage
- 9599 - Withdrawal of International Standard
- Start Date
- 23-Oct-1997
- Completion Date
- 12-Feb-2026
Relations
- Effective Date
- 15-Apr-2008
- Effective Date
- 15-Apr-2008
ISO 7041:1983 - Prevailing torque type hexagon nuts (with non-metallic insert), style 2 -- Property classes 9 and 12
ISO 7041:1983 - Écrous hexagonaux a freinage interne, a couple préalable (avec anneau non métallique), style 2 -- Classes de qualité 9 et 12
Frequently Asked Questions
ISO 7041:1983 is a standard published by the International Organization for Standardization (ISO). Its full title is "Prevailing torque type hexagon nuts (with non-metallic insert), style 2 — Property classes 9 and 12". This standard covers: Prevailing torque type hexagon nuts (with non-metallic insert), style 2 — Property classes 9 and 12
Prevailing torque type hexagon nuts (with non-metallic insert), style 2 — Property classes 9 and 12
ISO 7041:1983 is classified under the following ICS (International Classification for Standards) categories: 21.060.20 - Nuts. The ICS classification helps identify the subject area and facilitates finding related standards.
ISO 7041:1983 has the following relationships with other standards: It is inter standard links to ISO 7041:1997, ISO 2358:1972. Understanding these relationships helps ensure you are using the most current and applicable version of the standard.
ISO 7041:1983 is available in PDF format for immediate download after purchase. The document can be added to your cart and obtained through the secure checkout process. Digital delivery ensures instant access to the complete standard document.
Standards Content (Sample)
SLOVENSKI STANDARD
01-april-1996
âHVWUREH]DãþLWQHPDWLFHVSODVWLþQLPYORåNRP7LS7UGQRVWQDUD]UHGDLQ
Prevailing torque type hexagon nuts (with non-metallic insert), style 2 -- Property classes
9 and 12
Écrous hexagonaux à freinage interne, à couple préalable (avec anneau non métallique),
style 2 -- Classes de qualité 9 et 12
Ta slovenski standard je istoveten z: ISO 7041:1983
ICS:
21.060.20 Matice Nuts
2003-01.Slovenski inštitut za standardizacijo. Razmnoževanje celote ali delov tega standarda ni dovoljeno.
International Standard 7041
INTERNATIONAL ORGANIZATION FOR STANDARDIZATION*MEWYHAPOAHAR OPrAHH3AUWR Il0 CTAHAAPTH3AUMH.ORGANlSATlON INTERNATIONALE DE NORMALISATION
Prevailing torque type hexagon nuts (with non-metallic
insert), style 2 - Property classes 9 and 12
Écrous hexagonaux à freinage interne, à couple préalable (avec anneau non métallique), style 2 - Classes de qualité 9 et 72
First edition - 1983-08-01
üi UDC 621.882.31 Ref. No. ISO7041-1983 (E)
-
Descriptors : fasteners, nuts (fasteners), hexagonal nuts, specifications, dimensions, designation.
#
U
E Price based on 3 pages
Foreword
IS0 (the International Organization for Standardization) is a worldwide federation of
national standards bodies (IS0 member bodies). The work of developing International
IS0 technical committees. Every member body
Standards is carried out through
interested in a subject for which a technical committee has been authorized has the
right to be represented on that committee. International organizations, governmental
and non-governmental, in liaison with ISO, also take part in the work.
Drafi International Standards adopted by the technical committees are circulated to
the member bodies for approval before their acceptance as International Standards by
the IS0 Council.
International Standard IS0 7041 was developed by Technical Committee ISO/TC 2,
Fasteners, and was circulated to the member bodies in December 1981.
It has been approved by the member bodies of the following countries:
Australia
Hungary Norway
Brazil India Poland
Belgium Romania
Ireland
Canada Italy South Africa, Rep. of
China Spain
Japan
Czechoslovakia Sri Lanka
Korea, Dem. P. Rep. of
Denmark Korea, Rep. of Sweden
Egypt, Arab Rep. of Mexico Switzerland
Finland Netherlands USA
Germany, F.R. New Zealand
The member bodies of the following countries expressed disapproval of the document
on technical grounds:
United Kingdom
USSR
O International Organization for Standardization, 1983 0
Printed in Switzerland
INTERNATIONAL STANDARD IS0 7041-1983 (E)
Prevailing torque type hexagon nuts (with non-metallic
insert), style 2 - Property classes 9 and 12
1 Scope and field of application
This International Standard specifies the characterist
...
International Standard 7041
INTERNATIONAL ORGANIZATION FOR STANDARDIZATION*MEWYHAPOAHAR OPrAHH3AUWR Il0 CTAHAAPTH3AUMH.ORGANlSATlON INTERNATIONALE DE NORMALISATION
Prevailing torque type hexagon nuts (with non-metallic
insert), style 2 - Property classes 9 and 12
Écrous hexagonaux à freinage interne, à couple préalable (avec anneau non métallique), style 2 - Classes de qualité 9 et 72
First edition - 1983-08-01
üi UDC 621.882.31 Ref. No. ISO7041-1983 (E)
-
Descriptors : fasteners, nuts (fasteners), hexagonal nuts, specifications, dimensions, designation.
#
U
E Price based on 3 pages
Foreword
IS0 (the International Organization for Standardization) is a worldwide federation of
national standards bodies (IS0 member bodies). The work of developing International
IS0 technical committees. Every member body
Standards is carried out through
interested in a subject for which a technical committee has been authorized has the
right to be represented on that committee. International organizations, governmental
and non-governmental, in liaison with ISO, also take part in the work.
Drafi International Standards adopted by the technical committees are circulated to
the member bodies for approval before their acceptance as International Standards by
the IS0 Council.
International Standard IS0 7041 was developed by Technical Committee ISO/TC 2,
Fasteners, and was circulated to the member bodies in December 1981.
It has been approved by the member bodies of the following countries:
Australia
Hungary Norway
Brazil India Poland
Belgium Romania
Ireland
Canada Italy South Africa, Rep. of
China Spain
Japan
Czechoslovakia Sri Lanka
Korea, Dem. P. Rep. of
Denmark Korea, Rep. of Sweden
Egypt, Arab Rep. of Mexico Switzerland
Finland Netherlands USA
Germany, F.R. New Zealand
The member bodies of the following countries expressed disapproval of the document
on technical grounds:
United Kingdom
USSR
O International Organization for Standardization, 1983 0
Printed in Switzerland
INTERNATIONAL STANDARD IS0 7041-1983 (E)
Prevailing torque type hexagon nuts (with non-metallic
insert), style 2 - Property classes 9 and 12
1 Scope and field of application
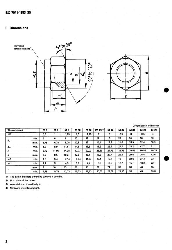
This International Standard specifies the characteristics of prevailing torque type hexagon nuts, style 2, with non-metallic annular
insert and thread sizes from M 5 to M 36 inclusive, in product grades A (d < M 16) and B (d > M 16), and property classes 9 and 12.
NOTE - The dimensions of the nuts correspond to those given in IS0 4033 plus prevailing torque feature.
If other specifications are required, it is re
...
Norme internationale 7041
INTERNATIONAL ORGANIZATION FOR STANOARDlZATION*MEXAYHAPOAHAR OPrAHHJAUHR fl0 CTAHAAPTM3AUHH.ORGANISATlON INTERNATIONALE DE NORMALISATION
Écrous hexagonaux à freinage interne, à couple préalable
-d
(avec anneau non métallique), style 2 - Classes de qualité
9 et 12
Prevailing torque type hexagon nuts (with non-metallic insert), style 2 - Property classes 9 and 12
Première édition - 1983-08-01
iî - CDU 621.882.31 Réf. no : IS0 7041-1983 (FI
Descripteurs : élément de fixation, écrou, écrou hexagonal, spécification, désignation.
Prix basé sur 3 pages
Avant-propos
L'ISO (Organisation internationale de normalisation) est une fédération mondiale
d'organismes nationaux de normalisation (comités membres de I'ISO). L'élaboration
des Normes internationales est confiée aux comités techniques de I'ISO. Chaque
comité membre intéressé par une étude a le droit de faire partie du comité technique
correspondant. Les organisations internationales, gouvernementales et non gouverne-
mentales, en liaison avec I'ISO, participent également aux travaux.
Les projets de Normes internationales adoptés par les comités techniques sont soumis
aux comités membres pour approbation, avant leur acceptation comme Normes inter-
nationales par le Conseil de I'ISO.
La Norme internationale IS0 7041 a été élaborée par le comité technique ISO/TC 2,
Éjéments de fixation, et a été soumise aux comités membres en décembre 1981.
Les comités membres des pays suivants l'ont approuvée :
Afrique du Sud, Rép. d' Égypte, Rép. arabe d' Nouvelle-Zélande
Allemagne, R.F.
Espagne Pays-Bas
Australie Finlande Pologne
Belgique Hongrie Roumanie
Inde Sri Lanka
Brésil
Irlande Suède
Canada
Chine Italie Suisse
Corée, Rép. de Japon Tchécoslovaquie
Corée, Rép. dém. p. de Mexique USA
Danemark Norvège
Les comités membres des pays suivants l'ont désapprouvée pour des raisons
techniques :
Royaume-Uni
URSS
O Organisation internationale de normalisation, 1983 O
imprimé en Suisse
NOR M E I N TE R NAT1 O NA LE IS0 7041-1983 (FI
Écrous hexagonaux à freinage interne, à couple préalable
(avec anneau non métallique), style 2 - Classes de qualité
9 et 12
*
1 Objet et domaine d'application
La présente Norme internationale spécifie les caractéristiques des écrous hexagonaux à freinage interne, à couple préalable (avec
anneau non métallique), de style 2, de diamètre nominal de filetage M 5 à M 36 inclus, de classes de qualité 9 et 12 et de grades A
id < M 16) et B id > M 16).
NOTE - Les dimensions des écrous sont conformes à celles données dans I'ISO 4033 plus le système de freinage.
Si d'autres spécifications sont requises, il est recommandé de les choisir dans les Normes intern
...












Questions, Comments and Discussion
Ask us and Technical Secretary will try to provide an answer. You can facilitate discussion about the standard in here.
Loading comments...