ISO 8755:1986
(Main)Commercial road vehicles — Mechanical connections between towing vehicles and trailers — 40 mm drawbar coupling
Commercial road vehicles — Mechanical connections between towing vehicles and trailers — 40 mm drawbar coupling
Specifies the essential dimensions of a 40 mm drawbar coupling and a 40 mm drawbar eye to permit interchangeability between towing vehicles and trailers equipped with these connections. These connections are not interchangeable with the 50 mm couplings specified in ISO 1102. Applies to connections designed for commercial vehicles and trailers, the maximum total mass of which is above 3,5 t.
Véhicules routiers utilitaires — Liaisons mécaniques entre véhicules tracteurs et remorques — Dispositifs d'attelage de 40 mm
General Information
- Status
- Withdrawn
- Publication Date
- 17-Dec-1986
- Withdrawal Date
- 17-Dec-1986
- Technical Committee
- ISO/TC 22 - Road vehicles
- Drafting Committee
- ISO/TC 22 - Road vehicles
- Current Stage
- 9599 - Withdrawal of International Standard
- Start Date
- 18-Oct-2001
- Completion Date
- 14-Feb-2026
Relations
- Effective Date
- 15-Apr-2008
Buy Documents
ISO 8755:1986 - Commercial road vehicles -- Mechanical connections between towing vehicles and trailers -- 40 mm drawbar coupling
ISO 8755:1986 - Véhicules routiers utilitaires -- Liaisons mécaniques entre véhicules tracteurs et remorques -- Dispositifs d'attelage de 40 mm
ISO 8755:1986 - Véhicules routiers utilitaires -- Liaisons mécaniques entre véhicules tracteurs et remorques -- Dispositifs d'attelage de 40 mm
Get Certified
Connect with accredited certification bodies for this standard

TÜV Rheinland
TÜV Rheinland is a leading international provider of technical services.

TÜV SÜD
TÜV SÜD is a trusted partner of choice for safety, security and sustainability solutions.
AIAG (Automotive Industry Action Group)
American automotive industry standards and training.
Sponsored listings
Frequently Asked Questions
ISO 8755:1986 is a standard published by the International Organization for Standardization (ISO). Its full title is "Commercial road vehicles — Mechanical connections between towing vehicles and trailers — 40 mm drawbar coupling". This standard covers: Specifies the essential dimensions of a 40 mm drawbar coupling and a 40 mm drawbar eye to permit interchangeability between towing vehicles and trailers equipped with these connections. These connections are not interchangeable with the 50 mm couplings specified in ISO 1102. Applies to connections designed for commercial vehicles and trailers, the maximum total mass of which is above 3,5 t.
Specifies the essential dimensions of a 40 mm drawbar coupling and a 40 mm drawbar eye to permit interchangeability between towing vehicles and trailers equipped with these connections. These connections are not interchangeable with the 50 mm couplings specified in ISO 1102. Applies to connections designed for commercial vehicles and trailers, the maximum total mass of which is above 3,5 t.
ISO 8755:1986 is classified under the following ICS (International Classification for Standards) categories: 43.040.70 - Couplings. The ICS classification helps identify the subject area and facilitates finding related standards.
ISO 8755:1986 has the following relationships with other standards: It is inter standard links to ISO 8755:2001. Understanding these relationships helps ensure you are using the most current and applicable version of the standard.
ISO 8755:1986 is available in PDF format for immediate download after purchase. The document can be added to your cart and obtained through the secure checkout process. Digital delivery ensures instant access to the complete standard document.
Standards Content (Sample)
International Standard
INTERNATIONAL ORGANIZATION FOR STANDARDIZATIONWvlEJK&YHAPO~HAfl OPTAHM3Al#lR l-IO CTAH~APTW3A~Wl.ORGANISATION INTERNATIONALE DE NORMALISATION
- Mechanical connections
Commercial road vehicles
between towing vehicles and trailers - 40 mm drawbar
coupling
- Liaisons mhcaniques entre vhkules tracteurs et remorgues - Dispositifs d’a ttelage de 40 mm
Whicules reu tiers u tilitaires
- 1986-12-15
First edition
Ref. No. ISO 8755-1986 (EI
U DC 629.114.2.013.5
Descriptors : road vehicles, commercial road vehicles, towed road vehicles, trailers, drawbars, interchangeability.
Price based on 5 pages
Foreword
ISO (the International Organization for Standardization) is a worldwide federation of
national Standards bodies (ISO member bedies). The work of preparing International
Standards is normally carried out through ISO technical committees. Esch member
body interested in a subject for which a technical committee has been established has
the right to be represented on that committee. International organizations, govern-
mental and non-governmental, in liaison with ISO, also take part in the work.
Draft International Standards adopted by the technical committees are circulated to
the member bodies for approval before their acceptance as International Standards by
the ISO Council. They are approved in accordance with ISO procedures requiring at
least 75 % approval by the member bodies voting.
International Standard ISO 8755 was prepared by Technical Committee ISO/TC 22,
Road vehicles.
Users should note that all International Standards undergo revision from time to time
and that any reference made herein to any other International Standard implies its
Jatest edition, unless otherwise stated.
International Organkation for Standardkation, 1986
Printed in Switzerland
ISO 87554986 (EI
INTERNATIONAL STANDARD
Commercial road vehicles - Mechanical connections
between towing vehicles and trailers - 40 mm drawbar
coupling
NOTES
1 Scope and field of application
1 Dimensions for mounting of drawbar couplings on the rear Cross
This International Standard specifies the essential dimensions
members of towing vehicles are given in ISO 3584.
of a 40 mm drawbar coupling and a 40 mm drawbar eye to per-
2 Dimensions to ensure operating clearance between towing vehicles
mit interchangeability between towing vehicles and tr
...
Norme internationale
INTERNATIONAL ORGANIZATION FOR STANDARDIZATIONWIE~YHAPO~HAR OPrAHM3AUMR fl0 CTAH&APTM3A~LMW@ORGANISATION INTERNATIONALE DE NORMALISATION
Véhicules routiers utilitaires - Liaisons mécaniques entre
véhicules tracteurs et remorques - Dispositifs d’attelage
dMOmm
- Mechanical connections between towing vehicles and trailers - 40 mm drawbar coupling
Commercial road vehicles
Première édition - 1986-12-15
CDU 629.114.2.013.5
Réf. no : ISO 8755-1986 (FI
Descripteurs : véhicule routier, véhicule routier utilitaire, véhicule routier tracté, remorque, barre d’attelage, interchangeabilité.
Prix basé sur 5 pages
Avant-propos
L’ISO (Organisation internationale de normalisation) est une fédération mondiale
d’organismes nationaux de normalisation (comités membres de I’ISO). L’élaboration
des Normes internationales est normalement confiée aux comités techniques de I’ISO.
Chaque comité membre intéressé par une étude a le droit de faire partie du comité
technique créé à cet effet. Les organisations internationales, gouvernementales et non
gouvernementales, en liaison avec I’ISO participent également aux travaux.
Les projets de Normes internationales adoptés par les comités techniques sont soumis
aux comités membres pour approbation, avant leur acceptation comme Normes inter-
nationales par le Conseil de I’ISO. Les Normes internationales sont approuvées confor-
mément aux procédures de I’ISO qui requièrent l’approbation de 75 % au moins des
comités membres votants,
La Norme internationale ISO 8755 a été élaborée par le comité technique ISO/TC 22,
Véhicules routiers.
L’attention des utilisateurs est attirée sur le fait que toutes les Normes internationales
sont de temps en temps soumises à révision et que toute référence faite à une autre
Norme internationale dans le présent document implique qu’il s’agit, sauf indication
contraire, de la derniére édition.
0 Organisation internationale de normalisation, 1986
Imprimé en Suisse
NORME INTERNATIONALE ISO 8755-1986 (F)
Véhicules routiers utilitaires - Liaisons mécaniques entre
véhicules tracteurs et remorques - Dispositifs d’attelage
de4Omm
NOTES
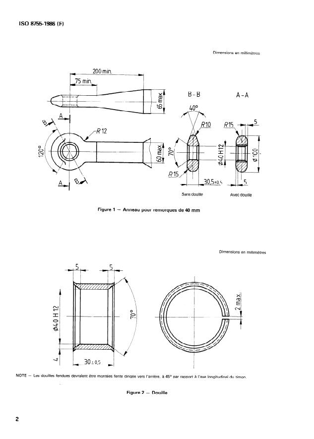
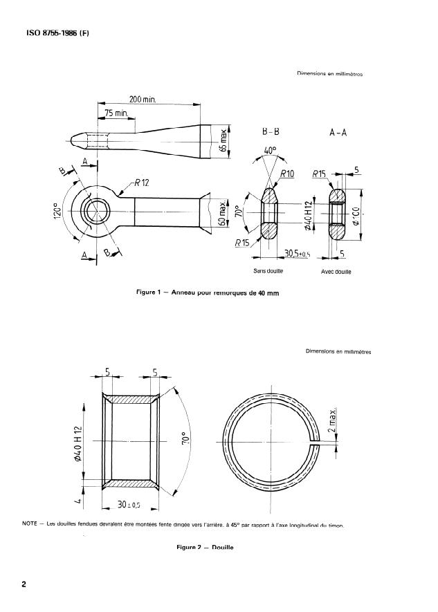
1 Objet et domaine d’application
1 Les caractéristiques dimensionnelles du montage des dispositifs
La présente Norme internationale spécifie les caractéristiques
d’attelage sur la traverse arrière des véhicules tracteurs sont données
dimensionnelles essentielles d’un timon d’attelage de 40 mm et
dans I’ISO 3584.
d’un anneau pour remorques de 40 mm permettant d’assurer
2 Les caractéristiques dimensionnelles des débattements entre véhi-
I’interchangeabilité des véhicules tracteurs et des remorques
cules tr
...
Norme internationale
INTERNATIONAL ORGANIZATION FOR STANDARDIZATIONWIE~YHAPO~HAR OPrAHM3AUMR fl0 CTAH&APTM3A~LMW@ORGANISATION INTERNATIONALE DE NORMALISATION
Véhicules routiers utilitaires - Liaisons mécaniques entre
véhicules tracteurs et remorques - Dispositifs d’attelage
dMOmm
- Mechanical connections between towing vehicles and trailers - 40 mm drawbar coupling
Commercial road vehicles
Première édition - 1986-12-15
CDU 629.114.2.013.5
Réf. no : ISO 8755-1986 (FI
Descripteurs : véhicule routier, véhicule routier utilitaire, véhicule routier tracté, remorque, barre d’attelage, interchangeabilité.
Prix basé sur 5 pages
Avant-propos
L’ISO (Organisation internationale de normalisation) est une fédération mondiale
d’organismes nationaux de normalisation (comités membres de I’ISO). L’élaboration
des Normes internationales est normalement confiée aux comités techniques de I’ISO.
Chaque comité membre intéressé par une étude a le droit de faire partie du comité
technique créé à cet effet. Les organisations internationales, gouvernementales et non
gouvernementales, en liaison avec I’ISO participent également aux travaux.
Les projets de Normes internationales adoptés par les comités techniques sont soumis
aux comités membres pour approbation, avant leur acceptation comme Normes inter-
nationales par le Conseil de I’ISO. Les Normes internationales sont approuvées confor-
mément aux procédures de I’ISO qui requièrent l’approbation de 75 % au moins des
comités membres votants,
La Norme internationale ISO 8755 a été élaborée par le comité technique ISO/TC 22,
Véhicules routiers.
L’attention des utilisateurs est attirée sur le fait que toutes les Normes internationales
sont de temps en temps soumises à révision et que toute référence faite à une autre
Norme internationale dans le présent document implique qu’il s’agit, sauf indication
contraire, de la derniére édition.
0 Organisation internationale de normalisation, 1986
Imprimé en Suisse
NORME INTERNATIONALE ISO 8755-1986 (F)
Véhicules routiers utilitaires - Liaisons mécaniques entre
véhicules tracteurs et remorques - Dispositifs d’attelage
de4Omm
NOTES
1 Objet et domaine d’application
1 Les caractéristiques dimensionnelles du montage des dispositifs
La présente Norme internationale spécifie les caractéristiques
d’attelage sur la traverse arrière des véhicules tracteurs sont données
dimensionnelles essentielles d’un timon d’attelage de 40 mm et
dans I’ISO 3584.
d’un anneau pour remorques de 40 mm permettant d’assurer
2 Les caractéristiques dimensionnelles des débattements entre véhi-
I’interchangeabilité des véhicules tracteurs et des remorques
cules tr
...












Questions, Comments and Discussion
Ask us and Technical Secretary will try to provide an answer. You can facilitate discussion about the standard in here.
Loading comments...