ISO 1102:1986
(Main)Commercial road vehicles — Mechanical connections between towing vehicles and trailers — 50 mm drawbar couplings
Commercial road vehicles — Mechanical connections between towing vehicles and trailers — 50 mm drawbar couplings
This second edition cancels and replaces the first edition (1975). Specifies the essential dimensions of a 50 mm drawbar coupling and a 50 mm drawbar eye to permit interchangeability. Applies to mechanical connections designed for commercial vehicles and trailers, the maximum total mass of which is above 3,5 t.
Véhicules routiers utilitaires — Liaisons mécaniques entre véhicules tracteurs et remorques — Dispositifs d'attelage de 50 mm
General Information
- Status
- Withdrawn
- Publication Date
- 17-Dec-1986
- Withdrawal Date
- 17-Dec-1986
- Technical Committee
- ISO/TC 22 - Road vehicles
- Drafting Committee
- ISO/TC 22 - Road vehicles
- Current Stage
- 9599 - Withdrawal of International Standard
- Start Date
- 25-Oct-2001
- Completion Date
- 14-Feb-2026
Relations
- Effective Date
- 15-Apr-2008
- Effective Date
- 15-Apr-2008
Buy Documents
ISO 1102:1986 - Commercial road vehicles -- Mechanical connections between towing vehicles and trailers -- 50 mm drawbar couplings
ISO 1102:1986 - Véhicules routiers utilitaires -- Liaisons mécaniques entre véhicules tracteurs et remorques -- Dispositifs d'attelage de 50 mm
ISO 1102:1986 - Véhicules routiers utilitaires -- Liaisons mécaniques entre véhicules tracteurs et remorques -- Dispositifs d'attelage de 50 mm
Get Certified
Connect with accredited certification bodies for this standard

TÜV Rheinland
TÜV Rheinland is a leading international provider of technical services.

TÜV SÜD
TÜV SÜD is a trusted partner of choice for safety, security and sustainability solutions.
AIAG (Automotive Industry Action Group)
American automotive industry standards and training.
Sponsored listings
Frequently Asked Questions
ISO 1102:1986 is a standard published by the International Organization for Standardization (ISO). Its full title is "Commercial road vehicles — Mechanical connections between towing vehicles and trailers — 50 mm drawbar couplings". This standard covers: This second edition cancels and replaces the first edition (1975). Specifies the essential dimensions of a 50 mm drawbar coupling and a 50 mm drawbar eye to permit interchangeability. Applies to mechanical connections designed for commercial vehicles and trailers, the maximum total mass of which is above 3,5 t.
This second edition cancels and replaces the first edition (1975). Specifies the essential dimensions of a 50 mm drawbar coupling and a 50 mm drawbar eye to permit interchangeability. Applies to mechanical connections designed for commercial vehicles and trailers, the maximum total mass of which is above 3,5 t.
ISO 1102:1986 is classified under the following ICS (International Classification for Standards) categories: 43.040.70 - Couplings. The ICS classification helps identify the subject area and facilitates finding related standards.
ISO 1102:1986 has the following relationships with other standards: It is inter standard links to ISO 1102:1975, ISO 1102:2001. Understanding these relationships helps ensure you are using the most current and applicable version of the standard.
ISO 1102:1986 is available in PDF format for immediate download after purchase. The document can be added to your cart and obtained through the secure checkout process. Digital delivery ensures instant access to the complete standard document.
Standards Content (Sample)
Foreword -
IS0 (the International Organization for Standardization) is a worldwide federation of
national standards bodies (IS0 member bodies): The work of preparing International
Standards is normally carried out through IS0 technical committees. Each member
body interested in a subject for which a technical committee has been established has
the right to be represented on that committee. International organizations, govern-
mental and non-governmental, in liaison with ISO, also take part in the work.
Draft International Standards adopted by the technical committees are circulated to
the member bodies for approval before their acceptance as International Standards by
the IS0 Council. They are approved in accordance with IS0 procedures requiring at
least 75 % approval by the member bodies voting.
International Standard IS0 1102 was prepared by Technical Committee ISO/TC 22,
Road vehicles.
This second edition cancels and replaces the first edition (IS0 1102-1975), of which it
constitutes a technical revision.
Users should note that all International Standards undergo revision from time to time
and that any reference made herein to any other International Standard implies its
latest edition, unless otherwise stated.
0 International Organization for Standardization, 1986
Printed in Switzerland
IS0 11024986 (E)
INTERNATIONAL STANDARD
Commercial road vehicles - Mechanical connections
between towing vehicles and trailers - 50 mm drawbar
coupling
NOTES
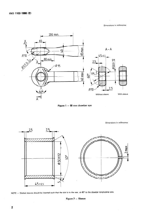
Scope and field of application
1 Dimensions for mounting of drawbar couplings on the rear cross
This International Standard specifies the essential dimensions
members of towing vehicles are given in IS0 3584.
of a 50 mm drawbar coupling and a 50 mm drawbar eye to
2 Dimensions to ensure operating clearance between towing vehicles
permit interchangeability between towing vehicles and trailers
and trailers will form the subject of a future International Standard.
equipped with these connections.
These mechanical connections are not interchangeable with
3.1 Drawbar eye
the 40 mm couplings specified in IS0 8755.
This International Standard applies to mechanical connections
The d
...
Norme internationale
INTERNATIONAL ORGANIZATION FOR STANDARDIZATION*MElK,llYHAPO~HAR OPrAHM3ALlMR Il0 CTAH~APTM3ALWl~ORGANISATlON INTERNATIONALE DE NORMALISATION
Véhicules routiers utilitaires - Liaisons mécaniques entre
véhicules tracteurs et remorques - Dispositifs d’attelage
de5Omm
Commercial road vehicles - Mechanical connections between towing vehicles and traifers - 50 mm drawbar coupling
Deuxième édition - 1986-12-15
Réf. no : ISO 1102-1986 (F)
CL CDU 629.114.2.013.5
Y
véhicule routier utilitaire, véhicule routier tracté, remorque, barre d’attelage, interchangeabilité.
Descripteurs : véhicule routier,
Prix basé sur 5 pages
Avant-propos
L’ISO (Organisation internationale de normalisation) est une fédération mondiale
d’organismes nationaux de normalisation (comités membres de I’ISO). L’élaboration
des Normes internationales est normalement confiée aux comités techniques de I’ISO.
Chaque comité membre intéressé par une étude a le droit de faire partie du comité
technique créé à cet effet. Les organisations internationales, gouvernementales et non
gouvernementales, en liaison avec I’ISO participent également aux travaux.
Les projets de Normes internationales adoptés par les comités techniques sont soumis
aux comités membres pour approbation, avant leur acceptation comme Normes inter-
nationales par le Conseil de I’ISO. Les Normes internationales sont approuvées confor-
mément aux procédures de I’ISO qui requiérent l’approbation de 75 % au moins des
comités membres votants.
La Norme internationale ISO 1102 a été élaborée par le comité technique ISO/TC 22,
Véhicules routiers.
Cette deuxième édition annule et remplace la première édition (ISO 1102-19751, dont
elle constitue une révision technique.
L’attention des utilisateurs est attirée sur le fait que toutes les Normes internationales
sont de temps en temps soumises à révision et que toute référence faite à une autre
Norme internationale dans le présent document implique qu’il s’agit, sauf indication
contraire, de la derniere édition.
0 Organisation internationale de normalisation, 1986 0
Imprimé en Suisse
ISO 1102-1986 (FI
NORME INTERNATIONALE
- Liaisons mécaniques entre
Véhicules routiers utilitaires
véhicules tracteurs et remorques - Dispositifs d’attelage
de 50 mm
NOTES
1 Objet et domaine d’application
1 Les caractéristiques dimensionnelles du montage des dispositifs
La présente Norme internationale spécifie les caractéristiques
d’attelage sur la traverse arrière des véhicules tracteurs sont données
dimensionnelles essentielles d’un timon d’attelage de 50 mm et
dans I’ISO 3584.
d’un anneau pour remorques de 50 mm permettant d’assurer
2 Les caractéristiques dimensionnelles des débattements
...
Norme internationale
INTERNATIONAL ORGANIZATION FOR STANDARDIZATION*MElK,llYHAPO~HAR OPrAHM3ALlMR Il0 CTAH~APTM3ALWl~ORGANISATlON INTERNATIONALE DE NORMALISATION
Véhicules routiers utilitaires - Liaisons mécaniques entre
véhicules tracteurs et remorques - Dispositifs d’attelage
de5Omm
Commercial road vehicles - Mechanical connections between towing vehicles and traifers - 50 mm drawbar coupling
Deuxième édition - 1986-12-15
Réf. no : ISO 1102-1986 (F)
CL CDU 629.114.2.013.5
Y
véhicule routier utilitaire, véhicule routier tracté, remorque, barre d’attelage, interchangeabilité.
Descripteurs : véhicule routier,
Prix basé sur 5 pages
Avant-propos
L’ISO (Organisation internationale de normalisation) est une fédération mondiale
d’organismes nationaux de normalisation (comités membres de I’ISO). L’élaboration
des Normes internationales est normalement confiée aux comités techniques de I’ISO.
Chaque comité membre intéressé par une étude a le droit de faire partie du comité
technique créé à cet effet. Les organisations internationales, gouvernementales et non
gouvernementales, en liaison avec I’ISO participent également aux travaux.
Les projets de Normes internationales adoptés par les comités techniques sont soumis
aux comités membres pour approbation, avant leur acceptation comme Normes inter-
nationales par le Conseil de I’ISO. Les Normes internationales sont approuvées confor-
mément aux procédures de I’ISO qui requiérent l’approbation de 75 % au moins des
comités membres votants.
La Norme internationale ISO 1102 a été élaborée par le comité technique ISO/TC 22,
Véhicules routiers.
Cette deuxième édition annule et remplace la première édition (ISO 1102-19751, dont
elle constitue une révision technique.
L’attention des utilisateurs est attirée sur le fait que toutes les Normes internationales
sont de temps en temps soumises à révision et que toute référence faite à une autre
Norme internationale dans le présent document implique qu’il s’agit, sauf indication
contraire, de la derniere édition.
0 Organisation internationale de normalisation, 1986 0
Imprimé en Suisse
ISO 1102-1986 (FI
NORME INTERNATIONALE
- Liaisons mécaniques entre
Véhicules routiers utilitaires
véhicules tracteurs et remorques - Dispositifs d’attelage
de 50 mm
NOTES
1 Objet et domaine d’application
1 Les caractéristiques dimensionnelles du montage des dispositifs
La présente Norme internationale spécifie les caractéristiques
d’attelage sur la traverse arrière des véhicules tracteurs sont données
dimensionnelles essentielles d’un timon d’attelage de 50 mm et
dans I’ISO 3584.
d’un anneau pour remorques de 50 mm permettant d’assurer
2 Les caractéristiques dimensionnelles des débattements
...












Questions, Comments and Discussion
Ask us and Technical Secretary will try to provide an answer. You can facilitate discussion about the standard in here.
Loading comments...