ISO 10242-3:1991
(Main)Tools for pressing — Punch holder shanks — Part 3: Type D
Tools for pressing — Punch holder shanks — Part 3: Type D
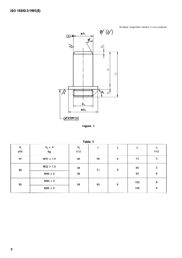
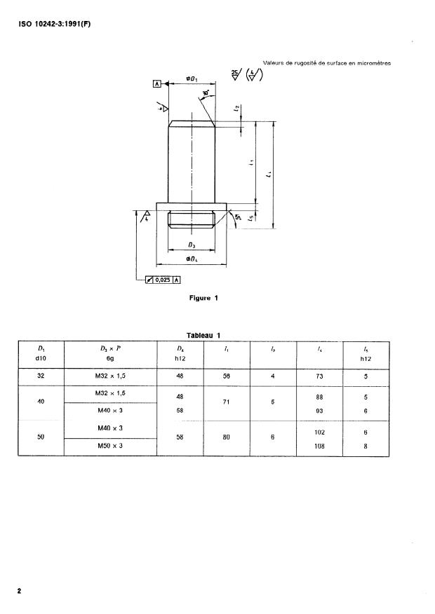
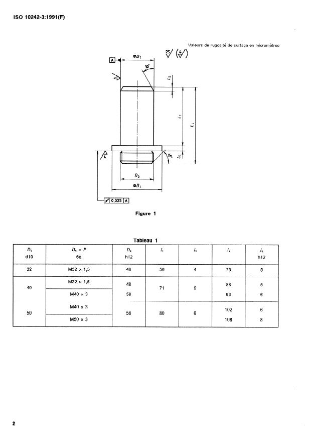
Specifies the dimensions and tolerances which are necessary to ensure interchangeability. Gives guidance on the materials, and states the hardness and designation of shanks. Annex A is for information only.
Outillage de presse — Nez de presse — Partie 3: Type D
General Information
- Status
- Withdrawn
- Publication Date
- 13-Nov-1991
- Withdrawal Date
- 13-Nov-1991
- Technical Committee
- ISO/TC 29/SC 8 - Tools for pressing and moulding
- Drafting Committee
- ISO/TC 29/SC 8 - Tools for pressing and moulding
- Current Stage
- 9599 - Withdrawal of International Standard
- Start Date
- 19-Sep-2008
- Completion Date
- 12-Feb-2026
Relations
- Effective Date
- 15-Apr-2008
ISO 10242-3:1991 - Tools for pressing -- Punch holder shanks
ISO 10242-3:1991 - Outillage de presse -- Nez de presse
ISO 10242-3:1991 - Outillage de presse -- Nez de presse
Get Certified
Connect with accredited certification bodies for this standard
National Aerospace and Defense Contractors Accreditation Program (NADCAP)
Global cooperative program for special process quality in aerospace.
CARES (UK Certification Authority for Reinforcing Steels)
UK certification for reinforcing steels and construction.
DVS-ZERT GmbH
German welding certification society.
Sponsored listings
Frequently Asked Questions
ISO 10242-3:1991 is a standard published by the International Organization for Standardization (ISO). Its full title is "Tools for pressing — Punch holder shanks — Part 3: Type D". This standard covers: Specifies the dimensions and tolerances which are necessary to ensure interchangeability. Gives guidance on the materials, and states the hardness and designation of shanks. Annex A is for information only.
Specifies the dimensions and tolerances which are necessary to ensure interchangeability. Gives guidance on the materials, and states the hardness and designation of shanks. Annex A is for information only.
ISO 10242-3:1991 is classified under the following ICS (International Classification for Standards) categories: 25.120.10 - Forging equipment. Presses. Shears. The ICS classification helps identify the subject area and facilitates finding related standards.
ISO 10242-3:1991 has the following relationships with other standards: It is inter standard links to ISO 10242-3:2008. Understanding these relationships helps ensure you are using the most current and applicable version of the standard.
ISO 10242-3:1991 is available in PDF format for immediate download after purchase. The document can be added to your cart and obtained through the secure checkout process. Digital delivery ensures instant access to the complete standard document.
Standards Content (Sample)
INTERNATIONAL
10242-3
STANDARD
First edition
1991-12-01
Tools for pressing - Punch holder shanks -
Part 3:
TYPe D
Outillage de presse - Nez de presse -
Par-tie 3: Type D
_---
-_c_
--
Reference number
-- IS0 10242-3:1991(E)
--------
- ____ - ._ _ _ -II
IS0 10242=3:1991(E)
Foreword
IS0 (the International Organization for Standardization) is a worldwide
federation of national standards bodies (IS0 member bodies). The work
of preparing International Standards is normally carried out through IS0
technical committees. Each member body interested in a subject for
which a technical committee has been established has the right to be
represented on that committee. International organizations, govern-
mental and non-governmental, in liaison with ISO, also take part in the
work. IS0 collaborates closely with the International Electrotechnical
Commission (IEC) on all matters of electrotechnical standardization.
Draft International Standards adopted by the technical committees are
circulated to the member bodies for voting. Publication as an lnter-
national Standard requires approval by at least 75 % of the member
bodies casting a vote.
International Standard IS0 10242-3 was prepared by Technical Com-
mittee ISO/TC 29, Small tools, Sub-Committee SC 8, Tools for pressing
and moulding.
IS0 10242 consists of the following parts, under the general title Tools
for pressing - Punch holder shanks:
- Part 1: Types A and B
- Part 2: Type C
- Part 3: Type D
Annex A of this part of IS0 10242 is for information only.
0 IS0 1991
All rights reserved. No part of this publication may be reproduced or utilized in any form
or by any means, electronic or mechanical, including photocopying and microfilm, without
permission in writing from the publisher.
International Orga nization for Stand ardization
20 l Switzer land
Case Postale 56 l CH-121 1 Geneve
Printed in Switzerland
ii
...
NORME
INTERNATIONALE
Première édition
1991-12-01
Outillage de presse - Nez de presse -
Partie 3:
Type D
Punch holder shanks -
Tools for pressing -
Part 3: Type U
-- -.
Numéro de référence
ISO 10242-3: 199 1 (F)
Avant-propos
L’ISO (Organisation internationale de normalisation) est une fédération
mondiale d’organismes nationaux de normalisation (comités membres
de I’ISO). L’élaboration des Normes internationales est en général
confiée aux comités techniques de I’ISO. Chaque comité membre inté-
ressé par une étude a le droit de faire partie du comité technique créé
à cet effet. Les organisations internationales, gouvernementales et non
gouvernementales, en liaison avec I’ISO participent également aux tra-
vaux. L’ISO collabore étroitement avec la Commission électrotechnique
internationale (CEI) en ce qui concerne la normalisation électrotech-
nique.
Les projets de Normes internationales adoptés par les comités techni-
ques sont soumis aux comités membres pour vote. Leur publication
comme Normes internationales requiert l’approbation de 75 % au moins
des comités membres votants.
La Norme internationale ISO 10242-3 a été élaborée par le comité tech-
nique ISO/TC 29, Petit outillage, sous-comité SC 8, Outillage de presse
et de moulage.
L’ISO 10242 comprend les parties suivantes, présentées sous le titre
général Outillage de presse - Nez de presse:
- Partie 1: Types A et B
- Partie 2: Type C
- Partie 3: Type D
L’annexe A de la présente partie de I’ISO 10242 est donnée uniquement
à titre d’information.
0 ISO 1991
Droits de reproduction réservés. Aucune partie de cette publication ne peut être repro-
duite ni utilisée sous quelque forme que ce soit et par aucun procédé, électronique ou
mécanique, y compris la photocopie et les microfilms, sans l’accord écrit de l’éditeur.
Organisation internationale de normalisation
Case Postale 56 l CH-1211 Genève 20 l Suisse
Imprimé en Suisse
ii
NORME INTERNATIONALE
Outillage
...
NORME
INTERNATIONALE
Première édition
1991-12-01
Outillage de presse - Nez de presse -
Partie 3:
Type D
Punch holder shanks -
Tools for pressing -
Part 3: Type U
-- -.
Numéro de référence
ISO 10242-3: 199 1 (F)
Avant-propos
L’ISO (Organisation internationale de normalisation) est une fédération
mondiale d’organismes nationaux de normalisation (comités membres
de I’ISO). L’élaboration des Normes internationales est en général
confiée aux comités techniques de I’ISO. Chaque comité membre inté-
ressé par une étude a le droit de faire partie du comité technique créé
à cet effet. Les organisations internationales, gouvernementales et non
gouvernementales, en liaison avec I’ISO participent également aux tra-
vaux. L’ISO collabore étroitement avec la Commission électrotechnique
internationale (CEI) en ce qui concerne la normalisation électrotech-
nique.
Les projets de Normes internationales adoptés par les comités techni-
ques sont soumis aux comités membres pour vote. Leur publication
comme Normes internationales requiert l’approbation de 75 % au moins
des comités membres votants.
La Norme internationale ISO 10242-3 a été élaborée par le comité tech-
nique ISO/TC 29, Petit outillage, sous-comité SC 8, Outillage de presse
et de moulage.
L’ISO 10242 comprend les parties suivantes, présentées sous le titre
général Outillage de presse - Nez de presse:
- Partie 1: Types A et B
- Partie 2: Type C
- Partie 3: Type D
L’annexe A de la présente partie de I’ISO 10242 est donnée uniquement
à titre d’information.
0 ISO 1991
Droits de reproduction réservés. Aucune partie de cette publication ne peut être repro-
duite ni utilisée sous quelque forme que ce soit et par aucun procédé, électronique ou
mécanique, y compris la photocopie et les microfilms, sans l’accord écrit de l’éditeur.
Organisation internationale de normalisation
Case Postale 56 l CH-1211 Genève 20 l Suisse
Imprimé en Suisse
ii
NORME INTERNATIONALE
Outillage
...












Questions, Comments and Discussion
Ask us and Technical Secretary will try to provide an answer. You can facilitate discussion about the standard in here.
Loading comments...